Как выбрать B1015 транзистор под свои нужды
При выборе B1015 транзистора для своих нужд необходимо учитывать несколько основных параметров, чтобы получить оптимальный результат.
В первую очередь, важно обратить внимание на максимально допустимый ток коллектора (IC). Этот параметр указывает на максимальный ток, который транзистор способен выдержать без перегрева. Необходимо выбрать транзистор с таким значением IC, которое соответствует или превышает максимально возможный ток в вашей схеме
Необходимо выбрать транзистор с таким значением IC, которое соответствует или превышает максимально возможный ток в вашей схеме.
Кроме того, важно обратить внимание на коэффициент усиления по току (hFE). Этот параметр указывает на то, во сколько раз ток коллектора усиливается по сравнению с током базы. Для большинства приложений рекомендуется выбирать транзистор с высоким значением hFE, чтобы получить достаточное усиление сигнала
Для большинства приложений рекомендуется выбирать транзистор с высоким значением hFE, чтобы получить достаточное усиление сигнала.
Также следует обратить внимание на максимально допустимую мощность потерь (Pd). Этот параметр указывает на максимальную мощность, которую транзистор способен потерять без перегрева
Необходимо выбрать транзистор с таким значением Pd, которое соответствует или превышает максимально возможную мощность в вашей схеме.
Важным параметром является также тип корпуса транзистора. B1015 доступен в различных вариантах корпусов (например, TO-92), у каждого из которых есть свои особенности и ограничения. Выбирайте корпус, который наиболее удобен для вашего применения.
Наконец, прежде чем выбирать транзистор, обязательно ознакомьтесь с его полными характеристиками, которые предоставлены в описании. Убедитесь, что транзистор соответствует всем вашим требованиям и спецификациям вашей схемы.
Соблюдение указанных выше рекомендаций поможет вам выбрать B1015 транзистор, который будет наилучшим вариантом для ваших нужд. Имейте в виду, что правильный выбор транзистора является важным шагом для обеспечения стабильной и эффективной работы вашей схемы.
Технические параметры B1015 транзистора
Тип корпуса: TO-92
Максимальное значение коллекторного тока (Ic): 150 мА
Максимальное значение коллекторно-эмиттерного напряжения (Vce): 60 В
Максимальное значение коллекторно-базового напряжения (Vcb): 65 В
Максимальное значение эмиттерно-базового напряжения (Veb): 5 В
Максимальная мощность потери (Pd): 625 мВт
Коэффициент усиления тока (hfe): 110 – 800
B1015 транзистор обладает хорошей переключающей способностью и широким диапазоном применения. Он часто используется в маломощных усилителях, схемах источников питания, автоматических регуляторах напряжения и других электронных устройствах.
Общая информация о B1015 транзисторе
Он обладает высоким коэффициентом усиления тока (hFE), низким напряжением насыщения коллектор-эмиттер (VCEsat) и хорошей коммутацией. Основной материал, из которого изготавливается B1015, — это кремний (Si).
Основные параметры B1015 транзистора:
- Тип: NPN
- Максимальное постоянное напряжение коллектор-эмиттер (VCE0): 50 В
- Максимальный коллекторный ток (IC): 150 мА
- Максимальная мощность коллектора (PC): 150 мВт
- Коэффициент усиления по току (hFE): 100-600
- Частота перехода (ft): 150 МГц
Этот транзистор применяется в широком спектре электронных схем, включая усилители, источники питания, стабилизаторы напряжения, генераторы сигналов и т.д. Его надежность, доступность и характеристики делают его популярным среди разработчиков.
Какие бывают стандарты маркировки
Маркировка, которая наносится на корпус SMD-элементов, как правило, отличается от их фирменных названий. Причина банальная – нехватка места из-за миниатюрности корпуса. Проблема особенно актуальна для ЭРЭ, которые размещаются в корпусах с шестью и менее выводами.
Это миниатюрные диоды, транзисторы, стабилизаторы напряжения, усилители и т.д. Для разгадки “что есть что” требуется проводить настоящую экспертизу, ведь по одному маркировочному коду без дополнительной информации очень трудно идентифицировать тип ЭРЭ. С момента появления первых SMD-приборов прошло более 20 лет.
Несмотря на все попытки стандартизации, фирмы-изготовители до сих пор упорно изобретают все новые разновидности SMD-корпусов и бессистемно присваивают своим элементам маркировочные коды.
Полбеды, что наносимые символы даже близко не напоминают наименование ЭРЭ, – хуже всего, что имеются случаи “плагиата”, когда одинаковые коды присваивают функционально разным приборам разных фирм.
| Тип | Наименование ЭРЭ | Зарубежное название |
| A1 | Полевой N-канальный транзистор | Feld-Effect Transistor (FET), N-Channel |
| A2 | Двухзатворный N-канальный полевой транзистор | Tetrode, Dual-Gate |
| A3 | Набор N-канальных полевых транзисторов | Double MOSFET Transistor Array |
| B1 | Полевой Р-канальный транзистор | MOS, GaAs FET, P-Channel |
| D1 | Один диод широкого применения | General Purpose, Switching, PIN-Diode |
| D2 | Два диода широкого применения | Dual Diodes |
| D3 | Три диода широкого применения | Triple Diodes |
| D4 | Четыре диода широкого применения | Bridge, Quad Diodes |
| E1 | Один импульсный диод | Rectifier Diode |
| E2 | Два импульсных диода | Dual |
| E3 | Три импульсных диода | Triple |
| E4 | Четыре импульсных диода | Quad |
| F1 | Один диод Шоттки | AF-, RF-Schottky Diode, Schottky Detector Diode |
| F2 | Два диода Шоттки | Dual |
| F3 | Три диода Шоттки | Tripple |
| F4 | Четыре диода Шоттки | Quad |
| K1 | “Цифровой” транзистор NPN | Digital Transistor NPN |
| K2 | Набор “цифровых” транзисторов NPN | Double Digital NPN Transistor Array |
| L1 | “Цифровой” транзистор PNP | Digital Transistor PNP |
| L2 | Набор “цифровых” транзисторов PNP | Double Digital PNP Transistor Array |
| L3 | Набор “цифровых” транзисторов | PNP, NPN | Double Digital PNP-NPN Transistor Array |
| N1 | Биполярный НЧ транзистор NPN (f < 400 МГц) | AF-Transistor NPN |
| N2 | Биполярный ВЧ транзистор NPN (f > 400 МГц) | RF-Transistor NPN |
| N3 | Высоковольтный транзистор NPN (U > 150 В) | High-Voltage Transistor NPN |
| N4 | “Супербета” транзистор NPN (г“21э > 1000) | Darlington Transistor NPN |
| N5 | Набор транзисторов NPN | Double Transistor Array NPN |
| N6 | Малошумящий транзистор NPN | Low-Noise Transistor NPN |
| 01 | Операционный усилитель | Single Operational Amplifier |
| 02 | Компаратор | Single Differential Comparator |
| P1 | Биполярный НЧ транзистор PNP (f < 400 МГц) | AF-Transistor PNP |
| P2 | Биполярный ВЧ транзистор PNP (f > 400 МГц) | RF-Transistor PNP |
| P3 | Высоковольтный транзистор PNP (U > 150 В) | High-Voltage Transisnor PNP |
| P4 | “Супербета” транзистор PNP (п21э > 1000) | Darlington Transistor PNP |
| P5 | Набор транзисторов PNP | Double Transistor Array PNP |
| P6 | Набор транзисторов PNP, NPN | Double Transistor Array PNP-NPN |
| S1 | Один сапрессор | Transient Voltage Suppressor (TVS) |
| S2 | Два сапрессора | Dual |
| T1 | Источник опорного напряжения | “Bandgap”, 3-Terminal Voltage Reference |
| T2 | Стабилизатор напряжения | Voltage Regulator |
| T3 | Детектор напряжения | Voltage Detector |
| U1 | Усилитель на полевых транзисторах | GaAs Microwave Monolithic Integrated Circuit (MMIC) |
| U2 | Усилитель биполярный NPN | Si-MMIC NPN, Amplifier |
| U3 | Усилитель биполярный PNP | Si-MMIC PNP, Amplifier |
| V1 | Один варикап (варактор) | Tuning Diode, Varactor |
| V2 | Два варикапа (варактора) | Dual |
| Z1 | Один стабилитрон | Zener Diode |
3DD13007_B8 Datasheet (PDF)
1.1. 3dd13007 b8d.pdf Size:154K _crhj
硅三重扩散 NPN 双极型晶体管 R ○ 3DD13007 B8D 产品概述 特征参数 产品特点 3DD13007 B8D 是硅 ● 开关损耗低 符 号 额定值 单 位 ● 反向漏电流小 NPN 型功率开关晶体管,该 VCEO 400 V ● 高温特性好 IC 7 A 产品采用平面工艺, 分压环 ● 合适的开关速度 Ptot (TC=25℃) 80 W 终端结构和少
1.2. 3dd13007 h8d.pdf Size:155K _crhj
硅三重扩散 NPN 双极型晶体管 R ○ 3DD13007 H8D 产品概述 特征参数 产品特点 ● 开关损耗低 3DD13007 H8D 是硅 符 号 额定值 单 位 ● 反向漏电流小 NPN 型功率开关晶体管,该 VCEO 400 V ● 高温特性好 IC 9 A 产品采用平面工艺, 分压环 ● 合适的开关速度 Ptot W (TC=25℃) 90 终端结构和
1.3. 3dd13007 b8.pdf Size:155K _crhj
硅三重扩散 NPN 双极型晶体管 R ○ 3DD13007 B8 产品概述 特征参数 产品特点 ● 开关损耗低 3DD13007 B8 是硅 NPN 符 号 额定值 单 位 ● 反向漏电流小 型功率开关晶体管, VCEO 400 V 该产品 ● 高温特性好 IC 8 A 采用平面工艺, 分压环终端 ● 合适的开关速度 Ptot W (TC=25℃) 80 结构和
1.4. 3dd13007 z7.pdf Size:151K _crhj
硅三重扩散 NPN 双极型晶体管 R ○ 3DD13007 Z7 产品概述 特征参数 产品特点 3DD13007 Z7 是硅 NPN ● 开关损耗低 符 号 额定值 单 位 ● 反向漏电流小 VCEO 200 V 型功率开关晶体管, 该产品 ● 高温特性好 IC 8 A 采用平面工艺, 分压环终端 ● 合适的开关速度 Ptot (TC=25℃) 50 W 结构和少
1.5. 3dd13007 x1.pdf Size:153K _crhj
硅三重扩散 NPN 双极型晶体管 R ○ 3DD13007 X1 产品概述 特征参数 产品特点 ● 开关损耗低 3DD13007 X1 是硅NPN 符 号 额定值 单 位 ● 反向漏电流小 型功率开关晶体管, VCEO 400 V 该产品 ● 高温特性好 IC 8 A 采用平面工艺, 分压环终端 ● 反向击穿电压高 Ptot W (TC=25℃) 80 结构和
1.6. 3dd13007 y8.pdf Size:153K _crhj
硅三重扩散 NPN 双极型晶体管 R ○ 3DD13007 Y8 产品概述 特征参数 产品特点 ● 开关损耗低 3DD13007 Y8 是硅NPN 符 号 额定值 单 位 ● 反向漏电流小 型功率开关晶体管, VCEO 340 V 该产品 ● 高温特性好 IC 7 A 采用平面工艺, 分压环终端 ● 反向击穿电压高 Ptot W (TC=25℃) 80 结构和
1.7. 3dd13007 z8.pdf Size:154K _crhj
硅三重扩散 NPN 双极型晶体管 R ○ 3DD13007 Z8 产品概述 特征参数 产品特点 3DD13007 Z8 是硅 NPN ● 开关损耗低 符 号 额定值 单 位 ● 反向漏电流小 VCEO 200 V 型功率开关晶体管, 该产品 ● 高温特性好 IC 8 A 采用平面工艺, 分压环终端 ● 合适的开关速度 Ptot (TC=25℃) 75 W 结构和少
Технические характеристики
Рассмотрим основные технические параметры транзистора 13002. Они приведены в datasheet в разделах максимальных значений и электрических характеристик. Превышение предельно допустимых величин приводит к выходу устройства из строя.
Максимальные значения параметров для транзистора 13002:
- напряжение К-Э: (VCEO (SUS)) до 300 В;
- напряжение Э-Б: (VEBO) до 9 В;
- ток коллектора: (IC) до 1.5 А; (ICM) до 3 А (пиковый);
- ток базы: (IВ) = 0.75 А; (IВМ) до 1.5 А (пиковый);
- рассеиваемая мощность (РD): до 1.4 Вт (без радиатора); до 40 Вт (с теплоотводом);
- диапазон рабочих температур (TJ,Tstg) от -65 до +150ОС.
Электрические параметры
Электрические характеристики представляют собой перечень номинальных значений параметров, при которых гарантируется стабильная работа полупроводникового устройства. Для транзистора 13002 представлены в таблице ниже. Обычно производитель указывает их с учётом температуры кристалла не более +25ОС. В столбце «режимы измерений» приведены условия тестирования.

Аналоги
Наиболее подходящей заменой для рассматриваемого полупроводникового триода можно назвать более мощный транзистор 13003. Он встречается с символами в начале маркировке: MJE, ST, PHE, KSE, указывающими на производителя. По расположению выводов полностью идентичен. Имеет лучшие технические параметры, но перед его использованием внимательно ознакомьтесь с datasheet.
Наиболее близкими российскими аналогами является: КТ8170Б1, КТ872.
H13005D Datasheet (PDF)
Транзистор h945
1.1. h13005dl.pdf Size:120K _jdsemi
R H13005DL 深圳市晶导电子有限公司 深圳市晶导电子有限公司 深圳市晶导电子有限公司 深圳市晶导电子有限公司 www.jdsemi.cn Bipolar Junction Transistor ShenZhen Jingdao Electronic Co.,Ltd. ◆Si NPN ◆RoHS COMPLIANT 1. 1. 1.APPLICATION 1. Mainly used for 110V power Fluorescent Lamp、 Electronic Ballast,etc 2. 2. 2
1.2. h13005d 2.pdf Size:118K _jdsemi
R H13005D 深圳市晶导电子有限公司 深圳市晶导电子有限公司 深圳市晶导电子有限公司 深圳市晶导电子有限公司 www.jdsemi.cn Bipolar Junction Transistor ShenZhen Jingdao Electronic Co.,Ltd. ◆Si NPN ◆RoHS COMPLIANT 1. 1. 1.APPLICATION 1. Fluorescent Lamp、Electronic Ballast、 and Switch-mode power supplies 2. 2. 2.
1.3. h13005d.pdf Size:118K _jdsemi
R H13005D 深圳市晶导电子有限公司 深圳市晶导电子有限公司 深圳市晶导电子有限公司 深圳市晶导电子有限公司 www.jdsemi.cn Bipolar Junction Transistor ShenZhen Jingdao Electronic Co.,Ltd. ◆Si NPN ◆RoHS COMPLIANT 1. 1. 1.APPLICATION 1. Fluorescent Lamp、Electronic Ballast、 and Switch-mode power supplies 2. 2. 2.
Суммирование источников шума
Источники шума бывают белыми и гауссовыми. Белый шум — это шум, мощность которого в пределах заданной полосы частот постоянна. Гауссов шум — шум, вероятность появления конкретного значения амплитуды которого имеет гауссово распределение.
Гауссов шум обладает следующим свойством. При сложении среднеквадратичных значений шума от двух и более некоррелированных источников гауссова шума (когда один шумовой сигнал не может быть приведен к другому шумовому сигналу), результирующий шум будет равен не арифметической сумме, а квадратному корню из суммы квадратов отдельных среднеквадратичных значений:
![]()
где Vni, TOTAL — общий приведенный к входу шум; en — приведенное к входу шумовое напряжение; in — приведенный к входу шумовой ток; RS — эквивалентное сопротивление источника или сопротивление на входе усилителя; Vn(REX) — шумовое напряжение внешней части схемы. Отметим следующее:
- Любое сопротивление на неинвертиру-ющем входе обладает шумом Джонсона и преобразует шумовой ток в шумовое напряжение.
- Шум Джонсона в резисторах обратной связи в высокоомных схемах может быть значительным.
На рис. 3 графически представлено уравнение (5) как сумма векторов с использованием теоремы Пифагора.
Рис. 3. Векторное суммирование источников шума
Шумовое усиление
Шумы, которые обсуждались ранее, могут быть объединены в приведенный к входу шум схемы усилителя. Для того чтобы рассчитать общий выходной шум схемы усилителя, общий объединенный шум на входе должен быть умножен на шумовое усиление схемы усилителя. Шумовое усиление — это усиление схемы усилителя для приведенного к входу шума. Оно обычно используется для определения устойчивости схемы усилителя.
Для упрощения расчета шумового усиления источники шума в простой схеме усилителя на рис. 1 могут быть объединены в один общий приведенный к входу источник шума (Vni, TOTAL ) , как показано на рис. 4.

Рис. 4. Упрощение схемы шумов усилителя
Обычно при расчете принято предполагать, что общий приведенный к входу шум прикладывается к неинвертирующему входу усилителя:
где Vno, TOTAL — общий приведенный к выходу шум; Vni, TOTAL — общий приведенный к входу шум.
где Gn — шумовое усиление; R1 — эквивалентный импеданс цепи обратной связи; R2 — входной эквивалентный импеданс.
В некоторых случаях шумовое усиление и усиление сигнала не являются эквивалентными (рис. 5). Заметим, что полоса пропускания схемы с замкнутой обратной связью определяется делением произведения усиления на полосу (или частоты единичного усиления) на шумовое усиление схемы усилителя.

Рис. 5. Сравнение усиления сигнала и шумового усиления
Транзистор КТ815 (n-p-n типа).
КТ815 — кремниевый биполярный n-p-n транзистор низкочастотный средней мощности, в пластмассовом корпусе TO-126, либо в корпусе D-PAK для поверхностного монтажа (в наименовании суффикс 9, например, КТ815А9).
Назначение: КТ815 -транзистор широкого применения для использования в ключевых и линейных схемах.
Типы: КТ815А, КТ815Б, КТ815В, КТ815Г
Комплементарная пара: КТ814 (pnp транзистор с такими же характеристиками)
Аналог: BD135, BD137, BD139
Цоколевка КТ815: Э-К-Б , смотри рисунок
Производители: Интеграл (Беларусь), Кремний-Маркетинг (Брянск)
Datasheet: (подробные характеристики с графиками зависимостей параметров)
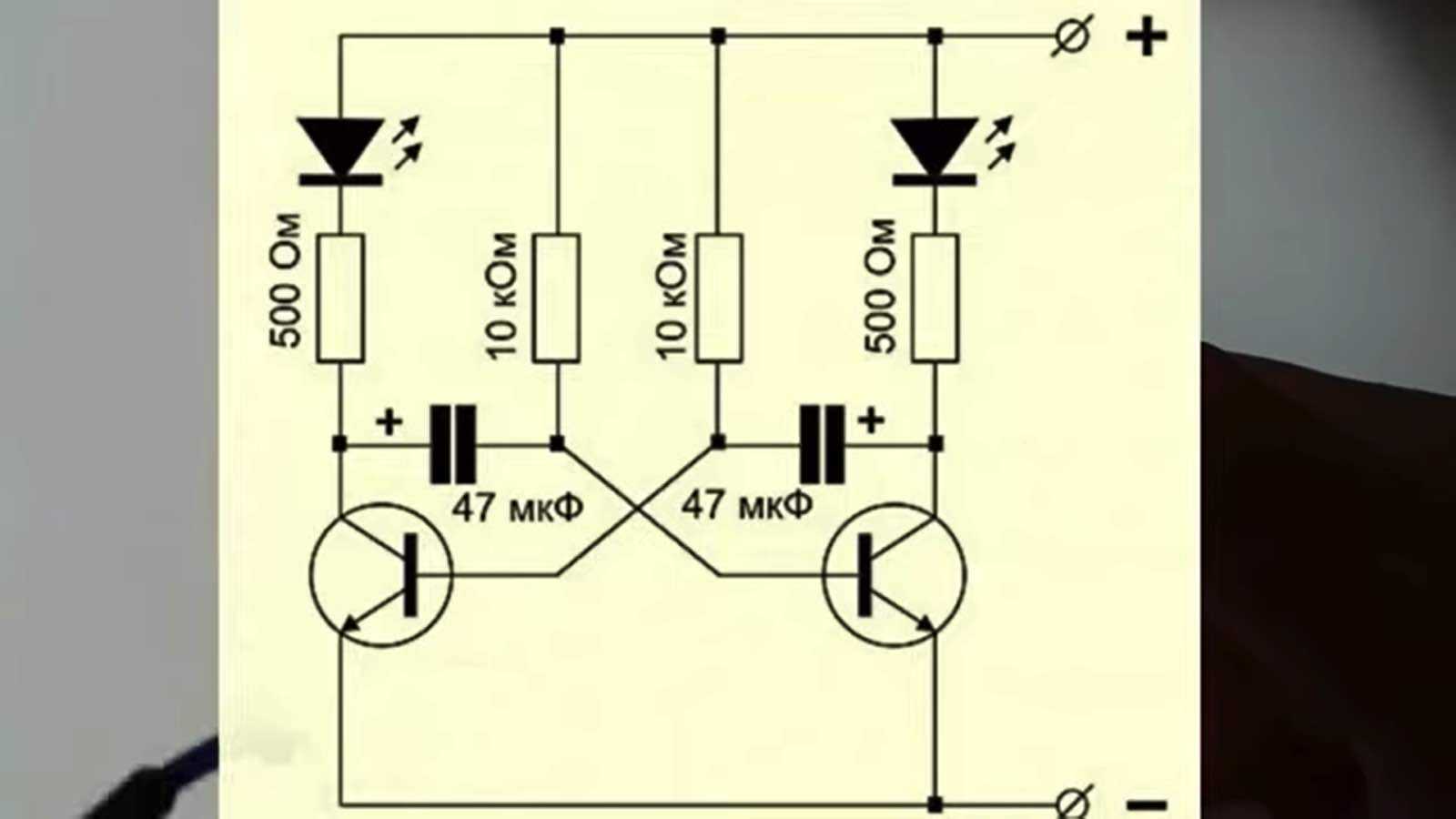
Мультивибратор на КТ315
Мультивибратор — это генератор широкой импульсной модуляции (или коротко ШИМ). Получается, что генератор будет выдавать сигнал либо постоянного плюса, либо постоянного минуса.

Принцип действий заключается в попеременном поступлении тока то к одному, то к другому светодиоду (их два). Частоту каждого из них можно менять (если резисторы будут разными, то и включение светодиодов тоже будет отличаться). Данная схема работает от напряжения 1,7 В до 16 В. Чтобы запустить схему понадобиться 3,2 В (этого будет достаточно, чтобы увидеть деятельность светодиодов).
Стоит отметить, что схема парная (2 конденсатора, 2 резистора, (2 RC-цепи), 2 светодиода), а вот значения транзисторов могут отличаться (от 220 Ом до 300 Ом), в таком случае схема все равно будет работать.
Надежная функциональность мультивибратора зависит от более высокого сопротивления одного из резисторов.
Отметим, что, чем больше сопротивление на переменном резисторе, тем больше будет мигать светодиод.
B1015 транзистор характеристики на русском: описание, параметры, применение
Основные параметры B1015 транзистора:
- Максимальный ток коллектора (IC): 150 мА;
- Максимальное обратное напряжение коллектор-эмиттер (VCEO): 50 В;
- Максимальная мощность потери на тепло (Ptot): 400 мВт;
- Коэффициент усиления по току (hFE): от 120 до 400;
- Максимальная частота переключения (fT): 150 МГц;
- Корпус: TO-92.
Применение B1015 транзистора включает в себя широкий спектр устройств и схем, где он может использоваться как усилитель, переключатель, стабилизатор и другие роли. Благодаря своим характеристикам, этот транзистор нашел применение в аудиоусилителях, радиоприемниках, телевизорах, компьютерах, блокировках и других устройствах.
Обладая высоким коэффициентом усиления и низким уровнем шума, B1015 транзистор представляет собой надежный и эффективный компонент, который отлично справляется со своими функциями в различных электронных устройствах.
Технические особенности транзистора B1015
Основные технические характеристики транзистора B1015 включают:
| Параметр | Значение |
|---|---|
| Максимальное коллекторное напряжение (VCEO) | −50 В |
| Максимальный коллекторный ток (IC) | −150 мА |
| Максимальная мощность потерь (Ptot) | 200 мВт |
| Максимальная рабочая температура (Tj) | 150 °C |
| Максимальная коллектор-эмиттерная насыщенная динамическая перегрузочная характеристика (DCО) | −100 мА |
Транзистор B1015 обладает высокой усиливающей способностью и низким уровнем шума, что делает его подходящим для использования в радиочастотных усилителях и усилителях малой мощности. Он также может быть использован в различных цифровых и аналоговых электронных схемах, где требуется усиление и переключение сигнала.
За счет своих технических особенностей и надежности транзистор B1015 широко применяется в различных областях, включая телекоммуникации, промышленную автоматику, медицинскую технику и другие.
Биполярный транзистор 2SA1012 — описание производителя. Основные параметры. Даташиты.
Наименование производителя: 2SA1012
Тип материала: Si
Полярность: PNP
Максимальная рассеиваемая мощность (Pc): 25
W
Макcимально допустимое напряжение коллектор-база (Ucb): 60
V
Макcимально допустимое напряжение коллектор-эмиттер (Uce): 50
V
Макcимально допустимое напряжение эмиттер-база (Ueb): 5
V
Макcимальный постоянный ток коллектора (Ic): 5
A
Предельная температура PN-перехода (Tj): 125
°C
Граничная частота коэффициента передачи тока (ft): 60
MHz
Ёмкость коллекторного перехода (Cc): 170
pf
Статический коэффициент передачи тока (hfe): 70
Корпус транзистора:
2SA1012
Datasheet (PDF)
..1. Size:215K toshiba 2sa1012.pdf
..2. Size:343K utc 2sa1012.pdf
UNISONIC TECHNOLOGIES CO., LTD 2SA1012 PNP SILICON TRANSISTOR HIGH CURRENT SWITCHING APPLICATION FEATURES *Low Collector Saturation Voltage V =-0.4V(max.) At I =-3A CE(SAT) C*High Speed Switching Time: t =1.0s (Typ.) S*Complementary To 2SC2562 ORDERING INFORMATION Ordering Number Pin Assignment Package Packing Lead Free Halogen Free 1 2 32SA1012L-x-TA3-
..3. Size:116K mospec 2sa1012.pdf
AAA
..4. Size:1282K jiangsu 2sa1012.pdf
JIANGSU CHANGJIANG ELECTRONICS TECHNOLOGY CO., LTD TO-252-2L Plastic-Encapsulate Transistors 2SA1012 TRANSISTOR (PNP) FEATURES High Current Switching Applications. Low Collector Saturation Voltage High Speed Swithing Time 1. BASE 2. COLLECTOR3. EMITTER MAXIMUM RATINGS (Ta=25 unless otherwise noted) Symbol Parameter Value UnitVCBO Collector-Base
..5. Size:119K jmnic 2sa1012.pdf
Power Transistors www.jmnic.com 2SA1012 Silicon PNP Transistors Features B C E With TO-220 package Complementary to 2SC2562 Absolute Maximum Ratings Tc=25 SYMBOL PARAMETER RATING UNITVCBO Collector to base voltage -60 V VCEO Collector to emitter voltage -50 V VEBO Emitter to base voltage -5 V IB Base current A IC Collector current -5 A PC Collector power dissip
..6. Size:318K lge 2sa1012.pdf
2SA1012(PNP) TO-220 TransistorTO-2201. BASE 2. COLLECTOTR3. EMITTER 3 21FeaturesHIGH CURRENT SWITCHING APPLICATIONS. Low Collector Saturation Voltage : VCE(SAT) = — 0.4V(MAX) at IC= — 3A High Speed Swithing Time : tstg = 1.0us (Typ.) Complementary to 2SC2562 MAXIMUM RATINGS (TA=25 unless otherwise noted) Symbol Parameter Value UnitsVCBO Coll
..7. Size:226K lzg 2sa1012 3ca1012.pdf
2SA1012(3CA1012) PNP /SILICON PNP TRANSISTOR : Purpose: High current switching applications. ,, 2SC2562(3DA2562) Features: Low collector saturation voltage, high speed switching time, complementary to 2SC2562(3DA2562). /Absolute maximum ratings(Ta=25)
..8. Size:242K inchange semiconductor 2sa1012.pdf
isc Silicon PNP Power Transistor 2SA1012DESCRIPTIONLow Collector Saturation Voltage:V = -0.4(V)(Max)@I = -3ACE(sat) CHigh Switching SpeedComplement to Type 2SC2562100% avalanche testedMinimum Lot-to-Lot variations for robust deviceperformance and reliable operationAPPLICATIONSDesigned for high current switching applications.ABSOLUTE MAXIMUM RATINGS(T =25)
0.1. Size:742K jiangsu 2sa1012b.pdf
JIANGSU CHANGJIANG ELECTRONICS TECHNOLOGY CO., LTD TO-252-2L Plastic-Encapsulate Transistors 2SA1012B TRANSISTOR (PNP) FEATURES TO-252-2L -2A,-50V Middle Power Transistor Suitable for Middle Power Driver Low Collector-emitter saturation voltage APPLICATIONS 1. BASE Middle Power Driver 2. COLLECTOR LED Driver Power Supply3. EMITTER MARKING A1012B= Dev
0.2. Size:583K semtech st2sa1012.pdf
ST 2SA1012 PNP Silicon Epitaxial Planar Transistor for high current switching applications. The transistor is subdivided into two group, O and Y, according to its DC current gain. TO-220 Plastic Package OAbsolute Maximum Ratings (Ta = 25 C) Parameter Symbol Value UnitCollector Base Voltage -VCBO 60 VCollector Emitter Voltage -VCEO 50 VEmitter Base Voltage -VEBO 5 VCollec
0.3. Size:196K inchange semiconductor 2sa1012-d.pdf
INCHANGE Semiconductorisc Silicon PNP Power Transistor 2SA1012-DDESCRIPTIONLow Collector Saturation Voltage:V = -0.4(V)(Max)@I = -3ACE(sat) CHigh Switching Speed TO-252 Package-D=Minimum Lot-to-Lot variations for robust deviceperformance and reliable operationAPPLICATIONSDesigned for high current switching applications.ABSOLUTE MAXIMUM RATINGS(T =25)
Другие транзисторы… 2SA1008
, 2SA1009
, 2SA1009A
, 2SA101
, 2SA1010
, 2SA1011
, 2SA1011D
, 2SA1011E
, 2SC2655
, 2SA1012O
, 2SA1012Y
, 2SA1013
, 2SA1013O
, 2SA1013R
, 2SA1014
, 2SA1015
, 2SA1015L
.
Идеальный и реальный операционные усилители
Сначала суммируем характеристики идеального операционного усилителя, показанного на рис. «Идеальный операционный усилитель«:
- Синфазное входное сопротивление между входом и землей, где: rGL_P = UP/IP; rGL_N = UN/IN. В общем случае значение rGL можно проигнорировать.
- Дифференциальное входное сопротивление между двумя входами; здесь: rD = (UP -UN)/IP. rD увеличивается за счет отрицательной обратной связи.
- Дифференциальное выходное сопротивление rA = dUA/dIA. rA — за счет отрицательной обратной связи снижается.
- Напряжение смещения Uos — количественная характеристика того факта, что даже в случае короткого замыкания между двумя входами (т.е. UD = 0) выходное напряжение UA не равно нулю.
- Коэффициент ослабления синфазного сигнала (CMRR): количественная характеристика, описывающая изменение выходного напряжения UA при одновременном синхронном изменении входных напряжений UP и UN (в случае синфазных периодических входных сигналов), т.е., когда UD остается постоянным.
- Коэффициент подавления пульсаций питания (PSRR): количественная характеристика, описывающая изменение выходного напряжения UA при изменении напряжений питания.
Поэтому основные идеализации заключаются в следующем:
- Коэффициент усиления при разомкнутой цепи обратной связи АD приближается к бесконечности; в случае отрицательной обратной связи имеет место следующее: UD = 0.
- Входные токи IN и IР приближаются к нулю.
- Если IN и IР близки к нулю, это означает, что синфазное и дифференциальное входные сопротивления приближаются к бесконечности.
- Напряжение смещения Uos приближается к нулю.
- Выходное сопротивление RA приближается к нулю.
- Коэффициент ослабления синфазного сигнала (CMRR) приближается к бесконечности, т.е. в случае равного и синфазного изменения напряжений UP и UN, UА остается неизменным.
- Коэффициент ослабления пульсаций питания (PSRR) приближается к бесконечности, т.е. в случае изменения напряжения питания, UА остается неизменным.
- Поведение усилителя не зависит от частоты.
На практике, разумеется, значения вышеуказанных параметров отличны от идеальных:
- Коэффициент усиления при разомкнутой цепи обратной связи АD лежит в диапазоне от 104 до 107.
- Входные токи IN и IР лежат в диапазоне от 10 пА до 2 мкА.
- Синфазное входное сопротивление лежит в диапазоне от 106 до 1012 Ом, а дифференциальное входное сопротивление достигает 1012 Ом.
- Выходное сопротивление RA лежит в диапазоне от 2 до 50 Ом.
- Коэффициент ослабления синфазного сигнала (CMRR) лежит в диапазоне от 60 до 140 дБ.
- Коэффициент ослабления пульсаций питания (PSRR) лежит в диапазоне от 60 до 100 дБ.
- Поведение усилителя зависит от частоты (пропускание низких частот).
Собственные шумы усилителя.
Что же такое шум?
В электронике шумом называют беспорядочные колебания амплитуды сигнала, которые глушат полезный сигнал. Сюда же относятся разного рода помехи. Собственные шумы усилителя — это шумы, которые зарождаются как внутри самого усилителя, так и могут быть вызваны внешним источником помех, либо некачественным питанием усилителя. Давайте рассмотрим основные виды шумов усилителя.
Фон
Этот шум вызван некачественным питанием усилителя. Если источник питания собран на сетевом трансформаторе, то шум будет на частоте 100 Гц (2х50Гц, по схеме диодного моста). То есть на выходе такого усилителя мы услышим гудение, если подцепим к выходу динамик. Думаю, вы часто слышали такое выражение «что-то динамики фонят». Это все из этой серии.
Помехи и наводки
Это могут быть внешние источники, которые так или иначе действуют на усилитель. Это может быть наводка от сети 220 Вольт (очень часто ее можно увидеть, если просто прикоснуться к сигнальному щупу осциллографа), это также может быть какая-либо искра, которая образуется в свечах двигателей внутреннего сгорания.
Небольшое лирическое отступление. Помню, как смотрел диснеевские мультики по первому каналу, а через дорогу сосед пилил дрова с помощью бензопилы Дружба-2. Тогда на экране ТВ были такие помехи, что я про себя тихо материл соседа.
Ну а как же без грозовых разрядов? Благодаря электромагнитному импульсу у нас появилось такое изобретение, как радио.
К источникам помех можно также отнести радио- и ТВ-станции, рядом лежащее и стоящее электрооборудование, типа мощных коммутационных механических ключей, разрядников и тд.
Ну и конечно, это шум самих радиоэлементов. Сюда относится тепловой шум (джонсоновский), дробовой шум, а также фликкер-шум.
Наиболее существенными являются шумы, которые возникают на входе усилителя в самом первом каскаде. Этот шум в дальнейшем усиливается также, как и входной полезный сигнал. В результате на выходе усилителя у нас будет усилен как полезный сигнал, так и шумовой. Поэтому, при проектировании качественных усилителей стараются как можно сильнее минимизировать шум на входе первого каскада усилителя.






![B1015 транзистор характеристики на русском: описание, параметры, применение - [название сайта]](http://pafosklub.ru/wp-content/uploads/9/b/7/9b7f0d4e4fb20b4edc2d662f4c5aa5aa.jpeg)

















