Справочники
|
|
|||||
|
Цоколевка широко распространенных транзисторов и цветовая и кодовая маркировка транзисторов.
Цветовая и кодовая маркировка транзисторов В цветовой и кодовой маркировке транзисторов нет единых стандартов. Каждый завод, который производит транзисторы, принимает свои цветовые и кодовые обозначения. Вы можете встретить транзисторы одного типа и группы, которые изготовлены разными заводами и маркируются по-разному, или разные транзисторы, которые маркируются одинаково. В этом случае их можно отличить только по некоторым дополнительным признакам, таким как длина выводов коллектора и эмиттера или окраска торцевой (противоположной выводам) поверхности транзистора. Табл. 8.13. Цветовая и кодовая маркировка транзисторов в корпусе КТ-26.
Цветовая маркировка транзисторов осуществляется двумя точками. Тип транзистора обозначается на боковой поверхности, а маркировка группы на торцевой (рис. 8.2). Кодовая маркировка наносится на боковую поверхность транзистора (рис. 8.2). Тип транзистора обозначается кодовым знаком (табл. 8.13), а группа — соответствующей буквой. Дата изготовления в соответствии с ГОСТ 26486-82 кодируется двумя буквами или буквой и цифрой (табл. 8.14). Первая буква обозначает год выпуска, а следующая за ней цифра или буква — месяц. Кодированное обозначение даты изготовления применяется не только для транзисторов, но и для других радиоэлементов. На рис. 8.3 приведены примеры кодовой и цветовой маркировки транзисторов в корпусе КТ-26. Транзисторы в корпусе КТ-27 могут маркироваться или буквенно — цифровым кодом (табл. 8.16 и рнс. 8.4) или кодом, состоящим из геометрических фигур (рис. 8.4).
Транзисторы в корпусе КТ-27 дополнительно маркируются окрашиванием торца корпуса, противоположного выводам: КТ814 — серо — бежевый; КТ815 — серый нлн снренево — фиолетовый; КТ816 — розово — красный; КТ817 — серо — зелёный; КТ683 — фиолетовый; КТ9115 — голубой. Транзисторы КТ814Б, КТ815Б, КТ816Б и КТ817Б иногда маркируются только окрашиванием торцевой поверхности без нанесения буквенно — цифрового кода. Примеры маркировки транзисторов в корпусе КТ-13 приведены на рис. 8.6. Буква группы у транзисторов КТ315 наносится сбоку поверхности, а КТ361 — посередине. Тип транзисторов КПЗОЗ и КП307 в корпусе КТ-1-12 маркируются соответственно цифрами 3 и 7, группа — соответствующей буквой. Транзисторы КП327А маркируются одной белой точкой, а КП327Б — двумя (рис. 8.3).
Кизлюк А.И. Ключевые теги: Кизлюк |
|||||
|
|||||
|
|||||
Фелер 404
Auswahl von Land und Sprache beeinflusst Deine Geschäftsbedingungen, Produktpreise und Sonderangebote
Sprache
Верунг
Preise
нетто
брутто
нетто
брутто
Каталог
Ви кауфт человек
Хильфе
или другой адрес:
Дом
Abonnieren Sie jetzt
В том же информационном бюллетене вы найдете самые интересные и интересные сведения о новых продуктах, товарах и услугах на веб-сайте TME.
* Pflichtfeld
AnmeldenAuf Mitteilungsblatt verzichten
больше
Венигер
TME-Newsletter abonnieren
Анеботе — Рабатте — Нойхайтен. Sei auf dem Laufenden mit dem Angebot von TME
AGB zum Информационный бюллетень
Auf Mitteilungsblatt verzichten
Daten werden verarbeitet
Die Operation wurde erfolgreich durchgeführt.
Ein unerwarteter Fehler ist aufgetreten. Bitte versuche noch einmal.
Логин
Пароль
Логин и пароль заранее.
Ангола — SurmaExpediciones
Ангола es uno de los países más ricos de África , puesto que cuenta con grandes reservas de petróleo y diamantes.![]()
también es uno de los países más desconocidos para los turistas
En Surmaexpediciones te descubriremos algunos de los lugares que no puedes perderte de este fascinante lugar.
Катаратас де Каландула. Situadas en el río Lucala y, aunque son bastante desconocidas fueran de Angola, lo cierto es que las cataratas de Kalandula constituyen un espectáculo realmente impponente por su volumen y por ser las más altas de África const sus 10desni.
Национальный парк Киссама . Establecido como reserva en 1938, también es conocido como Quiçama. Se encuentra ubicado al sur del río Kwanza y es probablemente эль-мейор Национальный парк Анголы для исследования разнообразной фауны: слонов, африканских манатов и бегемотов, антилоп соболь, монос, цебра, нус и черепаха де мар.
los maravillosos baobabs nudosos
Национальный парк Луэнге-Луиана . Forma parte del área de conservación transfronteriza de Okavango/Zambeze, la cual comparte territorio con Замбия, Ангола, Намибия, Ботсвана и Зимбауэ, y además constituye una de las regiones más grandes de protección medioambiental de todo el mundo . Este Parque Nacional se encuentra hoy en día prácticamente virgen, ya que apenas ha sufrido el Impacto del Hombre. Aquí podrás disfrutar contemplando animales como la hiena manchada, el tejón, los antílopes sables, impalas, avestruces o ñus y, por supuesto, los cinco grandes mamíferos de África : слоны, леопарды, леонес, буйволы.
Национальный парк Кангандала, . Situado en la provincia de Malanje, en este Parque Nacional podrás ver en vivo el símbolo nacional de Angola: el famoso palanca negra gigante , un gran antílope que se answeró extinto durante más de 20 años, aunque afortunadamente fue redescubierto en 2000 en el 2009 se logró localizarlo y capturarlo para ponerlo bajo protección en este santuario.
Мирадору да Луа . Formado durante millones de años por la accion del viento y la lluvia, probablemente este sea el lugar más visitado de Toda Angola por los turistas. Se trata de un mirador sobre un cañón con acantilados que se desploman sobre el Atlantico y recuerdan mucho a un paisaje lunar, de ahí su nombre y que se conozca también como «Moon Valley View point».
Лубанго . Si quieres contemplar hermosas cascadas y fisuras volcánicas espectaculares , esta pequeña ciudad situada en un hermoso valle rodeado de montañas es un lugar que no puedes perderte.
Бенгела . Si eres más de playa, Бенгела-эс-ту-ситио. Автопрокламада столица культуры де ла республика, Benguela se encuentra rodeada de estupendas playas atlánticas donde podrás disfrutar de la arena y el mar a tus anchas.
Como ves, aunque bastante desconocida todavía, Angola atesora auténticas maravillas en su interior que son dignas de conocer y disfrutar.
¿Te animas a descubrirlas con nosotros?
Hoja de datos ( техническое описание в формате PDF ) электронных компонентов
Номер пьезы
Описание
Фабрикантес
ПДФ
1ЭДИ20Н12АФ
ИС драйвера одноканального MOSFET и GaN HEMT
Инфинеон
ПДФ
1ЭДИ60Н12АФ
Одноканальный драйвер затвора MOSFET IC
Инфинеон
ПДФ
2SB1017
КРЕМНИЕВЫЙ ЭПИТАКСИАЛЬНЫЙ ТРАНЗИСТОР PNP
Юнисоник Текнолоджиз
ПДФ
2SK1282
N-канальный силовой МОП-транзистор на полевых транзисторах
НЭК
ПДФ
2SK1282-Z
N-канальный силовой МОП-транзистор на полевых транзисторах
НЭК
ПДФ
74ACT245
Октальный двунаправленный приемопередатчик
Фэирчайлд Полупроводник
ПДФ
АБС10У
1. 0A ВЫПРЯМИТЕЛЬ МОСТА ШОТТКИ
Юнисоник Текнолоджиз
ПДФ
АБС2У
1.0A ВЫПРЯМИТЕЛЬ МОСТА ШОТТКИ
Юнисоник Текнолоджиз
ПДФ
АБС4У
1.0A ВЫПРЯМИТЕЛЬ МОСТА ШОТТКИ
Юнисоник Текнолоджиз
ПДФ
АБС6У
1.0A ВЫПРЯМИТЕЛЬ МОСТА ШОТТКИ
Юнисоник Текнолоджиз
ПДФ
АБС8У
1. 0A ВЫПРЯМИТЕЛЬ МОСТА ШОТТКИ
Юнисоник Текнолоджиз
ПДФ
АК1573
Синтезатор частот
АКМ
ПДФ
АК1573Б
Синтезатор частот
АКМ
ПДФ
АК1573С
Синтезатор частот
АКМ
ПДФ
Аналоги КТ315
У транзистора имеется как отечественная замена, так и заграничная. Начнем с первой. Это КТ3102 (ТО-92). Он тоже кремниевый, с npn структурой, но с большей температурой (до +150 С), другим расположением диодов и более высокими электрическими возможностями. Можно сказать, что они, относительно, одинаковы.
Иностранные заменители: ВС547 (npn, высокочастотный (примерно в 300 МГц, когда у КТ315 — 250 МГц), расположение диодов как у КТ3102, температура до +150 С), PN2222 (300 МГц, цоколевка соответствует предыдущей, остальные характеристики примерно одинаковы с КТ315), 2SC9014 (температура от -55 С до +150 С, 270 МГц). Раньше зарубежные транзисторы выходили с корпусом КТ-13, но на данный момент таких уже не существует.
Маркировка биполярный SMD транзисторов
| Обозначение на корпусе | Тип транзистора | Условный аналог |
| 15 | MMBT3960 | 2N3960 |
| 1A | BC846A | BC546A |
| 1B | BC846B | BC546B |
| 1C | MMBTA20 | MPSA20 |
| 1D | BC846 | — |
| 1E | BC847A | BC547A |
| 1F | BC847B | BC547B |
| 1G | BC847C | BC547C |
| 1H | BC847 | — |
| 1J | BC848A | BC548A |
| 1K | BC848B | BC548B |
| 1L | BC848C | BC548C |
| 1M | BC848 | — |
| 1P | FMMT2222A | 2N2222A |
| 1T | MMBT3960A | 2N3960A |
| 1X | MMBT930 | — |
| 1Y | MMBT3903 | 2N3903 |
| 2A | FMMT3906 | 2N3906 |
| 2B | BC849B | BC549B |
| 2C | BC849C | BC549C / BC109C / MMBTA70 |
| 2E | FMMTA93 | — |
| 2F | BC850B | BC550B |
| 2G | BC850C | BC550C |
| 2J | MMBT3640 | 2N3640 |
| 2K | MMBT8598 | — |
| 2M | MMBT404 | — |
| 2N | MMBT404A | — |
| 2T | MMBT4403 | 2N4403 |
| 2W | MMBT8599 | — |
| 2X | MMBT4401 | 2N4401 |
| 3A | BC856A | BC556A |
| 3B | BC856B | BC556B |
| 3D | BC856 | — |
| 3E | BC857A | BC557A |
| 3F | BC857B | BC557B |
| 3G | BC857C | BC557C |
| 3J | BC858A | BC558A |
| 3K | BC858B | BC558B |
| 3L | BC858C | BC558C |
| 3S | MMBT5551 | — |
| 4A | BC859A | BC559A |
| 4B | BC859B | BC559B |
| 4C | BC859C | BC559C |
| 4E | BC860A | BC560A |
| 4F | BC860B | BC560B |
| 4G | BC860C | BC560C |
| 4J | FMMT38A | — |
| 449 | FMMT449 | — |
| 489 | FMMT489 | — |
| 491 | FMMT491 | — |
| 493 | FMMT493 | — |
| 5A | BC807-16 | BC327-16 |
| 5B | BC807-25 | BC327-25 |
| 5C | BC807-40 | BC327-40 |
| 5E | BC808-16 | BC328-16 |
| 5F | BC808-25 | BC328-25 |
| 5G | BC808-40 | BC328-40 |
| 549 | FMMT549 | — |
| 589 | FMMT589 | — |
| 591 | FMMT591 | — |
| 593 | FMMT593 | — |
| 6A | BC817-16 | BC337-16 |
| 6B | BC817-25 | BC337-25 |
| 6C | BC817-40 | BC337-40 |
| 6E | BC818-16 | BC338-16 |
| 6F | BC818-25 | BC338-25 |
| 6G | BC818-40 | BC338-40 |
| 9 | BC849BLT1 | — |
| AA | BCW60A | BC636 / BCW60A |
| AB | BCW60B | — |
| AC | BCW60C | BC548B |
| AD | BCW60D | — |
| AE | BCX52 | — |
| AG | BCX70G | — |
| AH | BCX70H | — |
| AJ | BCX70J | — |
| AK | BCX70K | — |
| AL | MMBTA55 | — |
| AM | BSS64 | 2N3638 |
| AS1 | BST50 | BSR50 |
| B2 | BSV52 | 2N2369A |
| BA | BCW61A | BC635 |
| BB | BCW61B | — |
| BC | BCW61C | — |
| BD | BCW61D | — |
| BE | BCX55 | — |
| BG | BCX71G | — |
| BH | BCX71H | BC639 |
| BJ | BCX71J | — |
| BK | BCX71K | — |
| BN | MMBT3638A | 2N3638A |
| BR2 | BSR31 | 2N4031 |
| C1 | BCW29 | — |
| C2 | BCW30 | BC178B / BC558B |
| C5 | MMBA811C5 | — |
| C6 | MMBA811C6 | — |
| C7 | BCF29 | — |
| C8 | BCF30 | — |
| CE | BSS79B | — |
| CEC | BC869 | BC369 |
| CF | BSS79C | — |
| CH | BSS82B / BSS80B | — |
| CJ | BSS80C | — |
| CM | BSS82C | — |
| D1 | BCW31 | BC108A / BC548A |
| D2 | BCW32 | BC108A / BC548A |
| D3 | BCW33 | BC108C / BC548C |
| D6 | MMBC1622D6 | — |
| D7 | BCF32 | — |
| D8 | BCF33 | BC549C / BCY58 / MMBC1622D8 |
| DA | BCW67A | — |
| DB | BCW67B | — |
| DC | BCW67C | — |
| DE | BFN18 | — |
| DF | BCW68F | — |
| DG | BCW68G | — |
| DH | BCW68H | — |
| E1 | BFS17 | BFY90 / BFW92 |
| EA | BCW65A | — |
| EB | BCW65B | — |
| EC | BCW65C | — |
| ED | BCW65C | — |
| EF | BCW66F | — |
| EG | BCW66G | — |
| EH | BCW66H | — |
| F1 | MMBC1009F1 | — |
| F3 | MMBC1009F3 | — |
| FA | BFQ17 | BFW16A |
| FD | BCV26 | MPSA64 |
| FE | BCV46 | MPSA77 |
| FF | BCV27 | MPSA14 |
| FG | BCV47 | MPSA27 |
| GF | BFR92P | — |
| H1 | BCW69 | — |
| H2 | BCW70 | BC557B |
| H3 | BCW89 | — |
| H7 | BCF70 | — |
| K1 | BCW71 | BC547A |
| K2 | BCW72 | BC547B |
| K3 | BCW81 | — |
| K4 | BCW71R | — |
| K7 | BCV71 | — |
| K8 | BCV72 | — |
| K9 | BCF81 | — |
| L1 | BSS65 | — |
| L2 | BSS70 | — |
| L3 | MMBC1323L3 | — |
| L4 | MMBC1623L4 | — |
| L5 | MMBC1623L5 | — |
| L6 | MMBC1623L6 | — |
| L7 | MMBC1623L7 | — |
| M3 | MMBA812M3 | — |
| M4 | MMBA812M4 | — |
| M5 | MMBA812M5 | — |
| M6 | BSR58 / MMBA812M6 | 2N4858 |
| M7 | MMBA812M7 | — |
| O2 | BST82 | — |
| P1 | BFR92 | BFR90 |
| P2 | BFR92A | BFR90 |
| P5 | FMMT2369A | 2N2369A |
| Q3 | MMBC1321Q3 | — |
| Q4 | MMBC1321Q4 | — |
| Q5 | MMBC1321Q5 | — |
| R1 | BFR93 | BFR91 |
| R2 | BFR93A | BFR91 |
| S1A | SMBT3904 | — |
| S1D | SMBTA42 | — |
| S2 | MMBA813S2 | — |
| S2A | SMBT3906 | — |
| S2D | SMBTA92 | — |
| S2F | SMBT2907A | — |
| S3 | MMBA813S3 | — |
| S4 | MMBA813S4 | — |
| T1 | BCX17 | BC327 |
| T2 | BCX18 | — |
| T7 | BSR15 | 2N2907A |
| T8 | BSR16 | 2N2907A |
| U1 | BCX19 | BC337 |
| U2 | BCX20 | — |
| U7 | BSR13 | 2N2222A |
| U8 | BSR14 | 2N2222A |
| U9 | BSR17 | — |
| U92 | BSR17A | 2N3904 |
| Z2V | FMMTA64 | — |
| ZD | MMBT4125 | 2N4125 |
ТУТ ВИДЕО
Совсем не дурно, почти hi-end! На самом деле если ориентироваться только по КНИ, то этот усилитель полноценный HI-END, но для хай-энда этого не достаточно, поэтому его отнесли к старому и доброму разряду hi-fi.
Несмотря на то, что усилитель развивает всего 100 ватт, он на порядок сложнее аналогичных схем, но сама сборка не составит труда при наличии всех компонентов. Отклонять номиналы схемы не советую – мой опыт это подтверждает.
Маломощные транзисторы в ходе работы могут перегреваться, но волноваться не стоит – это их нормальный режим работы. Выходной каскад, как уже сказал, работает в классе АВ, следовательно, выделятся огромное количество тепла, которое нужно отводить. В моем случае они укреплены на общий теплоотвод, которого более, чем достаточно, но на всякий случай, имеется также и активное охлаждение.
После сборки нас ждет первый запуск схемы. Для этого советую еще раз прочитать запуск и настройку Ланзара – тут все делается точно таким же образом. Первый запуск делаем с закороченной на землю входом, если все ОК, то размыкаем вход и подаем звуковой сигнал. К тому времени все силовые компоненты должны быть укреплены на теплоотвод, а то восхищаясь музыкой можете не заметить, как дымят ключи выходного каскада – каждый из них стоит очень и очень. А про блок защиты в узнаете в следующем материале. С уважением – АКА КАСЬЯН.
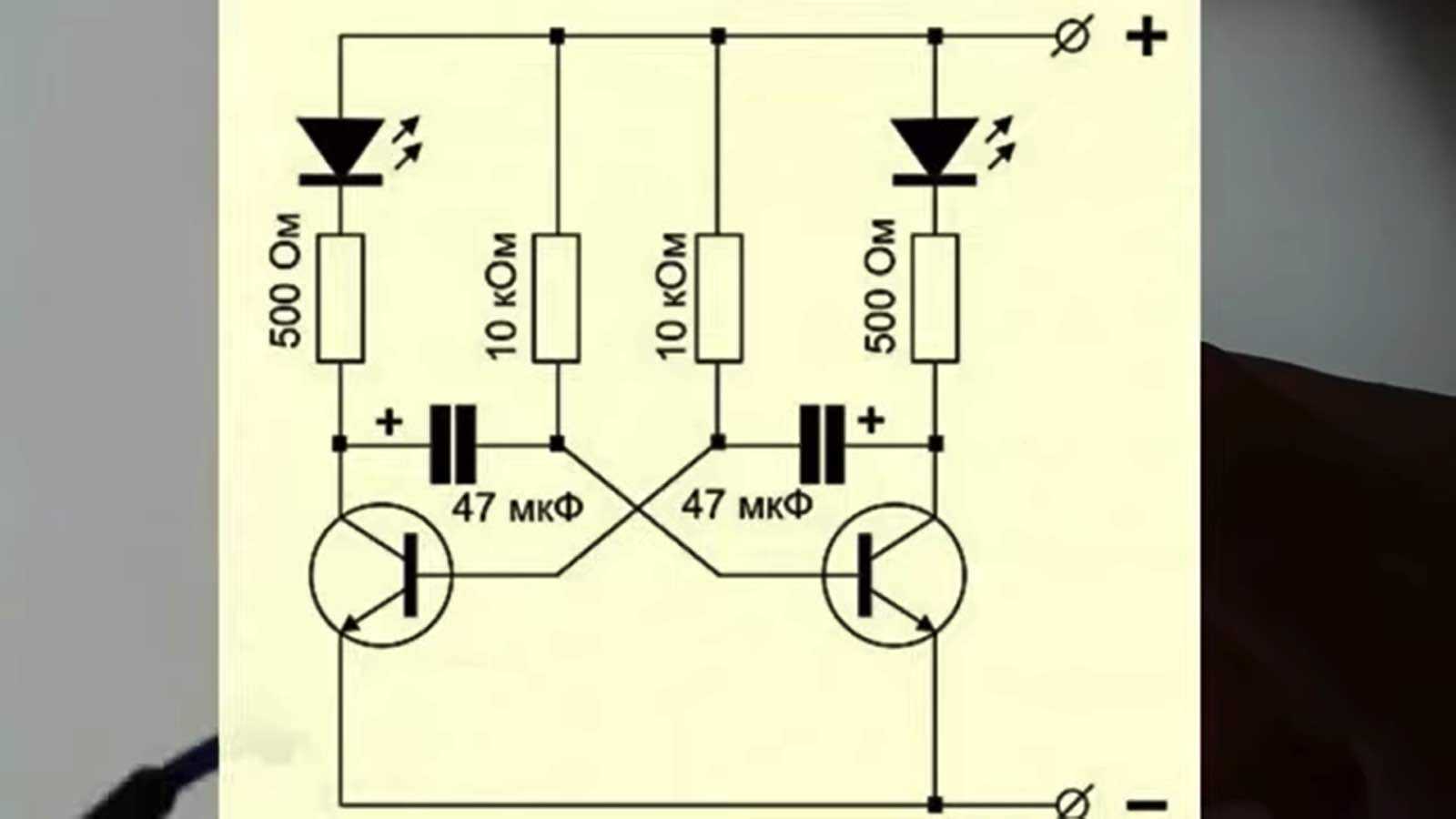
Мультивибратор на КТ315
Мультивибратор — это генератор широкой импульсной модуляции (или коротко ШИМ). Получается, что генератор будет выдавать сигнал либо постоянного плюса, либо постоянного минуса.

Принцип действий заключается в попеременном поступлении тока то к одному, то к другому светодиоду (их два). Частоту каждого из них можно менять (если резисторы будут разными, то и включение светодиодов тоже будет отличаться). Данная схема работает от напряжения 1,7 В до 16 В. Чтобы запустить схему понадобиться 3,2 В (этого будет достаточно, чтобы увидеть деятельность светодиодов).
Стоит отметить, что схема парная (2 конденсатора, 2 резистора, (2 RC-цепи), 2 светодиода), а вот значения транзисторов могут отличаться (от 220 Ом до 300 Ом), в таком случае схема все равно будет работать.
Надежная функциональность мультивибратора зависит от более высокого сопротивления одного из резисторов.
Отметим, что, чем больше сопротивление на переменном резисторе, тем больше будет мигать светодиод.
V23050-A1110-A533 инвентарь и цена- Electronics-chip.com
Главная > Продукты > Реле > Питания реле, над 2 усилителей > V23050-A1110-A533
запрос
Характеристики
| Включить напряжение (макс): | 82.5 VDC |
|---|---|
| Выключение питания (мин): | 11 VDC |
| Тип выводов: | PC Pin |
| Переключение напряжения: | 400VAC — Max |
| Серии: | SR6, SCHRACK |
| Тип реле: |
Safety
упаковка:
Tube
Другие названия:
9-1415018-1
V23050-A1110-A533-ND
V23050A1110A533
Рабочая Температура:
-25°C ~ 70°C
Тип установки:
Through Hole
Уровень чувствительности влаги (MSL):
1 (Unlimited)
Статус бесплатного свидания / Статус RoHS:
Lead free / RoHS Compliant
Особенности:
—
Подробное описание:
Safety Relay 6PST-3NO/3NC (3 Form A, 3 Form B) 110VDC Coil Through Hole
Ток (Current):
8A
Материал контактов:
Silver Tin Oxide (AgSnO)
Форма обратной связи:
6PST-3NO/3NC (3 Form A, 3 Form B)
Напряжение катушки:
110VDC
Тип катушки:
Non Latching
Сопротивление катушки:
10 kOhms
Мощность катушки:
1. 2 W
ток катушки:
10.9mA
Email:
Lastest News
- Infineon Technologies Introduces OptiMOS Linear Field-Effect Transistor Family
- Omron Adopted Maxim MAX14827A Dual-channel IO-Link Transceiver
- Microchip Technology Has Delivered 50 Million 50 Mbps Intelligent Network Interface Controller With
- Socionext Launched A 360 ° Panoramic Camera Design Solution
- Western Digital Launched A New My Passport Ultra Drive
- Reno Sub-Systems Launched New Radio Frequency (RF) Matching Networks
- 10 Nanometer Process Chips Will Spring Up In 2017
- A New Scheme For Communication Manager
- HID Global Launched HID Approve Mobile App In 2017 GSMA
- Intel Launched A New Microprocessor Chip To Compete With AMD
- Infineon Launched A New Sensor TLE4922
- Imagination Technologies Launched MIPSfpga 2.0 CPU Education Infrastructure
































