Индикаторы-пробники для поиска фазы и ноля
Прибор, предназначенный для поиска ноля и фазы, называется индикатором. Широкое применение получили световые индикаторы для определения фазы на неоновых лампочках. Низкая цена, высокая надежность, долгий срок службы. В последнее время появились индикаторы и на светодиодах. Они дороже и дополнительно требуют элементов питания.
На неоновой лампочке
Представляет собой диэлектрический корпус, внутри которого находятся резистор и неоновая лампочка. Касаясь по очереди к проводам электропроводки отверточным концом индикатора, Вы по свечению неоновой лампочки находите фазу. Если лампочка засветилась от прикосновения, значит, это фазный провод. Если не светится, значит, это нулевой провод.

Корпуса индикаторов бывают разных форм, цветов, но начинка у всех одинаковая. Для исключения случайного замыкания, советую на стержень отвертки надеть трубку из изоляционного материала. Не следует индикатором откручивать или затягивать винты с большим усилием. Корпус индикатора сделан из мягкой пластмассы, стержень отвертки запрессован неглубоко и при большой нагрузке корпус ломается.
Светодиодный индикатор-пробник
Индикатор-пробник для определения фазы на светодиодах появились сравнительно недавно и завоевывают все большую популярность, так как позволяют не только найти фазу, но и прозванивать цепи, проверять исправность лампочек накаливания, нагревательных элементов бытовых приборов, выключателей, сетевых проводов и многое другое. Есть модели, с помощью которых можно определять местонахождение электропровода в стенах (чтобы не повредить при сверлении) и найти, в случае необходимости, место их повреждения.

Конструкция светодиодного индикатора-пробника, такая же, как и на неоновой лампочке. Только вместо нее используются активные элементы (полевой транзистор или микросхема), светодиод и нескольких малогабаритных батареек постоянного тока. Батареек хватает на несколько лет работы.
Для нахождения фазы светодиодным индикатором-пробником, отверточным его концом прикасаются последовательно к проводникам, при этом к металлической площадке на торце рукой касаются нельзя. Эта площадка используется только при проверке целостности электрических цепей. Если при поиске фазы Вы будете касаться этой площадки, то светодиод будет светить и при касании индикатором к нулевому проводу!

Ярко засветившийся светодиод укажет на наличие фазы. По правилам, фазный провод должен быть с правой стороны розетки. Как проверять контакты и цепи таким индикатором-пробником, подробно изложено в прилагаемой к нему инструкции.
Как самому сделать индикатор-пробник для поиска фазы и ноля на неоновой лампочке
При необходимости можно своими руками сделать индикатор-пробник для поиска и определения фазы.

Для этого нужно к одному из выводов любой , даже стартера от светильника дневного света, припаять резистор номиналом 1,5-2 Мом и на него надеть изолирующую трубку.
Лампочку с резистором можно разместить в ручку отвертки или корпус от шариковой ручки. Тогда внешний вид самодельного индикатора-пробника, мало чем будет отличаться, от промышленного образца.

Поиск или определение фазы выполняется точно так же, как и промышленным индикатором-пробником. Удерживая лампочку за цоколь, концом резистора прикасаются к проводнику.
При подборе резистора иногда возникают трудности с определением его номинала, если на корпусе резистора вместо числа нанесены цветные кольца. С этой задачей поможет справиться .
Корпус для часов на ИВ-11
Корпус для часов я решил сделать из дерева, мне кажется, пластиковый корпус смотрелся бы скучно и не интересно. Для начала я выпилил из сосновой доски прямоугольный брусок, в котором просверлил 4 сквозных отверстия под индикаторы ИВ-11, с помощью перового сверла. Далее с нижней стороны вырезал полость, просверлил много отверстий и удалил лишнюю древесину тонкогубцами. Затем с помощью той же дрели и специальной насадки шлифовал внутреннюю поверхность полости. По внутренним углам оставил выступы, чтобы в дальнейшем закрепить плату.
Далее по центру были просверлены отверстия под светодиод разделитель и фоторезистор, на задней стенке отверстия под разъем питания, зуммер и кнопки. Следующая стадия это скругление углов и шлифовка наружной поверхности наждачной бумагой. В результате получается готовый деревянный корпус.


Оставлять корпус в таком виде нежелательно, нужно чем-то обработать древесину. В общем, решил пропитать корпус льняным маслом. Оно экологически чистое и безвредное, дерево пропитанное маслом становится водостойким, не высыхает и не растрескивается, улучшаются эстетические характеристики.
Я купил нерафинированное льняное масло в аптеке, но лучше использовать специальное рафинированное, которое используется художниками, можно купить в канцелярских товарах, оно более светлое. Льняное масло может очень долго сохнуть (полимеризация) после пропитки, поэтому его лучше прокипятить. Греть нужно до появления легкого дымка и постоянно контролировать процесс, затем выключить плитку и подождать пока дым не исчезнет. Нужно проделать эту процедуру несколько раз. При этом выделяется сильный запах рыбьего жира, скорее всего из-за того что масло нерафинированное, но это не точно. Сильно греть не стоит, так как масло может загореться, нужно быть осторожным.
По идее, пропитывать дерево нужно тонкими слоями с помощью кисточки или тканью, и так несколько раз, пока масло не перестанет впитываться. Я подумал, что это будет слишком долго и решил просто погрузить корпус в горячее масло. При этом из дерева выделяются пузырьки воздуха. Я продержал корпус около часа, время от времени нагревал масло для ускорения процесса. В итоге корпус стал тонуть в масле, пузырьки больше не выделялись.
Через сутки корпус для часов на ИВ-11 практически высох, и приобрел темный неравномерный оттенок, более отчетливо проявилась текстура дерева. Также уменьшился общий размер корпуса, примерно на 1мм.

У меня не было опыта в пропитке дерева, я пока не знаю всех нюансов данного процесса. Но думаю, что получилось неплохо для первого раза. Итак, корпус готов, осталось собрать все воедино.
Сборка не составляет труда, остается вставить часы в корпус и закрыть снизу текстолитовой крышкой на 4 шурупа, вот и все готово.
Часы на ИВ-11 схема
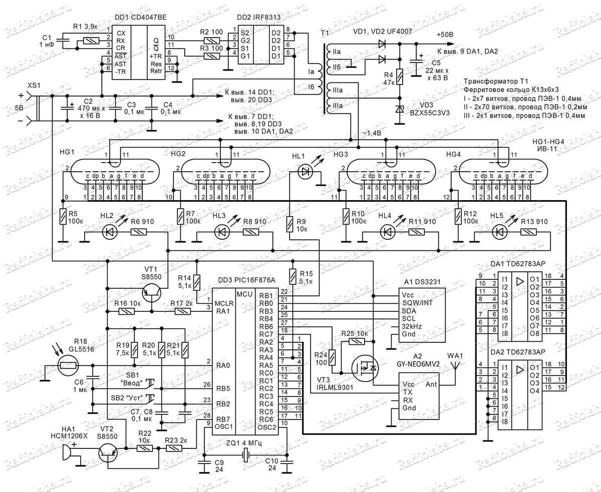
Ниже представлена схема ламповых часов на вакуумно-люминесцентных индикаторах ИВ-11:

Для питания индикаторов я собрал высокочастотный двухтактный импульсный преобразователь на специализированной микросхеме CD4047В (DD1), микросхема управляет сборкой полевых транзисторов DD2, которые коммутируют импульсный трансформатор T1. Трансформатор намотан на ферритовом кольце, диаметром 13мм, сечение 6 на 3 мм. Все обмотки имеют отвод от середины, первичная обмотка содержит 14 витков, вторичная для накала 2 витка, проводом 0,4мм. Вторичная анодная обмотка 140 витков, проводом 0,2мм. Намотка не составляет труда при использовании специального челнока. Частота генератора составляет 50 кГц. Полное напряжение накала составило 1,42В по осциллографу, анодное напряжение относительно среднего вывода около 50В.
Чтобы исключить свечение сегментов при отсутствии управляющего напряжения, нужно подать на сетку отрицательное смещение относительно катода. Это можно реализовать положительным смещением напряжения накала относительно общего провода. Для этой цели в схеме установлен стабилитрон VD3 подколоченный к среднему выводу обмотки накала, на катод стабилитрона через резистор подается анодное напряжение, для получения смещения.
Для коммутации анодов сегментов и сетки я использовал специализированные высоковольтные драйвера TD62783AP (DA1, DA2), максимальное коммутируемое напряжение 50В.
Вообще часто встречается другая схема управления, на катод подают отрицательное смещение равное анодному напряжению, аноды сегменты и сетки при этом коммутируют с помощью биполярных pnp транзисторов на общий провод. Я не захотел паять кучу транзисторов, и усложнять печатную плату, поэтому применил драйвера, о чем говорил выше.

В качестве управляющего микроконтроллера DD3 был выбран PIC16F876A, так как потребовалось много линий для подключения всех компонентов. Программа написана на ассемблере.
В качестве часов реального времени используется популярный модуль DS3231, в котором нужно выпаять резистор, подающий внешнее питание на батарейку, а также светодиод, можно и микросхему памяти выпаять.
Для возможности синхронизации времени я использовал GPS модуль u-blox NEO-6mv2, на сайте уже была статья, посвященная этому модулю. С помощью транзистора VT3 микроконтроллер управляет питанием GPS модуля. Для установки связи с микроконтроллером, модуль должен иметь следующие настройки порта: скорость передачи 9600 бит в сек, 8 бит данных, 1 стоповый бит. По умолчанию модуль обычно поставляется именно с такими настройками, если это не так, нужно изменить параметры порта через специальную программу u-center, подключив модуль к компьютеру через USB-UART переходник.
Я дополнительно добавил в схему часов на ИВ-11 фоторезистор R14, и реализовал в программе микроконтроллера автоматическую регулировку яркости свечения индикаторов, в зависимости от освещения
Яркость регулируется путем изменения скважности
Светодиод HL1 является разделителем часов и минут, он мигает во время отображения времени, светодиоды HL2-HL5 установлены для подсветки индикаторов. Зуммер для сигнала будильника имеет встроенный генератор, обычный зуммер не будет издавать звука. Из-за нехватки выводов микроконтроллера, пришлось оставить только две кнопки для настройки часов.
Часы смонтированы на двух односторонних печатных платах, индикаторы, фоторезистор и светодиоды располагаются на отдельной плате, которая при помощи разъемов вставляется в основную плату.
Драйверы DA1, DA2 можно заменить на KID65783AP, UDN2981A- UDN2984A, M54563P. Полевой транзистор VT3 можно заменить на IRLML2244, IRLML6402 и др., сборку полевых транзисторов DD2 на IRF7311, IRF7341, IRF7351, диоды VD1, VD2 на HER107- HER108, STTH110.
Долговечность вакуумно-люминесцентных индикаторов
Долговечность ВЛИ определяется сохранением работоспособности люминофора и долговечностью источника электронов — оксидного катода.
Старение люминофора проявляется в уменьшении яркости свечения экрана и в основном обусловлено деструкцией самого кристаллофосфора под воздействием электронной бомбардировки и накоплением на поверхности люминофора посторонних веществ, напыляемых или мигрирующих с других деталей индикатора (продукты испарения оксидного катода, остаточные жировые загрязнения и т. п.). Особенность НВК состоит в том, что после сравнительно быстрого начального спада яркости (примерно на 10…20%) на этапе первых нескольких сотен часов индикатора следует длительный этап — десятки тысяч часов, в течение которых яркость уже практически не изменяется. Считается, что эта закономерность является следствием особенности НВК-поверхностного взаимодействия люминофора с электронным потоком, не затрагивающим объемной структуры люминофора.
Срок службы (наработка) ВЛИ в значительной степени определяется долговечностью оксидного катода. Рабочая температура катода, соответствующая номинальному напряжению накала, выбирается так, чтобы обеспечить высокую долговечность катода. Отклонения температуры катода (напряжения накала) от оптимальной приводят к сокращению срока службы катода и индикатора. Повышение напряжения накала по сравнению с номинальным ускоряет процесс испарения эмиссионно-активного слоя (не говоря уже о возможном перегорании керна катода — нити накала), а понижение — ослабляет устойчивость катода к воздействию отравляющих оксидное покрытие факторов и также снижает срок службы индикатора. Катоды вакуумно-люминесцентных индикаторов работают в экстремальных условиях, поэтому напряжение накала в процессе эксплуатации индикатора должно поддерживаться равным номинальному. Допускается использовать индикаторы при напряжениях накала, отличающихся от номинального на ±10%, однако при этом наработка индикатора сокращается примерно на порядок. Особенно нежелательно чередование повышения и понижения напряжения накала. Напряжение накала вакуумно-люминесцентных индикаторов по величине составляет заметную долю напряжения запирания, напряжения сетки и анода. Поэтому при питании цепи накала индикатора постоянным током условия запирания и реальные значения напряжений анодов и сеток за счет падения напряжения на нити накала для отдельных разрядов могут существенно различаться, что, очевидно, нежелательно. Поэтому цепи накала ВЛИ рекомендуется питать переменным током синусоидальной или прямоугольной формы. По указанным причинам источники питания сеток и анодов рекомендуется подключать к средней точке соответствующей обмотки трансформатора накала. Если обмотка трансформатора не имеет вывода средней точки, применяется «искусственная» средняя точка, создаваемая делителем напряжения. Падение напряжения на резисторах делителя при прохождении по ним суммарного тока анодов и сеток приводит к уменьшению яркости свечения индикатора. При существенном уменьшении яркости напряжение питания следует увеличивать на значение падения напряжения на резисторах делителя.
Можно питать цепь накала ВЛИ постоянным током, если напряжение накала не превышает 5% напряжений анодов и сеток. В этом случае за общую точку источников питания принимается вывод накала, соединенный с отрицательным полюсом источника питания цепи накала.
При изготовлении табло из нескольких ВЛИ цепи накала следует соединять параллельно.
Поиск фазы и ноля с помощью картошки
Если у Вас под рукой не оказалось технических средств для поиска фазы, то можно с успехом воспользоваться
экзотическим или народным, иначе не назовешь, способом определения фазы, посредством картошки. Не подумайте, что это шутка. Для кого-то это может быть единственно доступный метод, который можно с успехом применить на практике.
Конец одного проводника нужно подсоединить к водопроводной трубе (если она не пластиковая) или батарее отопления. Если труба окрашена, то нужно место присоединения зачистить до металла, чтобы обеспечить электрический контакт. Противоположный его конец воткнуть в срез картошки. Другой проводник тоже втыкается одним концом на максимальном расстоянии от предыдущего в картошку, вторым концом через резистор номиналом не менее 1 Мом по очереди прикасаются к проводам электропроводки. Некоторое время нужно подождать. Если на срезе картошки реакции нет, это ноль, если есть – фаза. Я не рекомендую пользоваться этим методом, если не знаете правил безопасности работы с электрическими установками.

Как видите, на фото вокруг проводов при подсоединении к фазному проводу электропроводки на поверхности среза картошки произошли изменения. При прикосновении к нулевому проводу реакции не последует.
Как найти фазу и ноль с помощью контрольки электрика
Контролька электрика на лампочке накаливания
Для проверки наличия питающего напряжения в электрической сети ранее электрики использовали самодельную контрольку, представляющую собой маломощную лампочку накаливания, вкрученную в электрический патрон. К патрону подсоединены два проводника из многожильного провода длиной около 50 см.

Для того, чтобы проверить наличие напряжения, нужно проводниками контрольки прикоснуться к проводам электропроводки. Если лампочка засветилась, напряжение есть.
Контролька электрика на светодиоде
Контролька электрика на лампочке требует бережного отношения и занимает много места. Гораздо удобнее сделать контрольку электрика на светодиоде по нижеприведенной схеме.

Схема простая, последовательно с любым светодиодом включается токоограничивающее сопротивление. Светодиод любого типа и цвета свечения. Пользоваться ней так же, как и контролькой электрика на лампочке.

Светодиод и резистор можно разместить в корпусе от шариковой ручки подходящего размера. На фото контролька для автомобилиста. Схема такой контрольки такая же. Только в зависимости от типа используемого светодиода, резистор R1 ставится номиналом около 1 кОм.
Проверить наличие напряжения на проводах в бортовой сети автомобиля такой контролькой просто, правый конец по схеме соединяется с массой, а левым касаетесь любого контакта. Если напряжение на контакте есть, светодиод засветится. Если к положительной клемме аккумулятора прикоснуться одним концом предохранителя, а ко второму прикоснуться контролькой, то если светодиод не будет светить, значит, предохранитель в обрыве. Так можно проверять и лампочки накаливания, и наличие контакта в переключателях.
Поиск фазы при наличии нулевого и заземляющего проводников
Если требуется найти фазу в электропроводке, которая имеет фазный, нулевой и заземляющий провода, то с помощью контрольки это легко сделать. Достаточно выполнить три касания проводами контрольки. Нужно присвоить каждому проводу условный номер, например 1, 2 и 3 и по очереди прикасаться к парам проводов 1 – 2, 2 – 3, 3 – 1.
Возможно следующее поведение лампочки. Если при прикосновении к 1 – 2 лампочка не засветилась, значит, провод 3 фазный. Если светит при прикосновении к 2 – 3 и 3 – 1, значит 3 фазный. Смысл простой, при прикосновении к нулевому и заземляющему проводнику лампочка светить не будет, так как практически это проводники, на щитке соединенные вместе.
Вместо контрольки можно включить любой вольтметр переменного тока, рассчитанный на измерение напряжения не менее 300 В. Если одним щупом вольтметра прикоснуться к фазному проводу, а другим к нулевому или заземляющему, то вольтметр покажет напряжение питающей сети.
Поиск фазы и нуля контролькой
Внимание, прикосновение к любым оголенным проводникам при поиске фазы контролькой может привести к поражению электрическим током. Делается все очень просто, один конец провода контрольки подсоединяется к зачищенной до металла трубе центрального отопления или водопровода, а другим по очереди касаетесь проводам или контактам электропроводки
При прикосновении к фазному проводу лампочка засветит
Делается все очень просто, один конец провода контрольки подсоединяется к зачищенной до металла трубе центрального отопления или водопровода, а другим по очереди касаетесь проводам или контактам электропроводки. При прикосновении к фазному проводу лампочка засветит.
Если до металла трубы не добраться, то можно воспользоваться водой, текущей из смесителя. Для этого включаете воду и один провод контрольки помещаете под струю воды как можно ближе к смесителю. Вторым концом провода касаетесь проводов электропроводки. Слабый свет лампочки подскажет Вам, где фаза.

В контрольку лучше всего вкрутить самую маломощную лампочку, я использовал лампочку от подсветки холодильников мощностью 7,5 Вт. Для того, чтобы дотянуться до воды, можно использовать кусок любого провода или стандартный удлинитель.
Конструктивные модификации вакуумно-люминесцентных индикаторов
В одноразрядных буквенно-цифровых индикаторах используется одна триодная система и каждый анод-сегмент имеет отдельный вывод. В многоразрядных индикаторах в одном баллоне размещается несколько триодных систем; они имеют, как правило, общий катод и раздельные сетки.
Часть ВЛИ выпускается в стеклянных цилиндрических баллонах с гибкими или жесткими выводами; они имеют одну или две плоские ножки. Изображение знака наблюдают через боковую стенку баллона. Изготовляются также индикаторы в четырехугольных баллонах, считывание информации в этом случае осуществляется через купол баллона (у таких индикаторов одна ножка). Современные многоразрядные вакуумно-люминесцентные индикаторы имеют плоские стеклянные баллоны с ленточными выводами, расположенными по боковым поверхностям баллонов, удобными для сопряжения с печатными платами.
Номенклатура одноразрядных ВЛИ, отображающих буквенно-цифровую информацию с различными размерами знаков, включает в себя индикаторы ИВ-1, ИВ-3, ИВ-ЗА, ИВ-4. ИВ-6, ИВ-8, ИВ-11, ИВ-12, ИВ-17, ИВ-22. ИВЛ1-18/1. Многоразрядные индикаторы выпускают с числом разрядов 4, 6, 9, 12, 13, 14, 17. Наибольшее распространение получили дисплеи в цилиндрических баллонах ИВ-18, ИВ-21, ИВ-27 и в плоских баллонах ИВ-28А, ИВ-28Б, ИВЛ1-8/12, ИВЛ2-8/12, ИВЛ1-8/13. ИВЛ1-8/17. ИВЛ1-7/5, ИВЛ2-7/5. ИВЛЗ-7/5.
Шкальные индикаторы, сопряженные с преобразователями кода, часто оказываются более удобными (наглядными), чем стрелочные приборы. Примером может служить предназначенный для измерительных целей индикатор ИВЛШ1-8/13, имеющий 101 отсчетную риску. Ряд ВЛИ выпускается со встроенными микросхемами управления, например плоский дисплей для индикации уровня воспроизведения и записи в стереофонических системах ИВЛШУ 1-11/2 с 22 индексами отсчета.
Группа выпускаемых промышленностью матриц включает в себя одно-, двух- и трехцветные матрицы с высотой знаков 40 и 80мм: ИВЛМ1-5/7, ИВЛМ2-5/7, ИВЛМЗ-5/7, ИВЛМ4-5/7, ИВЛМ5-5/7, ИВЛМ6-5/7. Эти индикаторы представляют собой универсальные знакоместа с излучающими элементами в различных цветах. Индикатор ИВЛМ1-5/7-45Л — панель из трех строк по 15 знакомест в каждой; в свою очередь, каждое знакоместо содержит 5х7 элементов.
Выпускаются мнемонические индикаторы, отображающие различные «профессиональные» символы, например индикаторы для приборных щитков в автомобилей.
Матричные ВЛИ предназначены для синтеза цифр, букв любого алфавита, различных символов и знаков. На рис. 2.2 в качестве примера показано устройство одноцветного матричного индикатора, имеющего 35 светоизлучающих анодов-сегментов. Пять электрически соединенных между собой анодов-сегментов образуют строку, имеющую общий вывод; всего строк — семь. Управляющие электроды (сетки) объединяют аноды в столбцы; каждый столбец имеет свой вывод. Со стороны наблюдателя вдоль каждого столбца расположен прямонакальный оксидный катод; пять катодов включены параллельно.
Плата анодов выполнена на стеклянной пластине, на которую нанесена пленка металла и фотолитографией сформированы аноды-сегменты, покрытые люминофором зеленого цвета свечения (ZnO : Zn). Информация считывается со стороны баллона — «на отражение».
У двухцветной матрицы каждый анод-сегмент выполнен в виде двух изолированных элементов (всего 70), у трехцветной — в виде трех элементов (всего 105). Каждый анод покрыт «своим» люминофором, состав которого определяет цвет свечения. Красный цвет свечения обеспечивает люминофор (Zn, Cd)S:Ag синий — самоактивированный сульфид цинка. Как и в одноцветной матрице, в многоцветной анодные элементы объединены в строки; двухцветная матрица имеет 7Х2 строк, трехцветная — 7Х3 строк элементов. Пять управляющих электродов объединяют элементы в столбцы независимо от цвета свечения. Выборка цвета свечения осуществляется по строкам анодных элементов.





























