Зарождение нового мира
В то время как Бардин бросил Bell Labs, чтобы стать академиком (он продолжил изучение германиевых транзисторов и сверхпроводников в Иллинойском университете), Браттэйн поработал еще некоторое время, а после ушел в педагогику. Шокли основал свою собственную компанию по производству транзисторов и создал уникальное место — Силиконовую долину. Это процветающий район в Калифорнии вокруг Пало-Альто, где находятся крупные корпорации электроники. Двое из его сотрудников, Роберт Нойс и Гордон Мур, основали компанию Intel — крупнейшего в мире производителя микросхем.
Бардин, Браттэйн и Шокли ненадолго воссоединились в 1956 году: за свое открытие они получили высшую в мире научную награду — Нобелевскую премию по физике.
Транзисторные УНЧ
Транзисторные усилители мощности низкой частоты (УМЗЧ) для звуковой и аудио-аппаратуры. В разделе собраны принципиальные схемы самодельных усилителей мощности НЧ на биполярных и полевых транзисторах.
Здесь вы найдете схемы транзисторных усилителей разной сложности и с разным классом мощности:
- низкой мощности — до 1,5 Ватт;
- средней мощности — от 1,5 Ватт до 20 Ватт;
- большой мощности — 25 Ватт, 50 Ватт, 100 Ватт, 200 Ватт, 300 Ватт и более.
Для самодельного аудио-комплекса или при ремонте музыкального центра можно изготовить многоканальный усилитель мощности в конфигурациях:
- система 2.1 (сабвуфер + 2 сателлита);
- система 5.1 (сабвуфер + 5 сателлитов);
- стерео — два канала усиления;
- квадро — четыре канала усиления.
На транзисторах можно без лишних сложностей собрать небольшой самодельный усилитель для наушников. Присутствуют очень простые и доступные по себестоимости конструкции усилителей, которые прекрасно подойдут для изготовления начинающими радиолюбителями.
Усилитель построен по простой схеме на трех транзисторах. На выходе, на нагрузке сопротивлением 4 От выдает мощность 2W при питании от источника напряжением 12V. Входное сопротивление усилителя мало, и составляет 470 Ом. Столь малое входное сопротивление позволяет ему хорошо согласовываться .
Схема самодельного гибридного усилителя звука на лампах и микросхемах с выходной мощностью 30 Ватт. Усилитель построен на лампе ECC88 (отечественный аналог — 6Н23П) и мощной микросхеме LM3875.
Принципиальная схема гитарного усилителя мощности низкой частоты с предусилителем и темброблоком. УМЗЧ собран на транзисторах TIP142 и TIP147, выходная мощность — 40Вт на 8 Ом, 60 Вт на 4 Ома.
Несколько принципиальных схем высококачественных УМЗЧ на полевых транзисторах, привлекающие своей простотой и техническими характеристиками. Применение полевых транзисторов в усилителе мощности позволяет значительно повысить качество звучания при общем упрощении схемы.
Схема электрическая принципиальная усилителя приведена на рисунке (в скобках приведены замененные элементы). Данная конструкция является модернизациейразработки . Принципиальная схема УМЗЧ на MOSFET транзисторах (200Вт). Все основные части усилителя — трансформатор, радиаторы .
При разработке усилителей ЗЧ с максимальной выходной мощностью более 100 Вт первостепенноезначение приобретает необходимость получения возможно большего КПД усилителя при достаточно малых нелинейных искажениях. Вопрос о допустимом проценте нелинейных искажений усилителя ЗЧ не раз обсуждался на .
Свое знакомство с мощными усилителями я начал в 1958 году, когда учился в энергетическомтехникуме, и мне поручили обслуживать радиоузел. Он состоял из трех частей: малогабаритной радиотрансляционной установки “ТУ-100″, магнитофона “Днепр 9” и ЛАТРа на .
Уже давно разработчики УМЗЧ задают себе вопрос: до какого уровня необходимо снижать нелинейность усилителя? . Если проанализировать рекламные журналы по аудиотехнике, то гармонические искажения даже “топовых” моделей УМЗЧ в основном лежат в диапазоне 0,003. 0,05% .
Всем доброго времени суток! Вот с чем я осмелюсь с Вами поделиться. Тема для многих известна, и понятна. В чём она состоит. Дальше чисто моё ИМХО. Давно любителям звука внушают – если лампы, то в любом проявлении, а если транзисторы, то чтобы их было o-очень много! Иначе лапового звука не добьёшься. Например советские стандарты сначала классифицировали аудио-аппаратуру по кассам 4-й, 3-й, 2-й, 1-й!, и наконец.
Принципиальная схема простого трехтранзисторного усилителя мощности для применения в разнообразной малогабаритной аппаратуре. Зачастую, от «компьютерных колонок» требуется только воспроизведение каких-то звуковых сигналов, речевых сигналов, не требующих HI-FI или Hl-end качества .
Технические характеристики
Рассмотрим основные технические параметры транзистора 13002. Они приведены в datasheet в разделах максимальных значений и электрических характеристик. Превышение предельно допустимых величин приводит к выходу устройства из строя.
Максимальные значения параметров для транзистора 13002:
- напряжение К-Э: (VCEO (SUS)) до 300 В;
- напряжение Э-Б: (VEBO) до 9 В;
- ток коллектора: (IC) до 1.5 А; (ICM) до 3 А (пиковый);
- ток базы: (IВ) = 0.75 А; (IВМ) до 1.5 А (пиковый);
- рассеиваемая мощность (РD): до 1.4 Вт (без радиатора); до 40 Вт (с теплоотводом);
- диапазон рабочих температур (TJ,Tstg) от -65 до +150ОС.
Электрические параметры
Электрические характеристики представляют собой перечень номинальных значений параметров, при которых гарантируется стабильная работа полупроводникового устройства. Для транзистора 13002 представлены в таблице ниже. Обычно производитель указывает их с учётом температуры кристалла не более +25ОС. В столбце «режимы измерений» приведены условия тестирования.
Аналоги
Наиболее подходящей заменой для рассматриваемого полупроводникового триода можно назвать более мощный транзистор 13003. Он встречается с символами в начале маркировке: MJE, ST, PHE, KSE, указывающими на производителя. По расположению выводов полностью идентичен. Имеет лучшие технические параметры, но перед его использованием внимательно ознакомьтесь с datasheet.
Наиболее близкими российскими аналогами является: КТ8170Б1, КТ872.
↑ Возможная модернизация
1. Транзисторы типа КТ814, вставленные в панельки «смотрят» надписями от пользователя. Для устранения надо зеркально поменять справа налево рисунок печатной платы. 2. Если пробит переход К-Б, на стабилитрон TL431 поступит напряжение без ограничительного резистора. Поэтому сомнительные транзисторы надо предварительно проверять на замыкание омметром тестера. Для защиты TL431 можно вместо резистора 100 кОм (он предотвращает режим с оторванной базой, я поставил его для перестраховки) поставить резистор 100 Ом и включить его последовательно с миллиамперметром.
3. При длительной подаче повышенного напряжения питания, мощность на балластном резисторе TL431 превышает номинальную. Резистор надо умудриться сжечь, но если есть такие таланты, можно поставить его мощностью 0,5 Вт сопротивлением 200 Ом.
Я не стал вносить эти изменения — делать «защиту от дурака» для себя в схеме из одного стабилитрона и нескольких резисторов считаю ненужным. Плата просто приклеена к кусочку пенопласта с жесткой пленкой. Выглядит неэстетично, но работает, меня это устраивает, как говорится: «дёшево, надёжно и практично».
В процессе эксплуатации обнаружилось, что усиление транзисторов по току очень существенно зависит от тока и транзисторы «одинаковые» при большем токе чаще всего сильно отличаются при малом. Подобрать пары транзисторов с близкими параметрами в широком диапазоне токов оказалось нелегко.
Подбор транзисторов в усилитель JLH
Выходные транзисторы
- Старые экземпляры, которые делались по меза-планарной технологии (2N3055), которую вытеснила эпитаксильно-паланарная современная (MJE3055) — очень музыкальные транзисторы.
- Несмотря на АЧХ, звук 2n3055 звонче и прозрачнее, но у 2sc3281 звук более приглушённый и ламповый, что ли. Видимо, сказывается распределение гармоник
- Самыми лучшими и стабильными в этом агрегате все-таки оказались MJ15024, MJ15003, 2N2773. Бэтта транзисторов выходного каскада при 4 Ом нагрузке должна быть не менее 120.
- Супер транзисторы — MJ15026, 15027 за 27 $ один, в Штатах 7 $.
Ну и моторолловский клон 2SC3281 — это MJL3281A, он по линейности Кус вообще рекордсмен. Практически прямая «полка», а спад беты начинается с 5-6 Ампер. По звуку лидируют MJL3281A (NPN) MJL1302A (PNP) как самые интегрально-линейные мощные биполярные транзисторы для ЗЧ.
Очень хороший результат дает параллельное включение на выходе 2-х 3-х транзисторов средней мощности 2sc5707, предварительно отобранных по бэтте (она у них очень высокая – до 560). Паяем по 2-3 транзистора на общую медную пластину, а потом ее крепим к радиатору через прокладку, паять лучше легкоплавким припоем пос-61.
В пластике (ТО-247) можно ставить MJE21193, 2CS5200, КТ8101 (в порядке ухудшения качества); В металле (ТО-3) можно MJ15003, MJ15024, 2N3055, КТ819ВМ, ГМ (в таком же порядке); Из наших — КТ908, КТ903, КТ808, КТ805, КТ803 (КТ908 на голову выше всех, из отечественных они самые лучшие).
Не применяйте MJL21294, эти транзисторы не для этого усилителя. Тем более при 4 Ом нагрузке. Вот в однотактном повторителе Игоря Семынина или усилителях с составными транзисторами на выходе им самое место. В усилителе по схеме JLH чем выше Кус выходных транзисторов и предвыходного — тем лучше. MJL-21194 сейчас лучшие для звука но не для Худа, в JLH можно применить MJ15003, но у них корпус неудобный, как и у 2N3055
Смотрел характеристики аппарата на таком комплекте транзисторов: Выходные высокочастотные 2sc5200 + драйверный каскад на вс550bp, входной транзистор bc109b. Искажения получились 0,02. 0,03 % при прекрасном меандре. При тех же условиях низкочастотные моторолы с невысокой бэтой дают искажения 0,08-0,1 % при сильно заваленном фронте меандра.
Схема с ВЧ транзисторами на выходе должна обязательно корректироваться от возбуждения установкой конденсаторов между базой и коллектором драйверного транзистора порядка 10-15 пФ и конденсатором емкостью 22-60 пФ параллельно резистору ООС R5 2,7 кОм. Если конденсатор ООС имеет номинал 470-680 мкФ, то делитель ООС 2,7 кОм/240 Ом лучше уменьшить до 1,2 кОм/120 Ом, что даст меньшие искажения и большую устойчивость.
Современные транзисторы проигрывают винтажным по качеству воспроизведения НЧ. Я считаю, что 2SA1943, 2SC5200 обеспечивают лучшее звучание, чем MJ15003, 15004 или MJ15024, 25.
MJL21194 сочетают в себе плюсы: плоский удобный для монтажа корпус и узкую полосу в 4-6,5 МГц. Правда они имеют два «минуса» — высокую стоимость и маленький коэффициент усиления. Мощные современные транзисторы с ft>30MHz ставить не рекомендуются — будет возбуд. Старые НЧ транзисторы лучше себя ведут, чем новодельные ВЧ. В этом смысле стоит попробовать наши Кт805-Кт819
У транзисторов серий: MJ, MJL, MJW – 21193, 21194, 21195, 21196… применена медная металлизация на поверхности кристалла для формирования вывода базы, что выравнивает температуру поверхности кристалла, улучшает распределение тока по площади кристалла и расширяет ОБР, особенно в области высоких напряжений.
Драйверный транзистор
Перепробовал множество транзисторов в драйвере, лучшие результаты показал 2sc2240, что закономерно т.к. у него 300-700 бэтта, при прекрасной линейности тока коллектора в диапазоне 1,0-50 мА и малая емкость 3 пФ, приклеиваем к нему медную пластинку получаем превосходный драйвер средней мощности = Ибуки
Если у вас выходные транзисторы с большой бэттой, то ток от драйверного транзистора нужен не очень большой 15-25 мА, так что не нужно туда ставить тупой конский транзистор. Из советских неплох кт602Б, но его нужно отбирать с бетой при токе 20-30 мА не менее 200.
Маломощный предвыходной транзистор показывает намного лучшие результаты по качеству меандра и искажениям чем BD139 и такие же «среднемощные» из-за более линейных характеристик при токах 10-30 мА, высокого h21э и малых межэлектродных емкостей. Особенно хорош прирост качества в классической схеме 1969 года.
PRO-ELECTRON (система, разработанная в Европе)
Маркировка приборов у европейских производителей несколько отличается. Код, которым промаркирован иностранный транзистор – это комбинация символом:
- Символ под номер один указывает на материал, из которого изготовлен прибор: А – из германия, В – из кремния, С – из арсенида галлия, R – из сульфида кадмия;
- Второй символ сообщает о типе транзистора: С – маломощный прибор с низкой частотностью; D – мощный элемент с низкой частотностью; F – прибор маленькой мощность с высоким уровнем частотности; G – в одном корпусе присутствует одновременно два и более элемента; L – прибор с высокой мощностью и частотностью; S – маломощный прибор с функцией переключения; U – транзистор-переключатель высокой мощности;
- Третий символ означает номер серии продукта: изделия общего пользования маркируются цифрами от 100 до 999; в том случае, когда перед цифровым значением прописана буква, это говорит о том, что данная деталь изготовлена для использования в промышленности или специализированного пользования.
Более того, общая кодировка иногда дополнятся символом модификации. Определить ее может только сам производитель.
Распиновка
Цоколевка 13003 у большинства производителей выполняется в пластиковым корпусом ТО-126. У компании STMicroelectronics (STM) этот корпус называется SOT-32. Фирменный MJE13003 у компании Motorola имел пластиковый корпус — ТО-225A. Это тот же, немного улучшенный ТО-126, согласно системы стандартизации полупроводниковых приборов Jedec. Три гибких вывода из корпуса ТО-126, если смотреть на маркировку, имеют следующее назначение: самый левый контакт – база; посередине – коллектор; крайний справа – эмиттер.
В статье рассмотрено назначение выводов, встречающееся у большинства производителей, однако бывает и другая – нетипичная распиновка 13003 в ТО-126. У той же STM, если смотреть на прибор как описано выше, эмиттер будет слева, база справа, а коллектор посередине. Аналогичная цоколевка у KSE13003 (Fairchild Semiconductor). Очень редко, но встречаются приборы в корпусе ТО-220. Для наглядности просмотрите рисунок с цоколевкой от разных компаний.
Транзистор КТ818Г
Срок доставки:
5 — 15 дней
Цена:
По запросу
Транзистор КТ818Г p-n-p кремниевый эпитаксиально-планарный в пластмассовом корпусе предназначен для использования в ключевых и линейных схемах; другой радиоэлектронной аппаратуре, изготавливаемой для народного хозяйства.
Корпусное исполнение
пластмассовый корпус КТ-28 (ТО-220)
| Вывод | Назначение |
| №1 | Эмиттер |
| №2 | Коллектор |
| №3 | База |
среды = + 25 С
Параметры
Обозначение
Ед.изм.
Режимы измерения
Min
Max
Обратный ток коллектора
Iкбо
мА
Uкб=40B
—
1
Статический коэффициент передачи тока КТ818А, В
КТ818Б
КТ818Г
h31э
—
Uкб = 5 B, Iэ =5 A
15
20
12
—
Граничное напряжение
Uкэо гр
В
Iэ =0.3 A,
tи= 270 330 мкс
25
—
КТ818А
КТ818Б
40
КТ818В
60
КТ818Г
80
Напряжение насыщения коллектор-эмиттер
Uкэ нас
В
Iк=5A, Iб=0.
5A
—
2
| Параметры | Обознач. | Ед. изм. | Значение |
| Постоянное напряжение коллектор-эмиттер при Rэб | Uкэ max | В | 40 |
| КТ818А | |||
| КТ818Б | 50 | ||
| КТ818В | 70 | ||
| КТ818Г | 90 | ||
| Напряжение эмиттер-база |
Uэб max
В
5
Постоянный ток коллектора
Iк max
А
10
Импульсный ток коллектора tи 100
Iки max
А
15
Максимально допустимый постоянный ток базы
Iб max
А
3
Импульсный ток базы tи 100
Iби max
А
5
Рассеиваемая мощность при Ткорп.![]()
Рк мах
Вт
60
Схемы включения
На КТ818Г можно собрать несложный усилитель низкой частоты. Для него потребуются два транзистора КТ3102А или КТ3102Б можно также использовать КТ315В. На схеме они обозначены как VT1 и VT2. КТ814А обозначены на схеме как VT3 и VT5, КТ815А – это VT4, VT7 –КТ818Г, VT6 — КТ819Г.
Конденсаторы должны быть рассчитаны на 50 В. Резисторы R7 и R8 проволочные.

Настройка усилителя заключается в подборе номиналов сопротивлений R3 и R6. При этом R3 отвечает за режим работы входного каскада, а R6 за выходной (ток покоя не должен быть больше 60мА).
Наибольшей амплитуды выходного сигнала, без искажений, на нагрузке номиналом 4 Ом, можно добиться при входном напряжении 1 В. В этом случае пиковая мощность — 36 Вт.
На нагрузке 2 Ом максимальное напряжение уменьшается до 10 В, но ток увеличивается до 5 А. При этом мощность достигает значения 50 Вт.
Чтобы увеличить выходную мощность, нужно увеличить напряжение питания, после чего, для корректной работы, изменить сопротивления R3 и R6.
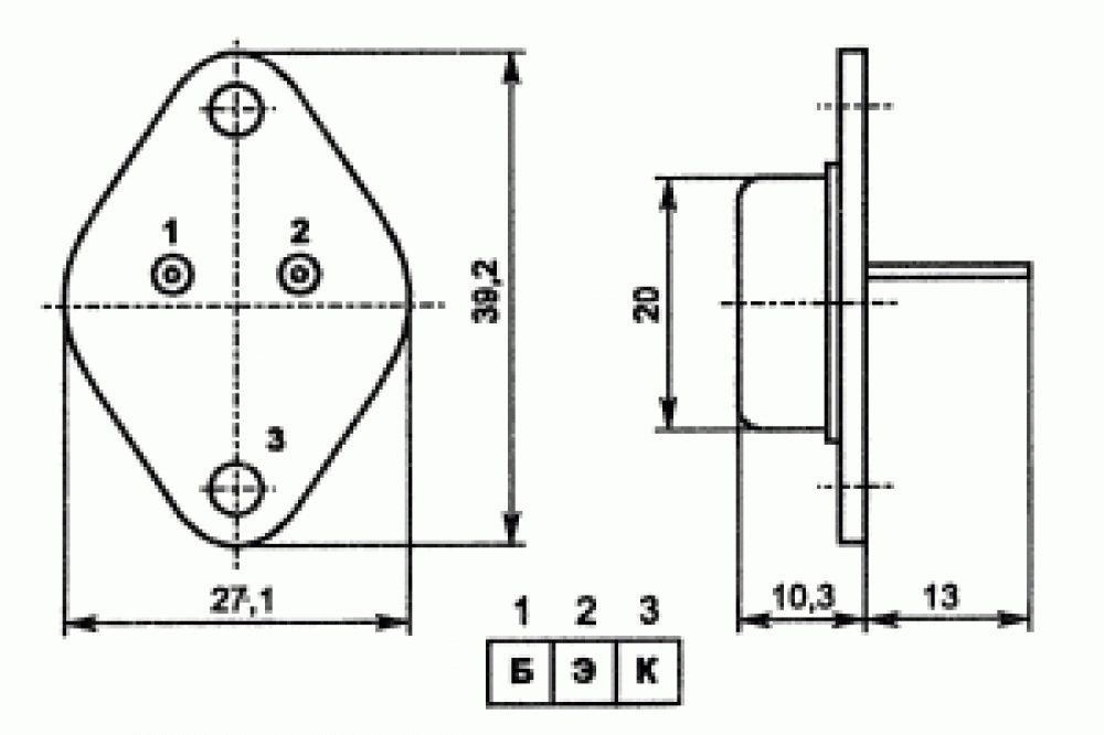
Транзистор КТ818В
- Главная>
- Радиотехническое оборудование>
- Транзисторы>
- Кремниевые транзисторы>
- Транзистор КТ818В
Транзистор КТ818В p-n-p кремниевый эпитаксиально-планарный в пластмассовом корпусе предназначен для использования в ключевых и линейных схемах; другой радиоэлектронной аппаратуре, изготавливаемой для народного хозяйства.
Транзистор КТ818В p-n-p кремниевый эпитаксиально-планарный в пластмассовом корпусе предназначен для использования в ключевых и линейных схемах; другой радиоэлектронной аппаратуре, изготавливаемой для народного хозяйства.![]()
Корпусное исполнение
пластмассовый корпус КТ-28 (ТО-220)
| Вывод | Назначение |
| №1 | Эмиттер |
| №2 | Коллектор |
| №3 | База |
| Параметры | Обозначение | Ед.изм. | Режимы измерения | Min | Max |
| Обратный ток коллектора | Iкбо | мА | Uкб=40B | — | 1 |
| Статический коэффициент передачи тока КТ818А, В
КТ818Б КТ818Г |
h31э | — | Uкб = 5 B, Iэ =5 A | 15
20 12 |
— |
| Граничное напряжение | Uкэо гр | В | Iэ =0. 3 A,
tи= 270 330 мкс |
25 | — |
| КТ818А | |||||
| КТ818Б | 40 | ||||
| КТ818В | 60 | ||||
| КТ818Г | 80 | ||||
| Напряжение насыщения коллектор-эмиттер | Uкэ нас | В | Iк=5A, Iб=0.5A | — | 2 |
| Параметры | Обознач. | Ед. изм. | Значение |
| Постоянное напряжение коллектор-эмиттер при Rэб | Uкэ max | В | 40 |
| КТ818А | |||
| КТ818Б | 50 | ||
| КТ818В | 70 | ||
| КТ818Г | 90 | ||
| Напряжение эмиттер-база |
Uэб max
В
5
Постоянный ток коллектора
Iк max
А
10
Импульсный ток коллектора tи 100
Iки max
А
15
Максимально допустимый постоянный ток базы
Iб max
А
3
Импульсный ток базы tи 100
Iби max
А
5
Рассеиваемая мощность при Ткорп.
Рк мах
Вт
60
Вместе с Транзистор КТ818В смотрят
Транзистор КТ816Г
Транзистор КТ8224А
Транзистор КТ819Г
Транзистор КТ817Б
Устройство и обозначение биполярного транзистора.
Схематично биполярный транзистор можно представить в виде пластины полупроводника с чередующимися областями разной
электропроводности, которые образуют два p-n перехода. Причем обекрайние области обладают электропроводностью одного типа, асредняя область электропроводностью другого типа, и где каждая из областей имеетсвой контактный вывод.

Если в крайних областях полупроводника преобладает дырочная
электропроводность, а в средней областиэлектронная , то такой полупроводниковый прибор называют транзистором структурыp-n-p .
А если в крайних областях преобладает электронная
электропроводность, а в среднейдырочная , то такой транзистор имеет структуруn-p-n .

А теперь возьмем схематичную часть транзистора и прикроем любую крайнюю область, например, область коллектора
, и посмотрим на результат: у нас остались открытыми областьбазы иэмиттера , то есть получился полупроводник с одним p-n переходом или обычный полупроводниковый диод. О диодах можно почитать здесь.

Если же мы прикроем область эмиттера
, то останутся открытыми областибазы иколлектора — и также получается диод.
Отсюда возникает вывод, что биполярный транзистор можно представить в виде двух диодов с одной общей
областью, включенных навстречу друг другу. При этом общая (средняя) область называетсябазой , а примыкающие к базе областиколлектором иэмиттером . Это и есть три электрода транзистора.
Примыкающие к базе области делают неодинаковыми: одну из областей изготавливают так, чтобы из нее наиболее эффективно происходил ввод
(инжекция) носителей зарядав базу , а другую область делают таким-образом, чтобы в нее эффективно осуществлялсявывод (экстракция) носителей зарядаиз базы .
Отсюда получается:
область транзистора, назначением которой является ввод
(инжекция) носителей зарядов в базу называетсяэмиттером , и соответствующий p-n переходэмиттерным .
область транзистора, назначением которой является вывод
(экстракция) носителей из базы, называетсяколлектором , и соответствующий p-n переходколлекторным .
То есть получается, что эмиттер вводит
электрические заряды в базу, а коллектор ихзабирает .
Различие в обозначениях транзисторов разных структур на принципиальных схемах заключается лишь в направлении стрелки
эмиттера: вp-n-p транзисторах она обращена в сторону базы, а вn-p-n транзисторах – от базы.
Технические характеристики
КТ818Г является самым мощным транзистором в своей серии, если не брать во внимание устройства в металлостеклянном корпусе. Среди своих собратьев он способен выдерживать наибольшее возможное напряжение между коллектором (К) и эмиттером (Б) (Uкэ макс), однако имеет самый низкий коэффициент усиления по току (H21э)
Далее рассмотрим максимальные параметры поподробнее.
Максимальные параметры
Максимальные параметры КТ818Г:
- постоянное напряжение: К-Э Uкэ макс до 90 В (при Rэб < 1 кОм); К-Б Uкб макс до 90 В; Э-Б Uкэ макс до 5 В;
- коллекторный ток: Iк до 10 А; импульсный Iкимп. до 15 А;
- ток базы: Iб до 3 А; импульсный Iбимп. до 5 А;
- рассеиваемая мощность ограничена корпусом (при ТКорп. до +25 oC) Pк макс до 1,5 Вт; до 60 Вт (с радиатором);
- диапазон температур окружающей среды (Токр. среды): -40 … +100 oC;
- температура кристалла до +125 oC.
Превышение указанных максимальных параметров недопустимо, чаще всего приводит к порче и выходу устройства из строя
Для переменного тока длительность импульса (tи) должна быть менее 10 мс, а скважности (Q) более 100
Для предотвращения перегрева устройства, особенно при больших нагрузках, желательно применение радиатора. В случае превышения ТКорп. более +25 oC рассеиваемая на коллекторе мощность Pк макс снижается линейно на 0,015 Вт/ oC, с применением теплоотвода на 0,6 Вт/оС.
При монтаже на плату, находящуюся под напряжением, вывод базы (Б) должен паяться в первую очередь, а отпаиваться в последнюю. Допустимый статический потенциал до 1 кВ.
Электрические параметры
Ниже представлены основные электрические характеристики взятые из даташит на КТ818Г белорусского предприятия электронной промышленности ОАО «Интеграл». Аналогичные параметры будут и у других современных производителей. Все значения представлены для температуры окружающей среды до +25 oC.

Аналоги
Многие радиолюбители, разочаровавшиеся в качестве отечественного КТ818Г, ищут его импортный аналог, но не находят полноценной замены. Вместе с тем, технологии изготовления подобных устройств ушли далеко вперёд и на рынке как отечественной, так и зарубежной радиоэлектроники появилось много достойных для него альтернатив. Вот самые популярные: BD304, MJE2955T, 2SA1962, MJL21193, MJL21195, 2SA1386, BD911, 2SA1943N. С меньшим коллекторным током возможной заменой могут быть: 2N6107, TIP42С.
Из отечественных транзисторов функциональным аналогом считается КТ8102. Немного другой корпус (КТ-431) имеет новый КТ818Г1, но по остальным характеристикам он практически идентичен рассматриваемому. В случае наличия места на плате, можно рекомендовать более мощный транзистор в металлостеклянном корпусе КТ818ГМ (он же зарубежный BDX18).
Маркировка
Транзистор, чаще всего, обозначен на корпусе только цифрами. Цифры “13009” обозначают серийный номер в американской системе JEDEC. Считается, что впервые данный транзистор произвела американская компания Motorola. Символы mje, в начале маркировки транзистора указывали на брэнд именно этой компании. После 1999 года, когда компания Motorola была реструктуризирована, с символов «MJE» начинается маркировка данного транзистора у других производителей, не связанных с этой компанией. В то же время ON Semiconductor, дочерняя компания Motorola, так же продолжает выпускать эти транзисторы с указанием mje13009 на корпусе. Более именитые из производители, вместо MJE, указывают в начале маркировки первые буквы из названия своих компаний: ST13009 (ST Microelectronics), J13009,FJP13009 (Fairchild), PHE13009 (WeEn Semiconductors).
Цоколевка
Корпус транзистора выпускался в металлическом исполнении TO-3 (КТ-9). У КТ825Г выводы не маркированы. Маркировка нанесена цифробуквенным кодом на транзисторе. Наименование находится в верхней части металлического корпуса. Расположение двух жёстких выводов «база-эмиттер», изолированных стеклянным диэлектриком — со смещением от центра. Корпус транзистора соединён с коллектором. Надписи на транзисторе содержат наименование, логотип производителя, дату производства, возможно знак военной приёмки. Размеры корпусов приведены на рисунке. Корпус ТО-3 имеет два отверстия для монтажа.
3DD13007_B8 Datasheet (PDF)
1.1. 3dd13007 b8d.pdf Size:154K _crhj
硅三重扩散 NPN 双极型晶体管 R ○ 3DD13007 B8D 产品概述 特征参数 产品特点 3DD13007 B8D 是硅 ● 开关损耗低 符 号 额定值 单 位 ● 反向漏电流小 NPN 型功率开关晶体管,该 VCEO 400 V ● 高温特性好 IC 7 A 产品采用平面工艺, 分压环 ● 合适的开关速度 Ptot (TC=25℃) 80 W 终端结构和少
1.2. 3dd13007 h8d.pdf Size:155K _crhj
硅三重扩散 NPN 双极型晶体管 R ○ 3DD13007 H8D 产品概述 特征参数 产品特点 ● 开关损耗低 3DD13007 H8D 是硅 符 号 额定值 单 位 ● 反向漏电流小 NPN 型功率开关晶体管,该 VCEO 400 V ● 高温特性好 IC 9 A 产品采用平面工艺, 分压环 ● 合适的开关速度 Ptot W (TC=25℃) 90 终端结构和
1.3. 3dd13007 b8.pdf Size:155K _crhj
硅三重扩散 NPN 双极型晶体管 R ○ 3DD13007 B8 产品概述 特征参数 产品特点 ● 开关损耗低 3DD13007 B8 是硅 NPN 符 号 额定值 单 位 ● 反向漏电流小 型功率开关晶体管, VCEO 400 V 该产品 ● 高温特性好 IC 8 A 采用平面工艺, 分压环终端 ● 合适的开关速度 Ptot W (TC=25℃) 80 结构和
1.4. 3dd13007 z7.pdf Size:151K _crhj
硅三重扩散 NPN 双极型晶体管 R ○ 3DD13007 Z7 产品概述 特征参数 产品特点 3DD13007 Z7 是硅 NPN ● 开关损耗低 符 号 额定值 单 位 ● 反向漏电流小 VCEO 200 V 型功率开关晶体管, 该产品 ● 高温特性好 IC 8 A 采用平面工艺, 分压环终端 ● 合适的开关速度 Ptot (TC=25℃) 50 W 结构和少
1.5. 3dd13007 x1.pdf Size:153K _crhj
硅三重扩散 NPN 双极型晶体管 R ○ 3DD13007 X1 产品概述 特征参数 产品特点 ● 开关损耗低 3DD13007 X1 是硅NPN 符 号 额定值 单 位 ● 反向漏电流小 型功率开关晶体管, VCEO 400 V 该产品 ● 高温特性好 IC 8 A 采用平面工艺, 分压环终端 ● 反向击穿电压高 Ptot W (TC=25℃) 80 结构和
1.6. 3dd13007 y8.pdf Size:153K _crhj
硅三重扩散 NPN 双极型晶体管 R ○ 3DD13007 Y8 产品概述 特征参数 产品特点 ● 开关损耗低 3DD13007 Y8 是硅NPN 符 号 额定值 单 位 ● 反向漏电流小 型功率开关晶体管, VCEO 340 V 该产品 ● 高温特性好 IC 7 A 采用平面工艺, 分压环终端 ● 反向击穿电压高 Ptot W (TC=25℃) 80 结构和
1.7. 3dd13007 z8.pdf Size:154K _crhj
硅三重扩散 NPN 双极型晶体管 R ○ 3DD13007 Z8 产品概述 特征参数 产品特点 3DD13007 Z8 是硅 NPN ● 开关损耗低 符 号 额定值 单 位 ● 反向漏电流小 VCEO 200 V 型功率开关晶体管, 该产品 ● 高温特性好 IC 8 A 采用平面工艺, 分压环终端 ● 合适的开关速度 Ptot (TC=25℃) 75 W 结构和少
Графические иллюстрации характеристик
Рис. 1. Зависимость времени задержки td и времени нарастания импульса tr от коллекторной нагрузки IC.
Характеристика снята при напряжении питания UCC = 125 В, температуре п/п структуры Tj = 25°C, и соотношении токов IC / IB = 5.
При измерении времени задержки td установлено напряжение смещения UBE(OFF) = 5 В.
Рис. 2. Зависимость времени сохранения ts и времени спадания импульса tf от величины коллекторной нагрузки IC.
Характеристика снята при напряжении питания UCC = 125 В, температуре п/п структуры Tj = 25°C, и соотношении токов IC / IB = 5.
Рис. 3. Зависимость статического коэффициента усиления hFE транзистора в схеме с общим эмиттером от величины коллекторной нагрузки IC.
Зависимость снята для различных значений температуры структуры Tj и напряжений коллектор-эмиттер UCE.
Рис. 4. Изменение падения напряжения на транзисторе UCE при изменении управляющего тока базы IB. Зависимости сняты при различных нагрузках IC и температуре структуры Tj = 25°C.
Рис. 5. Изменение напряжения насыщения на базовом переходе UBE(sat) при разных нагрузках IC и разных температурах структуры Tj. Соотношение токов IC / IB = 3.
Пунктиром показано изменение напряжения включения UBE(ON) при напряжении на коллекторе UCE = 2 В.
Рис. 6. Зависимость напряжения насыщения коллектор-эмиттер UCE(sat) от коллекторного тока IC при различных температурах и соотношении токов IC/ IB = 3.
Рис. 7. Область выключения транзистора. Зависимость коллекторного тока IC от напряжения база-эмиттер UBE.
Характеристика снята при разных температурах Tj структуры и напряжении коллектор-эмиттер UCE = 250 В.
FORWARD – напряжение база-эмиттер приложено в прямом направлении.
REVERS — напряжение база-эмиттер приложено в обратном направлении.
Рис. 8. Зависимости входной емкости Cib перехода эмиттер-база и выходной емкости Cob коллекторного перехода от величины обратного приложенного напряжения. Температура структуры Tj= 25°С.
Рис. 9. Область безопасной работы транзистора при резистивной нагрузке.
Предельные токи ограничены: значением максимального постоянного тока IC = 1,5 А и максимального импульсного тока ICM = 3,0 А.
При этих значениях тока разрушаются паяные соединения подводящих проводов со слоями п/п структуры. Показано штрихпунктирной линией.
Предельные напряжения ограничены максимальным рабочим напряжением UCEO(SUS) = 400 В.
Общее тепловое разрушение структуры наступает при превышении ограничений по току и напряжений, показанных пунктирной линией.
Сплошная линия обозначает ограничения, связанные с вторичным необратимым пробоем п/п структуры транзистора. Во всех режимах работы линии нагрузки транзистора (зависимости IC от напряжения коллектор-эмиттер UCE) не должны превышать обозначенных ограничений.
Рис. 10. Ограничение величины рассеиваемой мощности (нагрузки) транзистора при возрастании температуры окружающей среды Ta.
Характеристика снята для условий работы на резистивную нагрузку.
Рис. 11. Область безопасной работы транзистора с обратным смещением для случая с введенными ограничениями перенапряжений.
Предельное ограничение по напряжению (перенапряжению) UCLAMP = 700 В.
Величины напряжений обратного смещения UBE(OFF) соответственно 9 В, 5 В, 3 В и 1,5 В.
Характеристики построены для температуры структуры в пределах 100°С и при токе базы IB1 = 1 А.
Такая ОБР с обратным смещением характерна для схем работы транзистора на индуктивную нагрузку.
В этих режимах работы, линии нагрузки транзистора (зависимости IC от напряжения коллектор-эмиттер UCE) не должны превышать обозначенных ОБР ограничений.
H13005D Datasheet (PDF)
Транзистор h945
1.1. h13005dl.pdf Size:120K _jdsemi
R H13005DL 深圳市晶导电子有限公司 深圳市晶导电子有限公司 深圳市晶导电子有限公司 深圳市晶导电子有限公司 www.jdsemi.cn Bipolar Junction Transistor ShenZhen Jingdao Electronic Co.,Ltd. ◆Si NPN ◆RoHS COMPLIANT 1. 1. 1.APPLICATION 1. Mainly used for 110V power Fluorescent Lamp、 Electronic Ballast,etc 2. 2. 2
1.2. h13005d 2.pdf Size:118K _jdsemi
R H13005D 深圳市晶导电子有限公司 深圳市晶导电子有限公司 深圳市晶导电子有限公司 深圳市晶导电子有限公司 www.jdsemi.cn Bipolar Junction Transistor ShenZhen Jingdao Electronic Co.,Ltd. ◆Si NPN ◆RoHS COMPLIANT 1. 1. 1.APPLICATION 1. Fluorescent Lamp、Electronic Ballast、 and Switch-mode power supplies 2. 2. 2.
1.3. h13005d.pdf Size:118K _jdsemi
R H13005D 深圳市晶导电子有限公司 深圳市晶导电子有限公司 深圳市晶导电子有限公司 深圳市晶导电子有限公司 www.jdsemi.cn Bipolar Junction Transistor ShenZhen Jingdao Electronic Co.,Ltd. ◆Si NPN ◆RoHS COMPLIANT 1. 1. 1.APPLICATION 1. Fluorescent Lamp、Electronic Ballast、 and Switch-mode power supplies 2. 2. 2.
Маркировка транзисторов в корпусе КТ-26
Этот тип корпуса очень популярен. Корпус представляет собой скошенный с одной стороны цилиндр. Для транзисторов в таком корпусе применяется цветовая маркировка транзисторов в корпусе КТ-26, т.е маркировка транзисторов при помощи цветных точек , кодовая маркировка транзисторов в корпусе КТ-26 а также смешенная при которой используется как цифры так и цвета.
Смешенная маркировка транзисторов в корпусе КТ-26
При такой маркировке на верхнюю сторону транзистора наносят цветную точку. По это точку можно узнать группу транзистора. А на фронтальную сторону транзистора ставится либо кодовый символ либо цветная точка, которая соответствует типу прибора. Также на эту сторону иногда ставиться год и месяц выпуска.
Группа транзисторов маркируется следующим образом:
- А -темно-красная точка;
- Б – желтая;
- В – темно-зеленая;
- Г – голуба;
- Д – синяя;
- Е – белая;
- Ж – темно-коричневая;
- И – серебристая;
- К – оранжевая;
- Л – светло-табачная;
- М – серая.
Тип транзистора обозначается символом (геометрической фигурой): треугольником, квадратиком и. т.д. Типы транзисторов представлены на рисунке ниже.












3 A,

















