Конструкция усилителя
Я сделал шасси усилителя из алюминиевого корпуса старого высоковольтного блока питания газового лазера, который я нашел в магазине б.у. радиодеталей в 2006 году.

Корпус был покрашен в черный цвет из баллончика с акриловой краской.

Крепление сетевых трансформаторов

Крышка блока трансформаторов. Серебристая металлическая пластина на передней панели и крышке трансформаторов — это хромированная латунная пластина от старого советского фотоглянцевателя.

Вид снизу на монтаж усилителя. Слева плата, на которой установлены ламповые панели и установлены детали усилителя. Это «псевдо-печатная» плата. Она сделана из фольгированного стеклотекстолита толщиной 2 мм. Из фольги сформированы просто контактные площадки, на которых выполнен навесной монтаж усилителя.

Чертеж платы усилителя. Тогда в 2006 году я разводил платы в P-Cad 2001


Передняя панель усилителя. На ней установлены раздельные регуляторы громкости левого и правого каналов, входные RCA гнезда, выключатель анодного напряжения и индикатор включения анодного напряжения. В качестве индикатора я использовал неоновую лампочку с гасящим резистором на 1M

Вид на переднюю панель изнутри шасси.

Задняя панель усилителя. На ней установлены клемы для подключения громкоговорителей, предохранитель, гнездо питания (от компьютерного блока питания) и выключатель питания.

Дроссель фильтра питания и печатная плата блока питания усилителя
P.S. Субъективно, в версии с лампами 6П14П усилитель звучит «мощнее», видимо из за большей крутизны характеристики этой лампы. Лампы 6П1П звучат потише но более сбалансированно по частотам. Каким лампам отдать предпочтение — решать вам. Пишите комментарии к статье. На моем YouTube канале уже опубликовано видео про этот усилитель.
Усилитель развивает выходную около 5 Вт на канал в версии с 6П14П и около 4 Вт на канал с 6П1П. При этом по ощущениям громкости с 6П14п он звучит практически также как мой усилитель на TDA2050. Громкости более чем достаточно чтобы «прокачать» мою комнату (около 20 кв. метров) при просмотре фильмов. При этом усилитель потребляет мощность около 60 вт. То есть КПД менее 10 процентов. Это обычное соотношение для усилителей класса «А». К сожалению за «теплый ламповый звук» приходится платит низким КПД, но оно того стоит.
Особенности первой версии моего усилителя. Почему я отказался от параллельного включения выходных ламп
Параллельное соединение ламп в выходном каскаде действительно несколько увеличило выходную мощность. Но в последствии я от этого отказался, так как в случае со стерео усилителем одной лампы на выходе каждого канала оказалось вполне достаточно, но при этом усилитель потребляет в 2 раза меньшую мощность и меньше нагревается силовой трансформатор. Так как я уже установил на шасси 4 панельки под выходные лампы, я решил перепаять две крайнее панельки под цоколевку ламп 6П14П.
Теперь в усилителе можно использовать либо 2 лампы 6П1П, либо две 6П14П, в зависимости от того, какие ламы у вас есть. Усилитель прекрасно работает с пентодами 6П14П. Может быть даже лучше, так как выходные трансформаторы изначально рассчитаны на лампы 6П14П. Проблема в том, что нельзя просто вставить 6П14П вместо 6П1П в панельку, так как у ламп не совпадает цоколевка. Кроме того, тетроды 6П1П хорошо работают с фиксированным смещением, тогда как пентоды 6П14П рекомендуется использовать в схеме с автоматическим смещением. Сейчас на шасси усилителя есть две дополнительных панельки под 6П14П, и я могу использовать любые лампы по моему выбору и оценить разницу в звуке., и те. При этом в случае использования 6П1П они работают с фиксированным смещением, а если установить 6П14П они будут работать с автоматическим. Это реализовано просто разной распайкой панелек под лампы.

Если вы захотите повторить данный усилитель, вам совершенно не обязательно мудрить с разными типами ламп. Вы можете сделать усилитель либо под 6П14П (EL84) либо под 6П1П. И даже не нужно делать дополнительный стабилизатор напряжения для фиксированного смещения 6П1П — эти лампы прекрасно работают и с автоматическим смещением. Можно сильно упростить усилитель если использовать автоматическое смещение также и в случае использования 6П1П. Фиксированное смещение — это моя прихоть в данном усилителе.
Также возможно имеет смысл сразу сделать этот усилитель именно под лампы 6П14П, так как эти лампы сейчас более доступны. особенно их зарубежный аналог EL84. Их можно легко заказать в Китае на Алиэкспресс. Схему изменений в для 6П14П я помещу далее в статье.
Лампа EL84 с Алиэкспресс (полный аналог советской 6П14П)
Выходные трансформаторы усилителя. Аспекты согласования трансформатора и громкоговорителя. Как должно быть и как есть на самом деле
Выходной трансформатор лампового усилителя — это важнейший компонент с точки зрения влияния на звук. От качества выходного транса и согласованности его с выходной лампой зависит частотный диапазон усилителя и его выходная мощность. Также вторичная обмотка выходного трансформатора должна быть согласована с сопротивлением катушки используемого громкоговорителя.
В транзисторных усилителях все проще — мы можем подключить к усилителю практически любой громкоговоритель, главное чтобы его сопротивление не было слишком мало, чтобы не превысить допустимый ток выходных транзисторов. От сопротивления динамика в транзисторном усилителе будет зависеть выходная мощность, в соответствии с формулой P = (U*U)/R где P — выходная мощность, U — действующее значение напряжения сигнала на громкоговорителе (RMS) а R — сопротивление его катушки (импеданс), измеренное на частоте тестирования динамика (обычно это 1000 Гц).
С ламповым усилителем все несколько сложнее. Приведенная формула тоже работает, но для того чтобы выходной трансформатор правильно работал и мог отдать динамику максимальную мощность, его вторичная обмотка должна быть согласована с сопротивлением динамика. То есть теоретически мы не можем просто взять и подключить к выходу трансформатора, рассчитанного для работы с динамиком на 4 Ома, динамик с сопротивлением 8 Ом. Я написал «теоретически», потому что на практике бывает так что у нас нет выбора. Есть какой-то готовый трансформатор и какие-то колонии с таким-то сопротивлением. И не всегда это будет совпадать. Ничего страшного не случится, усилитель будет работать. Но нам придется смириться с ухудшением характеристик усилителя. Обычно в случае несогласованности мы можем потерять в выходной мощности и в низких частотах.
Также было и в моем случае в 2006 году. У меня были в наличии два советских трансформатора, «выдранных» из старых телевизоров. Это были трансформаторы типа ТР-7. На трансформаторах написано «трансформатор звуковой частоты ТР-7» и приведены количества витков первичной и вторичной обмоток. Это 2000 витков ПЭЛ 0,18 и 100 витков ПЭЛ 0,58.
Трансформатор звуковой частоты ТР-7 от телевизора Рубин-102 для однотактного выходного каскада на лампе 6П14П
Фактически в ламповом усилителе выходной транс является трансформатором сопротивления, который преобразует сравнительно высокое сопротивление анодной нагрузки электронной лампы (несколько кОм) в низкое сопротивление для подключения динамика (несколько ом). Найдя в справочнике оптимальное сопротивление нагрузки для нашей лампы и зная сопротивление нашего динамика мы можем определить нужные параметры трансформатора.
Трансформаторы ТР-7 использовались в телевизорах Рубин-102 и использовались с как раз лампой 6П14П (а не с 6П1П как в первом варианте моего усилка). Для этой лампы оптимальное сопротивление нагрузки — 4,5 кОм. Коэффициент трансформации нашего транса K = 2000 / 100 = 20. Общее сопротивление катушек громкоговорителей в телевизоре Рубин-102 было 11 Ом. То есть 20*20*11=4400 Ом. То есть первичная обмотка трансформатора практически соответствует рекомендованному сопротивлению для лампы 6П14П и транс действительно рассчитан на нагрузку около 11 Ом. Сопротивление моих колонок равно 8 Ом. То есть усилитель работает не совсем в оптимальном режиме, но тем не менее работает хорошо. Оптимальное сопротивление анодной нагрузки для 6П1П еще больше — около 5 кОм. И здесь чаша весов склоняется в пользу версии на 6П14П, так как сейчас трудно найти готовый трансформатор сделанный именно под 6П1П. Таким образом, использовать 6П1П в наше время имеет смысл только в том случае, если они у вас есть.
Если бы я делал усилитель сейчас, я бы заказал выходные трансформаторы на Алиэкспресс. Они хороши тем, что их вторичные обмотки имеют отводы для подключения как колонок с сопротивлением 4 так и 8 Ом. И в любом случае усилитель с таким трансформатором будет работать в режиме, близком к идеальному.


Третий вариант схемы — лампа 6П14П с автоматическим смещением

Схема для лампы 6П14П отличается только номиналом резистора автоматического смещения R11. Здесь его сопротивление 120 Ом. Это стандартный номинал из даташита лампы
Кроме того у ламп разная цоколевка, поэтому обращайте внимание на нумерацию выводов и распайку ламповой панельки
Лампа 6П14П — это пентод. У нее большая крутизна характеристики чем у 6П1П, и соответственно большее усиление. Я не стал рассматривать работу этой лампы с фиксированным смещением, так как считается что она «заточена» под работу именно с автоматическим смещением. Вообще это замечательная проверенная временем лампа с отличным звуком. Полный аналог 6П14П — это лампа EL84, идентичные пары таких ламп можно заказать на Алиэкспресс. Это отличный выбор для нашего усилителя.
Все лампы нашего усилителя имеют одинаковые цоколи и поэтому используют одинаковые ламповые панельки.

Выпрямитель анодного напряжения
Анодный выпрямитель не имеет каких либо особенностей. Диодный мостик собран из четырех советских диодов типа КД206. Можно с успехом использовать 4 диода типа 1N4007. При этом размеры выпрямителя будут меньше.
Пульсации выпрямленного напряжения сглаживаются пассивным фильтром, состоящим из конденсаторов С2, С4 и дросселя L1. Дроссель можно взять от старого телевизора или лампового приемника. В крайнем случае его можно заменить на обычный резистор сопротивлением 22 — 24 Ом и мощностью не менее 5 Вт.
Входное напряжение (от силового трансформатора) может быть в пределах 220 — 260 вольт.
Что это за усилитель? 3 варианта схемы.
Моей задачей было сделать стереофонический ламповый однотактный усилитель с наименьшими затратами. В качестве выходных ламп я использовал советские лучевые тетроды 6П1П в основном потому, что они очень дешево продавались в соседнем магазине радиодеталей.
В этой статье я опишу 3 варианта схемы усилителя: на лампах 6П1П с фиксированным смещением, на 6П1П с автоматическим смещением и на лампах 6П14П (EL84) с автоматическим смещением. Звучание всех вариантов усилителя очень хорошее. Субъективно звук 6П1П и 6П14П несколько отличается, хотя трудно сказать чем. ВЫ можете потратить время и собрать усилитель на обеих лампах и выбрать то звучание которое вам больше нравится. Можно также сделать как у меня — универсальный усилитель который может работать на обоих типах ламп. Это наиболее затратный вариант, так как потребует двух дополнительных панелек для ламп и нескольких дополнительных резисторов и конденсаторов.
Имеет упростить схему и отказаться от фиксированного смещения (в случае с 6П1П ) и сделать усилитель с автоматическим смещением. Просто в этом усилителе я когда-то экспериментировал в фиксированным смещением. Считается что 6П1П лучше работают с фиксированным, а 6П14П — с автоматическим. Хотя на самом деле обе лампы прекрасно работают с автоматическим смещением. В случае использования автоматического смещения вы избавляетесь от большей части блока питания, что сильно упрощает схему в целом.

Видео обзор этого усилителя. Также можно послушать звук (конечно, относительно ютубовского звучания)
Нужно сказать что сейчас я бы так и сделал, но справедливости ради привожу в первую очередь схему так как я ее сделал в 2006 году — на лампах 6П1П с фиксированным смещением.
Лампа 6П1П — лучевой тетрод
Максимальная выходная мощность, которую можно получить от одной такой лампы в однотактной схеме — это чуть больше 4 Вт. Я думал сделать более мощный усилок, но в то же время мне хотелось именно однотактный (SE — Single-ended) усилитель. Как известно, SE выходной каскад обладает специфическим окрашенным «Hi-End» звучанием, обусловленным «благозвучными» четными гармониками в выходном сигнале. но в SE усилителях эффект «лампового звучания» выражен более ярко.
Четные гармоники в сигнале лампового усилителя
Подключение советских трансформаторов типа ТАН
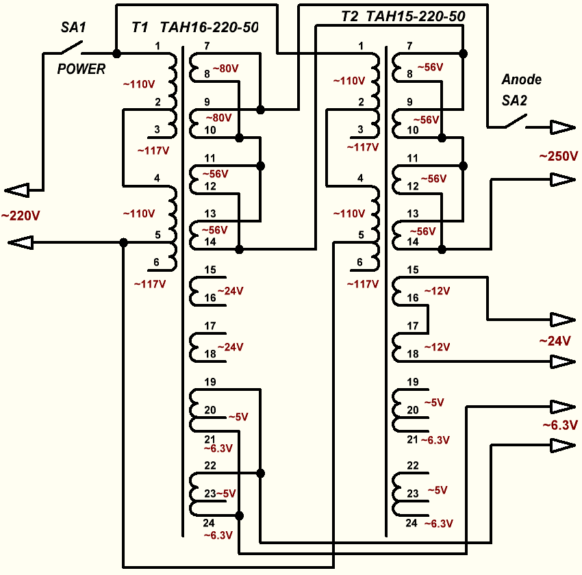
В своем первом усилителе по этой схеме я использовал два силовых унифицированных трансформатора, которые были у меня в наличии. Об этом я уже рассказывал в начале статьи. Здесь я привожу схему того, как я соединил два трансформатора для получения нужных напряжений и нагрузочной способности. Более подробно об этих трансформаторах можно почитать в статье>>.

Схема включения двух силовых трансформаторов в моей первой версии усилителя
SA1 — это выключатель питания. SA2 — выключатель анодного напряжения. дело в том, что для увеличения срока службы ламп анодное напряжение лучше подавать только тогда, когда катоды лампы полностью прогреются. Если включать анод сразу, при холодных нитях накала, это ведет к разрушению активирующего слоя на катодах ламп. Поэтому сначала включаем SA1, ждем пару минут пока прогреются катоды ламп и только после этого включаем SA2.
Вы можете сделать также, либо попробовать использовать только один трансформатор типа ТАН16, однако он будет довольно серьезно нагреваться, так как для него это будет предельная нагрузка.
Другой совет — использовать хороший трансформатор с Алиэкспресс и отказаться от фиксированного смещения в пользу автоматического.
Конструкция
Теперь подробнее о конструкции усилителя. Он имеет не совсем обычную конструкцию, в которой использован корпус от бесперебойного источника питания компьютера.
Все основные узлы усилителя собраны на четырех печатных платах из фольгироеанного стеклотекстолита — плата усилителя, плата источника анодного напряжения плата регулятора уровня с детекторами индикаторов и плата самих индикаторов. Все платы имеют простейший рисунок проводников из фольги, его можно вырезать стальным резаком, изготовленным из полотна ножовки по металлу.
Плата усилителя показана на рис. 3. С верхней стороны установлены панели ламп VL1-VL5. конденсаторы С7-С10, а также плата регулятора чувствительности и детектора индикаторов. Большинство же деталей на основной плате размещают со стороны печатного монтажа что позволяет их легко заменять, если это потребуется.
Микросхемы стабилизаторов КР142ЕН5В металлическим фланцем припаяны непосредственно к фольге минусовой шины питания что обеспечивает дополнительный теплоотвод.

Рис. 2. Плата самодельного лампового стерео усилителя мощности.
О монтаже цепи накала ламп. Один из выводов подогревателей катода ламп соединен с общим проводом, а от другого цепь проложена одиночным медным проводом диаметром 0,9-1 мм в виниловой изоляции на расстоянии 30.. 40 мм от платы; в этом случае проблем с фоном в усилителе не возникало.
В тыловой части корпуса установлен трансформатор ТС-160, над ним находится плата выпрямителя и фильтра анодного напряжения (рис. 4). В передней панели корпуса просверлено несколько новых отверстий — под индикаторы и регуляторы громкости, которые установлены с внутренней стороны, также там находится сетевой выключатель.

Рис. 3. Внешний вид на монтаж усилителя мощности.
Для придания конструкции жесткости передняя и задняя стенки шасси стянуты между собой стальным стержнем диаметром 12 мм. в торцах которого просверлены отверстия и нарезана резьба М4.
В крышке корпуса, в ее верхней части просверлено несколько десятков отверстий над лампами 6П14П для оттока разогретого воздуха. В боковых стенках этой крышки, вблизи от ламп вырезаны прямоугольные отверстия, в которые изнутри вклеены силиконовым герметиком тонированные стекла.
На задней панели усилителя находятся колодка сетевого разъема с предохранителем, гнезда входа и выхода. Гнезда входов усилителя («тюльпаны») установлены через изолирующие прокладки и не имеют прямого контакта с корпусом усилителя.
Корпуса «тюльпанов» соединены с минусовым (общим проводом) платы усилителя и корпусом усилителя через оплетку экранирующего кабеля. Корпус усилителя и передняя панель окрашены тремя слоями автомобильной эмали типа «металлик» из аэрозольной упаковки.
О. Платонов, г. Пермь. Р-2010-05.
|
Вас может заинтересовать:
|
Радиолампы, использованные в статье: 6П14П6Н3П6Е1П |
Комментарии к статьям на сайте временно отключены по причине огромного количества спама.
↑ О конструкции
В качестве материала шасси был взят композит (структура – толстая алюминиевая фольга с двух сторон и внутри пластик) у рекламщиков, можно гнуть, резать, пилить, сверлить.
И вообще у рекламщиков много чему поживиться можно из остатков алюминиевых профилей, пластика и другого листового материала. Места изгибов можно делать строительным ножом, но я их отфрезеровал заточенным под фрезу сверлом с помощью бытового фрезера по дереву на малых оборотах. Стыки проклеены термоклеем и дополнительно прогреты, чтобы клей протек в стыки. Шина земли проведена по центру корпуса. Некоторые детали и колодки приклеены тем же термоклеем, держится хорошо. Корпус заземлен. Вот, что получилось:
Цепи накала
Цепи накала всех ламп используют переменное напряжение 6.3В. Параллельно проводам цепей накала включен подстроечный резистор R1, движок которого соединен с «землей». Такая схема в ламповых усилителях позволяет минимизировать наводки от цепей накала с частотой 50 Гц. Настраиваем его так: включаем усилитель, устанавливаем регулятор громкости в минимальное положение и прослушивая выходной сигнал, поворачиваем движок этого продстроечника. Добиваемся минимума проникновения фона с частотой сети.
Выпрямитель и стабилизатор отрицательного напряжения для фиксированного смещения оконечных ламп.
Этот узел нужен ТОЛЬКО если вы решили сделать усилитель с фиксированным смещением на лампах 6П1П. В остальных вариантах схемы усилителя этот узел не нужен.
Для получения напряжения смещения используется обмотка силового трансформатора с выходным напряжением 24 В. наша задача получить на выходе стабилизированное отрицательное напряжение в районе -22 вольта.
в 2006 году я использовал диодный мостик типа КЦ405. Здесь можно использовать любой диодный мостик китайского производства, либо 4 диода 1N4007. Все электролитические конденсаторы стабилизатора рассчитаны на напряжение 35 вольт. Стабилизатор выполнен на транзисторе VT1 типа BD140. Можно использовать отечественные транзисторы КТ814, КТ817 и другие средней мощности и структуры PNP.
Цепочка стабилитронов в базовой цепи транзистора должна быть на суммарное напряжение 22 вольта. Для подбора стабилитронов можно использовать вот такой тестер>>.
Подстроечные резисторы R5, R6 служат для регулировки напряжения смещения и соответственно тока покоя выходных ламп.
6П14П, EL84
6П14П в триоде, нравится, своей мягкостью, уютностью (очень нравится).
Но, и в двухтакте слушаю, на даче стоит Симфония-003+акустика Телефункен семидесятых годов. Не раздражает. Нет конечно той магии, как ва SE но тоже хорошо.
Дома у меня Телефункен 1939года, дома я предпочитаю EL11.
shi
Почти все что мне попадались без индекса «ЕВ» были не фонтан. Есть еще парочка каких то странных, с немного другой конструкцией… не знаю как это называется… вобщем колечко под геттером у них большое как у ЕВ, а под ним еще две параллельные вертикальные пластинки. И надпись сделана мерзкой желтой краской, которая слетает при малейшем внешнем воздействии.
Fil
Извините, не следил за темой с самого начала, но все же свои пять копеек так и хочется вставить
Если выбирать лампу в качестве основы для серьезного усилителя для новичка, то 6П14П в триоде лидирует безоговорочно, и с огромным отрывом. Более того, такой усилитель будет очень тяжело «переиграть» чем-либо другим даже не новичку, поскольку 6П14П великолепно звучит практически для всех жанров.
У меня есть возможность сравнивать 6П14П с другими лампами, в том числе упомянутая 6С33С, целое семейство 6V6–6L6-подобных, прямонакалы 6С4С, 2С4С, триод 6С19П… все они звучат по-разному, многие звучат очень неплохо, остальные похуже… однако в итоге я всегда возвращаюсь к 6П14П.
Да, ее динамичный и очень детальный звук кому-то может показаться слишком навязчивым, однако для новичков это как раз чаще всего будет плюсом, так как понимание того, что детальность и подробность усилителя не является самоцелью, приходит далеко не сразу.
А простота реализации при этом потрясающая — усилитель можно собрать за вечер, и наслаждаться ламповым звуком. А уже потом играться драйверами, перебирать конденсаторы, варианты смещения и т.д…
Так что — long live el84 — да здравствует 6п14п!
ML8
6П14П-и использовались в вычислительной технике. У меня осталась одна лампа. Ставить в пару с другими не получается. Звучание резко отличается.
maestro
У меня некоторое время назад был в пользовании усилитель Мэнли на ЕЛ84. Изначально там стояли югославские 6BQ5 с клеймом Мэнли. Я пробовал использовать на нём старые ЕЛ84 от ТФК (покупал по 80 зелёных за шт.) Замена стоила того, но каждый цену вопоса соизмеряет со своими возможностями и желаниями. Могу сказато только, что замена разделительных емкостей давала больший эффект при меньших затратах, но это не значит, что лампами заниматься не стоит. Подбирать в четвёрки настоятельно рекомендую.
Normann
«в живую» имел дело с 6П14П, (-Е), EL84 Tesla и E84L Simens. Субъективно Сименс играл более приятно, на втором месте Тесла. Если усилитель «фирмовый», то стоит искать хорошие лампы (мое мнение). 6П14П не совсем аналог EL84, 6П14 отдают меньшую мощность (судя по паспортным режимам).
Шляхов Илья
Однотактные ламповые усилители SE на 6П3С, 6П14П, 6П45С и других лампах. SE — сокращенное от Single-Ended (возможно, «справляюсь в одиночку»?) .
- 0.8Вт. Усилитель на одной лампе 6Ж52П.
- 1Вт. Ламповый усилитель на 6Н8С, 4П1Л.
- 1Вт. Ламповый УНЧ на 4Ж1Л, 4П1Л.
- 1.5Вт Ламповый усилитель на 6С45П для компьютера.
- 1.5Вт Одноламповый УНЧ на 6Ф3П.
- 1.5Вт Одноламповый УНЧ на 6Ф5П.
- 2.5Вт Ламповый усилитель на 6Ф3П для начинающих.
- 3Вт. Однотактный ламповый УНЧ на 6Ж1П, 6П1П.
- 3Вт. Усилитель с непосредственной связью каскадов на 6П14П, 6Ж1П.
- 3Вт. Усилитель на лампах 6П14П, 6Н2П
с регулятором тембра. - 3.5Вт. Ультралинейный усилитель на 6П14П, 6Н2П.
- 3.5Вт. Высококачественный усилитель на 6Н5С, 6Н2П, 6Ж1П.
- 4.5Вт. Усилитель SE для CD, DVD на лампах 6П45С, 6Ж52П.
- 4.5Вт. Стереофонический трёхламповый усилитель на
6П14П, 6Н23П. - 4.5Вт. Ламповый усилитель на 6П36С, 6Н3П.
- 6Вт. Усилитель на 6П36С, 6Н2П (из ТВ деталей).
- 6.5Вт. Ламповый усилитель на
6П3С, 6Н2П. - 7Вт. Однотактный ламповый усилитель на
6П3С, 6Н9С. - 7Вт. Однотактный ламповый усилитель на двух
6П3С, 6Н9С. - 8Вт. Ламповый УНЧ на 6П14П, 6П45С.
- 8Вт. Усилитель на 6П3С, 6Н2П.
- 8Вт. Усилитель с параллельным включением лампы 6Н5С в выходном каскаде.
- 10Вт. Высококачественный ламповый усилитель на 811А, 6L6G.
- 12Вт. Однотактный ламповый усилитель на ГУ-29 и 6Н23П.
- 15Вт. УНЧ на 6Ф3П и 6KG6.
- 80Вт. Мощный однотактный ламповый УНЧ с глубокой обратной связью.
- Усилитель на лампе 6С4С.
- Ламповый усилитель для компьютера на 6П14П, 6Ж1П.
- Лофтин-Уайт на 6Ф2П.
- Усилитель на 6Ф6С, 6Н9С (6Н8С).
- Ламповый УНЧ на 6П3С, 6Н8С.
- Ламповый усилитель на 6П3С, 6Н8С.
- Высококачественный усилитель на лампах Г-807, 6Э5П.
- Ламповый усилитель на 6Н9С, 6П31С в триодном включении
- Однотактный ламповый усилитель на 6С41С, 6Э5П
- SE усилитель на лампах
6П3С и 6Н8С. - Однотактный ламповый усилитель на 6С4С, 6Н9С.
- SE усилитель на 6С19П, EF860.
- Усилитель по схеме Лофтин-Уайт, на 6Ф5П.
- Простой однотактный усилитель на 6П42С
- Однотактный УНЧ на 4П1Л.
- Однотактный УНЧ на 6П3С, 6Н9С.
- Усилитель SE на 6Н30П, 6Э5П.
- Усилитель SE на 6П43П, 6Ж52П.
- Усилитель на лампах 6С33С, 6Ж52П.
Популярные лампы в усилителях: 6П14П, 6П3С
последняя rlamp — 51
Вернуться к справочникам по электронным компонентам
Справочник по радиолампам.






![6п14п [аудио-википедия]](http://pafosklub.ru/wp-content/uploads/d/7/6/d76edd4ff36b0215bcae7515698a04f5.jpeg)







![6п14п [аудио-википедия]](http://pafosklub.ru/wp-content/uploads/5/9/a/59a2240f76c3d898b6c21f7f45ce4b5d.jpeg)













