Качественный даташит на русском языке для транзистора J13009 2
Для эффективного использования транзистора J13009 2 в различных электронных устройствах и схемах необходимо иметь подробную информацию о его особенностях и характеристиках. Качественный даташит на русском языке предоставляет полезные данные, которые помогут разработчикам и специалистам в правильном выборе и применении данного компонента.
В даташите по транзистору J13009 2 на русском языке можно найти следующую информацию:
- Общие характеристики: в данном разделе приводится общая информация о типе транзистора, его назначении, способе установки и монтажа.
- Электрические характеристики: здесь указываются параметры напряжения, тока, мощности, частоты, которыми должен обладать транзистор для оптимальной работы.
- Технические характеристики: этот раздел содержит информацию о температурных условиях эксплуатации, прочности корпуса, массе и размерах транзистора.
- Графики и диаграммы: в даташите представлены графики зависимости тока, напряжения, мощности от различных параметров, что помогает проанализировать и оценить работу транзистора в различных режимах.
- Рекомендации по применению: в этом разделе дается рекомендации по монтажу, подключению, применению транзистора, а также предоставляется информация о защите и режимах работы.
Важно иметь качественный даташит на русском языке для транзистора J13009 2, так как он облегчает понимание и использование данного компонента в электронных устройствах. Разработчики могут использовать предоставленные в даташите данные для правильного выбора транзистора, оптимизации электрических схем и повышения качества проектов
Уникальный транзистор J13009 2: преимущества и назначение
Прежде всего, транзистор J13009 2 имеет высокую мощность и надежность работы, что позволяет эффективно управлять большими электрическими нагрузками. Благодаря своей высокой пропускной способности, этот транзистор может использоваться в схемах с высокими токами и напряжениями.
Кроме того, транзистор J13009 2 обладает высокой скоростью коммутации, что позволяет ему быстро переключаться между состояниями включения и выключения
Это особенно важно в современных высокочастотных устройствах, где требуется быстрый и точный отклик на сигналы
Назначение транзистора J13009 2 весьма широко. Он может использоваться во множестве приложений, включая источники питания, DC-DC преобразователи, инверторы, светодиодные драйверы, импульсные блоки питания и многое другое. Благодаря своим характеристикам и функциональности, этот транзистор является незаменимым элементом во многих энергоэффективных и высокотехнологичных устройствах.
In Stock : 1571
Please send RFQ , we will respond immediately.
United States
China
Canada
Japan
Russia
Germany
United Kingdom
Singapore
Italy
Hong Kong(China)
Taiwan(China)
France
Korea
Mexico
Netherlands
Malaysia
Austria
Spain
Switzerland
Poland
Thailand
Vietnam
India
United Arab Emirates
Afghanistan
Åland Islands
Albania
Algeria
American Samoa
Andorra
Angola
Anguilla
Antigua & Barbuda
Argentina
Armenia
Aruba
Australia
Azerbaijan
Bahamas
Bahrain
Bangladesh
Barbados
Belarus
Belgium
Belize
Benin
Bermuda
Bhutan
Bolivia
Bonaire, Sint Eustatius and Saba
Bosnia & Herzegovina
Botswana
Brazil
British Indian Ocean Territory
British Virgin Islands
Brunei
Bulgaria
Burkina Faso
Burundi
Cabo Verde
Cambodia
Cameroon
Cayman Islands
Central African Republic
Chad
Chile
Christmas Island
Cocos (Keeling) Islands
Colombia
Comoros
Congo
Congo (DRC)
Cook Islands
Costa Rica
Côte d’Ivoire
Croatia
Cuba
Curaçao
Cyprus
Czechia
Denmark
Djibouti
Dominica
Dominican Republic
Ecuador
Egypt
El Salvador
Equatorial Guinea
Eritrea
Estonia
Eswatini
Ethiopia
Falkland Islands
Faroe Islands
Fiji
Finland
French Guiana
French Polynesia
Gabon
Gambia
Georgia
Ghana
Gibraltar
Greece
Greenland
Grenada
Guadeloupe
Guam
Guatemala
Guernsey
Guinea
Guinea-Bissau
Guyana
Haiti
Honduras
Hungary
Iceland
Indonesia
Iran
Iraq
Ireland
Isle of Man
Israel
Jamaica
Jersey
Jordan
Kazakhstan
Kenya
Kiribati
Kosovo
Kuwait
Kyrgyzstan
Laos
Latvia
Lebanon
Lesotho
Liberia
Libya
Liechtenstein
Lithuania
Luxembourg
Macao(China)
Madagascar
Malawi
Maldives
Mali
Malta
Marshall Islands
Martinique
Mauritania
Mauritius
Mayotte
Micronesia
Moldova
Monaco
Mongolia
Montenegro
Montserrat
Morocco
Mozambique
Myanmar
Namibia
Nauru
Nepal
New Caledonia
New Zealand
Nicaragua
Niger
Nigeria
Niue
Norfolk Island
North Korea
North Macedonia
Northern Mariana Islands
Norway
Oman
Pakistan
Palau
Palestinian Authority
Panama
Papua New Guinea
Paraguay
Peru
Philippines
Pitcairn Islands
Portugal
Puerto Rico
Qatar
Réunion
Romania
Rwanda
Samoa
San Marino
São Tomé & Príncipe
Saudi Arabia
Senegal
Serbia
Seychelles
Sierra Leone
Sint Maarten
Slovakia
Slovenia
Solomon Islands
Somalia
South Africa
South Sudan
Sri Lanka
St Helena, Ascension, Tristan da Cunha
St. Barthélemy
St. Kitts & Nevis
St. Lucia
St. Martin
St. Pierre & Miquelon
St. Vincent & Grenadines
Sudan
Suriname
Svalbard & Jan Mayen
Sweden
Syria
Tajikistan
Tanzania
Timor-Leste
Togo
Tokelau
Tonga
Trinidad & Tobago
Tunisia
Turkey
Turkmenistan
Turks & Caicos Islands
Tuvalu
U.S. Outlying Islands
U.S. Virgin Islands
Uganda
Ukraine
Uruguay
Uzbekistan
Vanuatu
Vatican City
Venezuela
Wallis & Futuna
Yemen
Zambia
Zimbabwe
Quantity
Quick RFQ
FJP13009H2TU Datasheet PDF — Fairchild Semiconductor
| Part Number | FJP13009H2TU | |
| Description | High-Voltage Fast-Switching NPN Power Transistor | |
| Manufacturers | Fairchild Semiconductor | |
| Logo | ||
|
There is a preview and FJP13009H2TU download ( pdf file ) link at the bottom of this page. Total 6 Pages |
|
Preview 1 page
No Preview Available !
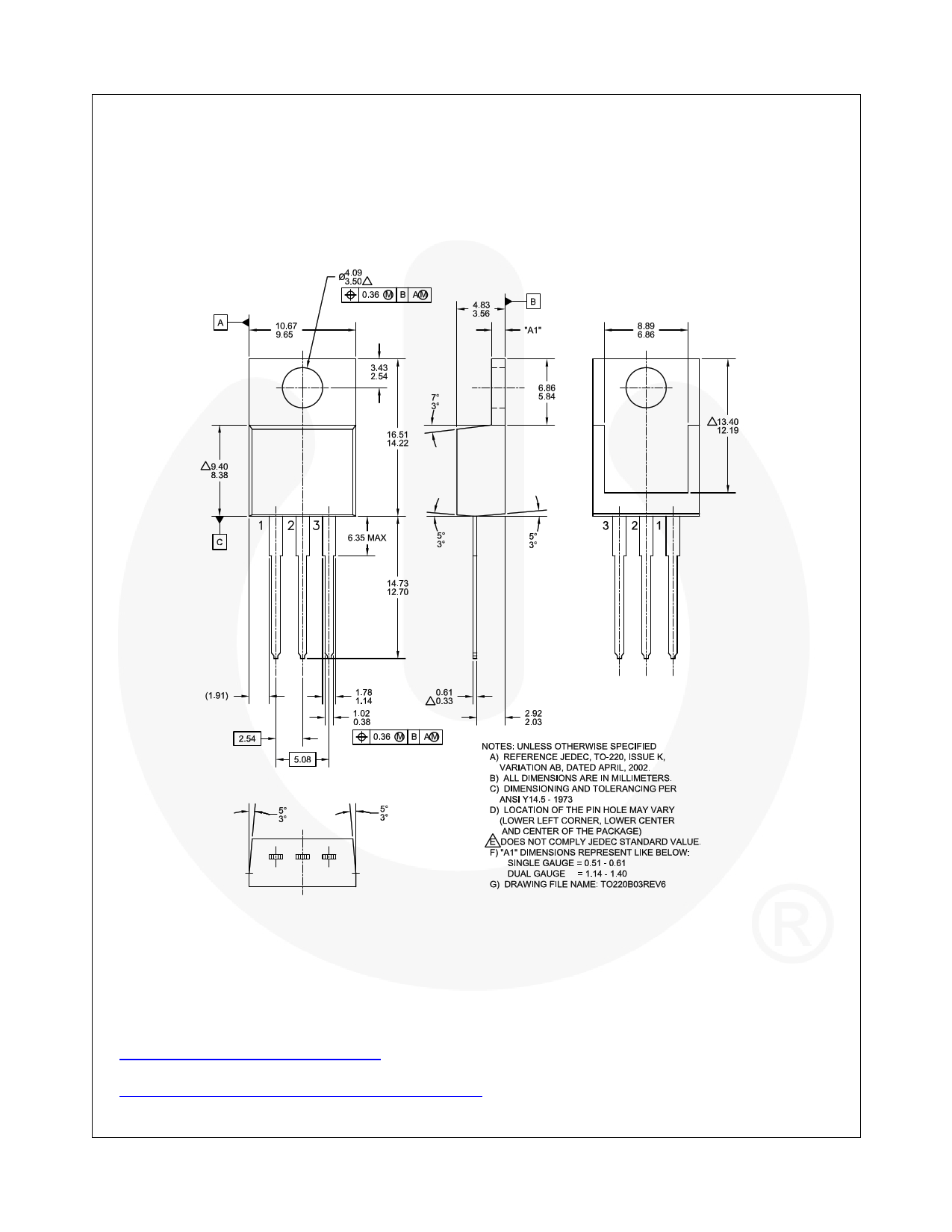
July 2013 1 TO-220 1.Base 2.Collector 3.Emitter Part Number(1) FJP13009TU Absolute Maximum Ratings(2) Stresses exceeding the absolute maximum ratings may damage the device. The device may not function or be opera- absolute maximum ratings are stress ratings only. Values are at TC = 25°C unless otherwise noted. Symbol VCBO VCEO VEBO IC ICP IB PD TJ TSTG Note: Total Device Dissipation (TC = 25°C) Junction Temperature °C °C 2. These ratings are based on a maximum junction temperature of 150°C. These are steady state limits. The factory should be consulted on application involving pulsed or low duty cycle |
|
http://www.fairchildsemi.com/dwg/TO/TO220B03.pdf. For current tape and reel specifications, visit Fairchild Semiconductor’s online packaging area: http://www.fairchildsemi.com/packing_dwg/PKG-TO220B03_TC.pdf. 2003 Fairchild Semiconductor Corporation Preview 5 Page |
|
On this page, you can learn information such as the schematic, equivalent, pinout, replacement, circuit, and manual for FJP13009H2TU electronic component. |
| Information | Total 6 Pages |
| Link URL | |
| Download |
Share Link :
Electronic Components Distributor
|
An electronic components distributor is a company that sources, stocks, and sells electronic components to manufacturers, engineers, and hobbyists. |
| SparkFun Electronics | Allied Electronics | DigiKey Electronics | Arrow Electronics |
| Mouser Electronics | Adafruit | Newark | Chip One Stop |
Разделы справочника:
Добавить описание биполярного транзистора.Добавить описание полевого транзистора.Добавить описание биполярного транзистора с изолированным затвором.Поиск биполярного транзистора по основным параметрам.Поиск полевого транзистора по основным параметрам.Поиск БТИЗ (IGBT) по основным параметрам.Поиск транзистора по маркировке.Поиск корпуса электронного компонента. Узнать размеры транзистора.Добавить чертёж транзистора.Параметры транзисторов биполярных низкочастотных npn.Параметры транзисторов биполярных низкочастотных pnp.Параметры транзисторов биполярных высокочастотных npn.Параметры транзисторов биполярных высокочастотных pnp.Параметры транзисторов биполярных сверхвысокочастотных npn.Параметры транзисторов биполярных сверхвысокочастотных pnp.Параметры полевых транзисторов n-канальных.Параметры полевых транзисторов p-канальных.Параметры биполярных транзисторов с изолированным затвором (БТИЗ, IGBT).
Cправочник характеристик транзисторов ПАРАТРАН полезен опытным и начинающим радиолюбителям, профессионалам в сфере электроники, конструкторам, ученикам школ и студентам высших учебных заведений, где преподаются дисциплины по электронным приборам. Всем тем, кто так или иначе сталкивается с необходимостью узнать больше о параметрах транзисторов, выпускаемых промышленностью. Более подробную информацию обо всех возможностях этого интернет-справочника можно прочитать на странице «О сайте».
Если Вы заметили ошибку, огромная просьба написать письмо.
Спасибо за терпение и сотрудничество.
Технические характеристики транзистора J13009 2
Ниже приведены основные технические характеристики транзистора J13009 2:
- Максимальное рабочее напряжение коллектор-эмиттер: 600 В;
- Максимальное рабочее напряжение база-эмиттер: 8 В;
- Максимальный коллекторный ток: 12 А;
- Максимальная мощность потерь: 75 Вт;
- Максимальная рабочая температура: 150 °C;
- Тип корпуса: TO-220;
- Структура: npn;
- Дополнительные особенности: встроенная защита от перегрузки и короткого замыкания.
Транзистор J13009 2 обладает хорошими электрическими характеристиками, низким сопротивлением и высокой надежностью. Это делает его привлекательным для использования в различных схемах и проектах, где требуется работа с высокими напряжениями и токами.
Важно учитывать, что для правильной работы транзистора J13009 2 необходимо соблюдать его технические характеристики, включая максимальные значения напряжения и тока. При использовании транзистора в проекте следует также учесть тепловые характеристики и обеспечить надежное охлаждение
FJP13009H2TU Datasheet (PDF)
..1. Size:283K onsemi fjp13009tu fjp13009h2tu.pdf


Is Now Part ofTo learn more about ON Semiconductor, please visit our website at www.onsemi.comPlease note: As part of the Fairchild Semiconductor integration, some of the Fairchild orderable part numbers will need to change in order to meet ON Semiconductors system requirements. Since the ON Semiconductor product management systems do not have the ability to manage part nomenclatur
6.1. Size:181K fairchild semi fjp13009.pdf


March 2007FJP13009High Voltage Fast-Switching NPN Power Transistor High Voltage Capability High Switching Speed Suitable for Electronic Ballast and Switching Mode Power SupplyTO-22011.Base 2.Collector 3.EmitterAbsolute Maximum Ratings* TC = 25C unless otherwise noted (notes_1)Symbol Parameter Value UnitsVCBO Collector-Base Voltage 700 VVCEO Collector-Emitter
6.2. Size:232K inchange semiconductor fjp13009.pdf


isc Silicon NPN Power Transistor FJP13009DESCRIPTIONCollectorEmitter Sustaining Voltage: V = 400V(Min.)CEO(SUS)Collector Saturation Voltage: V = 1.5 (Max) @ I = 8.0ACE(sat) CMinimum Lot-to-Lot variations for robust deviceperformance and reliable operationAPPLICATIONSDesigned for use in high-voltage, high-speed, power swit-ching in inductive circuit, they are p
7.1. Size:540K fairchild semi fjp13007.pdf


July 2008FJP13007High Voltage Fast-Switching NPN Power TransistorHigh Voltage High Speed Power Switch Application High Voltage Capability High Switching Speed Suitable for Electronic Ballast and Switching Mode Power SupplyTO-22011.Base 2.Collector 3.EmitterAbsolute Maximum Ratings TC = 25C unless otherwise notedSymbol Parameter Value UnitsVCBO Collector-Base
7.2. Size:246K onsemi fjp13007tu fjp13007h1tu fjp13007h1tu-f080 fjp13007h2tu fjp13007h2tu-f080.pdf


ON SemiconductorIs NowTo learn more about onsemi, please visit our website at www.onsemi.comonsemi and and other names, marks, and brands are registered and/or common law trademarks of Semiconductor Components Industries, LLC dba onsemi or its affiliates and/or subsidiaries in the United States and/or other countries. onsemi owns the rights to a number of patents, trademarks,
FJP13007(J13007) Datasheet (PDF)
2.1. fjp13007.pdf Size:540K _fairchild_semi
July 2008 FJP13007 High Voltage Fast-Switching NPN Power Transistor High Voltage High Speed Power Switch Application � High Voltage Capability � High Switching Speed � Suitable for Electronic Ballast and Switching Mode Power Supply TO-220 1 1.Base 2.Collector 3.Emitter Absolute Maximum Ratings TC = 25�C unless otherwise noted Symbol Parameter Value Units VCBO Collector-Base Voltage 70
March 2007 FJP13009 High Voltage Fast-Switching NPN Power Transistor • High Voltage Capability • High Switching Speed • Suitable for Electronic Ballast and Switching Mode Power Supply TO-220 1 1.Base 2.Collector 3.Emitter Absolute Maximum Ratings* TC = 25°C unless otherwise noted (notes_1) Symbol Parameter Value Units VCBO Collector-Base Voltage 700 V VCEO Collector-Emitter
3.2. fjp13009.pdf Size:123K _fairchild_semi
March 2007 FJP13009 High Voltage Fast-Switching NPN Power Transistor � High Voltage Capability � High Switching Speed � Suitable for Electronic Ballast and Switching Mode Power Supply TO-220 1 1.Base 2.Collector 3.Emitter Absolute Maximum Ratings* TC = 25�C unless otherwise noted (notes_1) Symbol Parameter Value Units VCBO Collector-Base Voltage 700 V VCEO Collector-Emitter Voltage 40
| Главная | О сайте | Теория | Практика | Контакты |
|
Юмор: Если побить рекорд никак не удаётся, то возникает соблазн побить его обладателя. Справка об аналогах биполярного низкочастотного npn транзистора MJE13007.Эта страница содержит информацию об аналогах биполярного низкочастотного npn транзистора MJE13007 . Перед заменой транзистора на аналогичный, !ОБЯЗАТЕЛЬНО! сравните параметры оригинального транзистора и предлагаемого на странице аналога. Решение о замене принимайте после сравнения характеристик, с учетом конкретной схемы применения и режима работы прибора. Можно попробовать заменить транзистор MJE13007 транзистором BU406D; транзистором ECG2312; транзистором MJE13007A; транзистором MJE13007A; транзистором MJE13007A; транзистором MJE13006; транзистором KSC2335; транзистором 2SC2553; транзистором 2SC2898; транзистором 2SC2335; транзистором ECG2312; транзистором MJE13007A; транзистором MJE13006; транзистором KSC2335; дата записи: 2015-02-04 07:44:50 дата записи: 2017-12-19 09:49:35 Добавить аналог транзистора MJE13007.Вы знаете аналог или комплементарную пару транзистора MJE13007? Добавьте. Поля, помеченные звездочкой, являются обязательными для заполнения. Другие разделы справочника:Есть надежда, что справочник транзисторов окажется полезен опытным и начинающим радиолюбителям, конструкторам и учащимся. Всем тем, кто так или иначе сталкивается с необходимостью узнать больше о параметрах транзисторов. Более подробную информацию обо всех возможностях этого интернет-справочника можно прочитать на странице «О сайте». Если Вы заметили ошибку, огромная просьба написать письмо. Спасибо за терпение и сотрудничество. |
Jasmin bayer kommt aus ulm












Physical Dimensions








