Роль драгоценных металлов в приборах
В прошлом столетии не особо подсчитывали рентабельность использования драгметаллов в радиодеталях, которые, в свою очередь, составляли основу конструкций разнообразных приборов, устройств, агрегатов, техники и т.д.
Этому способствовали свойства драгоценных элементов – высокая проводимость и устойчивость к окислению.
Первое качество улучшало работу непосредственно самого устройства. Особенно высокоточных приборов, которые применялись в военно-аэрокосмической сфере, медицинской отрасли и ряде других направлений.
Вторая характеристика значительно увеличивала эксплуатационный срок тех же самых устройств без потери функциональных возможностей.
Ежегодно планета «выкидывает» на свалку 50 млн. тонн отходов в виде электронной и радиотехники, при этом всего 5% этого «мусора» подвергается рециклингу – переработке с целью «добычи» ВДМ.
Статистика красноречиво говорит, что этот рынок можно считать еще не освоенным.
Наличие и количество в различных элементах
Разнообразные по своей функциональной нагрузке, особенностям конструкции детали, составляющие основу бытовой, промышленной, военной, высокоточной (научной) электроники, представляют интерес для любого предприимчивого человека, занимающегося аффинажем.
Естественно, речь идет о приборах, потерявших практический интерес.
В этой связи стоит отметить, количество драгметаллов в каждом элементе, например в транзисторах, варьируется относительно маркировки и серии радиодетали.
В некоторых элементах может присутствовать, к примеру, только «желтый» металл и его младший брат, в других – платина, палладий.
Чтобы понимать, какие радиодетали приобретать у народонаселения, предлагаем вниманию таблицы, где обозначены практически все устройства, которые содержат драгоценные металлы.
Конденсаторы
Количество драгметаллов в таблице указанно в граммах (г) из расчета содержания ценных элементов в 1 тысячи устройств. Содержание драгметаллов указано фактическое, а не то, которое обозначено в паспорте устройств.
Конденсаторы можно найти практически в любой бытовой электротехнике, цепях обратной связи, колебательных контурах, фильтрах питания и т.д.
Благодаря своим функциональным возможностям, «кондер» применяется в фотовспышках, электромагнитных ускорителях, лазерах и т.д.
Принципиальная схема
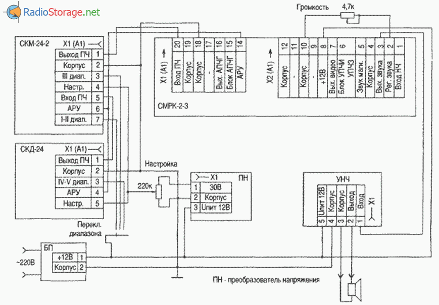
Но рис.1 показана принципиальная электрическая схема этого приемника. Для приемника используют готовый модуль радиоканала МРК-2 с установленными но нем субблоками; селекторами метрового и дециметрового каналов СКМ-24-2 и СКД-24-2 и субмодулем СМРК-2 (установленный на МРК-2 субмодупь УСР удаляется).
Дополнительно нужно изготовить блок питания на напряжение 12 В, усилитель низкой частоты (УНЧ) на ИМС TDA2003 (УНЧ на этой микросхеме имеет небольшие размеры). Для настройки на частоту приемник необходимо снабдить преобразователем напряжения 12В в 31В.

Рис. 1. Принципиальная схема подключения модулей СК-Д-24 и СК-М-24.
В селекторах СКМ-24-2 и СКД-24-2 применяется электронная настройка при помощи варикапов. Управляющее напряжение 1..27В подается но варикапы выбранного диапазона. Для получения этого управляющего напряжения необходимо сделать преобразователь напряжения. Предлагаю две схемы преобразователя напряжения.
На рис.2 показана схема преобразователя напряжения на ИМС К561ЛА7. Можно взять готовый преобразователь напряжения, например, ПН-15 от радиоприемника Меридиан советского производства.
На выходе преобразователя устанавливают многооборотистый резистор сопротивлением 100..200 кОм. Со среднего контакта этого резистора управляющее напряжение поступает на соответствующие контакты селекторов СКМ-24-2 или СКД-24-2. Это контакт 4 в СКМ-24-2 и контакт 5 в СКД-24-2.
Рабочий диапазон в селекторах СКМ-24-2 и СКД-24-2 включается подачей напряжения 12В на соответствующий контакт. І-II диапазон включится при подаче 12В на контакт 7 модуля СКМ-24-2, III диапазон — контакт 3 модуля СКМ-24-2; IV-V диапазон — контакт 3 модуля СКД-24-2. Для такой коммутации я применил галетный переключатель SA1.
Чтобы придать конструкции этого приемника законченный вид, я разместил все блоки в корпусе от магнитофона Весно-205. Механику и предварительный усилитель убрал, оставив трансформатор, усилитель низкой частоты, регуляторы громкости и тембра, динамик. Резистор Настройки установил вместо резистора Уровень Записи.
Так как все субблоки имеют корпуса — экраны, а преобразователь можно сделать размером, со спичечный коробок, то расположить их в свободных местах корпуса несложно.

Рис .2. Принципиальная схема преобразователя напряжения для получения 30В из 12В.
Между собой блоки соединены проводом через самодельные разъемы. В качестве антенны использовано штыревая антенна, закрепленная на корпусе магнитофона.
Для приема в диапазоне УКВ-2 (FM) можно перестроить селектор СКМ-24-2 на частоту приема в диапазоне 100..174 МГц с помощью частотомера, воспользовавшись советом, описанном в статье журнала РА 5/2000.
О.В. Васьков, Украина, Автономная республика Крым. РА №6, 2003 г.
Селектор каналов СК-М-24
Селектор каналов метрового диапазона СК-М-24 0Э2.222.015 предназначен для селекция, усиления и преобразования радиосигналов телевидения метрового диапазона в промежуточную частоту.Основные технические данный и характеристики:
- Частотный диапазон, мГц 4…. 8.5 — 230;
- Коэффициент шума, дБ, не более…. 9,5;
- Коэффициент усиления, дБ, не менее…. 15,5;
- Номинальное напряжение питания, В…. 12;
- Пределы напряжения цепи управления варикапами, В…. 0,6 — 25,2;
- Номинальное напряжение АРУ, В…. 8;
- Глубина регулирования АРУ, дБ, не менее…. 24;
- Потребляемый ток. мА. не более…. 25;
- Касса, кг, не более…. 0,160;
- Габаритные размеры, мм, не более…. 97 * 85,5 * 25;
- Содержание драгоценных материалов: золото — 0,0361 г, серебро — 0,232 г.

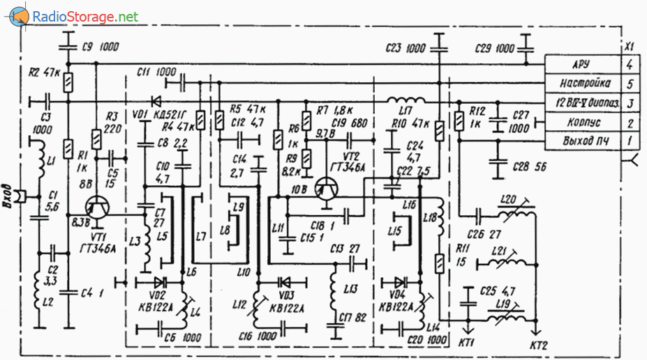
Рис. 2. Принципиальная схема селектора каналов СК-М-24.
Селектор каналов СК-Д-24
Селектор каналов дециметрового диапазона СК-Д-24 032.222.016 предназначен для селекции, усиления и преобразования радиосигналов телевидения дециметрового диапазона в промежуточную частоту.Основные технические данные и характеристики:
- Частотный диапазон. мГц . 470 — 790;
- Коэффициент шума, дБ. не более . 11.5;
- Коэффициент усиления, дБ. не менее . 7;
- Номинальное напряжение питания, . В 12;
- Пределы напряжения цепи управления варикапами, . В 0,6 — 25.2 В;
- Номинальное напряжение АРУ. В . 8;
- Глубина регулирования АРУ, дБ, не менее . 24;
- Потребляемый ток, мА, не более . 15;
- Масса, кг, не более . 0,12;
- Габаритные размеры, мм, не более . 93 * 61 * 25;
- Содержание драгоценных материалов: золото — 0,0234 г; серебро — 0,0646 г.

Рис. 1. Принципиальная схема селектора каналов СК-Д-24.
Селектор каналов СК-М-24
Селектор каналов метрового диапазона СК-М-24 0Э2.222.015 предназначен для селекция, усиления и преобразования радиосигналов телевидения метрового диапазона в промежуточную частоту.Основные технические данный и характеристики:
- Частотный диапазон, мГц 4…. 8.5 — 230;
- Коэффициент шума, дБ, не более…. 9,5;
- Коэффициент усиления, дБ, не менее…. 15,5;
- Номинальное напряжение питания, В…. 12;
- Пределы напряжения цепи управления варикапами, В…. 0,6 — 25,2;
- Номинальное напряжение АРУ, В…. 8;
- Глубина регулирования АРУ, дБ, не менее…. 24;
- Потребляемый ток. мА. не более…. 25;
- Касса, кг, не более…. 0,160;
- Габаритные размеры, мм, не более…. 97 * 85,5 * 25;
- Содержание драгоценных материалов: золото — 0,0361 г, серебро — 0,232 г.

Рис. 2. Принципиальная схема селектора каналов СК-М-24.
Потенциометры
Потенциометры, содержащие драгметаллы.
- ППМЛ-М, ППМЛ-И, ППМЛ-ИМ, ППМЛ-Ф, ППМФ-М, ППБЛ-В, РПП, ПТП-1, ПТП-2, ПТП-5, ПЛП-1, ПЛП-2.
- Некоторые потенциометры не подходят для продажи, так как внутри проволока встречается из нихрома или манганина.
Реле отечественного и импортного производства, содержащие драгметаллы.
- РЭС7, РЭС8, РЭС9, РЭС10, РЭС14, РЭС15, РЭС22, РЭС32, РЭС34, РЭС37, РЭС48, РЭС78.
- РП3, РП4, РП5, РП7, РПС3, РПС4, РПС5, РПС7, РПС11, РПС15, РПС18, РПС20, РПС24, РПС32, РПС34, РПС36.
- ДП12, РКН, РКНМ, РКМ-1, РКМ-1Т, РКМ-П, РЭК43, РЭН-33, ТРА, ТРВ, ТРЛ, ТРМ, ТРН, ТРП, ТРТ, РТН, ТРСМ-1, ТРСМ-2, РВМУ-1, РКП Е-506, СК-594, РВ-5А, РТС-5.
- Перечисленные реле подходят не все, а только с определёнными паспортами и до определённого месяца и года выпуска.
- Реле РЭС-6, РЭС-22, РЭС-32 с белыми контактами в целом виде не подходят для продажи, снимайте алюминиевый корпус (крышку) и проверяйте цвет контактов. Если белые, то делайте срезку контактов.
- Реле РЭС-22, РЭС-32 в целом виде покупаем только с жёлтыми контактами. Срезку контактов не надо делать, присылайте или привозите реле с целыми корпусами, так как на корпусе находится маркировка. А это, в свою очередь, напрямую влияет на цену реле.
- Реле РЭС-9 с паспортами 00 01 и 200 стоят 2 рубля/ед..
- У реле РЭС-10 при демонтаже должны быть сохранены внешние выводы (ноги). Без выводов данное реле существенно дешевле.
- Реле РЭС-47, РЭС-49, РЭС-60 в целом виде покупаем на вес, отправлять Почтой России не особо рентабельно. Возможно разобрать данные реле на жёлтые контакты-пластинки и в таком виде отправлять. Цена в этом случае будет высокой.
Учет драгметаллов при списании объектов ОС.
Списание федерального имущества осуществляется в порядке, установленном Постановлением Правительства РФ от 14.10.2010 № 834, а имущества субъектов РФ, муниципального имущества – по правилам, установленным решениями высшего исполнительного органа субъекта РФ, местной администрации соответственно.
Решение о списании объектов ОС принимается комиссией по поступлению и выбытию активов, созданной в автономном учреждении (п. 1 ст. 296, ГК РФ, ч. 1 ст. 3 Федерального закона от 03.11.2006 № 174-ФЗ «Об автономных учреждениях»):
-
в отношении недвижимого и особо ценного движимого имущества, которое закреплено за ним собственником или приобретено за счет средств, выделенных собственником на его приобретение, – по согласованию с собственником имущества;
-
в отношении остального имущества – самостоятельно.
Списание основных средств оформляется актом о списании объектов нефинансовых активов (кроме транспортных средств) (ф. 0504104). Разборка и демонтаж основных средств до утверждения и согласования соответствующего акта не допускаются.
При ликвидации (списании) объекта основных средств учреждение изымает из него детали, содержащие драгоценные металлы и их сплавы, классифицирует вторичное сырье по видам и определяет нормативы извлечения драгметаллов при обработке (переработке) по этим видам. Такое изъятие учреждение может производить самостоятельно либо с привлечением организаций, осуществляющих деятельность по обработке (переработке) лома и отходов драгоценных металлов (п. 23 Инструкции № 231н).
При списании основного средства и при невозможности отбора для проведения анализа представительной пробы от образовавшихся лома и отходов учреждения ведут учет драгметаллов, входящих в их состав, в пересчете на массу химически чистых драгоценных металлов на основании сведений о содержании драгоценных металлов, имеющихся в технической документации (паспортах, формулярах, руководствах по эксплуатации) (п. 22 Инструкции № 231н).
Списание основного средства оформляется актом ликвидации, в котором указываются отдельно общая масса изъятых деталей, а также масса драгоценных металлов в пересчете на массу химически чистых драгоценных металлов согласно сведениям первичных учетных документов и (или) технической документации на данный объект.
Далее основное средство списывается с карточек складского учета, и одновременно изъятые детали приходуются в карточках учета отходов по общей массе отходов и массе содержащихся в них драгоценных металлов в химически чистом виде согласно технической документации (п. 23 Инструкции № 231н).
Изъятые при демонтаже (разборке) основных средств детали, лом и отходы драгметаллов должны храниться в специальных помещениях в несгораемых шкафах, металлических ящиках или сейфах. По окончании рабочего дня они должны закрываться, опломбировываться или опечатываться и сдаваться под охрану. Вскрытие мест хранения ценностей должно производиться материально ответственным лицом, при его отсутствии – комиссией, назначаемой приказом руководителя учреждения, с составлением акта вскрытия (п. 41 Инструкции № 231н).
В силу п. 25, 43 СГС «Основные средства», п. 51 Инструкции № 157н списание основного средства с учета отражается по балансовой стоимости вместе с начисленной ранее амортизацией и убытком от обесценения (при наличии).
Как указано в п. 25, 106, 118 Инструкции № 157н, изъятые при демонтаже (разборке) основных средств детали, содержащие драгметаллы, подлежат оприходованию в составе материальных запасов на счете 0 105 36 000 «Прочие материальные запасы – иное движимое имущество учреждения» по текущей оценочной стоимости (справедливой стоимости) на дату их принятия к учету. Определяется такая стоимость комиссией учреждения по поступлению и выбытию нефинансовых активов методом рыночных цен (п. 54 СГС «Концептуальные основы»).
Для определения справедливой стоимости лома и отходов драгметаллов можно использовать учетные цены на аффинированные драгметаллы, установленные ЦБ РФ.
Оприходование деталей осуществляется на основании приходного ордера на приемку материальных ценностей (ф. 0504207) и требования-накладной (ф. 0504204). Эти документы составляются на основании акта о списании объектов нефинансовых активов (ф. 0504104), в котором проставляется отметка о получении материалов в реквизите «Результаты выбытия».
Также на основании указанного акта в инвентарной карточке учета нефинансовых активов (ф. 0504031), в разд. 3 «Движение объекта основных средств» делается запись о выбытии объекта основных средств.
Селектор каналов скм 24 2 схема
Работая со школьниками уже много лет, не понаслышке знаю о том, что почти каждый школьник мечтает о связи. И мобилка здесь как раз не причем. Другое дело, что современных конструкций для новичков много. Правда, нужно признать, что они как раз и не для новичков. А время 6П3С уже ушло. Так как удовлетворить голод на простые передатчики? Думаю, нет необходимости говорить, что советы купить айком или даже UW3DI абсурден. Для двенадцатилетнего подростка этот вариант никто рассматривать не будет (разве что папа — радиолюбитель что-то предпримет). В литературе можно найти множество схем радиомикрофонов. Но только человек несведующий может подумать, что они могут работать. Нестабильность частоты, внешние наводки, случайное питание сводят на нет простоту схемы и. разочарование подчас на всю жизнь. Для того, чтобы все-же удовлетворить интерес на передатчики — игрушки, работающие на расстояние в несколько десятков метров (а других требований ребята, как правило и не ставят) и была разработана несложная конструкция выходного дня — передатчик «Регата», лауреат нескольких выставок творчества радиолюбителей — конструкторов Мариуполя.
В качестве задающего генератора передатчика использован готовый узел стандартного телевизора – блок селектора метровых волн СК-М-24. Напомню, что селектор представляет собой преобразователь частоты каналов метровых волн, состоящий из двух поддиапазонов 1-5 и 6-12 телевизионных каналов. В данном передатчике использован первый из поддиапазонов (1-5 каналы). Спектр частот принимаемых сигналов составляет 48,5…100 МГц. Гетеродин блока при этом перекрывает диапазон частот на 38 МГц выше, т.е. 86,5 … 138 МГц. Таким образом, для получения частот FM диапазона 100 … 108 МГц достаточно использовать частоту гетеродина в качестве задающего генератора и передатчик готов. Для этого необходимы минимальные переделки. В схеме блока СК-М-24-2 транзистор VT5 выполняет функцию гетеродина данного поддиапазона, а смеситель VT3 требуется перевести в режим усиления сигнала гетеродина 100 … 108 МГц. Для этого в катушке L 21 требуется смотать лишние витки, оставив 8 витков из имеющихся 24-х. Для вывода сигнала генератора использован разъем блока «выход ПЧ», с включенным в разрыв дополнительным конденсатором С9 (рис. 1). Для перекрытия нужного участка 100 … 108 МГц на вывод 4 блока СК-М-24 (настройка) необходимо подать регулируемое напряжение в диапазоне примерно 5,5 … 8 V. На схеме рис. 1 для этой цели использован переменный резистор R8, а пределы регулировки частоты при необходимости можно скорректировать подбором резисторов R7 и R9. Для модуляции звуковым сигналом используется усилитель на транзисторе VT1, сигнал с которого через регулятор «Уровень» подмешивается в напряжение перестройки частоты (вывод 4 блоки СК-М-24). При использовании динамического микрофона можно обойтись и без микрофонного усилителя. Частотная модуляция получается за счет изменения емкости варикапа гетеродина под действием звукового сигнала. Микрофон подключается к выводам 1 и 2 XS1, а сигнал с магнитофона поступает с выводов 3 и 5 XS1 (вывод 2 остается общим) через делитель напряжения R1, R1-a, R5.

Выходное гнездо ПЧ используется для подключения антенны, в качестве которой может служить кусок провода длиной 1-1,5 метра. Приемником может служить любой приемник с ФМ — диапазоном. Данная конструкция может помочь при организации различных соревнований как «рупор» судейской коллегии, как своего рода трансляция в детских лагерях отдыха и т.п. Качество сигнала, стабильность частоты и модуляция достаточно высокие.
Модификации конденсаторов КМ
Производили следующие модификации конденсаторов: КМ-3, КМ-4, КМ-5, КМ-6.
КМ-4, КМ-5, КМ-6 — могут быть 1 или 2 типа, КМ-3 — только 2 типа.
Конструктивные варианты исполнения:
— неизолированные, разнонаправленные выводы: КМ-3а, КМ-4а, КМ-5а — неизолированные, однонаправленные выводы: КМ-3б, КМ-4б, КМ-5б — изолированные, однонаправленные выводы: КМ-3б, КМ-4б, КМ-5б, КМ-6(а, б) — незащищенные: КМ-3в, КМ-4в, КМ-5в
Диапазон номинальных емкостей:
КМ-3 680 пФ — 22 нФ КМ-4 16 пФ — 47 нФ КМ-5 16 пФ — 0,15 мкФ КМ-6 120 пФ — 2,2 мкФ
Распределение КМ по значению номинального напряжения (В) и группам ТКЕ:
П33
МПО
М47
М75
М750
М1500
Н30
Н50
Н90
Старый приёмник на новый лад
Старый приёмник на новый лад
Сообщение СВД » 15 окт 2018, 10:50
Хочу открыть тему посвященную модернизации старых радиоприёмников. Так как все они имели схожую схемотехнику, подбирая название этой темы не стал ограничиваться какой-то определённой моделью. Сегодня речь пойдёт о старой знакомой “Селге 404”. В своё время это был один из наиболее массовых радиоприёмников Страны Советов. Вот и я оказался его счастливым обладателем в день моего 11-летия в далёком 1977-м году. Много с тех пор воды утекло. Ни страны, ни её прекрасного радиовещания не осталось. Сам поизносился. Но приёмник эпохи “развитого социализма” благополучно дожил до “цифровой экономики”(не к ночи буде помянута). И будучи не в силах отмахнуться от этого факта, захотелось мне максимально приспособить его к нынешним непростым условиям приёма. Тем более, что подавляющее большинство новомодных цифровых радиоприёмников на СВ и ДВ показывают крайне убогий результат. Итак, приступим! Старожилы форума наверно помнят о моём первом “подходе к снаряду” несколько лет назад. Тогда я доработал УПЧ Селги, введя в него пьезокристаллический фильтр.










голоса
Рейтинг статьи
Лампы генераторные серий ГИ, ГМИ, ГС, ГУ
Лампы, содержащие драгметаллы.
- ГС-23Б, ГС-36Б, ГИ-19Б, ГМИ-2Б, ГМИ-4Б, ГМИ-5, ГМИ-6, ГМИ-6-1, ГМИ-7, ГМИ-7-1, ГМИ-10, ГМИ-11, ГМИ-14Б, ГМИ-19Б, ГМИ-21-1, ГМИ-24Б, ГМИ-26Б, ГМИ-27А, ГМИ-27Б, ГМИ-32Б, ГМИ-32Б1, ГМИ-38, ГМИ-42Б, ГМИ-83В, ГМИ-89, ГМИ-90
- ГУ-19-1, ГУ-29, ГУ-34Б, ГУ-34Б1, ГУ-43А, ГУ-43Б, ГУ-50, ГУ-70Б, ГУ-71, ГУ-72, ГУ-73Б, ГУ-73П, ГУ-74Б, ГУ-78Б, ГУ-84Б
- ГКД1-600/5, ТГИ1-2500/50, ТГИ1-2000/35, ЛИ-604 К-1, ЛИ-705, ЛИ-702-1, ЛИ-703, 5МГЦ резонатор, Кварц К3, Разрядник РР-7, Клистрон К-12, Клистрон К-351, Клистрон К-352
- Генераторные лампы покупаем до 01.1991 года выпуска. На цену ламп влияет наличие знака «ромб» и ряд других факторов.
- Радиолампы от телевизоров СССР без упаковки и б/у радиолампы не покупаем. Более подробно на странице «Лампы».
Селектор каналов СК-М-24
Селектор каналов метрового диапазона СК-М-24 0Э2.222.015 предназначен для селекция, усиления и преобразования радиосигналов телевидения метрового диапазона в промежуточную частоту.Основные технические данный и характеристики:
- Частотный диапазон, мГц 4. 8.5 — 230;
- Коэффициент шума, дБ, не более . 9,5;
- Коэффициент усиления, дБ, не менее . 15,5;
- Номинальное напряжение питания, В . 12;
- Пределы напряжения цепи управления варикапами, В . 0,6 — 25,2;
- Номинальное напряжение АРУ, В . 8;
- Глубина регулирования АРУ, дБ, не менее . 24;
- Потребляемый ток. мА. не более . 25;
- Касса, кг, не более . 0,160;
- Габаритные размеры, мм, не более . 97 * 85,5 * 25;
- Содержание драгоценных материалов: золото — 0,0361 г, серебро — 0,232 г.

Рис. 2. Принципиальная схема селектора каналов СК-М-24.
Схема подключения модулей СК-Д-24 и СК-М-24

Рис. 3. Схема подключения селекторов каналов СК-Д-24 и СК-М-24.
Приемник предназначен для приема звукового сопровождения телепрограмм. Он выполнен, в основном, на доступной элементной базе (селекторы каналов СКМ-24 и СКД-24, узел фиксированных настроек УСУ-1-15, и УКВ-ЧМ приемный тракт на микросхеме ТА2003Р).
В основе устройства лежит всеволновый УКВ-ЧМ приемник. Разница состоит в использовании более доступных и дешевых узлов от цветных телевизоров линейки 2-УСЦТ-4 УСЦТ, — высокочастотных блоков СКМ-24 и СКД-24 и узла УСУ-1-15. Функционально, схема приемника разбита на пять законченных узлов — готовых блоков СКМ-24, СКД-24, УСУ-1-15 и самодельного блока ПЧ на микросхеме ТА2003Р.
Общая принципиальная схема показана на рисунке 1. Пояснений не требуется. СКМ-24, СКД-24 и УСУ-1-15 включены по схеме, аналогичной типовой. Источник питания трансформаторный на Т1. Для получения напряжения настройки используется еся вторичная обмотка Т1. Напряжение 12 В получается при помощи интегрального стабилизатора А1, а напряжение 4,5 В для питания тракта ПЧ — параметрическим стабилизатором на VD2.
Принципиальная схема тракта ПЧ показана на рисунке 2. Сигнал промежуточной частоты 31,5 МГц с выхода СКМ-24 поступает через С2 на вход УРЧ, имеющегося в составе А1. Входной контур отсутствует, в качестве такового выступает выходной контур СКМ-24. На выходе УРЧ (вывод 15) включен контур L1 С3 настроенный на 31,5 МГц. С выхода УРЧ, по внутренним цепям микросхемы сигнал поступает на преобразователь частоты. Гетеродин так же входит в состав А1, его контур, настроенный на 25 МГц, подключен на вывод 13 А1.
Сигнал промежуточной частоты 6,5 МГц выделяется плюсовым пьезокерамическим фильтром Q1 на 6,5 МГц от тракта ПЧ (СМРК) телевизора типа 3-4УСЦТ.Далее следует частотный детектор, в нем работает контур С6 L3, настроенный на промежуточную частоту 6,5 МГц. Резистор R1 немного понижает добротность контура чтобы снизить искажения при детектировании.
Тракт ПЧ собран на печатной плате из одностороннего фольгированного стеклотекстолита. Для намотки катушек тракта ПЧ используются каркасы с ферритовыми лодстроечниками и экранами от модулей СМРК-1-4, СМРК-1-6, СМРК-1-2 телевизоров серии 3-УСЦТ. Катушки L1 и L2 содержат по 5 витков, катушка L3 — 16 витков. Все намотаны проводом ПЭВ 0,28. Пьезокерамический фильтр ФП1П8-62-02 (на частоту 6,5 МГц, полосовой, от тракта ПЧЗ телевизора 3-4-УСЦТ). Выпрямительный мост КЦ407можно заменить на КЦ405, КЦ402 или собрать его на диодах.
Трансформатор используется готовый маломощный трансформатор китайского производства, имеющий две вторичные обмотки по 12 В (одна обмотка на 24 В с отводом посредине). Его можно заменить любым другим силовым трансформатором мощностью до 10-15 Вт, выдающий такие же вторичные напряжения. Либо перемотать вторичную обмотку другого, такого же по мощности, трансформатора.
В настройке нуждается только тракт ПЧ. При наличии ВЧ-генератора нужно настроить контура на частоты, подписанные на схеме. Если генератора нет, можно в качестве такового использовать радиотракт исправного телевизора типа 3-УСЦТ. Нужно снять СКМ-24 с телевизора, и на вход тракта ПЧ телевизора подать сигнал (посредством коаксиального кабеля) от выхода СКМ-24 данного приемника.
Подключить к приемнику антенну и настройкой УСУ-1-15 настроиться на сигнал любого телецентра. Далее, выключить телевизор, отключить от него выход СКМ-24 приемника, и подключить его на вход настраиваемого тракта ПЧ
Теперь остается осторожно последовательно подстраивая контура L2 С4, L3 С7 и L1 СЗ достигнуть качественного приема звукового сопровождения
Следует заметить, что такой вид настройки требует большого времени и не всегда бывает удачным, поэтому, все же желательно работать с генератором.
Где и какие драгметаллы содержатся?
К сожалению, современное производство старается максимально удешевить все, что только можно, а поэтому сравнительно новая техника если и содержит драгоценные металлы, то совершенно в незначительных количествах. По крайней мере, из бытовых приборов и другой достаточно широко распространенной техники на данный момент не получится выделить что-либо действительно стоящее, поэтому стоимость таких устройств и деталей стремится к нулю, как только они теряют практическую ценность.
Совсем другое дело — техника и электроника, произведенная в советское время, особенно если эта техника создавалась не для массового пользования, а для интересов государства. Ресурсов на разработку и производство подобных устройств не жалели, поэтому многие приборы даже в единичном экземпляре содержат достаточно драгоценных металлов, чтобы их стоимость оценивалась в несколько тысяч и больше.
Какие драгоценные металлы можно найти?
В большинстве случаев использовались серебро и золото, по причине их сравнительной дешевизны и достаточно широкого распространения. Однако, эти драгметаллы далеко не единственные, которые можно встретить в радиодеталях, и другие металлы порой стоят во много раз дороже золота.
Есть шанс встретить следующие драгметаллы в радиодеталях:
В некоторых случаях можно встретить и редкоземельные металлы некоторых видов. Шанс последнего варианта сравнительно невелик, поскольку дорогостоящее производство и применение редкоземельных металлов в составе радиодеталей должно быть обусловлено необходимостью и целесообразностью. Массовое производство бытовых приборов, естественно, такую необходимость не создавало даже во времена СССР, а потому и шанс на успешные поиски невелик.
Какие приборы содержат драгметаллы?
Максимальное количество драгоценных металлов находится внутри советской измерительной техники и вычислительных приборов.
Примерами такой техники являются:
- Электронные модели вольтметров;
- Генераторы, в особенности высокочастотные;
- Синтезаторы частот;
- Осциллографы;
- Частометры.
Практически во всех таких устройствах количество деталей, содержащих драгоценные металлы, максимально велико в сравнении с другой техникой. Впрочем, крайности есть и здесь: одни устройства могут иметь до нескольких грамм драгоценных металлов внутри, тогда как другие устройства имеют незначительное количество, не стоящее затрат на поиски и сдачу.
























