На базе микросхемы К176ИЕ5: подробная инструкция
Таймер для инкубатора на К176ИЕ5 с печатной платой практически не нуждается в настройке.
Возможны два варианта:
- Длительная задержка цикла. Находим резисторы R3 и R4, они отвечают за время работы и паузы. Чем выше сопротивление резистора, тем длиннее цикл. Чтобы узнать временной промежуток, нужно засечь, сколько проходит между миганиями диода, и умножить полученную цифру на 32. Подобное реле времени для инкубатора будет переворачивать лотки с яйцами раз в 3-5 часов. При увеличении времени паузы стабильная работа схемы не гарантируется. Кроме того, в этом случае период работы будет близок периоду паузы. Это чревато тем, что яйца будут крутиться как на вертеле на протяжении тех же 3-5 часов.
- Кратковременная задержка цикла. Закоротить резистор R4, отмерить продолжительность 32 миганий и установить фактическое время работы. В этом случае пауза также составит 3-5 часов, однако работу цепь будет выполнять всего 30-50 секунд. Этого вполне достаточно для поворота среднего лотка с куриными яйцами на 180 градусов. Чем крупнее размер, тем меньше ход. Конкретные параметры необходимо настраивать в соответствии с типом яиц, размерами лотка и поворотным механизмом.
Типовой набор комплектующих:
- транзисторы КТ315;
- Реле – РЭС-6, РЭС-22;
- R3 – единицы кОм;
- R4 – сотни кОм, единицы мОм;
- дополнительные резисторы проверяются через диод 9 В и выше.
Для удобства использования рекомендуется сделать деревянную коробку для фиксации платы. Поскольку периоды паузы и работы контролируются только за счет резисторов, настроить таймер достаточно просто.
Самодельное устройство долговечно и не нуждается в уходе. Опасаться нужно механических повреждений. К поломке часто приводят и некачественные детали. Если в базовую плату вносятся изменения и происходит замена резисторов или транзисторов, они должны быть рассчитаны на соответствующую нагрузку.
Не стоит использовать данный таймер для решения нескольких задач, одно устройство включает и выключает конкретную цепь. Для автоматизации других процессов нужно новое реле времени.
К512ПС2 (второй вариант)

Содержит внутри усилитель кварцевого генератора, делитель частоты
на 216 и формирователь
импульсов управления шаговым двигателем.
Микросхемы изготовлены по ТМОП (тугоплавкий металл
— окисел — полупроводник) технологии в сочетании со стандартной технологией комплементарных структур. Применение молибденового затвора, а также дополнительного процесса ионного
подлегирования области канала МОП-структур позволило получить достаточно низкие и воспроизводимые
по величине пороговые напряжения (0,6±0,2 В). Для увеличения плотности упаковки
элементов использована двухуровневая разводка.
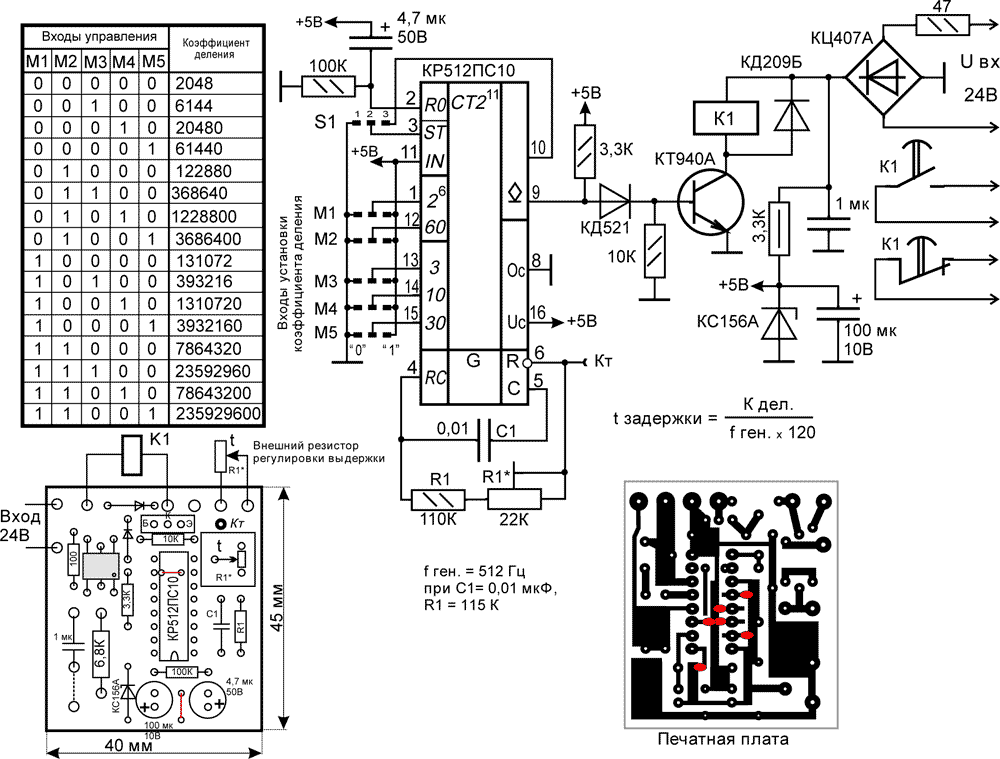
Схема реле времени в микросхеме КР512ПС10
Микросхема КР512ПС10 является многофункциональным интегральным устройством, предназначенным для создания схемы реле времени. Реле времени – это устройство, которое позволяет программно задать определенное время задержки срабатывания или отключения контролируемого процесса.
Схема реле времени на основе микросхемы КР512ПС10 состоит из нескольких блоков:
- Генератор сигналов – генерирует базовый сигнал с заданной частотой;
- Счетчик – подсчитывает количество импульсов, генерируемых генератором;
- Компаратор – сравнивает текущее значение счетчика с заданным временем задержки;
- Управляющая логика – управляет работой счетчика и компаратора;
- Выходной транзистор – осуществляет управление выводом сигнала при срабатывании реле времени.
Схема реле времени в микросхеме КР512ПС10 предоставляет возможность задать время задержки от нескольких миллисекунд до нескольких секунд. Для этого на микросхеме присутствуют выходы с разными вариантами деления счетчика, что позволяет выбрать нужный временной интервал.
Микросхема КР512ПС10 имеет ряд преимуществ по сравнению с аналогичными устройствами. Она обладает высокой стабильностью и точностью, способностью работать в широком диапазоне температур и с низкими напряжениями питания. Благодаря своим компактным размерам, микросхема легко интегрируется в различные электронные устройства.
Применение
Схема реле времени в микросхеме КР512ПС10 находит широкое применение в различных областях:
- Автоматическое управление освещением – микросхема используется для управления включением и выключением осветительных приборов по заданному временному графику;
- Автоматизация процессов в промышленности – реле времени позволяет задерживать или отключать срабатывание определенных механизмов после выполнения предыдущей операции;
- Системы безопасности – микросхема может использоваться для установления задержки перед срабатыванием тревожной сигнализации, что предотвращает случайные срабатывания и ложные тревоги.
Схема реле времени в микросхеме КР512ПС10 обладает высокой надежностью и точностью, что делает ее привлекательным выбором для реализации функций управления временем в разнообразных системах.
Принцип работы и области применения
Электромагнитное реле времени потребляет мало электроэнергии
Самый простой пример, позволяющий понять принцип работы реле, – заведенный на определенное время механический или электронный будильник. Для получения полноценного таймера к нему добавляется исполнительное устройство, выполняющее нужную функцию – подачу питания на люстру или вентилятор, например. Порядок работы такого реле:
- Как только установленный на таймере (часах) временной интервал истек, сигнал управления поступает на катушку реле.
- Сразу вслед за этим его рабочие контакты размыкают или замыкают питающую цепь.
- В результате отключается или включается подсоединенный к ней прибор.
В реальных устройствах подобный режим работы реализуется с учетом заранее заданной задержки по времени.
Таймеры различного типа широко применяются для управления функционированием промышленных установок, а также при включении и отключении бытовых приборов. В качестве коммутируемых домашних нагрузок обычно используются:
- осветительные приборы любого класса;
- различные образцы климатического оборудования;
- вентиляционные системы и подобные им устройства.
Перед тем как сделать таймер включения и выключения электроприборов своими руками, потребуется ознакомиться с разновидностями этих устройств.
Схема импульсного блока питания
Принципиальная схема импульсного блока питания, используемого совместно с таймером, показана на рис. 2. Это восстановленная по печатной плате схема источника питания промышленного изготовления типа FJ-SW1210X, который ранее использовался для питания «автомобильного» телевизора от сети переменного тока.
Обозначения дополнительно установленных деталей начинаются с цифры «1». Схема блока питания относительно стандартная. Напряжение сети переменного тока поступает на мостовой диодный выпрямитель D1 — D4 через помехоподавляющие дроссели 1L1, 1L2, терморезистор RT1 и плавкий предохранитель FUSE. Конденсатор С102 сглаживает пульсации выпрямленного напряжения.
На мощном высоковольтном полевом транзисторе Q102 собран узел преобразователя напряжения. Демпфирующая цепочка реализована на D107, R102, С103. Резистор R105 — датчик тока Q102.
При росте тока через открытый переход Q102, растёт напряжение на выводах резистора R105. Когда оно становится выше 0,7 В, Q1 открывается и шунтирует затвор — исток Q102. Полевой транзистор закрывается.
Резистор R101 нужен для запуска преобразователя после подачи напряжения питания. Стабилитрон ZD1 защищает полевой транзистор от пробоя изоляции затвора. На интегральной микросхеме ІС3 реализован узел стабилизации выходного напряжения, которое задаётся резисторами R202, R201.
Чем больше сопротивление R202, тем выше выходное напряжение блока питания.
Если по различным причинам выходное напряжение БП стремиться увеличиться, то растёт ток через светодиод оптрона ІС1. Это приводит к увеличению тока через фототранзистор оптрона, что приводит к открыванию Q101, таким образом осуществляется стабилизация напряжения на выходе БП.
При неисправности цепи стабилизации возможен мгновенный выход из строя диода Шоттки D201. Конденсаторы С201 и С203 сглаживают пульсации выпрямленного напряжения 12 В. Конденсатор С202 предотвращает самовозбуждение ІС1. Светодиод HL1 светит при наличии напряжения на выходе БП.
Рис.2. Принципиальная схема импульсного блока питания на напряжение 12В и ток 1,2А.
Функции и принцип работы
Устройство является типовым реле времени, которое работает по принципу размыкания электрической цепи через равные промежутки времени. Так задается алгоритм на включение и выключение основных узлов. Таймер автоматизирует процесс поворота лотков в инкубаторе и максимально упрощает уход за яйцами.
Основные задачи:
- включение или отключение освещения;
- регулирование температуры;
- принудительная вентиляция;
- реализация переворота для инкубатора.
Важно отметить, что не каждая микросхема подходит для перенастройки в реле времени. Главное условие – высокое сопротивление подключаемого элемента при низком напряжении тока. Рекомендуется применять платы собранные по КМОП технологии, т.е
с наличием n и p канальных транзисторов
Рекомендуется применять платы собранные по КМОП технологии, т.е. с наличием n и p канальных транзисторов.
Чтобы реле было надежным и долговечным, нужно использовать специализированную схему подключения. Наиболее простые в реализации:
- К176ИЕ5;
- КР512ПС10.
Первый таймер выполняет цикл:
- включение;
- настраиваемая пауза;
- подача импульсов на светодиод (32 шт.);
- отключение резистора;
- подача заряда на узел;
- размыкание цепи;
- повтор.
Главное достоинство данной схемы в ее простоте. Любой шаг может быть настроен в соответствии с особенностями технологического процесса созревания яиц.
Схема К176ИЕ5
Схема КР512ПС10 не намного сложнее, однако обладает расширенным функционалом, который достигается за счет наличия предустановленных входов с заданными коэффициентами деления. Для наглядности рассмотрим чертеж:
Схема КР512ПС10
Чтобы задать временной интервал, необходимо настроить R1, C1 и установить соответствующее число перемычек. Доступные конфигурации:
- 0,1-60 секунд;
- 1-60 минут;
- 1-24 часа.
При необходимости есть возможность расширить временной интервал до 2-3 суток, однако это потребует установки более мощных резисторов. В отличие от предыдущей схемы, КР512ПС10 работает нециклично, доступны два режима:
- переменный, задается перемычкой S1, цепь размыкается через равные промежутки, время работы равно времени простоя;
- постоянный, цепь включается с установленной задержкой и не размыкается до тех пор, пока не отключить питание.
Обе схемы продаются в магазинах радиотоваров. Если воспользоваться инструкцией, их подключение не вызовет сложностей даже у новичков
Рассмотрим, как сделать самодельный таймер для инкубатора, и определим основные моменты, на которые стоит обратить внимание
Приборы с механической шкалой
Одним из приборов, который имеет механическую шкалу, является бытовой таймер. Работает он от обычной розетки. Такой прибор позволяет управлять домашней техникой в определенном диапазоне времени. В нем установлено «розеточное» реле, которое ограничено суточным циклом срабатывания.
Для использования суточного таймера его нужно настроить:
- Приподнять все элементы, которые располагаются по дисковой окружности.
- Опустить все элементы, которые отвечают за настройку времени.
- Прокручивая диск, установить его на текущий промежуток времени.
К примеру, если элементы опущены на шкале, отмеченной цифрами 9 и 14, то нагрузка активируется в 9 часов утра и будет выключена в 14:00. За сутки можно создать до 48 включений аппарата.
Для этого нужно активировать кнопку, которая находится на боковой части корпуса. Если ее запустить, таймер включится в срочном режиме, даже если он был включен.
Кр512пс10 схема реле времени:
Кр512пс10 – это микросхема, предназначенная для создания схем реле времени. Она имеет широкий спектр применения и может использоваться, например, для управления освещением, системами безопасности, отоплением и другими устройствами, связанными с контролем времени.
Принцип работы микросхемы основан на использовании электромагнитной реле – устройства, позволяющего открыть или закрыть электрическую цепь под действием электромагнитного поля. Кр512пс10 содержит таймеры и счетчики, которые позволяют устанавливать нужное время задержки перед открытием или закрытием контактов реле.
Микросхема имеет небольшой размер и может быть встроена в различные электрические устройства. При помощи дополнительных компонентов, таких как резисторы, конденсаторы и транзисторы, можно настроить микросхему для выполнения конкретных функций. Например, можно установить задержку перед включением или выключением освещения, чтобы создать эффект плавного затухания или постепенного повышения яркости.
Использование Кр512пс10 упрощает процесс создания схем реле времени, так как микросхема уже содержит все необходимые компоненты и схемы. Однако, для настройки и подключения микросхемы необходимо уметь читать схемы соединений и иметь некоторые базовые навыки работы с электронными компонентами.
Для работы с микросхемой Кр512пс10 также может потребоваться использование внешних источников питания, так как некоторые функции микросхемы могут потреблять большое количество энергии. Также необходимо иметь в виду, что микросхема работает с определенным диапазоном входных и выходных напряжений, поэтому необходимо правильно подобрать источник питания и выполнить соответствующие настройки.
В целом, микросхема Кр512пс10 является удобным и эффективным инструментом для создания схем реле времени. Она позволяет контролировать и управлять электрическими устройствами в зависимости от заданных временных интервалов, что делает ее незаменимой в различных сферах применения.
Сфера применения реле времени
Человек всегда стремился облегчить себе жизнь, внедряя в обиход разные приспособления. С появлением техники на базе электродвигателя встал вопрос об оснащении ее таймером, который управлял бы этим оборудованием автоматически.
Включил на заданное время — и можно идти заниматься другими делами. Агрегат по истечении установленного периода сам отключится. Вот для такой автоматизации и потребовалось реле с функцией автотаймера.
Классический пример рассматриваемого устройства – это в реле в старой стиральной машинке советского образца. На ее корпусе имелась ручка с несколькими делениями. Выставил нужный режим, и барабан крутится в течение 5–10 минут, пока часики внутри не дойдут до нуля.
Электромагнитное реле времени небольшое по габаритам, потребляет мало электроэнергии, не имеет ломающихся подвижных частей и долговечно
Сегодня реле времени устанавливают в различную технику:
- микроволновки, печи и иную бытовую технику;
- вытяжные вентиляторы;
- системы автополива;
- автоматику управления освещением.
В большинстве случаев прибор делают на основе микроконтроллера, который одновременно и управляет всеми остальными режимами работы автоматизированной техники. Производителю так дешевле. Не надо тратиться на несколько отдельных устройств, отвечающих за что-то одно.
По типу элемента на выходе реле времени классифицируют на три вида:
Наиболее надежен и устойчив к всплескам в сети первый вариант. Устройство с коммутирующим тиристором на выходе следует брать, только если подключаемая нагрузка нечувствительна к форме питающего напряжения.
Чтобы самостоятельно изготовить реле времени, также можно воспользоваться микроконтроллером. Однако самоделки в основном делаются для простых вещей и условий работы. Дорогой программируемый контроллер в такой ситуации – лишняя трата денег.
Есть гораздо более простые и дешевые в исполнении схемы на основе транзисторов и конденсаторов. Причем вариантов существует несколько, выбрать для своих конкретных нужд есть из чего.
Импульсный блок питания на транзисторах и таймер на КР512ПС10 (12В-1,2А)
Микросхема «КРПС10» временное устройство с переменным коэффициентом деления — предназначена для применения в бытовых таймерах и устройствах управления временной задержкой, электромеханических часах, реле времени и в качестве генератора импульсов низкой и инфранизкой частоты. Микросхема представляет собой RC-генератор и управляемый делитель частоты с переключаемым коэффициентом деления, состоящий из нескольких счетчиков, коммутируемых подачей сигналов высокого уровня на установочные входы. Максимальное значение коэффициента деления составляет Микросхема изготовлена по технологии КМОП.












Кравцова Виталия Николаевича. Представленные конструкции уникальны. Реле времени широко применяются в быту и промышленной автоматике для получения задержки включения или отключения различных устройств, в схемах сигнализации, в различных бытовых приборах для ограничения времени работы этих устройств, если забыли их выключить. Данные устройства можно использовать для отключения освещения в ванной комнате или туалете через заданное время, автоматического отключения дежурного освещения в подъезде дома или гараже, включения охранной сигнализации через некоторое время, после того, как Вы покинули охраняемый объект, в качестве таймера газовой или электроплиты, чтобы не забыть про оставленный пирог, автоматического отключения электроутюга и т. Как правило, в схемах реле времени используют специализированные микросхемы — счётчики с предустановкой коэффициента деления и встроенным задающим генератором, что позволяет изменять параметры устройства в очень широких пределах.









Для экономии электроэнергии, увеличения срока службы радиоаппаратуры и повышения безопасности её использования целесообразно ограничивать время работы различных аппаратов от электросети В переменного тока. Для реализации такой функции потребуется таймер, который после истечения заданного времени обесточит подключенную к нему нагрузку. Конструкция, о которой пойдёт речь, представляет собой два различных устройства, электрически соединённые вместе — аналоговый таймер и импульсный блок питания. К выходу таймера можно подключить и другие аппараты, рассчитанные на питание от напряжения сети В, например, блоки питания оргтехники, видеопроигрыватели, энергосберегающие электролюминесцентные и светодиодные осветительные лампы, зарядные устройства, мобильные телевизоры, фоторамки. Возможно также подключение к этому таймеру обычных трансформаторных БП, сетевых электропаяльников, ламп накаливания и другой нагрузки, потребляющей мощность до 30 Вт. Этот таймер особенно удобно применять на железнодорожном и автотранспорте для ограничения времени работы потребителей электроэнергии, работающих от преобразователей напряжения постоянного тока в В переменного тока, что экономит ресурс бортовых и резервных аккумуляторов и снижает нагрузку на автономные генераторы напряжения.







512ПС11

Любопытная микросхема из относительно поздних разработок серии —
в справочниках она встречается уже только с середины 90-х годов.
512ПС11 представляет собой КМОП БИС преобразователя частота-код, предназначенную
для преобразования аналоговой информации частотных датчиков в 16-разрядный двоичный
либо двоично-десятичный код для последующей цифровой обработки,
а также для создания частотомеров, измерителей интервалов времени,
таймеров, делителей с произвольным коэффициентом деления.
Справочный лист на неё.
В структурную схему БИС входят два счетчика (периодов и импульсов), позволяющих
организовать сравнения двух частот. Микросхема имеет два режима работы: однократного
преобразования частоты и непрерывного преобразования частоты в код. БИС может
использоваться в системах с ограниченным энергопотреблением.
Производитель здесь тоже довольно необычен — это
малоизвестный московский завод «Цвет». Причем 1993 год — последний, когда на нём ещё
жило производство, так что микросхема из самого конца истории…
![]()
1. Гойденко П. П., Цуканов Л. Н., Черных А, Г.
Микросхемы К512ПС2 и К512ПС3 на КМОП-структурах с напряжением питания
1,2-1,5 В. — «Электронная промышленность»
№ 8, 1978.
2. Чернуха Б.Н. Микросхемы серии К512. — «Электронная
промышленность» №4, 1982.
3. Каталог интегральных микросхем. Том 1. Центральное конструкторское бюро. 1986.
4. Микросхемы интегральные народнохозяйственного
назначения. Группа 6331. Сборник справочных листов. РД 11 0435.2-88.
Издание официальное. ВНИИ «Электронстандарт», 1989
5. АИПС «Меркурий». Каталог интегральных микросхем. Часть 2.
Приборы производственно-технического назначения и народного потребления. —
ЦКБ «Дейтон», редакция 1990г.
6. Каталог. Цифровые и аналоговые интегральные микросхемы. Часть 2. Условные графические обозначения,
назначения выводов и габаритные чертежи корпусов. — ГУП Центральное конструкторское бюро «Дейтон», 1998.
7. Нефедов А.В. Интегральные микросхемы и их зарубежные аналоги:
Справочник. Т. 4. — М.: ИП РадиоСофт, 1999.
8. «Пульсар». Прошлое… Настоящее… Будущее… : Очерки об истории
полупроводниковой электроники / Под ред. A. Г. Васильева — М. : Техносфера,.
Альтернативные варианты
Таймера для инкубатора собирается и на платах типа:
- MC14536BCP;
- CD4536B.
Эти микросхемы отличаются тем, что имеют более высокий диапазон питания, до 18 В. На практике получаем расширение по мощности используемых транзисторов, соответственно время паузы и работы увеличивается.
Механизм настройки точно такой же:
- отмерять мигание диода;
- закоротить резистор, отвечающий за паузу;
- замерять точное время работы;
- установить параметры;
- поместить плату в защитный корпус.
В бытовом применении необходимость в подобных решениях возникает редко. Однако на базе указанных плат легко можно сделать реле времени для нагревательного элемента, а в дальнейшем модернизировать его и использовать в качестве автоматики для кормления и подачи воды цыплятам.
В специализированных магазинах продаются уже готовые таймеры для инкубаторов. Поценные варианты в большинстве случаев сделаны в Китае, поэтому качество их работы не всегда находится на высоком уровне.
Сделать реле времени самостоятельно не сложно. Процесс не займет больше 30-40 минут. В результате получите надежную автоматику, четко заточенную под параметры вашего инкубатора.
Детали и конструкция
Постоянные резисторы могут быть типа С1-4, С1-10, С1-14, С2-23, МЯТ, РПМ и аналогичные соответствующей мощности. Переменный резистор R4 предпочтительнее применить малогабаритный импортный. При использовании отечественного следует учитывать, что «наши» переменные резисторы могут иметь отклонение более 40 % от указанного на корпусе номинала, что усложнит настройку.
Автор применил импортный переменный резистор сопротивлением 99,2 кОм от узла настройки на канал от телевизора-радиоприёмника «Siesta». Ось применённого резистора пластмассовая, на неё надета регулировочная ручка из полистирола.
Дисковый варистор MYG10-471 можно заменить на FNR-10K471, FNR-14K471, INR14D471, INR14D511. Все дроссели малогабаритные промышленного изготовления от компьютерных устройств.
Если сопротивление обмотки дросселя L1 будет меньше 4 Ом, то последовательно с ним нужно включить проволочный резистор мощностью 2 Вт, если больше 7…8 Ом, то, возможно, придётся уменьшить максимальную мощность подключаемой нагрузки. Конденсаторы С1, С3 — С6 — высоковольтные керамические. Конденсатор С8 — SMD, устанавливают как можно ближе к выводам питания DD1.
Оксидные конденсаторы — импортные аналоги К50-68. Конденсатор С7 — плёночный К73-17, К73-24 или импортный аналог.
Диодный мост G2SBA60 рассчитан на ток 2А и напряжение 600 В, можно заменить на GBL06, RBV-406FI, G2SB60, или, например, на четыре выпрямительных диода 1N5406, КД226Г,1 N4006, КД243Ж, КД247Д. Этими же диодами можно заменить диоды 1N4005, 1N4007. Вместо диода FR107 подойдёт UF4007, FR157, FR207, FM207. Диод Шотки SR360 можно заменить на SR306 или MUR460, UF5403, FR303G, SRP300J.
Диод 1SS176S можно заменить на любой из серий 1 N914, 1 N4148, КД512,КД521, КД522.
Стабилитрон GZS12Z можно заменить на 1N4742A, BZV55C-12, TZMC-12 или отечественный 2С212Ц, КС212Ц. Вместо стабилитрона BZV55C-18 подойдёт 1N4746A, TZMC-18. Стабилитрон GZC5.1Z можно заменить на 1N4733A, BZV55C-5V1, TZMC-5V1.
Можно попробовать установить на место VD6 отечественный стабилитрон 2С151Т1. При установке на место ZD1 и, или VD5 отечественных стабилитронов, можно получить неработающую конструкцию или повредить из-за перегрева мощные полевые транзисторы.
Светодиоды RL30-CB744D синего цвета свечения и RL30-DR344S красного — с повышенной светоотдачей. Можно заменить любыми аналогичными, например, из серий КИПД21, КИПД40, КИПД66, L-1513.
Одним из таких светодиодов можно заменить АЛ307К. Вместо оптрона РС817 подойдёт любой четырёхвыводный РС817, PS817S, PS2501-1, РС814, РС120, РС123SFH617А-2, LTV817.
Транзистор 2SA1266 можно заменить на любой из серий SS9015, ВС557, КТ3107, КТ6112. Вместо КТС9013 может работать любой из ВС547, SS9013, SS9014, 2SC1815, КТ3102, КТ645, КТ6111.
Основное требование к VT2 — малый обратный ток коллектора. Полевой транзистор VT1 при мощности нагрузки до 30 Вт работает без теплоотвода. При мощности нагрузки 16 Вт (лампа накаливания) падение напряжения на открытом канале сток-исток не превышает 50 мВ, а с нагрузкой 60 Вт не более 200 мВ. Вместо 2SK1118 можно установить BUZ40B, IRFP450, IRF450, TSD2M450V, КП787А.
Лучшим вариантом на место VT1 будет современный полевой транзистор SPP20N60S5 или STW20NB50, MTW20N50E, SPW47N60C3. Вместо полевого транзистора SSS6N60A подойдёт SSS7N60B, SSS6N60A, SSP10N60B, P5NK60ZF, 2SK2562, P4NK60ZFP. При монтаже полевых транзисторов их необходимо защищать от пробоя статическим электричеством.
Кнопка SB1 любая малогабаритная со свободно разомкнутыми контактами без фиксации положения с пластмассовым толкателем. Если у кнопки есть металлическая обойма, то её соединяют с «минусом» VD1. Этим уменьшается вероятность негативного воздействия на DD1 разряда статики при приближении пальца к толкателю кнопки.
Вместо клавишного выключателя KCD-2011 подойдёт MR21, SWA206A, KCD1-101. Вместо микросхемы TL431A подойдёт любая в корпусе ТО-92 из LM431ACZ, AZ431, AN1431T.
Выводы и полезное видео по теме
Разобраться с нуля во внутреннем устройстве реле времени часто бывает сложно. У одних не хватает познаний, а у других опыта. Чтобы упростить вам выбор нужной схемы, мы сделали подборку видеоматериалов, в которых подробно рассказывается обо всех нюансах работы и сборки рассматриваемого электронного девайса.
Принцип работы элементов реле времени на транзисторном ключе:
Автоматический таймер на полевом транзисторе для нагрузки 220 В:
Пошаговое изготовление реле задержки своими руками:
Собрать самостоятельно реле времени не слишком сложно — есть несколько схем для реализации этого замысла. Все они основаны на постепенной зарядке конденсатора и открытии/закрытии транзистора или тиристора на выходе.
Если нужен простой прибор, то лучше взять транзисторную схему. Но для точного контроля времени задержки придется паять один из вариантов на той или иной микросхеме.
Если у вас есть опыт сборки такого устройства, пожалуйста, поделитесь информацией с нашими читателями. Оставляйте комментарии, прикрепляйте фотографии своих самоделок и участвуйте в обсуждениях. Блок для связи расположен ниже.
Таймеры, реле времени
Для ускорения вентиляции в санузлах устанавливают вытяжные вентиляторы. Обычно вытяжной вентилятор подключают отдельной проводкой через отдельный выключатель, либо подключают его параллельно осветительному прибору.
Но не всегда есть такая возможность, к тому же, хотелось бы что бы вентилятор включался и выключался автоматически, причем выключаться он должен не сразу после выключения света в помещении, а через несколько минут.
Эксперименты показали, что при обычном дневном свете его сопротивление около 10 кОм, а если его накрыть картонной коробкой сопротивление увеличивается до 200 кОм и более. Если в эту же коробку вдобавок к фоторезистору поместить сотовый телефон, положив фоторезистор на его дисплей, и позвонить на него, – сопротивление фоторезистора падает до 3-5 кОм. Таймер выполнен на микросхеме КР512ПС10, которая именно и предназначена для построения схемы таймера. Вкратце, микросхема представляет собой генератор импульсов, их счетчик-делитель и выходной триггер с открытым входом.
Частота генератора импульсов задается RC-цепью R2-C1, затем эта частота делится счетчиком. Коэффициент деления счетчика зависит от включения его входов (таблица 1). В данном случае выдержка времени получается около 30 минут, но её всегда можно изменить как подбором параметров цепи R2-C1, так и изменением подключения выводов согласно таблице 1. Как уже сказано, датчиком включения осветительного прибора служит фоторезистор FR1, вместе с резистором R1 он образует делитель напряжения. Резистором R1 устанавливают такое состояние, чтобы при выключенном свете и закрытой двери на выводе 2 D1 было напряжение логического нуля.
А при включении света это напряжение увеличивалось до логической единицы. Таким образом, при включении света на вывод 2 D1 поступает единица и таймер запускается, выход (вывод 9) закрывается и на базу VT1 поступает напряжение через R3 и R4. Ключ на VT1 открывается и подает напряжение на светодиод оптопары (твердотельного реле) VS1, которое подает питание на вытяжной вентилятор.
Спустя определенное время (около 30 минут, или другое, зависящее от R2, С1 и подключения входов микросхемы), на выводе 9 открывается ключ, который замыкает этот вывод на общий минус. Ключ на VT1 закрывается и оптопара VS1 выключает вытяжной вентилятор. Микросхема D1 питается от источника, состоящего из диода VD1 и параметрического стабилизатора R5-VD2. Конденсатор С2 сглаживает пульсации. Стабилитрон можно заменить другим на напряжение 5- 6V.
Активизировать и отключать бытовую технику можно без присутствия и участия пользователя. Большинство выпускаемых в наши дни моделей оснащено реле времени для автоматического запуска/остановки.
Что делать, если точно так же хочется управлять устаревшим оборудованием? Запастись терпением, нашими советами и сделать реле времени своими руками — поверьте, этой самоделке найдется применение в хозяйстве.
Мы готовы помочь вам осуществить интересную задумку и попробовать свои силы на пути самостоятельного электротехника. Для вас мы нашли и систематизировали все ценные сведения о вариантах и способах изготовления реле. Использование представленной информации гарантирует простоту сборки и отличную работу прибора.




























