Устройство Торех
Указанный амперметр (цифровой) производится с повышенной проводимостью тока. Максимальное давление устройство выдерживает в 80 кПа. Минимальная допустимая температура амперметра равняется -10 градусов. Повышенной влажности указанный измерительный прибор не боится. Устанавливать его рекомендуется рядом с источником тока. Коэффициент деления равняется только 0.8. Максимальное давление амперметр (цифровой) выдерживает в 12 кПа. Потребляемый ток устройства составляет около 0.6 А. Триод используется фазового типа. Для бытового использования данная модификация подходит.
↑ Управление кнопкой
• Короткое нажатие вызывает смену шкалы. Шкалы меняются по кругу («1023», «511», «343», «256» или «204»). На индикаторе загорается максимальное значение шкала на 0,5 секунды, а затем высвечивается значение входного напряжения. • Длительное (0,5 – 1 сек) нажатие перемещает запятую вправо по кругу (после первого, второго знака или без запятой). • Если кнопка удерживается при включении 0,5 — 2 сек, то измеритель ожидает 3 секунды, пока установятся режимы блока питания и записывает величину паразитного тока в память. При этом нагрузка от блока питания не должна быть подключена. Если эту коррекцию надо изменить, то операцию можно повторить. Если коррекцию надо убрать, то кнопку надо удерживать при включении более 3 секунд.
Устройство фазочувствительных модификаций
Фазочувствительные модели продаются на 10 и 12 В. Параметр допустимой ошибки у моделей колеблется в районе 0.2%. Счетчики в устройствах применяются только двухразрядного типа. Микроконтроллеры используются с выпрямителями. Повышенной влажности амперметры данного типа не боятся. У некоторых модификаций имеются усилители. Если заниматься сборкой устройства, то потребуются коммутируемые резисторы. Источником стабильного тока может выступать обычная литий-ионная батарейка. Диод в данном случае не нужен.
Перед установкой микроконтроллера важно припаять фильтр. Преобразователь для литий-ионной потребуется переменного типа. Показатель чувствительности у него находится на уровне 4.5 мк
При резком падении напряжения в цепи необходимо проверить резисторы. Коэффициент деления в данном случае зависит от пропускной способности компаратора. Минимальное давление приборов данного типа не превышает 45 кПа. Непосредственно процесс преобразования тока занимает около 230 мс. Скорость передачи тактового сигнала зависит от качества счетчика
Показатель чувствительности у него находится на уровне 4.5 мк. При резком падении напряжения в цепи необходимо проверить резисторы. Коэффициент деления в данном случае зависит от пропускной способности компаратора. Минимальное давление приборов данного типа не превышает 45 кПа. Непосредственно процесс преобразования тока занимает около 230 мс. Скорость передачи тактового сигнала зависит от качества счетчика.

Микросхема СА3162Е
Но существуют и другие микросхемы аналогичного действия. Например, есть микросхема СА3162Е, которая предназначена для создания измерителя аналоговой величины с отображением результата на трехразрядном цифровом индикаторе.
Микросхема СА3162Е представляет собой АЦП с максимальным входным напряжением 999 mV (при этом показания «999») и логической схемой, которая выдает сведения о результате измерения в виде трех поочередно меняющихся двоично-десятичных четырехразрядных кодов на параллельном выходе и трех выходах для опроса разрядов схемы динамической индикации.
Чтобы получить законченный прибор нужно добавить дешифратор для работы на семисегментный индикатор и сборку из трех семисегментных индикаторов, включенных в матрицу для динамической индикации, а так же, трех управляющих ключей.
Тип индикаторов может быть любым, -светодиодные, люминесцентные, газоразрядные, жидкокристаллические, все зависит от схемы выходного узла на дешифраторе и ключах. Здесь используется светодиодная индикация на табло из трех семисегментных индикаторов с общими анодами.
Индикаторые включены по схеме динамической матрицы, то есть, все их сегментные (катодные) выводы включены параллельно. А для опроса, то есть, последовательного переключения, используются общие анодные выводы.
Детали
Пожалуй, самое труднодоставаемое — это микросхемы СА3162Е. Из аналогов мне известна только NTE2054. Возможно есть и другие аналоги, о которых мне не известно.
С остальным значительно проще. Как уже сказано, выходную схему можно сделать на любом дешифраторе и соответствующих индикаторах. Например, если индикаторы будут с общим катодом, то нужно КР514ИД2 заменить на КР514ИД1 (цоколевка такая же), а транзисторы VТ1-VT3 перетащить вниз, подсоединив их коллектора к минусу питания, а эмиттеры к общим катодам индикаторов. Можно использовать дешифраторы КМОП-логики, подтянув их входы к плюсу питания при помощи резисторов.
К561ИД1 К176ИД1(CD4028A, CD4028)
Микросхемы К561ИД1 и К176ИД1 (CD4028A, CD4028) — универсальный дешифратор. Дешифраторы К561ИД1, К176ИД1 (CD4028A, CD4028) применяется для преобразования входного четырехразрядного двоично-десятичного кода в десятичный или четырехразрядного двоичного в октальный. Дешифраторы К561ИД1, К176ИД1 (CD4028A, CD4028) имеют десять выходов (при октальном, восьмеричном коде используются восемь выходов), а также четыре входа А — D (для получения остального кода необходимы только три входа А — С). Вход D, если на нём напряжение высокого уровня, используется как запрещающий при остальном преобразовании. Если вход D не используется, то на него следует подать ноль напряжения. Все состояния дешифраторов К561ИД1, К176ИД1 (CD4028A, CD4028) перечислены в таблице, где А — вход младшего разряда.
Время задержки распространения от входов до выходов не превышает 290 нс, время установления — менее 150 нс.
На рисунке показана схема преобразователя четырехразрядного кода в десятичный или шестнадцатиричный, т. е. гексадецимальный. Для этой схемы дана таблица кодов. В таблице в первых четырех колонках D—А последовательно перечислено 16 возрастающих состояний двоичного кода от 0000 до 1111. Последующие две колонки отведены гексадецимальным кодам: двоичному и коду Грея, колонки 7…10 содержат четырехразрядные десятичные коды: код «без трех», код Грея «без трех», код Айкена, код формата 4-2—2—1, В колонке номеров выходов указаны выходные высокие уровни. Выбрав номер выхода N (от О до 15), по строке, где зафиксировано, что на этом выходе появилось напряжение высокого уровня, можем определить, какая цифра соответствует в данной ситуации каждому из шести вышеперечисленных кодов. В кодах «без трех» не используются три комбинации, где мало младших единиц В (или наоборот, мало младших нулей Н).
Зарубежным аналогом микросхемы К561ИД1 является микросхема CD4028A, а зарубежным аналогом микросхемы К176ИД1 является микросхема CD4028.
Напряжение питания
3-15 В
Ток потребления при максимальном напряжении питания
1 мА
Время задержки распространения
290 нс
Выходной ток низкого уровня
0,45 мА
Температура окружающей среды
-45…+85оС
Корпус микросхемы
238.16-1
Вход
Коды
Номер выхода
D
C
B
A
Код двоичный 4 бита
Код Грея 4 бита
Код «без трёх»
Код Грея «без трёх»
Код Айкена
Код 4-2-2-1
1
2
3
4
5
6
7
8
9
10
11
12
13
14
15
Н
Н
Н
Н
В
Н
Н
Н
В
1
1
1
1
В
Н
Н
В
Н
2
3
2
2
В
Н
Н
В
В
3
2
3
3
В
Н
В
Н
Н
4
7
1
4
4
В
Н
В
Н
В
5
6
2
3
В
Н
В
В
Н
6
4
3
1
4
В
Н
В
В
В
7
5
4
2
В
В
Н
Н
Н
8
15
5
В
В
Н
Н
В
9
14
6
5
В
В
Н
В
Н
10
12
7
9
6
В
В
Н
В
В
11
13
8
5
В
В
В
Н
Н
12
8
9
5
6
В
В
В
Н
В
13
9
6
7
7
В
В
В
В
Н
14
11
8
8
8
В
В
В
В
В
15
10
7
9
9
В
Вольтметр на основе микропроцессора
Выбор деталей
Перед тем, как сделать вольтметр, специалисты рекомендуют тщательно проработать все предлагаемые в различных источниках варианты. Основное требование при таком отборе – предельная простота схемы и возможность измерять переменные напряжения с точностью до 0,1 Вольта.
Анализ множества схемных решений показал, что для самостоятельного изготовления цифрового вольтметра целесообразнее всего воспользоваться программируемым микропроцессором типа РІС16F676. Тем, кто плохо знаком с техникой перепрограммирования этих чипов, желательно приобретать микросхему с уже готовой прошивкой под самодельный вольтметр.
Особое внимание при закупке деталей следует уделить выбору подходящего индикаторного элемента на светодиодных сегментах (вариант типового стрелочного амперметра в этом случае полностью исключён). При этом предпочтение следует отдать прибору с общим катодом, поскольку число компонентов схемы в этом случае заметно сокращается.. Дополнительная информация
В качестве дискретных комплектующих изделий можно использовать обычные покупные радиоэлементы (резисторы, диоды и конденсаторы)
Дополнительная информация. В качестве дискретных комплектующих изделий можно использовать обычные покупные радиоэлементы (резисторы, диоды и конденсаторы).
После приобретения всех необходимых деталей следует перейти к разводке схемы вольтметра (изготовлению его печатной платы).
Подготовка платы
Детали монтируются на самодельной плате из фольгированного текстолита. Для закрепления элементов в плате высверливаются отверстия. Плату, на которой можно собрать цифровой вольтметр своими руками, можно изготовить самостоятельно. Предварительно на куске плотного картона располагаются заготовленные элементы. Выводами необходимо проткнуть картон. После этого рисуют соединяющие проводники, согласно схеме. Далее рисунок переносится на текстолит. Лаком или эмалью покрываются соединительные дорожки, после чего плату протравливают в растворе и тщательно промывают.
Раствор готовится из следующих компонентов:
- 100 мл перекиси водорода (3%);
- 30 г. (1 ст. л) лимонной кислоты;
- 5 г. (ч. л.) поваренной соли.
К сведению. В случае необходимости можно добавить воды и подогревать раствор, это поможет процессу проходить быстрее. Данная пропорция рассчитана на объём раствора, позволяющий обработать текстолит площадью 10 см2.
Какие драгметаллы содержится в платах
Для печатных плат с драгметаллами при изготовлении применяют химическое никелирование и иммерсионное золочение. Благодаря чему обеспечивается хорошая смачиваемость припоем и плоские контакты площадок для поверхностного монтажа.
Также добавление золота в платы способствует электрометаллизации, препятствует изливанию меди на поверхности через пористый золотой слой покрытий. Иммерсионное золотое покрытие не вредит здоровью человека в отличие от свинцового. Обеспечивает платам более ровную поверхность. Хотя и в какой-то мере ухудшает процесс пайки.
Защитные покрытия в платах могут быть разными для создания дополнительного слоя. Используется серебро, покрывающее контактные перемычки. Площадки у микропечатных плат сначала покрываются никелем, затем иммерсионным золочением толщиной под пайку 0,5 МКМ. Толщина покрытия жестким золотом составляет 0,2-0,5 мкм. Такое напыление применяется для гальванического золочения контактов разъема. Мягкое золото толщиной 3,0 МКМ используется под сварку золотой либо алюминиевой проволокой.
Драгметалл в печатных платах
Драгметаллы серебро и золото в печатных платах измеряется в наномерном диапазоне. Но это затратный процесс. Требует наличия высокотехнологичного оборудования. Значит, перерабатывать платы нецелесообразно. Однако, при создании официального производства объемы перерабатываемого сырья могут быть увеличены благодаря постоянному росту количества электронной техники и ее неизбежному устареванию с годами.
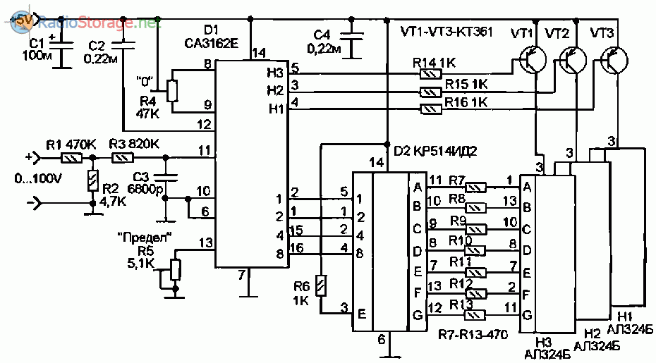
Принципиальная схема вольтметра
Теперь ближе к схеме. На рисунке 1 показана схема вольтметра, измеряющего напряжение от 0 до 100V (0…99,9V). Измеряемое напряжение поступает на выводы 11-10 (вход) микросхемы D1 через делитель на резисторах R1-R3.
Конденсатор C3 исключает влияние помех на результат измерения. Резистором R4 устанавливают показания прибора на ноль, при отсутствии входного напряжения А резистором R5 выставляют предел измерения так чтобы результат измерения соответствовал реальному, то есть, можно сказать, им калибруют прибор.

Рис. 1. Принципиальная схема цифрового вольтметра до 100В на микросхемах СА3162, КР514ИД2.
Теперь о выходах микросхемы. Логическая часть СА3162Е построена по логике ТТЛ, а выходы еще и с открытыми коллекторами. На выходах «1-2-4-8» формируется двоичнодесятичный код, который периодически сменяется, обеспечивая последовательную передачу данных о трех разрядах результата измерения.
Если используется дешифратор ТТЛ, как, например, КР514ИД2, то его входы непосредственно подключаются к данным входам D1. Если же будет применен дешифратор логики КМОП или МОП, то его входы будет необходимо подтянуть к плюсу при помощи резисторов. Это нужно будет сделать, например, если вместо КР514ИД2 будет использован дешифратор К176ИД2 или CD4056.
Выходы дешифратора D2 через токоограничивающие резисторы R7-R13 подключены к сегментным выводам светодиодных индикаторов Н1-НЗ. Одноименные сегментные выводы всех трех индикаторов соединены вместе. Для опроса индикаторов используются транзисторные ключи VT1-VT3, на базы которых подаются команды с выходов Н1-НЗ микросхемы D1.
Эти выводы тоже сделаны по схеме с открытым коллектором. Активный ноль, поэтому используются транзисторы структуры р-п-р.
Какие типы бывают
Аппараты такого рода относятся к приборам, выполняющим непосредственный отсчёт при определении значения напряжения. Основным требованием к таким устройствам считают высокое внутреннее сопротивление. При параллельном подключении к участку, на котором нужно протестировать величину напряжения, он не должен оказывать на него никакого влияния.
Если провести классификацию приборов, измеряющих напряжение, то можно выделить следующие пункты:
- особенность (принцип) работы;
- цель применения;
- структуру и методы использования.
Приборы делят на два вида: электромеханические и электронные. Первые представляют собой конструкцию, в которую входят электромеханический механизм и отображающее результат устройство. Вторые делятся на приборы аналоговые и цифровые.
Внимание! Название «электромеханический» означает, что все эти конструкции: электромагнитные, магнитоэлектрические и другие, производят отклонение электроизмерительной системы под воздействием электричества. Электромеханический вольтметр электромагнитной системы. Электромеханический вольтметр электромагнитной системы

Электромеханический вольтметр электромагнитной системы
Аналоговые устройства в дополнение к набору шунтов включают в свой состав усилитель. Это узел, позволяющий увеличить нижний интервал измерений и повысить Rвх, а также проводить измерение постоянного и переменного напряжения.
Цифровой вольтметр отображает на дисплей данные в цифровом формате. Схема допускает преобразование напряжения в электрический код при помощи аналого-цифрового устройства.
Тестеры по цели применения позволяют выполнять следующие опции:
- измерение разности потенциалов постоянного тока;
- определение величины напряжения переменного тока;
- замеры импульсных напряжений;
- фазочувствительные измерительные аппараты;
- универсальные устройства;
- приборы избирательного (селективного) действия.
Структура, строение и способы использования позволяют применять вольтметры для стационарного размещения, щитового расположения и для измерений в полевых условиях (переносные).
↑ Сборка
Впаиваем все элементы на основную плату:

затем на плату индикации:

Дальше впаиваем перемычки на плату индикации, отгибая каждую на расстоянии 4 мм от края на угол примерно 30-35 градусов. Я загибал одновременно все перемычки при помощи небольших тисков.

После этого складываем платы пайкой друг к другу, скрепляем на болтики с втулками. Лишние по длине перемычки аккуратно обрезаем маленькими бокорезами. После чего нужно пинцетом прижать каждую обрезанную перемычку к плате для дальнейшей припайки.

После установки микросхемы, индикаторов и оклейки их матовой самоклейкой получаем это:

Передохнули , поехали дальше – амперметр.














