Микросхема К174УН7
Справочник содержания драгоценных металлов в радиодеталях основан на справочных данных различных организаций, занимающихся переработкой лома радиодеталей, паспортах устройств, формулярах и других открытых источников. Стоит отметить, что реальное содержание может отличатся на 20-30% в меньшую сторону.
Какие драгоценные металлы содержатся в микросхемах
Микросхемы могут содержать золото, серебро, платину и МПГ (Металлы платиновой группы, Платиновая группа, Платиновые металлы, Платиноиды, ЭПГ)
Структура обозначения советских микросхем.
Советские (а также российские) микросхемы обозначаются стандартным кодом, согласно ГОСТ РВ 5901-005-2010 (предыдущие — ОСТ 11073915-2000, 11073915-80), состоящим из четырех элементов: Первый элемент состоит из цифры и означает конструктивно-технологическую группу: 1,5,6 — обозначают полупроводниковые ИМС 2,4,8 — обозначают гибридные ИМС 7 — обозначает бескорпусную полупроводниковую ИМС 3 — прочие ИМС
Второй элемент состоит из двух цифр, обозначающих порядковый номер разработки.
Третий элемент содержит две буквы русского алфавита, определяющие функциональное назначение ИМС (см. таблицу ниже).
Четвёртый элемент — порядковый номер одноименных по функциональному признаку ИМС в одной серии. Состоит из одной или двух цифр.
За четвёртым элементом может находиться буква (или цифра через дефис), указывающая деление данного типа ИМС на группы, различные по одному или нескольким параметрам. В первых микросхемах в пластиковых корпусах после четвертого элемента могла ставиться буква «П».1
Перед полным условным обозначением ИМС, предназначенной для аппаратуры широкого применения, ставится буква «К». При необходимости указания типа корпуса ИМС после буквы «К» добавляется буква:2 Р — для пластмассовых корпусов типа «2»; М — для керамических, металло-керамических и металло-стеклянных корпусов типа «2»; Е — для металло-полимерного корпуса типа «2»; А — для пластмассового корпуса типа «4»; И — для керамико-стеклянного корпуса типа «4»; Э — экспортный вариант (шаг выводов 2,54 и 1,27 мм); Н — кристаллоноситель.
Примечание. На микросхемах, разработанных до 1974 года, третий элемент (две буквы) стоит сразу после первой цифры серии, при этом буквенные обозначения могут отличаться от принятых по отраслевому стандарту 1980 года.
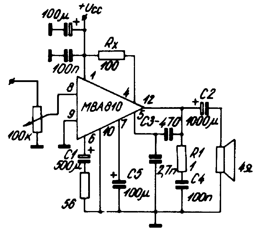
Типовое включение питания ИС К174УН7

Схема 1. Схема усилителя звука на микросхеме К174УН7.
Эта микросхема широко используется во многих радиолюбительских и промышленных конструкциях. Схемы на ее основе, представленные на сайте или в справочнике, просты, дешевы и надежны.
Несмотря на невысокие электрические параметры и качественные показатели, в большинстве случаев этого вполне достаточно, особенно для малогабаритной и бытовой техники.
Описываемый ниже на сайте усилитель имеет выходную мощность 4 Вт при напряжении питания 15 В и сопротивлении нагрузки 4 Ом. Входное сопротивление 80 кОм, ток потребления до 500 мА. Чувствительность усилителя около 100 мВ.
Микросхему К174УН7, представленную на сайте, во всех случаях можно заменить на А210К, МВА810Б.
Механизм и строение
Состав керамического BaTiO3 является совокупностью, составленной из микрокристаллов от 1 до 20 миллиметрового в диаметре. Этот микрокристалл называют частицей, и состоит из кристаллической структуры, которая показана на рис. 1 и 2. Частица разделена на много доменов при температуре ниже Точки Кюри. Кристаллические оси выровнены в одном направлении в пределах домена, таким образом, как и спонтанная поляризация. При нагревании до Точки Кюри и выше кристаллическая структура BaTiO3 изменяется от четырехугольной до кубической. Тогда, спонтанные поляризационные и доменные стены исчезают (пропадают).
Когда BaTiO3 находится в охлажденном состоянии (ниже Точки Кюри), ее кристаллическая структура поворачивается от кубической до четырехугольной, отрезки примерно до 1 % вдоль оси C и вдоль других осей – сокращаются. Тогда появляются спонтанные поляризационные и доменные стены. В то же время от воздействия «из вне» частицы искажаются. В этой стадии генерируются много мелких доменных стен, и направление спонтанной поляризации в каждом домене легко полностью изменить, даже малыми (низкими) электрическими полями. Так как диэлектрическая постоянная – пропорциональна сумме инверсии спонтанной поляризации к единице объема, наблюдается большая емкость.
Когда конденсаторы хранятся (применяются) без нагрузки при температурах ниже Точки Кюри размер беспорядочно ориентированных доменов становится большим, и они (домены) постепенно сдвигаются к устойчивому энергетическому состоянию (Рис. 3, 90 доменов). Это также облегчает сбор остаточного напряжения при кристаллическом искажении.
Кроме того, перемещение пространственных зарядов (ионы с низкой подвижностью, свободные точки кристаллической решетки и т.д.) в пределах доменной стены приводит к поляризации пространственного заряда. Эта поляризация пространственного заряда неблагоприятно воздействует на спонтанную поляризацию, преграждая ее инверсию.
Другими словами, временный переход от генерации спонтанной поляризации (спонтанная поляризация постепенно перестраивается к более устойчивому состоянию) к инверсии затруднена появлением поляризации пространственного заряда. В этом состоянии более высокое электрическое поле необходимо, чтобы полностью изменить спонтанную поляризацию в доменах, которые в свою очередь могут быть полностью изменены низким уменьшением электрического поля и снижениями емкости. Это, как полагают и есть механизм старения.
Однако, микротекстура кристаллической решетки возвращается в исходное состояние при нагревании до температуры выше Точки Кюри, в которой старение решетки начинается снова и снова. Вообще емкость многослойного керамического конденсатора с высокой диэлектрической постоянной уменьшается приблизительно линейно в логарифмическом масштабе времени – в течение 24 часов после термической обработки выше 125 C. Пожалуйста, обратитесь к прикрепленным типовым данным старения нашей продукции и номинальной емкости конденсаторов. Емкость, которая уменьшилась в результате естественного старения, имеет свойство восстанавливаться при нагревании конденсаторов до Точки Кюри и выше.
Ожидаемая емкость многослойного керамического конденсатора будет в его номинале, когда эти условия установлены на оборудовании. Мы выбираем свою амплитуду емкости, основанную на предшествующем предположении. Кстати, температура, компенсирующая значения типовых конденсаторов, не проявляют явление старения.
Керамические и стеклокерамические конденсаторы с твердым неорганическим диэлектрическим слоем выпускаются в высоковольтном и низковольтном исполнении. Отличаются компактными размерами и надежностью. Широко востребованы в вычислительной, бытовой, медицинской, военной техники, транспорте. По номинальному напряжению их разделяют на высоко- и низковольтные.
По типу конструкции выпускают следующие керамические конденсаторы:
- КТК – трубчатые;
- КДК – дисковые;
- SMD – поверхностные и другие.
Для изготовления керамических конденсаторов используют не обожженную глину, а материалы, сходные с ней по структуре, – ультрафарфор, тиконд, ультрастеатит. Обкладка – серебряный слой. Керамические и стеклокерамические устройства используются в схемах, в которых важных частотные характеристики, невысокие потери при утечке, компактные габариты, невысокая стоимость.
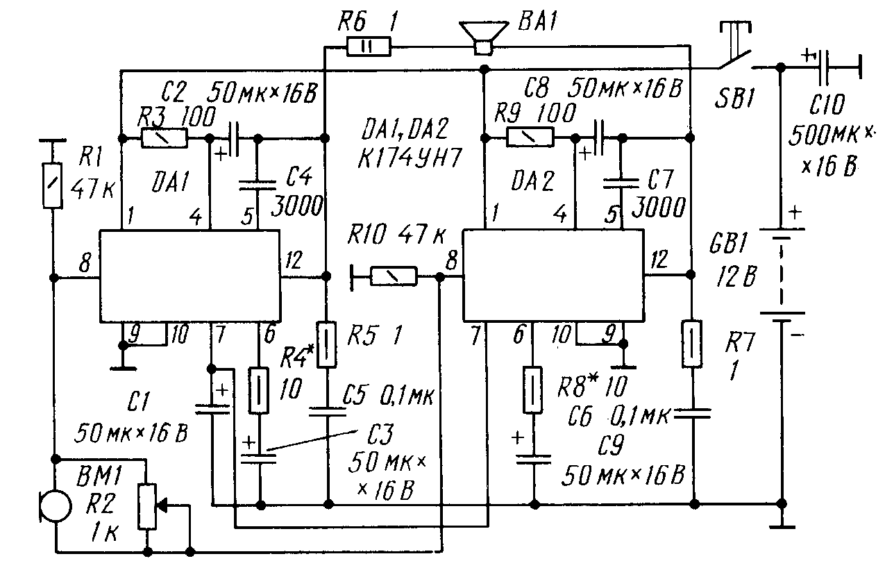
УМЗЧ для радиомегафона на К174УН7
УМЗЧ собран на двух микросхемах К174УН7 (DA1, DA2), включенных по мостовой схеме. При питании от батареи 12В на нагрузку 4 Ом он развивает 7 Вт.
Указанные на схеме на сайте номиналы усилительных элементов оптимальны при работе от микрофона на базе телефонного капсюля-выхода ДЭМШ-1А.

4. Схема УМЗЧ радиомегафона на К174УН7.
Сопротивления резисторов R4, R8 выбирают в зависимости от чувствительности используемого микрофона, но они должны быть одинаковыми.
Соединение седьмых выводов микросхем DA1, DA2 друг с другом улучшает симметрию усилителя по постоянному току. Резистор R6 несколько снижает выходную мощность питания усилителя, но повышает его надежность.
Сборка и ремонт усилителя низкой частоты
Иногда начинающие ремонтники очень аккуратно собирают усилитель мощности низкой частоты на отдельных платах по схемам, аналогичным рис. 1-4, и располагают их на большом расстоянии от основных блоков аппарата. Результат же бывает совсем не тот, какой ожидался. Возникают трудноустранимые генерации МС. Иногда же монтаж выглядит “ежиком”, а схема хорошо работает. Такой монтаж простых схем вполне и технологически оправдан (замена МС не представляет труда). Поэтому всегда нужно хорошо подумать, стоит ли возиться даже с простой печатной платой, которая может привести к неустойчивой работе всего аппарата, или воспользоваться таким простым и проверенным методом.
Расскажу о ремонте двух-кассетного двухканального (моноблочного) магнитофона FIAST модели 136. В аппарате из-за переключателя сетевого отвода на 110В вышел из строя не только сетевой трансформатор, но УМЗЧ, блок регулировки тембра, громкости и трехполосный эквалайзер. Уцелели двигатель и приемник с усилителем универсальным для магнитофона. Пришлось установить на свободные печатные установочные места на плате 5 дополнительных деталей (изображение.5). Транзистор и резистор R1 впаяны в плату, а резисторы R2 и R3 припаяны со стороны печатных проводников. Необходимо сделать разрез в печатной плате (указан значком “X”) и впаять в него резистор R2 сопротивлением в 1-1,5 кОм.
Керамический конденсатор С1 припаять также со стороны печатных проводников платы. Установка дополнительных деталей на плату показана на рис.5, а, а на рис.5,б выделен вновь введенный фрагмент схемы. Следует по возможности применять вместо электролитических конденсаторов бумажные (МБМ), керамические (КМ) и т.д. Как показывает статистика ремонтов, именно на электролитические конденсаторы приходится большинство отказов, особенно в аппаратуре, выпущенной в СССР, где количество таких конденсаторов достигает десятков на одной плате.
Рассмотренные МС уже относятся к компонентам несколько устаревшим (особенно МС типа К174УН7). Современная МС типа TDA7052 имеет самое простое включение за счет более сложной внутренней принципиальной схемы. Но не всем доступны зарубежные компоненты радиоаппаратуры, которые иногда и намного дороже аналогичных отечественных. Таким образом, применяя при ремонте схемы, которые уже опробованы, можно значительно упростить и ускорить ремонт аппаратуры.
1.2 Основные особенности и отличия интегральных микросхем от схем на дискретных элементах
1. Микросхема самостоятельно выполняет какую-то
функцию, часто весьма сложную, которую можно осуществить с помощью большого
количества дискретных элементов соединенных по определенной схеме. Поэтому
интегральная микросхема должна рассматриваться не только как элемент с
определенными входными и выходными параметрами, но и как устройство с
определенной внутренней электрической схемой.
2. Усложнение функций выполняемых интегральными
микросхемами, в отличии от схем на дискретных элементах, практически не
сопровождается заметным ухудшением надежности, габаритных размеров и других
показателей.
3. Функциональная сложность и параметры
интегральных микросхем в значительной степени определяются возможностями
технологии их изготовления. Например, совершенствование технологии
обусловливает повышение степени интеграции элементов, это в свою очередь,
позволяет, с одной стороны, на том же кристалле реализовать более сложный
функциональный узел, с другой стороны, за счет сокращения длины соединений,
уменьшаются время задержки сигналов, паразитные емкости.
4. В ИМС при создании функционального узла
предпочтение отдается активным элементам перед пассивными. Это обусловлено тем,
что при одинаковой технологии изготовления тех и других, активные элементы
имеют меньшие размеры.
5. В ИМС реализуются некоторые типы элементов,
которые не имеют аналогов среди дискретных элементов (многоэмиттерные
транзисторы, элементы с инжекционным питанием, структуры с распределенными
параметрами, приборы с зарядовой связью). Их использование открывает широкие
возможности по построению микроэлектронной аппаратуры.
6. Элементы интегральных микросхем имеют
следующие отличия от дискретных элементов:
а). Элементы ИМС имеют большой разброс параметров
относительно расчетных, что обусловлено их малыми размерами, невозможностью
подгонки и подстройки и рядом других технологических особенностей.
б). Элементы ИМС , созданные в одном технологическом
цикле, характеризуются высокой идентичностью параметров и характеристик.
в). Имеет место ограничение номинальных значений
параметров сопротивлений и емкостей, что вызвано малой площадью отводимой под
эти элементы. Индуктивность в виде полупроводникового простого элемента не
реализуется вообще. Имеет место ограничение по мощности рассеивания тепла.
г). Для элементов ИМС характерно наличие ряда
паразитных параметров, отсутствующих в дискретных элементах (появление токов
утечки в подложку, появление емкости между элементом и подложкой, а также
наличие емкостных и индуктивных связей между близко расположенными элементами и
соединениями). Это является следствием создания элементов на единой подложке.
К174УН7 и К174УН9: какие отличия?
Основные отличия микросхем К174УН7 и К174УН9
Микросхемы К174УН7 и К174УН9 отличаются друг от друга некоторыми параметрами, такими как:
- Частотным диапазоном;
- Максимальной скоростью переключения;
- Входным уровнем напряжения;
- Током потребления;
- Предельной температурой эксплуатации.
К174УН7 имеет более низкий частотный диапазон и максимальную скорость переключения, чем К174УН9. Также, входной уровень напряжения у К174УН7 ниже, что делает ее более универсальной и удобной в применении в различных схемах. Однако, в то же время, К174УН7 потребляет больше тока и имеет более низкую предельную температуру эксплуатации, чем К174УН9.
Достоинства К174УН7 и К174УН9
За счет своих различных параметров, К174УН7 и К174УН9 подходят для использования в различных схемах и задачах. К174УН7 может быть использована для создания преобразователей, генераторов тактовых импульсов, аналоговых интегральных схем и других устройств. В свою очередь, К174УН9 обладает более широким частотным диапазоном и может быть использована для создания быстродействующих цифровых и логических устройств.
| Параметр | К174УН7 | К174УН9 |
|---|---|---|
| Частотный диапазон | от 0 до 3 МГц | от 0 до 18 МГц |
| Максимальная скорость переключения | 30 нс | 15 нс |
| Входной уровень напряжения, В | от -0,5 до +0,5 | от -0,7 до +2 |
| Ток потребления, мА | не более 12 | не более 8 |
| Предельная температура эксплуатации, °C | от -60 до +125 | от -25 до +85 |
Переговорное устройство на микросхеме К174УН7
Рейтинг: / 5
- Подробности
- Категория: домофоны
- Опубликовано: 19.09.2019 10:28
- Просмотров: 2325
Общая характеристика и принципиальная схема Переговорное устройство служит для связи между двумя абонентами. Оно может быть полезно на садовом участке или даче, для связи между домом и калиткой. В целях безопасности устройство также можно использовать для связи между квартирой в многоэтажном доме и лестничной площадкой, если имеется защитная дверь, отгораживающая площадку от квартир на этаже. Устройство собрано на интегральной микросхеме К174УН7. Цоколевка микросхемы и назначение ее выводов дано на рис. 1.
Если к этой микросхеме добавить резисторы и конденсаторы соответствующих номиналов, то можно получить небольших размеров усилитель звуковой частоты мощностью до 4 Вт. Типовая схема УЗЧ на этой микросхеме приведена на рис. 2.
С целью повышения чувствительности такого УЗЧ на его вход обычно включают предварительный усилитель на одном транзисторе, так сделано в предлагаемом переговорном устройстве, схема которого представлена на рис. 3.
Детали В устройстве вместо транзистора VT1, указанного на схеме, можно использовать любой маломощный транзистор обратной проводимости, например, типа КТ315 или КТ503 с любой буквой. Резисторы типа МЛТ-0,125, электролитические конденсаторы С1…СЗ, С5, С6, С9, СЮ типа К50-6, остальные конденсаторы керамические малогабаритные. Кнопка S1 без фиксации типа П2К. Переменный резистор R5 — СПЗ-4аМ. В качестве громкоговорителей ВА1 и ВА1 можно применить электродинамические головки 2ГД-36 или аналогичные с мощностью 1…2 Вт и с сопротивлением звуковой катушки 4.„8 Ом. Питание переговорного устройства осуществляют от гальванических элементов типа 316, соединенных последовательно, общим напряжением 9 В или от стабилизированного источника питания. Устройство собирается на печатной плате размером 50×50 мм и помещается в корпус, в котором также размещаются переключатель S1, источник питания и один из динамиков. Второй динамик, например ВА2, размещают вне помещения. При использовании исправных деталей, собранное устройство начинает работать сразу и особой наладки не требует. Резистором R1 устанавливают чувствительность устройства, а резистором R5 — мощность выходного сигнала. Переговоры ведутся в таком режиме: вначале один абонент говорит в динамик, например ВА2, а другой слушает (динамик ВА1), потом находящийся в помещении производит переключение в режим передачи переключателем S1 и отвечает, говоря в свой динамик. В устройстве каждая динамическая головка используется одновременно как микрофон и как громкоговоритель.Домофон — переговорное устройство на К174УН14Простой домофон на имс КР142ЕН12АПростой домофон на двух транзисторахСхемы домофона
Оставлять комментарии могут только зарегистрированные пользователи
Сборка усилителя мощности микросхемы
Схема проверена людьми и работает. Это простой моно усилитель, собранный на микросхеме К174УН7. Этот чип усилителя требует радиатора. Аналогами микросхемы являются TBA810AS и LA4420, представленные на сайте. Печатную плату можно сделать с перекисью, этот способ очень доступен на сайте. Полезные советы, как это правильно сделать, можно найти на разных форумах, перейдя по электронным ссылкам. Только для этой платы вам понадобится 200 мл перекиси. Красная линия на плате — это ее край, ее нужно стереть перед правлением. Питание платы от батареек, хоть на 4 вольта. Еще в микросхеме есть еще управление звуком с помощью регулятора переменного резистора на 40 кОм.

Работу микросхемы стабилизатора, компьютера, трансформатора или радиоприемников легко проверить. После включения мощности питания можно коснуться пальцем гнезда (входа усилителя). Из динамика (выход усилителя) будет слышен сравнительно громкий и импульсный треск с фоновым шумом.
Лучше всего начинать пайку усилителя мощности с проводов и небольших высококачественных компонентов, таких как керамические конденсаторы или резисторы. Для начинающих есть возможность посмотреть пример в обзоре на сайте.
Микросхему усилителя мощности необходимо установить на радиатор и припаять к плате последнего.
Время припаивания вывода усилителя микросхемы прикосновением паяльника — не более пары секунд, затем перерыв.

Если вывод усилителя мощности микросхемы запаян плохо, подождите, пожалуйста,пока он остынет, снова залейте флюсом и припаяйте. Радиатор немного экранирует тепло, но, чтобы быть в безопасности, пайка одного контакта усилителя не должна быть слишком длинной. Схемку, как его устанавливают, можно найти на сайте.

Схема и принцип работы простого унч
Схема унч на микросхеме К174УН7 состоит из нескольких ключевых элементов:
- Микрофонного усилителя, который усиливает слабый сигнал с микрофона;
- Входного дифференциального усилителя, который представляет собой усилитель на транзисторах, увеличивающий амплитуду сигнала;
- Коэффициента усиления входного усилителя регулируется с помощью резисторов;
- Микросхемы К174УН7, основная функция которой — усиление и формирование звукового сигнала;
- Выходного каскада, обеспечивающего низкоомный выход и стабильную силу звука;
- Элементов обратной связи, которые улучшают качество звучания и предотвращают искажения.
Принцип работы простого унч на микросхеме К174УН7 заключается в следующем:
- С начальной стадии схемы, микрофонного усилителя, слабый звуковой сигнал усиливается и подается на входной дифференциальный усилитель.
- Входной усилитель усиливает сигнал до необходимого уровня и передает его на микросхему К174УН7.
- Микросхема К174УН7 осуществляет оконечное усиление сигнала и формирует звуки с определенной частотой и амплитудой.
- Выходной каскад обеспечивает силу звука и низкоомное подключение к динамикам или наушникам, чтобы передать усиленный звук на выходе унч.
- Элементы обратной связи поддерживают стабильность и качество звука, а также предотвращают возникновение искажений.
В результате работы унч на микросхеме К174УН7 слабый звуковой сигнал превращается в усиленный и более слышимый звук, который можно услышать через динамик или наушники. Простота схемы и низкая стоимость микросхемы делают унч на К174УН7 популярным выбором для усиления звука в различных устройствах, таких как радиоприемники, магнитофоны, акустические системы и другие аудиоустройства.
К174УН9: основные характеристики
Производительность
К174УН9 – это современная микросхема, разработанная для решения сложных программных задач. Она может работать со скоростью до 100 МГц, обладает высокой производительностью и возможностью параллельного исполнения нескольких операций.
Память
Микросхема К174УН9 имеет встроенную память объемом 256 кБит. Это позволяет сохранять большой объем информации на самой микросхеме и обращаться к ней быстро и эффективно. Также предусмотрена возможность расширения памяти путем подключения внешних носителей.
Энергопотребление
К174УН9 потребляет мало энергии и имеет низкий уровень тепловыделения. Это делает микросхему идеальным выбором для применения в портативных устройствах и других энергоэффективных приложениях.
Интерфейсы
Микросхема К174УН9 поддерживает различные интерфейсы, включая SPI, I2C и UART. Это позволяет обмениваться данными с другими устройствами и использовать микросхему в различных системах.
Дополнительные функции
Микросхема К174УН9 также имеет ряд дополнительных функций, таких как аппаратный ускоритель шифрования, счетчики времени и регистры сдвига. Это позволяет упростить программную реализацию некоторых алгоритмов и повысить производительность системы в целом.
Надежность
Микросхема К174УН9 разработана с учетом высоких требований к надежности и безопасности. Она имеет защиту от перегрузок и коротких замыканий, а также поддерживает работу в широком диапазоне температур и в условиях повышенной влажности.
Стоимость
Микросхема К174УН9 относится к категории высокотехнологичных продуктов, что отражается в ее цене. Она может быть дороже более старых и менее мощных моделей, но при этом предоставляет больший набор функций и более высокую производительность.
Типы микросхем
В настоящее время выпускается огромное количество типов микросхем. Практически любой законченный электронный узел, стандартный или специализированный, выпускается в микроисполнении. Перечислить и разобрать все типы в рамках одного обзора не представляется возможным. Но в целом по функциональному назначению микросхемы можно разделить на три глобальные категории.
- Цифровые. Работают с дискретными сигналами. Цифровые уровни подаются на вход, с выхода также снимаются сигналы в цифровом виде. Этот класс устройств охватывает область от простых логических элементов до самых современных микропроцессоров. Сюда же относятся программируемые логические матрицы, устройства памяти и т.п.
- Аналоговые. Работают с сигналами, изменяющимися по непрерывному закону. Характерный пример такой микросхемы – усилитель звуковой частоты. Также к этому классу относят интегральные линейные стабилизаторы, генераторы сигналов, измерительные датчики и многое другое. К категории аналоговых принадлежат и наборы пассивных элементов (резисторов, RC-цепей и т.п.).
- Аналогово-цифровые (цифро-аналоговые). Эти микросхемы не только преобразовывают дискретные данные в непрерывные или в обратную сторону. Исходные или полученные сигналы в том же корпусе могут усиливаться, преобразовываться, модулироваться, декодироваться и т.п. Широко распространены аналого-цифровые датчики для связи измерительных цепей различных технологических процессов с вычислительными устройствами.
Также микросхемы делятся по типу производства:
- полупроводниковые – выполняются на одном кристалле полупроводника;
- пленочные – пассивные элементы создаются на основе толстых или тонких пленок;
- гибридные – к пассивным пленочным элементам «подсаживаются» полупроводниковые активные устройства (транзисторы и т.п.).
Но для применения микросхем эта классификация в большинстве случаев особой практической информации не дает.



























