Обзор известных моделей
Основные параметры
Характеристики КРЕН12A, приведённые в технических описаниях (datasheet), стоит рассматривать с учётом максимальной рассеиваемой мощности устройства. В любых режимах работы не допускается её превышение, а для стабильной работы необходимо предусмотреть соответствующее охлаждение. Без использования радиатора предельная мощность ограничивается параметрами корпуса — обычно не превышает 1 Вт. Напряжение на входе микросхемы должно быть всегда больше, чем на выходе на 2-3 В.
Максимальные параметры
Приведём максимальные значения параметров для КРЕН12A:
- напряжение: на входе до 40 В; на выходе от 1.25 до 37 В;
 - выходной ток 1.5 А;
 - рассеиваемая мощность до 20 Вт;
 - диапазон рабочих температур от 0 до +125 oC.
 
Не допускается превышать указанные значения.
Аналоги
У КРЕН12А есть отличные функциональные аналоги КР142ЕН12Б (до 1 А) и LM317T. Импортный по некоторым параметрам считается лучше отечественного. Возможно в связи с этим белорусский «Интеграл» в последнее время выпускает подобные устройства и с маркировкой «LM». Это обусловлено большой популярностью линейных стабилизаторов напряжения в мире, поэтому зарубежные производители все время совершенствуют их.
Обзор известных моделей
Большинство микросхем для питания светодиодов выполнены в виде импульсных преобразователей напряжения. Преобразователи, в которых роль накопителя электрической энергии выполняет катушка индуктивности (дроссель) называются бустерами. В бустерах преобразование напряжения происходит за счет явления самоиндукции. Одна из типичных схем бустера приведена на рисунке.
Схема стабилизатора тока работает следующим образом. Транзисторный ключ находящийся внутри микросхемы периодически замыкает дроссель на общий провод. В момент размыкания ключа в дросселе возникает ЭДС самоиндукции, которая выпрямляется диодом. Характерно то, что ЭДС самоиндукции может значительно превышать напряжение источника питания.
Как видно из схемы для изготовления бустера на TPS61160 производства фирмы Texas Instruments требуется совсем немного компонентов. Главными навесными деталями являются дроссель L1, диод Шоттки D1, выпрямляющий импульсное напряжение на выходе преобразователя, и Rset.
Резистор выполняет две функции. Во-первых, резистор ограничивает ток, протекающий через светодиоды, а во-вторых, резистор служит элементом обратной связи (своего рода датчиком). С него снимается измерительное напряжение, и внутренние схемы чипа стабилизируют ток, протекающий через LED, на заданном уровне. Изменяя номинал резистора можно изменять ток светодиодов.
Преобразователь на TPS61160 работает на частоте 1.2 МГц, максимальный выходной ток может составлять 1.2 А. С помощью микросхемы можно питать до десяти светодиодов включенных последовательно
Яркость светодиодов можно изменять путем подачи на вход «контроль яркости» сигнала ШИМ переменной скважности. КПД приведенной схемы составляет около 80%
Нужно заметить, что бустеры обычно используются, когда напряжение на светодиодах выше напряжения источника питания
В случаях, когда требуется понизить напряжение, чаще применяют линейные стабилизаторы. Целую линейку таких стабилизаторов MAX16xxx предлагает фирма MAXIM. Типовая схема включения и внутренняя структура подобных микросхем представлена на рисунке
Нужно заметить, что бустеры обычно используются, когда напряжение на светодиодах выше напряжения источника питания. В случаях, когда требуется понизить напряжение, чаще применяют линейные стабилизаторы. Целую линейку таких стабилизаторов MAX16xxx предлагает фирма MAXIM. Типовая схема включения и внутренняя структура подобных микросхем представлена на рисунке.
Как видно из структурной схемы, стабилизация тока светодиодов осуществляется Р-канальным полевым транзистором. Напряжение ошибки снимается с резистора Rsens и подается на схему управления полевиком. Так как полевой транзистор работает в линейном режиме, КПД подобных схем заметно ниже, чем у схем импульсных преобразователей.
Микросхемы линейки MAX16xxx часто применяются в автомобильных приложениях. Максимальное входное напряжение чипов составляет 40 В, выходной ток – 350 мА. Они, как и импульсные стабилизаторы, допускают ШИМ-диммирование.
Стабилизаторы КРЕН (с фиксированным напряжением)
В дополнение может быть добавлен выходной конденсатор для сглаживания переходных процессов.
Технические характеристики: Стабилизатор крб имеет следующие характеристики: допустимая величина выходного тока 1 Ампер; наличие внутренней термозащиты; отсутствие необходимости во внешних компонентах; внутренние ограничения токов короткого замыкания.
Внутренняя структура этой микросхемы выполнена так, что позволяет производить сложение напряжений по уровню на входе с соответствующим значением напряжения на выходе благодаря тому, что общая шина ST1 оказалась оторванной от общего провода схемы. Схема стабилизатора крен На свет появились микросхемы, которые имеют всего 3 вывода: вход, выход и общую шину и позволяют получать стабилизированное напряжение строго заданных параметров, не требуя при этом никаких дополнительных элементов.
Простота схемного решения стабилизатора делает его лёгким в использовании даже для обычного обывателя, не обладающего специальными знаниями. Эту емкость нужно увеличивать, если возникает самовозбуждение колебания напряжения на выходе. Особенность моста в том, что через входящий в него резистор R7 протекает большая часть тока нагрузки.
В настоящее время промышленность выпускает широкий ассортимент микросхем серий , К и КР Предел тока нагрузки не превышает 1 А.
Предложенные схемы можно использовать для питания готовых конструкций, при макетировании, для зарядки маломощных аккумуляторов, при ремонтах и апгрейде аппаратуры. Включив две ЕН5А, можно получить выходной ток до 6 А. Требуемое выходное напряжение устанавливают подстроечным резистором R2. В таблицу включены лишь стабилизаторы с выходным напряжением в пределах 5…27 В — в этот интервал укладывается подавляющее большинство случаев радиолюбительской практики.
В результате падение напряжения на регулирующем транзисторе VT1 возрастает и выходное напряжение понижается. В большинстве случаев применения нагрузкой служит резистивный делитель напряжения R1 R2 на рис. Если же напряжение на выходе СН увеличивается, процесс регулирования протекает в противоположном направлении. При эксплуатации устройства с током в нагрузке менее 0. По этой схеме можно включать и стабилизаторыс фиксированным выходным напряжением.
			Щербина, С. В литературе предлагается немало способов, как найти выход из данной ситуации. Требуемое выходное напряжение устанавливают подстроенным резистором R6, значение тока в данном случае 5 А , при превышении которого СН становится стабилизатором тока. Транзистор VT2 реагирует на изменение под действием тока нагрузки падения напряжения на резисторе R2 и открывается, когда оно достигает 0, Представленный вариант обеспечивает выходное напряжение в пределах
			Схема включения стабилизаторов напряжения
Технические характеристики
В блоках питания от сети 220В линейный стабилизатор обычно устанавливается сразу после выпрямительного диодного моста, где выполняет свою основную роль источника вторичного электропитания (ИВЭП). Рекомендуемая производителями величина входного напряжения у КРЕН8Б находится в диапазоне 14,5 … 18 В. В любом случае, должно быть на 2,5-3 В больше от опорного.
Максимальные параметры
Изготовителями заявлены следующие максимальные параметры КР142ЕН8Б, при температуре корпуса (ТК) от -45 до +70оС, если не указано иного:
- входное напряжение (при ТК от -45 до +100оС) — до 30 В;
 - мощность рассеивания – до 1,5 Вт; до 8 Вт (c теплоотводом);
 - ток в нагрузке – до 1500 мА (c использованием теплоотвода).
 
Электрические параметры
Если ток в нагрузке будет более 100 мА, то рекомендуется применение теплоотвода. На практике его величина может достигать 900 мА, что на много меньше значения заявленного отдельными производителями в даташит, но вполне достаточного для большинства современных слаботочных систем. Сведения о электрических параметрах КРЕН8Б, при температуре окружающей среды +25оС, представлены в таблице ниже.
Типовое включение
Устойчивая работа электронных приборов обеспечивается стабильностью поданного на них электропитания. Отсюда и возникает потребность в его выравнивании до необходимого уровня. Превышение или снижение питающих значений недопустимо, так как приводит к неисправности в работе оборудования. Самый очевидный способ — использовать популярную отечественную микросхему из серии КР142.
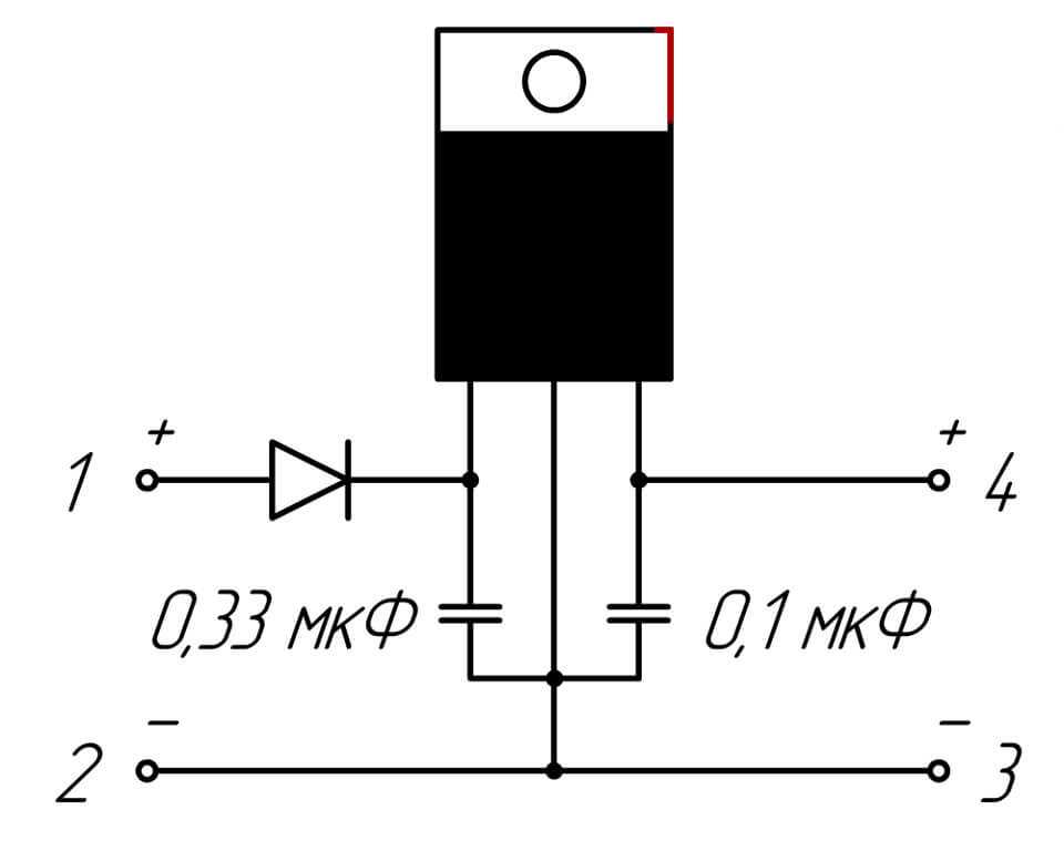
КР142ЕН8Б является одним из линейных стабилизаторов указанной серии. Его типовая схема подключения очень простая и подходит для всех КР142ЕН. Она включает в себя саму КРЕНку (еще одно неофициальное название 142ЕН8Б) и пару сглаживающих конденсаторов. В даташит рекомендовано применение небольших ёмкостей с величиной 0,33 и 1,0 мкФ. Обычно используют керамические или танталовые версии.
Если для проекта выбраны алюминиевые электролитические конденсаторы, то они должны быть не менее 10 мкФ. Их лучше подсоединять как можно ближе к выводам микросхемы. Многие радиолюбители делают это навесным монтажом, спаивая ножки радиоэлементов между собой.
Советуем Вам проверить информацию о содержании драгоценных металлов в КРЕН8Б, так как некоторые экземпляры могут иметь ценность даже после выхода из строя.
Типовая схема включения
Основная схема подключения стабилизатора КРЕН8Б приведена в datasheet. На входе и выходе КРЕНки ставят сглаживающие конденсаторы небольшой емкости. Они защищают микросхему от высокочастотных импульсных помех. Предпочтение отдают танталовым и керамическим конденсаторам, но для проверки подойдут и обычные электролиты.
Входное напряжение должно быть выше выходного минимум на 2,5 В. Производители рекомендуют выдерживать его в диапазоне от 14,5 до 18 В, а при нагрузке более 100 мА использовать теплоотвод.
 
Обычно микросхему применяют в качестве вторичного источника питания и ставят сразу после выпрямляющего диодного моста.
Допускается параллельное включение нескольких одинаковых стабилизаторов КРЕН8Б. Это повышает уровень тока на выходе. Количество микросхем в такой цепи не ограничено.
Какие существуют аналоги
Для некоторых приборов серии 142 существуют полные зарубежные аналоги:
| Микросхема К142 | Зарубежный аналог | 
| КРЕН12 | LM317 | 
| КРЕН18 | LM337 | 
| КРЕН5А | (LM)7805C | 
| КРЕН5Б | (LM)7805C | 
| КРЕН8А | (LM)7806C | 
| КРЕН8Б | (LM)7809C | 
| КРЕН8В | (LM)78012C | 
| КРЕН6 | (LM)78015C | 
| КРЕН2Б | UA723C | 
Полный аналог означает, что микросхемы совпадают по электрическим характеристикам, по корпусу и расположению выводов. Но существуют еще и функциональные аналоги, которые во многих случаях замещают проектную микросхему. Так, 142ЕН5А в планарном корпусе не является полным аналогом 7805, но по характеристикам ей соответствует. Поэтому, если есть возможность установить один корпус вместо другого, то такая замена не ухудшит качество работы всего устройства.
Другая ситуация – КРЕН8Г в «транзисторном» исполнении не считается аналогом 7809 из-за того, что имеет меньший ток стабилизации (1 ампер против 1,5). Если это не критично и фактический потребляемый ток по цепи питания меньше 1 А (с запасом), то смело можно менять LM7809 на КР142ЕН8Г. И в каждом конкретном случае всегда надо прибегать к помощи справочника – зачастую можно подобрать что-то похожее по функционалу.
Стабилизатор крен8б
В настоящее время интегральные стабилизаторы напряжения распространены достаточно широко. Источники питания с использованием таких стабилизаторов имеют небольшое количество дополнительных элементов, низкую стоимость и обладают отличными техническими характеристиками. Линейный стабилизатор крен8б – один из наиболее распространённых вариантов отечественного производства, являющийся аналогом импортных стабилизаторов линейки 78хх.

Действие стабилизатора
Стабилизатор кр1428б даёт возможность снабжения каждой платы сложного прибора отдельным стабилизирующим устройством и воспользоваться для его питания общим источником, не обеспеченным стабилизацией.
Поскольку поломка одного из стабилизаторов приводит к выходу из строя только подключенного к нему блока, это повышает общую надёжность устройств. Также такая схема подключения смогла решить проблему борьбы с помехами импульсного характера и наводками на длинные питающие провода.

Следует знать, что превышение значения тока, на которое рассчитано устройство, может повлечь за собой выход стабилизатора из строя. Однако современные стабилизаторы имеют защиту по току – в случае превышения максимальной нагрузки тока они просто отключаются.
К минусам линейных стабилизаторов можно отнести и сильный нагрев при повышенной нагрузке. Так повышение входного напряжения влечёт за собой перегрев стабилизатора. При разработке стабилизаторов крен8б эта проблема была решена обеспечением защиты по перегреву.

Технические характеристики:
- Стабилизатор кр1428б имеет следующие характеристики:
 - допустимая величина выходного тока 1 Ампер;
 - наличие внутренней термозащиты;
 - защищённый выходной транзистор;
 - отсутствие необходимости во внешних компонентах;
 - внутренние ограничения токов короткого замыкания.
 
Применение
Применяться такой стабилизатор может в таких устройствах, как:
- в радиоэлектронных устройствах как источник питания логических систем;
 - в устройствах воспроизведения высокого качества;
 - в измерительных приборах.
 
При добавление в типовые схемы дополнительных элементов можно превратить стабилизатор из источника напряжения в источник с регулировкой как напряжения, так и тока.

Если длина соединительных проводов стабилизатора с фильтрующими конденсатами выпрямителя превышает 1 метр, тогда на его входе требуется установка электролитического конденсатора.

Выбор линейного стабилизатора крен1428б поможет решить проблему со стабилизацией напряжения в большом спектре радиоэлектронный и других устройств и продлит срок использования приборов.

Технические характеристики
В блоках питания от сети 220В линейный стабилизатор обычно устанавливается сразу после выпрямительного диодного моста, где выполняет свою основную роль источника вторичного электропитания (ИВЭП). Рекомендуемая производителями величина входного напряжения у КРЕН8Б находится в диапазоне 14,5 … 18 В. В любом случае, должно быть на 2,5-3 В больше от опорного.
Типовое включение
Устойчивая работа электронных приборов обеспечивается стабильностью поданного на них электропитания. Отсюда и возникает потребность в его выравнивании до необходимого уровня. Превышение или снижение питающих значений недопустимо, так как приводит к неисправности в работе оборудования. Самый очевидный способ — использовать популярную отечественную микросхему из серии КР142.
КР142ЕН8Б является одним из линейных стабилизаторов указанной серии. Его типовая схема подключения очень простая и подходит для всех КР142ЕН. Она включает в себя саму КРЕНку (еще одно неофициальное название 142ЕН8Б) и пару сглаживающих конденсаторов. В даташит рекомендовано применение небольших ёмкостей с величиной 0,33 и 1,0 мкФ. Обычно используют керамические или танталовые версии.
Если для проекта выбраны алюминиевые электролитические конденсаторы, то они должны быть не менее 10 мкФ. Их лучше подсоединять как можно ближе к выводам микросхемы. Многие радиолюбители делают это навесным монтажом, спаивая ножки радиоэлементов между собой.
Какие существуют аналоги
Для некоторых приборов серии 142 существуют полные зарубежные аналоги:
| Микросхема К142 | Зарубежный аналог | 
| КРЕН12 | LM317 | 
| КРЕН18 | LM337 | 
| КРЕН5А | (LM)7805C | 
| КРЕН5Б | (LM)7805C | 
| КРЕН8А | (LM)7806C | 
| КРЕН8Б | (LM)7809C | 
| КРЕН8В | (LM)78012C | 
| КРЕН6 | (LM)78015C | 
| КРЕН2Б | UA723C | 
Полный аналог означает, что микросхемы совпадают по электрическим характеристикам, по корпусу и расположению выводов. Но существуют еще и функциональные аналоги, которые во многих случаях замещают проектную микросхему. Так, 142ЕН5А в планарном корпусе не является полным аналогом 7805, но по характеристикам ей соответствует. Поэтому, если есть возможность установить один корпус вместо другого, то такая замена не ухудшит качество работы всего устройства.
Другая ситуация – КРЕН8Г в «транзисторном» исполнении не считается аналогом 7809 из-за того, что имеет меньший ток стабилизации (1 ампер против 1,5). Если это не критично и фактический потребляемый ток по цепи питания меньше 1 А (с запасом), то смело можно менять LM7809 на КР142ЕН8Г. И в каждом конкретном случае всегда надо прибегать к помощи справочника – зачастую можно подобрать что-то похожее по функционалу.
Стабилизаторы КРЕН (с фиксированным напряжением)
Технические характеристики
Начнём знакомство с техническими характеристиками микросхемы крен8б с рассмотрения предельно допустимых параметров устройства
Знание этих параметров важно при проектировании новых электронных устройств. Если их значения выйдут за пределы нормы, устройство может выйти из строя
- предельно допустимое напряжение на входе – 35 В ;
 - максимально возможный выходной ток при Т к = -25…+75 О С – 1,5 А ;
 - наибольшая рассеиваемая мощность на радиаторе:
- при Т к = -45…+70 О С – 8 Вт ;
 - при Т к +75 О С – 5 Вт ;
 
 
- мощность без радиатора 1,5 Вт ;
 - температура хранения — -55 …+150ОС .
 
Теперь можно детально рассмотреть остальные характеристики микросхемы. Значения вех параметров были измерены при температуре +25 О С. Остальные условия проведения тестирования можно найти в колонке «Условия тестирования» приведённой ниже таблицы.
| Электрические характеристики стабилизатора крен8б (при Т = +25 оC) | |||||
| Название параметра | Обозн | Условия тестирования | мин | макс | Ед. изм | 
| Напряжение на выходе | U вых | U вх =20 В; I вых =10мA | 11,64 | 12,36 | В | 
| К-т нестабильности по напряжению | К ui | U вх =20 В; I вых =10мA | 0,05 | %/В | |
| Температурный к-т нестабильности напряжения | α uo | U вх =20 В; I вых =10мA 
 Т = -45…+85 О С  | 
0,02 | %/В | |
| К-т нестабильности по току | Кio | 1,33 | %/А | ||
| Наименьшее падение напряжения | U вх = U вых + 2,5 В | ≤ 2,5 | В | ||
| Потребляемый ток | U вх = 35 В | ≤ 10 | мА | ||
| Дрейф выходного напряжения за 500 часов | Т = +100 О С 
 I вых =0,5 A  | 
≤ 1 | % | ||
| К-т сглаживания пульсаций | U вх =20 В;I вых =10мA | ≥30 | дБ | 
Кроме приведённых выше сведений в технической документации имеются рекомендации по применению:
- на выход КР142ЕН8Б может быть подано напряжение величиной не более 15 В, при условии, если напряжение на входе отсутствует;
 - монтаж стабилизатора можно проводить не более двух раз, а демонтаж до одного;
 - наименьшая резонансная частота – 8 кГц.
 
Подключать КР142ЕН8Б рекомендуется по стандартной трёхвыводной схеме подключения стабилизаторов.
Стабилизатор содержит 0,0178 грамм золота и 0,0376 грамм серебра.
Три простых варианта блоков питания
Типовая схема включения КР142ен5а
Стабилизатор серии КР142ен5а с постоянным положительным напряжением на выходе в 5 В имеет широкое применение в самых различных электронных приборах. Сфера его использования – в качестве источника питания для логических систем, аппаратов высокоточного воспроизведения и других радиоэлектронных приборов. Электрическая схема КР142ЕН5А показана на рисунке ниже.

Емкости С1, С2 играют корректирующую роль. С2 предназначена для сглаживания пульсации, а С1 – для защиты от вероятного высокочастотного возбуждения микросхемы. Ток нагрузки стабилизатора рассчитан до 2 А.
Если добавить в схему вспомогательные детали можно преобразовать её в источник с регулированием напряжения. При удалённом расположении КРЕН 142 (с длиной соединительных проводов один метр и более) от фильтрующих конденсаторов выпрямителя, к его входу следует присоединить конденсатор. Для регулирования напряжения на выходе используется внешний делитель. Для правильной работы устройства потребуется применение дополнительного радиатора. Эти модели являются аналогами импортных регуляторов серии 78xx.
Цоколевка и схема включения
Микросхема КР142ен5а рассчитана на максимальный ток 5 А, и она может его обеспечить. Но превышение тока грозит выходом устройства из строя. Ниже приводится вариант включения микросхемы. Разрешается производить монтаж микросхемы два раза, демонтаж один раз.

Крепёж схемы к печатной плате выполняется методом распайки выводов корпуса, см. цоколевку микросхемы на рисунке.

Характеристики стабилизатора
Микросхема кр142ен5а представляет собой стабилизатор компенсационного типа с регулируемым выходным напряжением положительной полярности.
Основные характеристики:
- защита от перегрева;
 - ограничение по току КЗ;
 - масса не более 1,4 г;
 - габариты 14,48х15,75 мм.
 
Предельные значения параметров режима эксплуатации и условий окружающей среды:
- Температура хранения -55 … +150 С;
 - Температур кристалла в рабочем режиме -45 … +125 С.
 
Стабилизатор напряжения на 5 вольт своими руками.
Watch this video on YouTube
Назначение выводов и принцип работы
По принципу работы все микросхемы серии относятся к линейным регуляторам. Это означает, что входное напряжение распределяется между регулирующим элементом (транзистором) стабилизатора и нагрузкой так, что на нагрузке падает напряжение, которое задается внутренними элементами микросхемы или внешними цепями.
Если входное напряжение увеличивается, транзистор прикрывается, если уменьшается – приоткрывается таким образом, чтобы на выходе напряжение оставалось постоянным. При изменении тока нагрузки стабилизатор отрабатывает так же, поддерживая неизменным напряжение нагрузки.
У этой схемы есть недостатки:
- Через регулирующий элемент постоянно протекает ток нагрузки, поэтому на нём постоянно рассеивается мощность P=Uрегулятора⋅Iнагрузки. Эта мощность расходуется впустую, и ограничивает КПД системы – он не может быть выше Uнагрузки/ Uрегулятора.
 - Напряжение на входе должно превышать напряжение стабилизации.
 
Но простота применения, дешевизна прибора перевешивают недостатки, и в диапазоне рабочих токов до 3 А (и даже выше) что-то более сложное применять бессмысленно.
У регуляторов напряжения с фиксированным напряжением, а также у регулируемых стабилизаторов новых разработок (К142ЕН12, К142ЕН18) в трех- и четырехвыводном исполнении выводы обозначаются цифрами 17,8,2. Такое нелогичное сочетание выбрано, очевидно, для соответствия выводов с микросхемами в корпусах DIP. На самом деле такая «дремучая» маркировка сохранилась только в технической документации, а на схемах пользуются обозначениями выводов, соответствующим зарубежным аналогам.
| Обозначение по технической документации | Обозначение на схемах | Назначение вывода | ||
| Стабилизатор с фиксированным напряжением | Стабилизатор с регулируемым напряжением | Стабилизатор с фиксированным напряжением | Стабилизатор с регулируемым напряжением | |
| 17 | In | Вход | ||
| 8 | GND | ADJ | Общий провод | Опорное напряжение | 
| 2 | Out | Выход | 
Микросхемы старой разработки К142ЕН1(2) в 16-выводных планарных корпусах имеют следующее назначение выводов:
| Назначение | Номер вывода | Номер вывода | Назначение | 
| Не используется | 1 | 16 | Вход 2 | 
| Фильтр шума | 2 | 15 | Не используется | 
| Не используется | 3 | 14 | Выход | 
| Вход | 4 | 13 | Выход | 
| Не используется | 5 | 12 | Регулировка напряжения | 
| Опорное напряжение | 6 | 11 | Токовая защита | 
| Не используется | 7 | 10 | Токовая защита | 
| Общий | 8 | 9 | Выключение | 
Недостатком планарного исполнения служит большое количество излишних выводов прибора. Стабилизаторы КР142ЕН1(2) в корпусах DIP14 имеют другое назначение выводов.
| Назначение | Номер вывода | Номер вывода | Назначение | 
| Токовая защита | 1 | 14 | Выключение | 
| Токовая защита | 2 | 13 | Цепи коррекции | 
| Обратная связь | 3 | 12 | Вход 1 | 
| Вход | 4 | 11 | Вход 2 | 
| Опорное напряжение | 5 | 10 | Выход 2 | 
| Не используется | 6 | 9 | Не используется | 
| Общий | 7 | 8 | Выход 1 | 
У микросхем К142ЕН6 и КР142ЕН6, выпускаемых в разных вариантах корпуса с теплоотводом и однорядным расположением выводов, цоколёвка следующая:
| Номер вывода | Назначение | 
| 1 | Вход сигнала регулировки обоих плеч | 
| 2 | Выход «-» | 
| 3 | Вход «-» | 
| 4 | Общий | 
| 5 | Коррекция «+» | 
| 6 | Не используется | 
| 7 | Выход «+» | 
| 8 | Вход «+» | 
| 9 | Коррекция «-» | 

            
























