Основные характеристики
Микросхема К561 (интегральный операционный усилитель) имеет свои особенности напряжения питания, которые необходимо учитывать при ее использовании. Основные характеристики связаны с минимальным и максимальным допустимым напряжением питания.
Минимальное напряжение питания: для нормальной работы микросхемы К561 необходимо, чтобы напряжение питания было не меньше определенного значения. Обычно это значение составляет порядка 5-10 вольт. При понижении напряжения питания ниже минимально допустимого значения, микросхема может не функционировать корректно. Это может проявляться в искажении сигнала, неверном выходном значении и других неисправностях.
Максимальное напряжение питания: у кристаллов серии К561 есть ограничение на максимальное напряжение питания. При превышении этого значения, микросхема может перегореть или выйти из строя. Максимальное напряжение питания обычно составляет 16-18 вольт. При проектировании схемы с использованием микросхемы К561 необходимо учесть эту особенность и подобрать соответствующий источник питания.
Нормальное напряжение питания: для оптимальной работы микросхемы К561 рекомендуется использовать нормальное напряжение питания, которое находится в диапазоне от минимального допустимого до максимального допустимого значения. В этом диапазоне микросхема будет работать стабильно и давать правильные выходные значения.
Следует помнить, что характеристики напряжения питания микросхемы могут незначительно отличаться в зависимости от производителя и конкретной модификации К561. Поэтому всегда рекомендуется обращаться к документации производителя для получения точной информации о характеристиках питания конкретной микросхемы.
Временная диаграмма работы счетчика К561ИЕ8

На рисунке ниже приведено условное обозначение микросхемы К561ИЕ8:
Несколько примеров применения счетчика К561ИЕ8
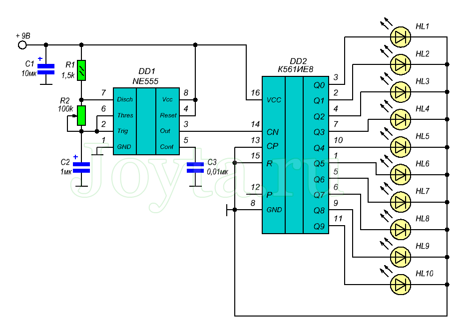
Бегущие огни на светодиодах
Если вы хотите построить бегущие огни на 10 светодиодах, то для этого можно использовать микросхему К561ИЕ8 совместно с таймером NE555.

Схема позволяет организовать быстрое поочередное свечение каждого светодиода. Источник тактовых импульсов построен на таймере NE555, который включен в схему как генератор прямоугольных импульсов. Частота импульсов на выходе NE555, а следовательно и скорость бегущих огней, регулируется переменным резистором R2.
Так же можно увеличить число светодиодов путем каскадного подключения счетчиков. Такую работу К561ИЕ8 вы можете посмотреть в программе Proteus.

3 счетчика К561ИЕ8 каскадом (Proteus) (13,5 KiB, скачано: 4 101)
Таймер на К561ИЕ8
С помощью десятичного счетчика К561ИЕ8 можно собрать простой таймер. При нажатии кнопки SА1 происходит разряд конденсатора С1 через резистор R1. Когда кнопка SА1 отпущена, конденсатор C1 будет заряжаться через резистор R2, вызывая нарастающий фронт на тактовом входе (14) счетчика К561ИЕ8. Это приведет к тому, что на выходе Q1 появляется высокий логический уровень (практически напряжение питания), в результате чего будет светиться светодиод HL1.

В то же время конденсатор С2 начнет заряжаться через сопротивления R4 и R5. Когда напряжение на нем достигнет примерно половины напряжения питания, это приведет к сбросу счетчика. Выход Q1 перейдет в низкий уровень, светодиод погаснет и конденсатор С2 будет разряжаться через диод VD1 и резистор R3. После этого схема будут оставаться в таком стабильном состоянии, пока кнопка SА1 не будет нажата снова.
Изменяя сопротивление R4 можно выбирать необходимый интервал таймера в диапазоне от 5 секунд и 7 минут. Ток потребления данной схемы в состоянии ожидания составляет несколько микроампер, в режиме работы примерно 8 мА в основном за счет свечения светодиода.
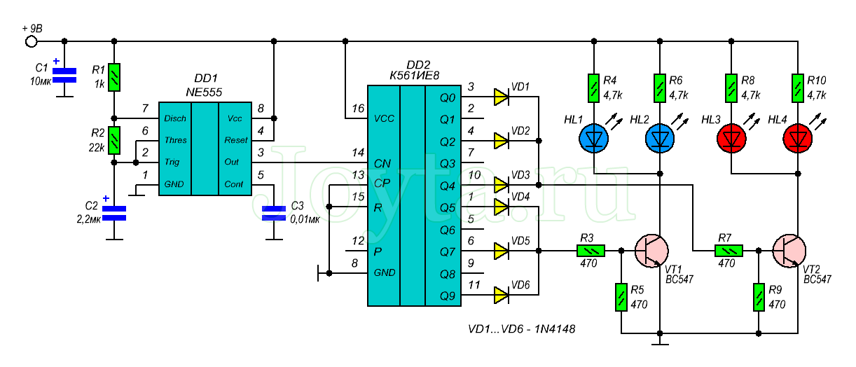
Полицейский проблесковый маячок
Эта схема имитирует огни полицейского проблескового маячка. В результате работы устройства, чередуется мигание красных и синих светодиодов, причем каждый цвет мигает по три раза.

Генератор тактовых импульсов для счетчика К561ИЕ8 построен на таймере NE555. Ширина этих импульсов может быть изменена путем подбора сопротивлений R1, R2 и емкости C2. Импульсы с выхода счетчика, через диоды, поступают на два транзисторных ключа, которые управляют миганием светодиодов.
Применение К561 в автоматических устройствах
Одним из основных применений К561 является создание триггерных схем, предназначенных для обработки и хранения информации. Благодаря возможности работы в режиме RS-триггера или D-триггера, микросхема способна выполнять функции множества логических элементов, необходимых для обработки данных. Это позволяет использовать К561 в автоматических устройствах, таких как счетчики, таймеры, регистры, и многое другое.
Другим применением К561 является его использование в схемах управления различными устройствами. Микросхема может использоваться в цепях запоминающих устройств для выполнения задач алгоритмического управления. Также К561 может быть использован для управления ключевыми устройствами, такими как реле, электромагниты, светодиоды и другие.
К561 также может использоваться в автомобилях для управления различными функциями автомобиля, такими как блокировка зажигания, контроль освещения, система дистанционного управления и многое другое. Благодаря своим небольшим размерам и низкому энергопотреблению, микросхема К561 является идеальным решением для автоматических устройств.
Использование микросхемы К561 в автоматических устройствах позволяет существенно упростить проектирование и сократить размеры устройств. Благодаря своей многофункциональности и надежности, К561 стала неотъемлемой частью многих автоматических устройств и систем управления.
Преимущества использования К561
Микросхема К561 представляет собой четырехразрядный счетчик-делитель, состоящий из четырех триггеров. Эта микросхема имеет ряд преимуществ, которые делают ее популярной и широко используемой.
Вот некоторые из преимуществ использования К561:
1. Простота использования: К561 имеет простой и понятный интерфейс, что делает его легко использовать как опытным разработчикам, так и новичкам в области электроники.
2. Надежность: К561 обладает высокой надежностью и долгим сроком службы. Он может работать в широком диапазоне температур и условий эксплуатации без потери производительности.
3. Возможность программного управления: К561 позволяет запускать и останавливать счетчик по команде программы или другого устройства. Это делает его удобным для автоматизации и контроля за процессами.
4. Малый размер: Микросхема К561 имеет компактный размер, что позволяет интегрировать ее в самые маленькие устройства и платы.
5. Низкое энергопотребление: К561 имеет низкое энергопотребление, что позволяет ему работать от батарейного питания и продлевает срок службы их заряда.
В целом, микросхема К561 является надежным, удобным в использовании и универсальным устройством, которое имеет широкий спектр применений в электронике, автоматизации и многих других областях.
Применение К561 в электронике
Триггер на микросхеме К561 (KR561) имеет широкий спектр применения в различных электронных устройствах. Ниже представлен перечень основных областей использования данной микросхемы:
- Цифровые системы управления. В К561 встроены два независимых триггера, которые могут использоваться в цифровых схемах управления для создания различных логических функций. Благодаря высокой стабильности и надежности, данный триггер пользуется популярностью среди разработчиков цифровых систем.
- Регистры данных. Микросхема К561 может быть использована в качестве основного элемента регистров данных, которые применяются для хранения информации в цифровых устройствах. Быстрая скорость переключения и низкое энергопотребление делают эту микросхему идеальным выбором для таких приложений.
- Триггеры состояний. В К561 реализованы триггеры с возможностью переключения между двумя состояниями. Это позволяет использовать микросхему в системах автоматического управления, где необходимо запоминать и обрабатывать определенные состояния входных сигналов.
- Генераторы сигналов. Благодаря возможности задания начального состояния и подключения внешних элементов, микросхема К561 может быть использована в качестве компонента генератора сигналов в цифровых схемах и устройствах. Это особенно актуально при создании счетчиков и таймеров.
- Системы синхронизации. Так как К561 имеет два независимых триггера, он может использоваться для создания синхронных систем, где нужна точная синхронизация операций и переключений.
Все указанные применения К561 являются лишь частью возможностей данной микросхемы. Богатый функционал и надежность делают ее незаменимым компонентом в электронных устройствах различного назначения.
Принцип работы
Микросхема К561 (или К176, как она также называется) — это сумматор-счётчик, предназначенный для обработки цифровых сигналов. Она может выполнять такие функции, как сложение, вычитание и подсчёт импульсов.
Принцип работы микросхемы К561 основан на использовании комбинационных и последовательных логических элементов. Комбинационные элементы выполняют операции сложения и вычитания, а последовательные элементы — подсчёт импульсов.
Внутри микросхемы К561 содержится несколько входов и выходов. Входы позволяют подать сигналы на микросхему (цифры для сложения или вычитания, сигналы для счёта), а выходы — получить результат операций (результат сложения или вычитания, текущее значение счёта).
Микросхема работает с напряжением питания в пределах 4-15 В. Однако, для стабильной работы и избежания перегрузок рекомендуется использовать напряжение питания не выше 12 В. В случае подачи высокого напряжения могут возникнуть неисправности, такие как перегорание элементов или искажение получаемых результатов.
Микросхема К561 также обладает защитой от короткого замыкания. Если на выходе микросхемы возникает короткое замыкание, то работа микросхемы автоматически приостанавливается, что позволяет избежать возникновения поломки.
Как микросхема К561 обеспечивает стабильное напряжение питания
Микросхема К561 является интегральной схемой, которая используется в различных электронных устройствах для управления и обработки сигналов. Она имеет свои особенности, связанные с напряжением питания, которые обеспечивают ее стабильную работу.
Диапазон напряжения питания: Микросхема К561 работает с напряжением питания в диапазоне от 3 до 18 вольт. Это позволяет использовать микросхему в различных условиях и при разных источниках питания.
Стабилизатор напряжения: Микросхема К561 имеет встроенный стабилизатор напряжения, который обеспечивает постоянное значение напряжения питания. Это позволяет микросхеме работать стабильно, несмотря на изменения напряжения внешнего источника питания.
Защита от перегрузок: Микросхема К561 имеет встроенную защиту от перегрузок, которая предотвращает повреждение микросхемы при превышении максимального допустимого напряжения питания. Это обеспечивает долговечность и надежность работы микросхемы.
Низкое энергопотребление: Микросхема К561 потребляет небольшое количество энергии, что делает ее энергоэффективной и экономичной
Это особенно важно при использовании микросхемы в портативных устройствах, где продолжительность работы от батарейки является важным фактором.
В целом, микросхема К561 обеспечивает стабильное напряжение питания за счет своих встроенных функций, таких как диапазон напряжения питания, стабилизатор напряжения, защита от перегрузок и низкое энергопотребление. Это делает ее универсальным и надежным элементом электроники.
Применение триггера на микросхеме К561
Одним из основных применений триггера на микросхеме К561 является создание счетчиков и регистров. Триггеры могут использоваться для учета событий и генерации сигналов. Например, они могут быть применены для создания счетчиков времени, счетчиков импульсов или счетчиков тактовых циклов.
Триггеры на микросхеме К561 также могут быть использованы для создания различных схем автоматизации и управления. Они могут быть применены в схемах сравнения, схемах синхронизации и схемах задержки сигнала. Триггеры также позволяют реализовать устройства для хранения программ, счетчики адресов и другие основные блоки в цифровых системах.
Другим важным применением триггеров на микросхеме К561 является их использование в устройствах с функцией памяти. Триггеры позволяют хранить информацию в виде последовательности битов и осуществлять доступ к этой информации по запросу. Это может быть использовано для хранения различных данных, таких как текстовые сообщения, числа, настройки и другие данные, которые требуется сохранить и передавать в цифровой форме.
Таким образом, триггеры на микросхеме К561 имеют широкий спектр применения в различных областях цифровой электроники. Они являются важным элементом для создания счетчиков, регистров, устройств управления и памяти. Их надежность и простота в использовании делают их популярными среди разработчиков цифровых систем.
Плюсы и минусы
Рассмотрим основные плюсы и минусы использования микросхемы К561:
Плюсы:
- Миниатюрный размер микросхемы, что позволяет ее использовать в компактных устройствах.
- Низкое энергопотребление, что способствует экономии электроэнергии.
- Низкое тепловыделение при работе.
- Высокая стабильность работы при колебаниях напряжения питания.
- Широкий диапазон рабочих температур (-40…+125°C).
Минусы:
- Отсутствие встроенных защитных механизмов от перегрузок и короткого замыкания.
- Ограниченное количество входов/выходов.
- Невысокая точность работы в сравнении с более современными микросхемами.
- Требовательность к качеству питающего напряжения, особенно к его стабильности.
- Высокая светочувствительность, что требует применения затенения или экранирования при использовании на улице или в ярких условиях.
В целом, микросхема К561 обладает достаточно хорошими характеристиками и является надежным элементом для решения различных задач в электронике. Однако, при использовании ее необходимо учитывать указанные минусы и предпринимать дополнительные меры для обеспечения надежности и стабильности работы.
Микросхема К561 — компактное и универсальное устройство для усиления и преобразования напряжений
Микросхема К561 — это электронный компонент, который предназначен для усиления и преобразования напряжений. Она обладает малыми габаритами и широким спектром возможностей, благодаря чему нашла применение во множестве устройств и систем.
Основными особенностями напряжения питания микросхемы К561 являются:
- Широкий диапазон напряжений питания: Микросхема К561 может работать от напряжения питания в диапазоне от 5 до 15 вольт. Это позволяет использовать ее в различных условиях и подключать к различным источникам питания.
- Малый уровень собственных помех: Микросхема обладает низким уровнем собственных помех, что позволяет использовать ее в чувствительных системах и не беспокоиться о искажениях сигнала.
- Высокий коэффициент усиления: Микросхема К561 обладает высоким коэффициентом усиления, что позволяет использовать ее для усиления слабых сигналов и повышения их амплитуды.
- Малая потребляемая мощность: Микросхема потребляет малую мощность, что позволяет использовать ее в устройствах с ограниченным источником энергии.
- Низкий уровень шума: Микросхема имеет низкий уровень шума, что позволяет использовать ее в системах, требовательных к качеству сигнала.
Микросхема К561 также обладает высокой надежностью и долгим сроком службы. Она широко используется в различных сферах, включая радиоэлектронику, медицину, автоматику и другие области, где требуется усиление и преобразование напряжений.
Триггер К561: основные характеристики
Основные характеристики триггера К561:
| Напряжение питания | 5 В |
| Состояние выхода при включенном триггере | 0 В |
| Состояние выхода при выключенном триггере | открытый коллектор |
| Максимальный ток потребления | 4 мА |
| Максимальный тактовый входной сигнал | 1 МГц |
| Минимальное время задержки передачи сигнала | 100 нс |
Триггер К561 обычно используется в схемах, где требуется запоминание и последующее изменение информации. Он может использоваться в различных устройствах, таких как счетчики, синхронные счетчики, регистры, и т.д. Также, триггер К561 широко применяется в цифровой электронике, автоматике, и других областях, где необходимо выполнение высокоскоростных операций с двоичной информацией.
Назначения выводов К561ИЕ8 :

- Вывод 15 (Сброс) — счетчик сбрасывается в нулевое состояние при поступлении на данный вывод сигнала лог.1. Предположим, вы хотите, чтобы счетчик считал только до третьего разряда (вывод 4), для этого вы должны соединить вывод 4 с выводом 15 (Сброс). Таким образом, при достижении счета до третьего разряда, счетчик К561ИЕ8 автоматически начнет отсчет с начала.
- Вывод 14 (Счет) – вывод предназначен для подачи счетного тактового сигнала. Переключение выходов происходит по положительному фронту сигнала на выводе 14. Максимальная частота составляет 2 МГц.
- Вывод 13 (Стоп) – данный вывод, в соответствии от уровня сигнала на нем, позволяет останавливать или запускать работу счетчика. Если необходимо остановить работу счетчика, то для этого необходимо на данный вывод подать лог.1. При этом даже если на вывод 14 (Счет) по-прежнему будет поступать тактовый сигнал, то на выходе счетчика переключений не будет. Для разрешения счета вывод 13 необходимо соединить с минусовым проводом питания.
- Вывод 12 (Перенос) – данный вывод (вывод переноса) используются при создании многокаскадного счетчика из нескольких К561ИЕ8. При этом вывод 12 первого счетчика соединяют с тактовым входом 14 второго счетчика. Положительный фронт на выходе переноса (12) появляется через каждые 10 тактовых периодов на входе (14).
- Выводы 1-7 и 9-11 (Q0…Q9) — выходы счетчика. В исходном состоянии на всех выходах находится лог.0, кроме выхода Q0 (на нем лог.1). На каждом выходе счетчика высокий уровень появляется только на период тактового сигнала с соответствующим номером.
- Вывод 16 (Питание) – соединяется с плюсом источника питания.
- Вывод 8 (Земля) – данный вывод соединяется с минусом источника питания.



























