Содержание драгоценных металлов в различных устройствах
Приборы, вышедшие из строя или потерявшие практический интерес, предприимчивыми людьми подвергаются аффинажу. С помощью этого процесса драгметаллы в технике очищаются от примесей для последующего использования в качестве ценностей или для применения в других приборах.
Наличие и количество драгоценных металлов в каждом устройстве зависит от маркировки и серии радиодетали. В некоторых элементах техники попадаются такие благородные и редкие металлы как золото, платина и палладий. Они достаточно устойчивы к окислению и обладают высокой сопротивляемостью к агрессивным средам.
Микросхемы
В микросхемах содержится золото (Au) и серебро (Ag). Платина практически не встречается, либо содержится в малых количествах. Таблица наглядно показывает содержание драгоценных металлов в микросхемах. Все цифры указаны в миллиграммах, из расчета наличия ценных элементов в 1 микросхеме.
| Тип детали | Золото | Серебро | 
| к1200цл1 | 0,0056 | |
| 133ЛА1 | 0,0212136 | 0,000758 | 
| 542НД1 | 0,0209665 | 0,032320 | 
| 1002ХП1 | 0,0283 | 0,0492 | 
| 0537РУЗВ | 0,0132847 | 0,031068 | 
Конденсаторы
В таблице указанно количество драгоценных металлов в граммах (г) из расчета содержания в 1 изделии. Содержание драгметаллов приведено фактическое, а не то, которое указано в паспорте устройств.
| Маркировка изделия | Золото | Серебро | Платина | Палладий | 
| KM-56-M1500-1300 пФ | 0,0134823 | 0,0238574 | ||
| 1КВПМ | 0,0266000 | |||
| 1КПВМ 1-7 | 0,0260000 | |||
| 1КПВМ-147 | 0,0242000 | |||
| 1КПВМ-147 эксп. | 0,0242000 | |||
| 1КПВМ-2 3.600.042 | 0,0300000 | |||
| 2КПВМ-146 | 0,0465000 | |||
| 6N8J | 0,0300000 | |||
| КП1-22-10кВ 50-3000 пФ | 3,8878000 | 43,0342000 | ||
| КП1-27-35КВ 60-750 пФ эксп. | 5,2109400 | 68,8688300 | ||
| К10-17 2А КР. гр. Н50П | 0,0097689 | 0,0016628 | 
Транзисторы
| Маркировка изделия | Золото | Серебро | Платина | 
| КТ970А | 0,0446085 | 0,0405459 | |
| 2Т994А | 0,0754258 | 0,1428440 | 0,0000275 | 
| 19С17 | 0,02 | ||
| 2Т998А | 0,0319096 | 0,2735409 | |
| 2Т203В | 0,0111634 | ||
| 2Т948 | 0,0338111 | 0,046152 | |
| 2Т948Б | 0,03468 | 0,04487 | 
Разъединители
| Маркировка изделия | Золото | Серебро | Платина | 
| РЕ11-49 | 349,1 | ||
| РЕ15-49 | 27,31 | ||
| РЕ15-53 | 54,63 | ||
| РЕ15-59 | 109,2 | ||
| РЕ15-61 | 163,9 | ||
| РЕ15-65 | 218,5 | ||
| РЕ17-65 | 228,2 | 
Резисторы
| Маркировка изделия | Золото | Серебро | Платина | 
| 1ПЕВР-10 ВТ, 15 ВТ | 0,0786 | ||
| 1ПЭВ-100 ГОСТ 6313-66 | 0,0786 | ||
| 1ПЭВ-25 | 0,0786 | ||
| 1ПЭВ-30 | 0,0786 | ||
| 1ПЭВ-30 ГОСТ 6513-66 | 0,0786 | 
Гнёзда
| Маркировка изделия | Золото | Серебро | Платина | 
| 6р-150а | 2,28 | 1,496 | |
| БО4.04137 | 0,125035 | ||
| КИ7.746.012 | 0,06288 | ||
| КИ7.746.013 | 0,06363 | ||
| ИЮ3.649.006 | 2,064 | ||
| ИЮ3.649.010 | 2,52 | 
Реле
| Маркировка изделия | Золото | Серебро | Платина | 
| 112.3702 | 0,075 | 0,095 | |
| 132-1В (холодильник) | 0,36 | ||
| 2РВМ (4 к-та) | 0,0127 | 1,5878 | |
| 2РВМ-190 | 1,58 | ||
| 47 УХЛ4 | 0,066 | 1,09 | |
| 8В-2-К ОС | 3,63522 | ||
| 8В-2-К,ОС | 3,63522 | 
Выключатель
| Маркировка изделия | Золото | Серебро | Платина | 
| БВИ-433 | 0,0082 | 0,0872 | 0,0024 | 
| БВИ-452 | 0,0063 | 0,3696 | 0,0016 | 
| БВФ-622 | 0,0144 | 0,4443 | 0,0151 | 
| ВВ-250Р | 0,011 | 40,09338 | |
| ВВ-330Б-31.5-2000У1 | 2394,54 | ||
| ВВ-400Р | 0,011 | 40,09338 | |
| УБ-250А | 14,8852 | 
Диоды
| Маркировка изделия | Золото | Серебро | Платина | 
| 1631А | 0,00047 | ||
| 1631Б | 0,00047 | ||
| 1А402А | 0,002206 | 0,013594 | |
| 1А402АР | 0,020384 | 0,02527 | |
| 1А404Г | 0,021715 | 0,021208 | |
| 1А404Д | 0,021715 | 0,021208 | 
СВЧ диод
| Маркировка изделия | Золото | Серебро | Платина | 
| 1А106АР | 0,00381 | 0,02712 | |
| 1А106Б | 0,0019 | 0,01356 | |
| 1А408А | 0,00548 | 0,00301 | |
| 1А501Б | 0,0019 | 0,01359 | |
| 2А107А | 0,00438 | 0,00169 | |
| 2А107АР | 0,00876 | 0,00338 | |
| 2А108А | 0,00438 | 0,00169 | 
Генераторные лампы
| Маркировка изделия | Золото | Серебро | Платина | 
| ГМИ-6 | 0,0593 | 0,0008 | |
| ГМИ-6-1 | 0,0592 | 0,0008 | |
| ГИ-30 | 0,0377 | 0,0003 | 0,0006 | 
| ГМИ-10 | 0,2937 | 0,0005 | 0,0047 | 
| ГМИ-32Б | 2,3258 | 17,088 | 0,0335 | 
| ГМИ-32Б-1 | 2,326 | 14,392 | 0,0335 | 
| ГМИ-29Б-1 | 6,363 | 54,598 | 0,092 | 
| ГМИ29А-1 | 6,363 | 35,959 | 0,092 | 
Резонаторы
| Маркировка изделия | Золото | Серебро | Платина | 
| КВАРЦ РБ02 РЦ3.382.369ТУ | 0,00013 | 0,00398 | |
| КВАРЦ РВ18 АУ0.338.037ТУ | 0,00087 | 0,0165 | |
| 2041.15.130-01 | 0,113944 | ||
| D15,2Х11,2Х07,6 | 0,02441 | ||
| ББ7.124.084 | 0,32386 | ||
| БЛОК 2073М | 0.24106 | 14.77563 | 0.07063 | 
Тиристоры
| Маркировка изделия | Золото | Серебро | Платина | 
| 2Н102Б | 1,212 | ||
| 2Н102В | 0,0007 | ||
| 2У101 | 0,002665 | ||
| 2У101А | 0,00284 | ||
| 2У101А-Е | 0,000516 | ||
| 2У104А | 0,019051 | ||
| 2У106 | 0,030507 | 0,000821 | |
| 2У106А | 0,03 | 
Тублеры
| Маркировка изделия | Золото | Серебро | Платина | 
| Б5-29 | 0,29287 | 2,075361 | |
| Б5-30 | 0,25 | 0,96 | |
| Б5-31 | 0,25 | 0,96 | |
| Б6-30 | 0,25 | 0,96 | |
| ВБТ-2 | 5,512 | ||
| ВБТ-4 | 5,499 | ||
| МТД3 (микротумблер) 0.360.016 | 0,21437 | 0,107175 | |
| ПТ-1Т | 1,55748 | 
Лампы генераторные серий ГИ, ГМИ, ГС, ГУ
Лампы, содержащие драгметаллы.
- ГС-23Б, ГС-36Б, ГИ-19Б, ГМИ-2Б, ГМИ-4Б, ГМИ-5, ГМИ-6, ГМИ-6-1, ГМИ-7, ГМИ-7-1, ГМИ-10, ГМИ-11, ГМИ-14Б, ГМИ-19Б, ГМИ-21-1, ГМИ-24Б, ГМИ-26Б, ГМИ-27А, ГМИ-27Б, ГМИ-32Б, ГМИ-32Б1, ГМИ-38, ГМИ-42Б, ГМИ-83В, ГМИ-89, ГМИ-90
 - ГУ-19-1, ГУ-29, ГУ-34Б, ГУ-34Б1, ГУ-43А, ГУ-43Б, ГУ-50, ГУ-70Б, ГУ-71, ГУ-72, ГУ-73Б, ГУ-73П, ГУ-74Б, ГУ-78Б, ГУ-84Б
 - ГКД1-600/5, ТГИ1-2500/50, ТГИ1-2000/35, ЛИ-604 К-1, ЛИ-705, ЛИ-702-1, ЛИ-703, 5МГЦ резонатор, Кварц К3, Разрядник РР-7, Клистрон К-12, Клистрон К-351, Клистрон К-352
 - Генераторные лампы покупаем до 01.1991 года выпуска. На цену ламп влияет наличие знака «ромб» и ряд других факторов.
 - Радиолампы от телевизоров СССР без упаковки и б/у радиолампы не покупаем. Более подробно на странице «Лампы».
 
Частота пробы драгметалла в км конденсаторах
Вторичные драгоценные металлы в конденсаторах КМ-5: серебро, платина, палладий. Содержание серебра 7,61 гр. Содержание платины 16,84 гр. Модержание палладия 13,5 гр.
Количество драгметаллов в граммах на 1000 шт.
Содержание драгметаллов в конденсаторах КМ-5
Конденсаторы КМ-4а, КМ-5а Конденсаторы КМ-4а, КМ-5а, ОСКМ-5а предназначены для работы в цепях постоянного, переменного токов и в импульсных режимах. Конденсаторы изготавливают в соответствии с ОЖО.460.161 ТУ; ОЖО.460.043 ТУ; ОЖО.460.043 ТУ ОЖО.460.183 ТУ. Конденсаторы выпускают в водородоустойчивом и неводородоустойчивом исполнениях. КМ-4а, КМ-5а: неизолированные керамические конденсаторы, исполнение — УХЛ.
Конденсаторы КМ-4б, КМ-5б Конденсаторы КМ-4б, КМ-5б, ОСКМ-4б, ОСКМ-5б предназначены для работы в цепях постоянного, переменного токов и в импульсных режимах. Изготавливаются в соответствии с ОЖО.460.161 ТУ; ОЖО.460.043 ТУ; ОЖО.460.043 ТУ ОЖО.460.183 ТУ. Конденсаторы выпускают в водородоустойчивом и неводородоустойчивом исполнениях. КМ-4б, КМ-5б: изолированные окукленные керамические конденсаторы, исполнение — всеклиматическое.
Расшифровка сокращенных обозначений конденсаторов
а) слово «Конденсатор»; б) сокращенное обозначение вида; в) вариант; г) буква «С» для конденсаторов водородоустойчивого исполнения; д) группа по ТКЕ; е) номинальная емкость; ж) допускаемое отклонение емкости от номинальной (кроме гр. Н90); з) буква «В» – всеклиматическое исполнение; и) обозначение документа на поставку.
Старые конденсаторы КМ-5
Содержание драгметаллов в конденсаторах КМ-5
Старая и популярная серия монолитных керамических конденсаторов. Первые выпуски этих конденсаторов были синего цвета, но с начала 70-х годов стали покрываться краской зеленого цвета.
Вторичные драгоценные металлы в конденсаторах КМ-5: серебро, платина, палладий. Содержание серебра 7,61 гр. Содержание платины 16,84 гр. Модержание палладия 13,5 гр.
Количество драгметаллов в граммах на 1000 шт.
Содержание драгметаллов в конденсаторах КМ-5
Конденсаторы КМ-4а, КМ-5а Конденсаторы КМ-4а, КМ-5а, ОСКМ-5а предназначены для работы в цепях постоянного, переменного токов и в импульсных режимах. Конденсаторы изготавливают в соответствии с ОЖО.460.161 ТУ; ОЖО.460.043 ТУ; ОЖО.460.043 ТУ ОЖО.460.183 ТУ. Конденсаторы выпускают в водородоустойчивом и неводородоустойчивом исполнениях. КМ-4а, КМ-5а: неизолированные керамические конденсаторы, исполнение — УХЛ.
Потенциометры
Потенциометры, содержащие драгметаллы.
- ППМЛ-М, ППМЛ-И, ППМЛ-ИМ, ППМЛ-Ф, ППМФ-М, ППБЛ-В, РПП, ПТП-1, ПТП-2, ПТП-5, ПЛП-1, ПЛП-2.
 - Некоторые потенциометры не подходят для продажи, так как внутри проволока встречается из нихрома или манганина.
 
Реле отечественного и импортного производства, содержащие драгметаллы.
- РЭС7, РЭС8, РЭС9, РЭС10, РЭС14, РЭС15, РЭС22, РЭС32, РЭС34, РЭС37, РЭС48, РЭС78.
 - РП3, РП4, РП5, РП7, РПС3, РПС4, РПС5, РПС7, РПС11, РПС15, РПС18, РПС20, РПС24, РПС32, РПС34, РПС36.
 - ДП12, РКН, РКНМ, РКМ-1, РКМ-1Т, РКМ-П, РЭК43, РЭН-33, ТРА, ТРВ, ТРЛ, ТРМ, ТРН, ТРП, ТРТ, РТН, ТРСМ-1, ТРСМ-2, РВМУ-1, РКП Е-506, СК-594, РВ-5А, РТС-5.
 - Перечисленные реле подходят не все, а только с определёнными паспортами и до определённого месяца и года выпуска.
 - Реле РЭС-6, РЭС-22, РЭС-32 с белыми контактами в целом виде не подходят для продажи, снимайте алюминиевый корпус (крышку) и проверяйте цвет контактов. Если белые, то делайте срезку контактов.
 - Реле РЭС-22, РЭС-32 в целом виде покупаем только с жёлтыми контактами. Срезку контактов не надо делать, присылайте или привозите реле с целыми корпусами, так как на корпусе находится маркировка. А это, в свою очередь, напрямую влияет на цену реле.
 - Реле РЭС-9 с паспортами 00 01 и 200 стоят 2 рубля/ед..
 - У реле РЭС-10 при демонтаже должны быть сохранены внешние выводы (ноги). Без выводов данное реле существенно дешевле.
 - Реле РЭС-47, РЭС-49, РЭС-60 в целом виде покупаем на вес, отправлять Почтой России не особо рентабельно. Возможно разобрать данные реле на жёлтые контакты-пластинки и в таком виде отправлять. Цена в этом случае будет высокой.
 
голоса
Рейтинг статьи
Принципиальная схема
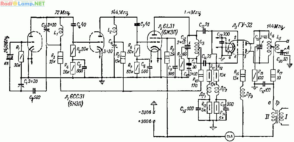
Принципиальная схема генератора приведена на рис. 1. Задающий генератор работает на левом (по схеме) триоде лампы 6СС 31; эту лампу можно заменить лампой 6НЗП. Для этого потребуется лишь уменьшить сопротивление R2 с 15 000 до 5 000 ом. В цепь сетки этого триода включен кварц.

Рис. 1. Принципиальная схема лампового УКВ генератора на 144МГц.
Нумерация электродов указана для отечественных ламп.
Анодный контур лампы Л1 настраивается на частоту 72 Мгц, т. е. в нем выделяется третья гармоника кварца. Правый триод этой же лампы работает в режиме удвоения частоты. Настройка контура L2, С6 на нужную частоту производится при помощи подстроечного конденсатора С6.
Усилитель высокочастотного напряжения работает на лампе 6L31; эту лампу можно заменить лампой типа 6ЖЗП, а еще лучше лампой 6П9. Если применяется лампа типа 6ЖЗП, то в каскад не вводится никаких изменений; если же предполагается использовать лампу типа 6П9, го сопротивление R3 следует уменьшить с 15 000 до 2 000 ом. Анодный контур лампы Л2 образован катушкой L3 и дифференциальным конденсатором С12; роторная система этого конденсатора соединяется с шасси через сопротивление R9 (100 ом).
Питание на анод лампы Л2 подается через среднюю точку катушки L3. Настройка осуществляется конденсатором С12. Применение усилителя напряжения позволяет подвести к сеткам оконечной лампы достаточное напряжение раскачки, что увеличивает полезную мощность генератора и резко повышает к. п. д. каскада.
Выходной каскад работает на двойном лучевом тетроде ГУ-32. Анодный контур этого каскада состоит из катушки индуктивности L4 и дифференциального конденсатора С19. Как и в одном контуре лампы Л2, конденсатор С19 соединен с шасси через сопротивление 100 ом (R16).
При помощи конденсаторов С10 и С11 производят симметрирование контура L3, С12 по высокочастотному напряжению (относительно шасси)
Это очень важно для нормальной работы оконечной лампы
Связь между всеми каскадами — емкостная. Модуляция в передатчике применена анодная,при желании превратить ее в анодно-экранную надо исключить дроссель Др3 и подать питание на экранирующую сетку после вторичной обмотки II модуляционного трансформатора Тр (точка а)-
Связь с антенной—индуктивная, осуществляется при помощи катушки L5; для настройки антенного контура применен конденсатор С20. Выход генератора рассчитан на подсоединение фидера, выполненного из коаксиального кабеля.
Характеристика реле
Специалисты Советского Союза использовали качественные материалы для производства бытовой техники и вычислительных аппаратов. Часто применялись драгоценные материалы. В значительных количествах они содержатся в реле. Добытчикам рекомендуется использовать детали таких серий:
- РП и РЭС;
 - РКН и РПС;
 - РКП и РКМ;
 - РТН и ТРСМ;
 - ТРТ и ТРП.
 
Радиолюбители даже в советское время добывали золото из электроники. Им стало известно то, что значительное содержание драгметаллов в конденсаторе — это 1 источник по их количеству в технике. До сих пор этот способ заработка остаётся актуальным. При грамотном выборе деталей можно накопить собственный небольшой капитал, ведь золото с момента своего появления всегда играло роль твёрдой валюты.
Справочная информация по перечню и количеству содержания драгоценных металлов в изделии: Конденсатор МБГП-3 эксп..
Данные взяты из открытых источников: документации к изделию, формуляров, технической литературы, нормативной документации.
Приводится точная масса содержания драгметаллов: золота, серебра, платины и металлов платиновой группы (МПГ) на единицу изделия в граммах.
Драгметаллы в конденсаторах КМ
Использование в конденсаторах таких материалов как палладия, платины и серебра обусловлено технологическими требованиями и имеет рациональную основу.
Конструктивно конденсаторы выполнены из керамического диэлектрика с нанесенным на него с двух сторон тонким слоем металла (обкладка конденсатора). От выбранного материала диэлектрика и обкладок зависят технические и эксплуатационные характеристики конденсатора.
В качестве диэлектрика используют специальную керамику на основе титаната кальция, циркония и бария. Технологии позволяют получить сверхтонкие слои диэлектрика и собирать их в сэндвичи. Это обеспечивает низкую электрическую проводимость, емкости конденсаторов от долей пикофарад и номинальное напряжение в широком диапазоне.
В качестве обкладок керамических конденсаторов используют палладий, платину и серебро. Эта группа металлов устойчива к действию сульфидов, предотвращает окисление при обжиге и значительно повышает температурную стабильность емкости конденсаторов. Обеспечивает нормированные значения емкости с заданными отклонениями, прогнозируемый ТКЕ, минимизирует значения паразитных параметров, уменьшает влияние внешних факторов, повышает долговечность и надежность.
В зависимости от применяемой технологии нанесения металлов на диэлектрик, варьируется использование и содержание одного из этих драгметаллов в обкладках конденсаторов. При технологическом требовании высокой температуры обжига керамики применение серебра ограничено и больше используется палладий и платина.
Так содержание палладия в электродах керамических монолитных конденсаторов доходит до 78-95%. А от массы всего конденсатора содержание платины может доходить до 0,6%, а палладия до 7%.
Любопытная информация: оказывается, из всего объема палладия, который необходим для электронной промышленности, доля палладия, используемого для производства керамических конденсаторов, может доходить до 60%.
С учетом того, что технологии производства конденсаторов осваивались последовательно, исходя из технических требований, то и содержание этих драгметаллов в конденсаторах должно зависеть, как от завода, так и от года их производства.
Как уже говорилось выше, содержание керамических конденсаторов в отработанной электронной аппаратуре может доходить до 20% от количества компонентов, а в некоторых изделиях — и выше. Проблема переработки отходов электронной промышленности сегодня — фактически нерешенная проблема. В связи с этим, на рынке существует достаточно большое количество предложений, призывающих собирать и сдавать непригодные к эксплуатации электронные устройства.
По керамическим конденсаторам КМ составлены перечни с признаками, определяющими тип конденсаторов и их ориентировочную ценность. Содержание этих «списков» может отличаться друг от друга, но прослеживается общность определенных параметров, по которым можно определить ценность того или иного типа конденсатора КМ.
Ниже приведены некоторые группы предложений от разных скупщиков конденсаторов. В столбце «Пример маркировки» знак «/» указывает на разделение строчек надписи на самом корпусе конденсатора.
Модификации конденсаторов КМ
Производили следующие модификации конденсаторов: КМ-3, КМ-4, КМ-5, КМ-6.
КМ-4, КМ-5, КМ-6 — могут быть 1 или 2 типа, КМ-3 — только 2 типа.
Конструктивные варианты исполнения:
— неизолированные, разнонаправленные выводы: КМ-3а, КМ-4а, КМ-5а — неизолированные, однонаправленные выводы: КМ-3б, КМ-4б, КМ-5б — изолированные, однонаправленные выводы: КМ-3б, КМ-4б, КМ-5б, КМ-6(а, б) — незащищенные: КМ-3в, КМ-4в, КМ-5в
Диапазон номинальных емкостей:
КМ-3 680 пФ — 22 нФ КМ-4 16 пФ — 47 нФ КМ-5 16 пФ — 0,15 мкФ КМ-6 120 пФ — 2,2 мкФ
Распределение КМ по значению номинального напряжения (В) и группам ТКЕ:
П33
МПО
М47
М75
М750
М1500
Н30
Н50
Н90

            



























