Цоколевка
Распиновка IRFZ24N у большинства производителей выполнена в стандартном пластиковом корпусе ТО-220AB, с максимальной рассеиваемой мощностью около 50 Вт. Благодаря низкому тепловому сопротивлению и невысокой стоимости эта упаковка завоевала широкое распространение. Расположение выводов показано на рисунке. Цифрой 1 обозначен затвор (G), под номером 2 – сток (D), 3 – исток (S). Радиатор имеет характерное отверстие для крепления устройства на печатную плату и физический контакт со стоком.

На российском рынке встречаются и более совершенные транзисторы данного типа. Таким устройством является IRFZ24N, также в корпусе ТО220AB, от компании Philips Semiconductor. Они отличаются от классических тем, что выпускаются с применением так называемой «траншейной» технологии (Trench MOSFET) и имеют в сравнении с ними немного лучшие характеристики. Например, сопротивление открытого n-канала у них меньше, чем у обычного планарного полевого транзистора MOSFET. Кроме того предусмотрена защита от электростатических разрядов, при использовании в импульсных источниках питания до 2 кВ.
IRLU024N Datasheet PDF — International Rectifier
| Part Number | IRLU024N | |
| Description | (IRLU/R024N) Power MOSFET | |
| Manufacturers | International Rectifier | |
| Logo | ||
|
There is a preview and IRLU024N download ( pdf file ) link at the bottom of this page. Total 10 Pages |
|
Preview 1 page
No Preview Available !
PD- 91363E HEXFETPower MOSFET l Logic-Level Gate Drive l Surface Mount (IRLR024N) l Straight Lead (IRLU024N) l Advanced Process Technology l Fast Switching l Fully Avalanche Rated G VDSS = 55V RDS(on) = 0.065Ω ID = 17A S Fifth Generation HEXFETPower MOSFETs from International Rectifier utilize advanced processing techniques to achieve the lowest possible on- ID @ TC = 25°C ID @ TC = 100°C IDM PD @TC = 25°C VGS EAS IAR EAR dv/dt TJ TSTG Parameter Continuous Drain Current, VGS @ 10V Continuous Drain Current, VGS @ 10V Pulsed Drain Current Power Dissipation Single Pulse Avalanche Energy Avalanche Current Repetitive Avalanche Energy Peak Diode Recovery dv/dt Operating Junction and RθJC RθJA RθJA Junction-to-Case |
|
25 50 75 100 125 150 175 TC , Case Temperature ( °C) Fig 9. Maximum Drain Current Vs. Case Temperature VDS VGS RG RD D.U.T. Pulse Width ≤ 1 µs Duty Factor ≤ 0.1 % +-VDD Fig 10a. Switching Time Test Circuit VDS 90% VGS td(on) tr td(off) tf Fig 10b. Switching Time Waveforms D = 0.50 PD M t1 2. P eak TJ = P D M x Z thJC + T C 0.001 t1 , Rectangular Pulse D uration (sec) Fig 11. Maximum Effective Transient Thermal Impedance, Junction-to-Case www.irf.com Preview 5 Page |
|
On this page, you can learn information such as the schematic, equivalent, pinout, replacement, circuit, and manual for IRLU024N electronic component. |
| Information | Total 10 Pages |
| Link URL | |
| Download |
Share Link :
Electronic Components Distributor
|
An electronic components distributor is a company that sources, stocks, and sells electronic components to manufacturers, engineers, and hobbyists. |
| SparkFun Electronics | Allied Electronics | DigiKey Electronics | Arrow Electronics |
| Mouser Electronics | Adafruit | Newark | Chip One Stop |
Технические характеристики
Рассмотрим максимально возможные характеристики MOSFET-транзистора IRFZ24N:
- напряжение сток-исток (VDSSmax) до 55 В;
- сопротивление открытого N-канала (RDS(ON)) до 0.07 Ом;
- допустимый рабочий ток стока(ID max): при температуре кристалла TC = +25ОС до 17 А; при TC = +100ОС до 12 А;
- пиковый (импульсный) ток стока (IDМ max) — 68 А;
- рассеиваемая мощность при TC = +25ОС (PD) — 45 Вт;
- предельно допустимое отпирающее напряжение между затвором и истоком (VGS max) ±20 В;
- максимальная энергия единичного импульса (EAS) – 71 мДж;
- пиковый неповторяющийся ток, допустимый в лавинных условиях (IAR) – 10 А;
- неповторяющаяся энергия, которая может быть рассеяна в условиях лавинного пробоя (EAR) – 4,5 мДж;
- наибольший возможный импульс на восстанавливающемся диоде dv/dt – 5.0 В/нс;
- диапазон температур, при которых может храниться изделие от — 55 до +175 °C;
- температура пайки (не более 10 секунд) – 300 (на расстоянии 1,6 миллиметра от упаковки).
При этом надо знать, что реальные рабочие значения у устройства должны быть меньше предельно допустимых примерно на 20-30%.
Электрические
Электрические параметры IRFZ24N приведены в таблице ниже. Других значения при которых производились измерения, приведены в отдельном столбе. Температура перехода (TJ) равна +25ОС, если не указано другого.
Аналоги
Полным аналогом irfz24n считается транзистор STB140NF55 (STMicroelectronics) . Правда у них корпус ТО220, но расположение выводов (распиновка) совпадает с оригиналом. В большинстве случаев, при его использовании, не потребуется вносить дополнительных изменений в схему. А вот еще возможные варианты замены для рассматриваемого устройства с похожими параметрами: 2SK1114, BUZ10, BUZ101, BUZ101S, BUZ104, BUZ104S, HUF75307P3, HUF75309P3, IRFZ24A, MTP15N06V, MTP20N06V, RFP14N05, RFP14N06, RFP15N06, SFP16N06, STP140NF55, STP16NE06, STP20N06, STPNE06, STP20NF06, 2SK2311, IRFIZ24A, 2SK2311, IRFWZ24A, STB16NF06LT.
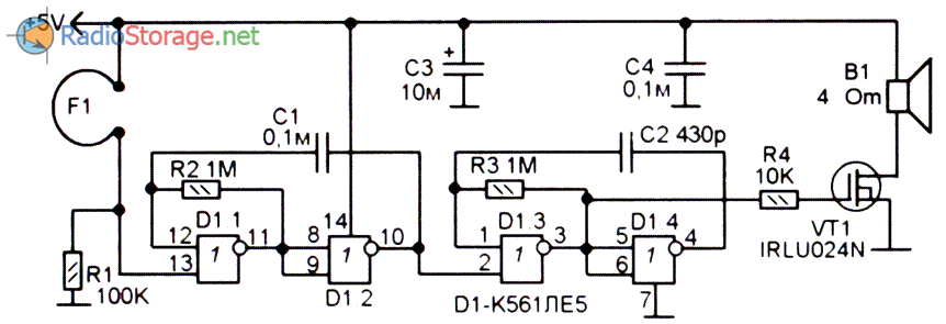
Принципиальная схема
На входе схемы охранный шлейф F1. а звучание начинается при его обрыве.
На микросхеме D1 выполнен генератор пачек импульсов, которые следуют с частотой около 2-3 Гц, а заполнены эти импульсы, импульсами частотой около 1000-2000 Гц. Это два RC-мультивибра-тора. которые включены последовательно. Мультивибратор на элементах D1.1-D1.2 генерирует импульсы частотой 2-3 Гц, на элементах D1.3-D1.4 — импульсы частотой 1000-2000 Гц.
Для того чтобы формировались пачки, нужно чтобы на выводе 13 D1.1 был логический ноль. В этом случае спарка двух мультивибраторов работает.

Рис. 1. Простая схема сигнализации на разрыв шлейфа (4001, IRLU024N).
F1 — охранный шлейф. Когда он цел через него на вход (вывод 13) элемента D1.1 от источника питания поступает через него напряжение логической единицы. Это блокирует мультивибраторы и на выходе D1 3 присутствует постоянный уровень логического нуля.
Напряжение на затвор полевого ключевого транзистора VT1 не поступает, и он остается закрытым. Ток через звуковую катушку динамика В1 не протекает. В таком состоянии ток потребления схемой минимален (менее 0.1 mA).
При обрыве охранного шлейфа F1 на вход (вывод 13) D1.1 поступает напряжение логического нуля через резистор R1. Это запускает мультивибратор D1.1-D1 2. который периодически запускает мультивибратор D1.3-D1.4. Теперь на выходе D1.3 есть пачки импульсов которые поступают на затворную цепь транзистора VT1, периодически открывая его.
На динамик В1 поступают импульсы ока и он издает громкий прерывистый звук. Ток через обмотку динамика проходит значительный, поэтому в режиме сигнализации схема потребляет около 1А.
Детали и печатная плата
Схема собрана на печатной плате, разводка дорожек и монтажная схема которой показана на рисунке под принципиальной схемой. Плата выполнена из одностороннего фольгированного стеклотекстолита. Если материал двухсторонне фольгированный, то одну сторону нужно протравить полностью.

Рис. 2. Печатная плата для схемы сигнализации.
В устройстве применены следующие детали. Постоянные резисторы МЛТ 0,125 или С2-23, либо импортные аналоги. Конденсатор C3 типа К50-35, остальные конденсаторы К10-7 или импортные желтые круглые.
Транзистор IRLU024N можно заменить другим ключевым п-канальным транзистором с низким сопротивлением открытого канала и током не ниже 5А, например, RFD04N06L, SRU08N05L, HUF76407D3, 2SK2229, 2SK2782, 2SK2926L, STD12NF06L, STD20NF06L и другими многочисленными аналогами.
Микросхему К561ЛЕ5 можно заменить на К1561ЛЕ5, К176ЛЕ5 или импортными типа CD4001, MPD4001, HCF4001, MJN4001, МН4001, НСС4001 и другими многочисленными аналогами.
Динамическая головка В1 — высокочастотная миниатюрная «пищалка» для автомобильных акустических систем, подходит, практически любая, сопротивлением катушки от 2 до 8 Ом.
Источником питания сигнализации служит блок питания — зарядное устройство с выходным номинальным напряжением 5V, предназначенное для зарядки мобильных телефонов, смартфонов и других «гаджетов». Оно должно допускать ток на выходе не ниже 2А.
Снегирев И. РК-09-18.
Alternate Parts for IRLU024N
This table gives cross-reference parts and alternative options found for IRLU024N. The Form Fit Function (FFF) tab will give you the options that are more likely to serve as direct pin-to-pin alternates or drop-in parts. The Functional Equivalents tab will give you options that are likely to match the same function of IRLU024N, but it may not fit your design. Always verify details of parts you are evaluating, as these parts are offered as suggestions for what you are looking for and are not guaranteed.
Functional Equivalents (7)
| Part Number | Description | Manufacturer | Compare |
|---|---|---|---|
|
AUIRLU024N |
Power Field-Effect Transistor, 17A I(D), 55V, 0.08ohm, 1-Element, N-Channel, Silicon, Metal-oxide Semiconductor FET, TO-251AA, ROHS COMPLIANT, PLASTIC, IPAK-3 | International Rectifier |
IRLU024N vs AUIRLU024N |
|
IRLU024NPBF |
Power Field-Effect Transistor, 17A I(D), 55V, 0.08ohm, 1-Element, N-Channel, Silicon, Metal-oxide Semiconductor FET, TO-251AA, LEAD FREE, IPAK-3 | International Rectifier |
IRLU024N vs IRLU024NPBF |
|
IRLU024NPBF |
Power Field-Effect Transistor, 17A I(D), 55V, 0.08ohm, 1-Element, N-Channel, Silicon, Metal-oxide Semiconductor FET, TO-251AA, LEAD FREE, IPAK-3 | Infineon Technologies AG |
IRLU024N vs IRLU024NPBF |
| Part Number | Description | Manufacturer | Compare |
|---|---|---|---|
|
IRLU024NPBF |
Power Field-Effect Transistor, 17A I(D), 55V, 0.08ohm, 1-Element, N-Channel, Silicon, Metal-oxide Semiconductor FET, TO-251AA, LEAD FREE, IPAK-3 | International Rectifier |
IRLU024N vs IRLU024NPBF |
|
AUIRLU024N |
Power Field-Effect Transistor, 17A I(D), 55V, 0.08ohm, 1-Element, N-Channel, Silicon, Metal-oxide Semiconductor FET, TO-251AA, ROHS COMPLIANT, PLASTIC, IPAK-3 | International Rectifier |
IRLU024N vs AUIRLU024N |
|
IRLU024Z |
Power Field-Effect Transistor, 16A I(D), 55V, 0.058ohm, 1-Element, N-Channel, Silicon, Metal-oxide Semiconductor FET, TO-251AA, PLASTIC, IPAK-3 | International Rectifier |
IRLU024N vs IRLU024Z |
|
AUIRLU024Z |
Power Field-Effect Transistor, 16A I(D), 55V, 0.058ohm, 1-Element, N-Channel, Silicon, Metal-oxide Semiconductor FET, TO-251AA, ROHS COMPLIANT, PLASTIC, IPAK-3 | International Rectifier |
IRLU024N vs AUIRLU024Z |
|
IRLU024NPBF |
Power Field-Effect Transistor, 17A I(D), 55V, 0.08ohm, 1-Element, N-Channel, Silicon, Metal-oxide Semiconductor FET, TO-251AA, LEAD FREE, IPAK-3 | Infineon Technologies AG |
IRLU024N vs IRLU024NPBF |
|
IRLU024ZPBF |
Power Field-Effect Transistor, 16A I(D), 55V, 0.058ohm, 1-Element, N-Channel, Silicon, Metal-oxide Semiconductor FET, TO-251AA, LEAD FREE, PLASTIC, IPAK-3 | International Rectifier |
IRLU024N vs IRLU024ZPBF |
|
AUIRLU024Z |
Power Field-Effect Transistor, 16A I(D), 55V, 0.058ohm, 1-Element, N-Channel, Silicon, Metal-oxide Semiconductor FET, TO-251AA, IPAK-3 | Infineon Technologies AG |
IRLU024N vs AUIRLU024Z |


IRLR/U024N
























