Применение драгоценных металлов в индустрии
Драгоценные металлы, такие как золото, серебро и платина, играют важную роль в различных отраслях промышленности. Их уникальные химические и физические свойства делают их незаменимыми материалами для производства различных изделий.
Одним из наиболее распространенных применений драгоценных металлов является ювелирное производство. Золото и серебро используются для создания красивых украшений, таких как кольца, серьги, браслеты и ожерелья. Эти металлы ценятся за свою прочность, блеск и стойкость к коррозии, что делает их идеальными для изготовления ювелирных изделий.
Драгоценные металлы также находят широкое применение в электронной промышленности. Серебро, например, используется для создания электрических контактов в различных устройствах, таких как мобильные телефоны, компьютеры и телевизоры. Золото также используется в производстве электроники, особенно в микросхемах, благодаря своей высокой проводимости и стойкости к окислению.
Платина является важным материалом для производства автомобильных катализаторов. Этот металл используется для очистки выхлопных газов от вредных веществ и снижения загрязнения окружающей среды. Платиновые катализаторы обладают высокой эффективностью и долговечностью, что делает их предпочтительными для автомобильной промышленности.
Кроме того, драгоценные металлы находят применение в медицине, пространственной и аэрокосмической промышленности, производстве оптических приборов, химической промышленности и других отраслях. Их ценность и уникальные свойства делают их неотъемлемыми компонентами современных технологий и промышленности.
Принципиальная схема
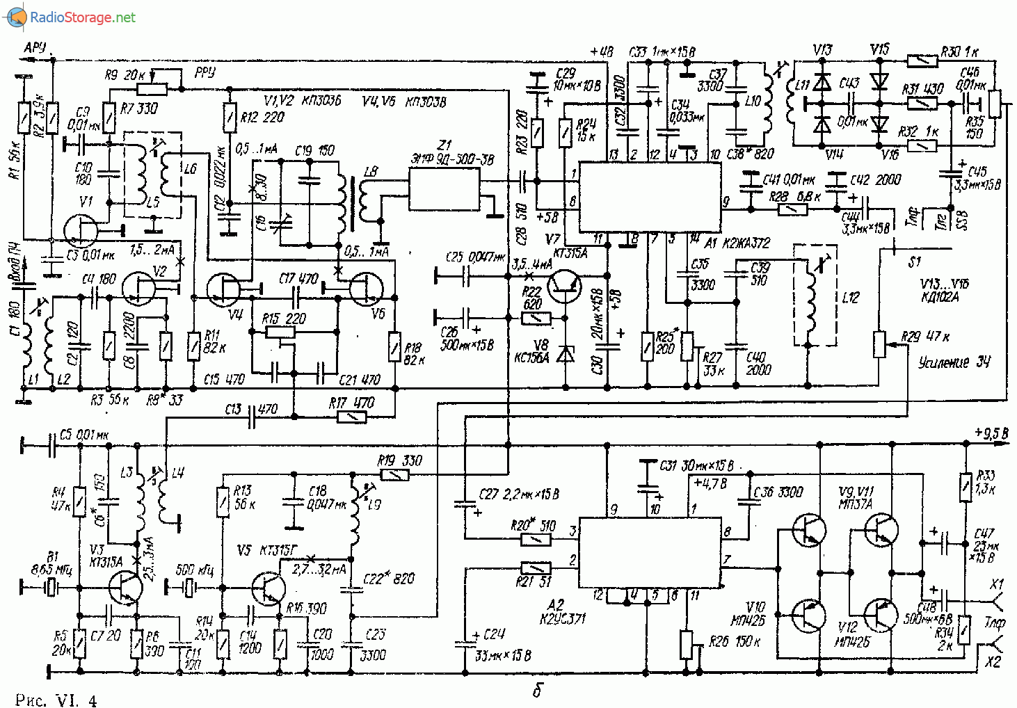
Принципиальная схема высокочастотного блока приемника изображена на рис. а. Его можно также использовать как конвертер с любым приемником чувствительностью не хуже 5 мкВ, настроенным на фиксированную частоту 9,15 МГц.
Высокочастотный блок состоит из входного полосового фильтpa (L2C1*C2.1 C3 L3 C5 C6 C2.2), каскадного усилителя РЧ (транзисторы V2 и V3), генератора плавного диапазона (ГПД) (транзисторы V4 и V5) и балансного смесителя (транзисторы V6 и V7).
При первой промежуточной частоте 9,15 МГц ГПД должен перекрывать диапазон частот 18,85…20,28 МГц. ГПД, входной полосовой фильтр и усилитель РЧ перестраивают счетверенным блоком конденсаторов С2.1—С2.4.
Принципиальная схема трактов ПЧ и ЗЧ приемника изображена на рис. б. На транзисторах V1 и V2 выполнен каскадный, усилитель первой ПЧ, на транзисторах V4 и V6 — балансный смеситель. Гетеродин собран на транзисторе V3. Его частота (8,65 МГц) стабилизирована кварцевым резонатором В1.
Пройдя через ЭМФ Z1, сигнал поступает на микросхему А1, которая выполняет функции усилителя второй ПЧ, AM детектора и усилителя АРУ. Рабочую точку усилителя ПЧ устанавливают подстроечным резистором R27, а коэффициент усиления — подбором резистора R25. Контур L12 C39 C40 настроен на частоту 500 кГц.
В режимах Тлг и SSB сигнал промежуточной частоты с усилителя ПЧ микросхемы А1 через колебательный контур L10 C37 C38 поступает на детектор смесительного типа. Он собран по кольцевой схеме на диодах V13—V16. Опорный генератор выполнен на транзисторе V5. Частота генератора (500 кГц) стабилизирована кварцевым резонатором В2.
Напряжение ЗЧ с выхода AM детектора (вывод 9 микросхемы А1) или со смесительного детектора через переключатель рода работ S1 и регулятор громкости R29 подается на вход усилителя ЗЧ.


Рис. 1. Принципиальная схема КВ радиоприемника на диапазон 28 МГц (AМ, СW и SSB).
Предварительный усилитель ЗЧ собран на микросхеме А2У а выходной каскад — на транзисторах V9 —V12. Резистором R20* определяют чувствительность и входное сопротивление усилителя, а резистором R26 устанавливают рабочую точку выходного каскада.
При увеличении входного сигнала срабатывает система АРУ, которая воздействует на усилители промежуточной частоты первой и второй П4, а также на усилитель Р4 высокочастотного блока приемника, уменьшая их усиление. Ручную регулировку (только по первой П4) выполняет переменным резистором R9.
Тонкопленочная интегральная схема
|
Зависимость свойств алюминиевых пленок от температуры подложки. |
Тонкопленочные интегральные схемы в чистом виде применяют очень редко, так как методами тонкопленочной технологии можно изготовить только пассивные элементы ограниченных номиналов.
|
Типовая одноплатная конструкция микроблока. |
Тонкопленочными интегральными схемами называют все схемы, выполняемые осаждением пленок различных материалов на изоляционное основание.
|
Принципиальная схема преобразователя частоты приемника А-271. |
На тонкопленочных интегральных схемах К2ЖА371, К2ЖА372 и К2УС372 выполнен тракт AM автомобильного радиоприемника А-271.
Процесс изготовления тонкопленочной интегральной схемы состоит из нескольких этапов.
Физико-химические основы производства тонкопленочных интегральных схем базируются на законах газообразного и кристаллического состояний веществ, на явлениях адсорбции и диффузии, на классических законах современной физики.
|
Изготовление двухкаскадного усилителя НЧ способом вакуумного испарения. |
В качестве примера изготовления тонкопленочных интегральных схем на рис. 240 показано получение способом вакуумного испарения двухкаскадного усилителя.
Испаряют материалы, применяемые для изготовления тонкопленочных интегральных схем, нагревая их в вакууме.
Широкое применение в электронике находят герметизирующие и энкапсулирующие лакокрасочные покрытия, с помощью которых достигаются электроизоляция, упрочнение и защита от внешних воздействий ( влаги, пыли, смазок, топлив, грибковых поражений, ударов, вибрации) как отдельных электронных компонентов типа резисторов, терморезисторов, керамических и пленочных конденсаторов, так и сложнейших печатных плат, толсто — и тонкопленочных интегральных схем. Существует большой ассортимент таких составов — от низковязких, хорошо растекающихся и обеспечивающих полную герметизацию отдельных электронных компонентов, до высоковязких, способных надежно защищать сложные схемы.
Конденсаторы, используемые в интегральных схемах, могут быть трех типов. Первые два типа конденсаторов применяются в полупроводниковых интегральных схемах, третий тип-в гибридных тонкопленочных интегральных схемах. Все типы интегральных конденсаторов характеризуются теми же параметрами, что и дискретные конденсаторы, однако для конденсаторов первого типа существен специфический параметр — коэффициент напряжения, характеризующий зависимость емкости конденсатора от приложенного напряжения.
Поэтому при обычных температурах они обладают очень низкой концентрацией свободных носителей заряда, обусловливающей чрезвычайно малую их электропроводность. Это позволяет использовать диэлектрические пленки в качестве изолирующих прокладок между металлами или металлами и полупроводниками в тонкопленочных и интегральных схемах.
Однако, так как диэлектрическая постоянная массивного Si3N4 ( в 9 4) выше, чем у SiO ( e 6) и SiO2 ( e 3 8), пленки нитрида кремния представляют также интерес для создания конденсаторов. Было обнаружено, что электрическая прочность пленок Si3N4, осажденных при 1000 С за счет реакции SiCl4 и NH3, выше, чем у пленок SiO и SiO2 ( см. также рис. 4), но температура реакции слишком велика для использования при изготовлении тонкопленочных интегральных схем. Предварительные результаты показывают, что стехио-метрические пленки Si3N4 могут быть получены при низких температурах подложки путем реактивного катодного распыления на постоянном токе или ВЧ распыления катода из поликристаллического кремния в атмосфере азота. Из этих двух методов ВЧ распыление более предпочтительно. Однако для использования тонких пленок нитрида при изготовлении тонкопленочных конденсаторов требуется провести большую работу.
Где и какие драгметаллы содержатся?
К сожалению, современное производство старается максимально удешевить все, что только можно, а поэтому сравнительно новая техника если и содержит драгоценные металлы, то совершенно в незначительных количествах. По крайней мере, из бытовых приборов и другой достаточно широко распространенной техники на данный момент не получится выделить что-либо действительно стоящее, поэтому стоимость таких устройств и деталей стремится к нулю, как только они теряют практическую ценность.
Совсем другое дело — техника и электроника, произведенная в советское время, особенно если эта техника создавалась не для массового пользования, а для интересов государства. Ресурсов на разработку и производство подобных устройств не жалели, поэтому многие приборы даже в единичном экземпляре содержат достаточно драгоценных металлов, чтобы их стоимость оценивалась в несколько тысяч и больше.
Какие драгоценные металлы можно найти?
В большинстве случаев использовались серебро и золото, по причине их сравнительной дешевизны и достаточно широкого распространения. Однако, эти драгметаллы далеко не единственные, которые можно встретить в радиодеталях, и другие металлы порой стоят во много раз дороже золота.
Есть шанс встретить следующие драгметаллы в радиодеталях:
В некоторых случаях можно встретить и редкоземельные металлы некоторых видов. Шанс последнего варианта сравнительно невелик, поскольку дорогостоящее производство и применение редкоземельных металлов в составе радиодеталей должно быть обусловлено необходимостью и целесообразностью. Массовое производство бытовых приборов, естественно, такую необходимость не создавало даже во времена СССР, а потому и шанс на успешные поиски невелик.
Какие приборы содержат драгметаллы?
Максимальное количество драгоценных металлов находится внутри советской измерительной техники и вычислительных приборов.
Примерами такой техники являются:
- Электронные модели вольтметров;
- Генераторы, в особенности высокочастотные;
- Синтезаторы частот;
- Осциллографы;
- Частометры.
Практически во всех таких устройствах количество деталей, содержащих драгоценные металлы, максимально велико в сравнении с другой техникой. Впрочем, крайности есть и здесь: одни устройства могут иметь до нескольких грамм драгоценных металлов внутри, тогда как другие устройства имеют незначительное количество, не стоящее затрат на поиски и сдачу.
Платина: основные характеристики
Платина — один из самых редких драгоценных металлов, который встречается в природе главным образом в виде сплавов и в химических соединениях. Ее символ в таблице химических элементов — Pt, а атомный номер — 78.
Платина отличается высокой плотностью — около 21 г/см³, что делает ее одним из самых тяжелых металлов. Она также обладает высокой пластичностью и хорошей устойчивостью к коррозии и окислению.
Платина является отличным проводником электричества, а также обладает специфическими каталитическими свойствами. Она активно используется в производстве катализаторов, а также в электронике и ювелирной промышленности.
Платина имеет богатую историю использования — она была известна еще в древние времена и использовалась для изготовления украшений и предметов роскоши. В настоящее время платина является одним из самых дорогих металлов на Земле из-за своей редкости и высокого спроса.
Обладая уникальными физическими и химическими свойствами, платина играет важную роль в различных отраслях промышленности и науке, и оставаясь олицетворением роскоши и статуса, продолжает привлекать интерес как украшение и инвестиционный актив.
Результаты и перспективы развития процесса
Процесс содержания драгоценных металлов в К2гс371 является технически сложным и требует высокой степени контроля и оптимизации. Несмотря на неоднородность и сложность исходного сырья, были достигнуты значительные результаты в увеличении выхода драгоценных металлов.
Одним из основных достижений является увеличение эффективности процесса с помощью использования новых методов и технологий. Внедрение современных систем автоматизации и контроля позволило значительно снизить вероятность ошибок и улучшить качество производимых материалов.
Также были разработаны и оптимизированы новые химические реагенты и реагентные смеси, что позволило улучшить процесс экстракции драгоценных металлов и повысить их концентрацию в конечном продукте. Это позволяет снизить затраты на их добычу и обработку, что является существенным экономическим преимуществом.
Перспективы развития процесса содержания драгоценных металлов в К2гс371 значительно зависят от дальнейшей оптимизации производства и поиска новых технических решений. Исследование новых реагентов и методов может привести к дальнейшему увеличению выхода драгоценных металлов и улучшению их качества.
Кроме того, важным фактором в перспективах развития процесса является снижение негативного влияния на окружающую среду. Внедрение новых экологически чистых технологий и реагентов может снизить загрязнение воды и почвы и сделать процесс более устойчивым и экологичным.
Конденсаторы
Конденсаторы, содержащие драгметаллы:
- Конденсаторы керамические монолитные следующих серий: КМ3, КМ4, КМ5, + КМ6, К10-17, К10-26, К10-48.
- Конденсаторы в пластиковом корпусе: К10-17, К10-23, К10-28, К10-43, К10-46, К10-47.
- Конденсаторы КМ5 группы Н30 зелёного цвета- это конденсаторы, на которых чётко написано «Н30».
- Советские бескорпусные конденсаторы покупаем всех размеров, импорт не подмешивать, сразу видно.
- Импортные бескорпусные конденсаторы в настоящее время не принимаем.
- Конденсаторы импортные, определённых марок (смотрите в фотокаталоге).
- Конденсаторы танталовые следующих серий: К52-9, ЭТ, ЭТН, К53-1, К53-7, К53-16, К53-18, К53-28.
- Конденсаторы К50-6, К50-12, К53-4, К53-14, К53-21, К71-7, К73п-2, К73-3, К73-9, К78-2 и подобные не подходят, такие не покупаем.
- Конденсаторы серебряно-танталовые: К52-1, К52-2, К52-5, К52-7, ЭТО-1, ЭТО-2.
- Ёмкостные сборки Б-18, Б-20, проходные фильтры Б-23, линии задержки МЛЗ, микромодули, ГИС.
Уникальные свойства драгоценных металлов
Драгоценные металлы имеют ряд уникальных свойств, которые делают их особенно ценными и востребованными в индустрии и ювелирном деле. Они обладают высокой стойкостью к коррозии, что позволяет им сохранять свой блеск и красоту на протяжении долгого времени.
Драгоценные металлы также обладают высокой теплопроводностью и электропроводностью. Это делает их идеальными для использования в электронной промышленности, а также в производстве контактов и проводов. Благодаря своим свойствам, они способны эффективно транспортировать тепло и электричество.
Драгоценные металлы также являются малоактивными химическими элементами. Они не реагируют с водой, кислотами и щелочами, что делает их стабильными и устойчивыми к коррозии. Это свойство позволяет использовать драгоценные металлы для создания ювелирных изделий, которые не только прекрасно выглядят, но и имеют долгий срок службы.
Некоторые драгоценные металлы также обладают способностью криогенной стабильности, то есть они сохраняют свои свойства и при очень низких температурах. Благодаря этому они широко применяются в научных исследованиях, а также в промышленности, где требуется работа с очень низкими температурами.
В итоге, уникальные свойства драгоценных металлов делают их незаменимыми материалами в различных сферах промышленности и искусства. Они сочетают в себе прекрасный внешний вид, стойкость к коррозии, высокую электропроводность и другие полезные свойства, что делает их ценными и востребованными на рынке.
Применение физических методов
Метод электролиза является одним из основных физических методов при содержании драгоценных металлов в К2гс371. В ходе этого процесса металлические ионы растворенных в растворе солей драгоценных металлов осаждается на электроде под действием электролиза. Этот метод позволяет получить высокую чистоту металлов, однако требует точного контроля многих параметров, таких как температура, скорость снижения напряжения и т.д.
Метод золотоизвлечения — это физический метод, который применяется для извлечения золота из золотосодержащих руд или отходов. Одним из самых распространенных методов является цианидное выщелачивание, при котором золото растворяется в растворе цианида и затем осаждается электролизом или сорбцией на активном угле.
Метод амальгамации также используется при содержании драгоценных металлов в К2гс371. Этот метод основан на способности ряда металлов образовывать сплавы – амальгамы с ртутью. Драгоценные металлы взаимодействуют с ртутью, образуя амальгамы, которые затем можно отделить от других компонентов смеси. Этот метод широко применяется при обработке золотосодержащих руд.
Метод флотации представляет собой физический способ обогащения рудных материалов с драгоценными металлами. Он основан на различии в гидрофобности металлических минералов и отвечает за разделение их от других компонентов руды, таких как горные породы и другие минералы. В ходе процесса осуществляется пенообразование, при котором металлические минералы поднимаются к поверхности, а нежелательные компоненты остаются внизу.
Метод магнитной сепарации применяется для разделения драгоценных металлов, которые обладают магнитными свойствами, от других компонентов руды. Данный метод основан на использовании магнитных свойств металлических минералов и применяется для их извлечения из смесей. Он может быть использован в комбинации с другими методами, такими как флотация или гравитационная сепарация, для более эффективного извлечения драгоценных металлов.
Лампы генераторные серий ГИ, ГМИ, ГС, ГУ
Лампы, содержащие драгметаллы.
- ГС-23Б, ГС-36Б, ГИ-19Б, ГМИ-2Б, ГМИ-4Б, ГМИ-5, ГМИ-6, ГМИ-6-1, ГМИ-7, ГМИ-7-1, ГМИ-10, ГМИ-11, ГМИ-14Б, ГМИ-19Б, ГМИ-21-1, ГМИ-24Б, ГМИ-26Б, ГМИ-27А, ГМИ-27Б, ГМИ-32Б, ГМИ-32Б1, ГМИ-38, ГМИ-42Б, ГМИ-83В, ГМИ-89, ГМИ-90
- ГУ-19-1, ГУ-29, ГУ-34Б, ГУ-34Б1, ГУ-43А, ГУ-43Б, ГУ-50, ГУ-70Б, ГУ-71, ГУ-72, ГУ-73Б, ГУ-73П, ГУ-74Б, ГУ-78Б, ГУ-84Б
- ГКД1-600/5, ТГИ1-2500/50, ТГИ1-2000/35, ЛИ-604 К-1, ЛИ-705, ЛИ-702-1, ЛИ-703, 5МГЦ резонатор, Кварц К3, Разрядник РР-7, Клистрон К-12, Клистрон К-351, Клистрон К-352
- Генераторные лампы покупаем до 01.1991 года выпуска. На цену ламп влияет наличие знака «ромб» и ряд других факторов.
- Радиолампы от телевизоров СССР без упаковки и б/у радиолампы не покупаем. Более подробно на странице «Лампы».
Перспективы внедрения новых технологий
В современной промышленности постоянно ищутся новые технологии и методы для улучшения процесса содержания драгоценных металлов в К2гс371. Это вызвано не только стремлением к повышению эффективности производства, но и необходимостью соблюдения требований экологической безопасности.
Одной из перспективных технологий становится применение наноматериалов в процессе содержания драгоценных металлов. Наноматериалы обладают уникальными свойствами, такими как большая поверхность и возможность манипулирования химическими реакциями на молекулярном уровне. Это позволяет значительно повысить эффективность процесса, уменьшить количество используемых реагентов и снизить негативное воздействие на окружающую среду.
Еще одной перспективной технологией является использование электролиза. Это метод, основанный на разделении растворенных веществ под действием электрического тока. Электролиз позволяет добиться высокой степени чистоты получаемого металла и обеспечивает возможность его вторичного использования
Кроме того, электролиз является энергоэффективным методом, что важно с учетом растущих экологических требований
Внедрение новых технологий также может быть связано с использованием автоматизации и роботизации процесса содержания драгоценных металлов. Это позволяет увеличить точность и скорость процесса, исключить человеческий фактор и повысить безопасность работников. Роботизация также способствует эффективному использованию ресурсов, так как роботы могут работать круглосуточно без необходимости перерывов на отдых.
Итак, внедрение новых технологий в процесс содержания драгоценных металлов в К2гс371 представляет значительный потенциал для повышения эффективности, улучшения качества и снижения негативного воздействия на окружающую среду. Наноматериалы, электролиз и роботизация являются только некоторыми из перспективных направлений развития, которые могут принести значительные преимущества в данной области.
Значимость драгоценных металлов
Драгоценные металлы имеют особую значимость для человечества уже на протяжении многих веков. Они не только привлекательны внешне, но также обладают ценностью как экономического актива и материала для различных промышленных процессов.
Одним из наиболее важных драгоценных металлов является золото. Золото ценится за свое высокое качество, блеск и устойчивость к коррозии. Оно использовалось в качестве денежной единицы и средства обмена во многих цивилизациях, а также используется в ювелирном искусстве, электронике, косметической и промышленности.
Серебро также является важным драгоценным металлом. Оно обладает отличными проводящими свойствами электричества и тепла, что делает его идеальным для использования в электротехнике и электронике. Отличительной чертой серебра является его белый блеск, который делает его популярным материалом для изготовления ювелирных изделий и посуды.
Платина, несмотря на свое редкое встречаемость, имеет большую значимость в промышленности. Ее применяют в катализаторах, при производстве стекла, компьютерных чипов, в медицине и ювелирном искусстве. Платина проявляет высокую химическую инертность, что делает ее незаменимым материалом для ряда процессов и применений.
Драгоценные металлы играют важную роль в мировой экономике и имеют большую значимость в различных отраслях промышленности. Их применение и ценность только возрастают, делая их незаменимыми ресурсами для развития и научно-технического прогресса.
Драгметаллы в конденсаторах КМ
Использование в конденсаторах таких материалов как палладия, платины и серебра обусловлено технологическими требованиями и имеет рациональную основу.
Конструктивно конденсаторы выполнены из керамического диэлектрика с нанесенным на него с двух сторон тонким слоем металла (обкладка конденсатора). От выбранного материала диэлектрика и обкладок зависят технические и эксплуатационные характеристики конденсатора.
В качестве диэлектрика используют специальную керамику на основе титаната кальция, циркония и бария. Технологии позволяют получить сверхтонкие слои диэлектрика и собирать их в сэндвичи. Это обеспечивает низкую электрическую проводимость, емкости конденсаторов от долей пикофарад и номинальное напряжение в широком диапазоне.
В качестве обкладок керамических конденсаторов используют палладий, платину и серебро. Эта группа металлов устойчива к действию сульфидов, предотвращает окисление при обжиге и значительно повышает температурную стабильность емкости конденсаторов. Обеспечивает нормированные значения емкости с заданными отклонениями, прогнозируемый ТКЕ, минимизирует значения паразитных параметров, уменьшает влияние внешних факторов, повышает долговечность и надежность.
В зависимости от применяемой технологии нанесения металлов на диэлектрик, варьируется использование и содержание одного из этих драгметаллов в обкладках конденсаторов. При технологическом требовании высокой температуры обжига керамики применение серебра ограничено и больше используется палладий и платина.
Так содержание палладия в электродах керамических монолитных конденсаторов доходит до 78-95%. А от массы всего конденсатора содержание платины может доходить до 0,6%, а палладия до 7%.
Любопытная информация: оказывается, из всего объема палладия, который необходим для электронной промышленности, доля палладия, используемого для производства керамических конденсаторов, может доходить до 60%.
С учетом того, что технологии производства конденсаторов осваивались последовательно, исходя из технических требований, то и содержание этих драгметаллов в конденсаторах должно зависеть, как от завода, так и от года их производства.
Как уже говорилось выше, содержание керамических конденсаторов в отработанной электронной аппаратуре может доходить до 20% от количества компонентов, а в некоторых изделиях — и выше. Проблема переработки отходов электронной промышленности сегодня — фактически нерешенная проблема. В связи с этим, на рынке существует достаточно большое количество предложений, призывающих собирать и сдавать непригодные к эксплуатации электронные устройства.
По керамическим конденсаторам КМ составлены перечни с признаками, определяющими тип конденсаторов и их ориентировочную ценность. Содержание этих «списков» может отличаться друг от друга, но прослеживается общность определенных параметров, по которым можно определить ценность того или иного типа конденсатора КМ.
Ниже приведены некоторые группы предложений от разных скупщиков конденсаторов. В столбце «Пример маркировки» знак «/» указывает на разделение строчек надписи на самом корпусе конденсатора.
Основные принципы содержания К2гс371
К2гс371 — это сплав, содержащий драгоценные металлы, который обладает высокими техническими и эксплуатационными характеристиками. Для сохранения качества и эффективности сплава необходимо соблюдать ряд основных принципов его содержания.
1. Правильное хранение и транспортировка: К2гс371 должен храниться в специальных упаковках или контейнерах, защищенных от воздействия влаги, коррозии и механического воздействия
При транспортировке сплава необходимо соблюдать меры предосторожности, чтобы избежать повреждения или потери материала
2. Регулярная чистка и обработка поверхности: Для поддержания высокой эстетической привлекательности сплава К2гс371 рекомендуется периодически чистить и обрабатывать его поверхность. Для этой цели можно использовать мягкую щетку, протирочную ткань или специальные средства для очистки драгоценных металлов.
3. Избегание воздействия агрессивных веществ: К2гс371 может быть поврежден контактом с агрессивными химическими веществами, такими как кислоты, щелочи или растворители
Поэтому необходимо избегать контакта сплава с подобными веществами и принимать меры предосторожности при работе с ними
4. Регулярный мониторинг состояния сплава: Для контроля состояния К2гс371 рекомендуется периодически проводить его осмотр, проверять наличие повреждений, изменение цвета или текстуры. Если возникают какие-либо отклонения, необходимо принимать меры по исправлению или замене сплава.
5. Профессиональные услуги по обслуживанию: В случае необходимости ремонта, полировки или других работ по обслуживанию сплава К2гс371, рекомендуется обращаться к специалистам с опытом работы с драгоценными металлами. Только профессиональные услуги позволят сохранить качество и эстетику сплава в течение длительного времени.
Серебро: преимущества и применение
Серебро — один из наиболее ценных и драгоценных металлов, которое обладает рядом уникальных свойств и применяется в различных областях жизни.
Преимущество серебра заключается в его антибактериальных свойствах. Оно способно уничтожать большой спектр бактерий, грибков и вирусов, что делает его идеальным материалом для медицинского использования. Так, серебряные повязки и пластыри применяются для лечения ран, ожогов и инфекций кожи. Кроме того, серебряные предметы, такие как ложки и вилки, могут иметь антибактериальное покрытие, что помогает предотвратить распространение инфекций.
Серебро также является отличным проводником электричества и тепла. Оно используется в электронике для создания контактов, проводников и светодиодов. Кроме того, серебро применяется в производстве зеркал и фотоэлементов для солнечных батарей.
Одним из наиболее известных применений серебра является ювелирное искусство. Серебряные украшения всегда пользовались популярностью благодаря своей элегантности и прочности. Они могут быть оригинальными и разнообразными, идеально дополняя образ своего обладателя.
В целом, серебро является универсальным и востребованным металлом благодаря своим уникальным свойствам и применению в различных областях. Это драгоценный материал, который придает стиля и защищает от бактерий, а его использование в индустрии и технологиях продолжает развиваться и расширяться.
Качество исходного сырья
Одним из основных факторов, влияющих на процесс содержания драгоценных металлов в К2гс371, является качество исходного сырья
При проведении процесса содержания, важно использовать высококачественные и чистые материалы, чтобы получить максимальную эффективность и надежность в извлечении драгоценных металлов
Качество исходного сырья может быть определено несколькими параметрами
Во-первых, важно обратить внимание на содержание драгоценных металлов в сырье. Чем больше металла содержится в исходном материале, тем больше возможностей для получения высокой выходной продукции
Однако, помимо содержания драгоценных металлов, также важно обратить внимание на качество самого сырья. Исходный материал должен быть чистым и свободным от примесей, таких как органические и неорганические загрязнения. Присутствие таких загрязнений может привести к нежелательным повреждениям оборудования и низкому качеству выходной продукции
Присутствие таких загрязнений может привести к нежелательным повреждениям оборудования и низкому качеству выходной продукции.
Для обеспечения высокого качества исходного сырья, рекомендуется проводить предварительную очистку исходного материала, а также регулярно контролировать его качество на различных этапах процесса содержания. Это позволит достичь оптимальных результатов и повысить эффективность работы К2гс371.





























