Коммутатор для четырех каналов
Переключатель на четыре входа предназначен для стереофонического устройства. Коэффициент гармоник при входном напряжении до 1 В не превышает 0, 15%. Сопротивление нагрузки должно быть не менее 47 кОм.
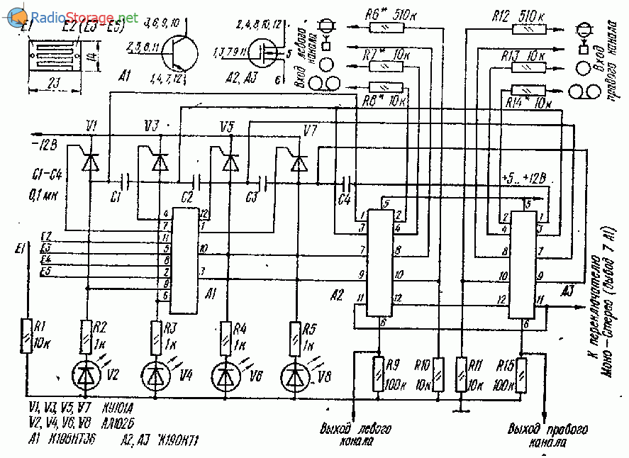
Как видно из схемы, переключатель выполнен на транзисторной сборке А1, четырех тринисторах (V1, VЗ, V5, V7) и двух пятиканальных коммутаторах К190КТ1.
Сенсорные контакты Е2—Е5 соединены с базами транзисторов сборки А1. В исходном состоянии все транзисторы этой сборки, тринисторы и электронные ключи коммутаторов А2, АЗ закрыты, и светодиоды V2, V4, V6, V8 не светятся.
При касании сенсорных контактов Е1 и Е2 транзистор сборки А1, база которого (вывод 11) соединена с контактом Е2 открывается, и,импульс его коллекторного тока заставляет открыться тринистор V5.
В результате зажигается светодиод V6, на затворы соответствующих транзисторов микросхем А2, АЗ (выводы 7) подается напряжение отрицательной полярности, и они открываются, соединяя линейный выход приемника со входом усилителя ЗЧ.
При касании другой пары контактов коммутатор работает аналогично, при этом ранее открытый тринистор закрывается под действием напряжений на обкладках соединенных с его анодом конденсаторов С1—С4. Для уменьшения проникания на выход сигналов отключенных источников программ на подложки транзисторов микросхем А2, АЗ (выводы 5) подано положительное напряжение.
В устройстве предусмотрена возможность перевода усилителя ЗЧ в монофонический режим работы. Для переключения режимов» используется двухвходовой переключатель. Конденсаторы С1 и С2, а также резистор R8 из него в этом случае исключают, вывод 6 микросхемы А1 соединяют с общим проводом, а вывод 7-е выводами 11 микросхем А2, АЗ коммутатора входов. Режим моно включают после таких изменений прикосновением к сенсорным контактам Е1 и Е2.

Рис. 2. Схема четырехканального коммутатора сигналов ЗЧ.
При питании всего устройства напряжением 12 В сопротивления резисторов R6, R7 необходимо уменьшить до 1 кОм, при питании напряжением 24 В — необходимо увеличить до 2 кОм сопротивления резисторов R2— R5. Устройство сенсорных контактов показано в левой верхней части второй схемы. Их изготовляют из фольгированного стеклотекстолита.
При отсутствии микросхем в коммутаторе можно использовать полевые транзисторы КП304А, а транзисторную сборку К198НТЗБ заменить транзисторами КТ315Б.
Вместо тринисторов КУ101А допустимо использовать другие тринисторы этой серии, вместо светодиодов АЛ102Б — любые другие.
Налаживание коммутатора сводится к подбору резисторов R6* — R8*, R12* —R14*, чтобы привести к одному уровню напряжения, поступающие на входы от разных источников программ.
Для чего используются микросхемы к190кт2п описание
Доброго времени суток, Уважаемые коты!
Такая проблема, приобрёл усь, а там какая-то фигня с входами. Подключаю сигнал от компьютера к универсальному входу (так же пробовал к тюнеру), а в колонках гул и всё((( При подключении к входу «запись» — всё работает.
Сборка печатных плат от $30 + БЕСПЛАТНАЯ доставка по всему миру + трафарет
Источники питания MORNSUN удовлетворяют всем необходимым требованиям промышленной и домашней автоматизации. Используя их, можно не только организовать электропитание устройств, но и обеспечить надежное резервирование по питанию, используя предлагаемые компанией модули резервирования.
В статье на примере схемотехнических особенностей и рабочих характеристик LED-драйверов MEAN WELL рассмотрены вопросы, связанные с устройством современных светодиодных светильников и их комплектующих – осветительных светодиодов и LED-драйверов . Поставки продукции MEAN WELL в Россию продолжаются. Наш материал поможет вам выбрать LED-драйвер, соответствующий вашим задачам. Вы также можете задать свои вопросы.
_________________Если кажется, что работу сделать легко, это непременно будет трудно.
Тема: Усилитель Радиотехника У-101 стерео
Сообщение от Константин
ar7.djvu (33,6 Кб, Просмотров: 3381)
Кстати если зытронуть рукой по очереди входы обоих каналов, то тот который греется втоде имеет меньшую чувствительность. ——Это можно проверить подав на вход сигнал и померив уровень сигнала на выходе либо миливольтметром либо осциллографом. А на слух.
Осцилограф пока не имею, из измерительной аппаратуры у метя пока только иультиметор DT-830.
Проверь постоянку на выходе.
Проверил ничего нет.
Вообще мне этот усилок как полнофункциональный не нужен. У меня есть оконечник «Сигма 200», а из этого я хотел-бы сделать хороший предварительный усилитель к сигме. А избавить от нагрева я его хочу для того, чтобы можно было его нормально послушать. У него в выходном каскаде стоят в каждом плече по 2 транзистора паралельно, а я слышел, что это как-то улучшает звучание. Вот и интересно проверить по тому что я раньше не слушал звучание таких усилков.
В претполагаемом предварительном усилителе мне хотелось-бы добиться правильной тонкомпенсации и минемум шума и искажений.
Печатать не в зеркале — прямо так.
1141649587 Здесь оконечник на LM3886 с автобалансировкой 0, схема здесь на сайте у Konkere. То же самое — печать впрямую.
Но есть один вопрос: у меня есть уже собранная плата с 2мя TDA7294 и по размеру она туда вполне подайдёт. Я раньше ёе соберал для замены усилка в мафоне Илеть — 110. Но поставив туда через некоторое время убрал т. к. при приличной громкасти микрухи быстро разогревали радиатор, да и звучало как то плохо по тому чтя я сигнал подавал через весь тракт мафона чтобы не нарушать его функциональность. Питание у них там было +/-35в Вообще я читал что у этих микрух полевые транзисторы на выходе и на входе. А как говорят у полевых транзисторов характеристики близкие к лампам.
Можно ли в Радиотехнику вместо LM поставить TDA? Как отразица на звучании? TDA вроде могут питаться и от +/-26в при нагрузке 4 Ом.
Микросхема К190КТ2, К190КТ2П
Микросхемы представляют собой четырехканальный коммутатор (2х2) на 4 полевых транзисторах с изолированным затвором. Содержат 8 интегральных элементов.
Назначение выводов микросхемы К190КТ2:
1 — затвор транзистора; 2 — затвор транзистора; 3 — затвор транзистора; 4 — сток транзистора; 5 — подложка; 6 — соединенные истоки двух транзисторов; 7 — сток транзистора; 8 — сток транзистора; 9 — соединенные истоки двух транзисторов; 10 — сток транзистора; 11 — свободный; 12 — затвор транзистора.
Электрические параметры:
Пороговое напряжение . . . . . . . . . . . . . . . . . . . . . . . . . . . . . . . . . . . ≥ -6 В Ток утечки затвора . . . . . . . . . . . . . . . . . . . . . . . . . . . . . . . . . . . . . .≤ 30 нА Суммарный начальный ток стока . . . . . . . . . . . . . . . . . . . . . . . . . . . . .≤ 400 нА Ток истока . . . . . . . . . . . . . . . . . . . . . . . . . . . . . . . . . . . . . . . . . . . .≤ 150 нА Сопротивление сток-исток в открытом состоянии . . . . . . . . . . . . . . . . . .≤ 50 Ом Входная емкость . . . . . . . . . . . . . . . . . . . . . . . . . . . . . . . . . . . . . . . . ≤ 24 пФ Проходная емкость . . . . . . . . . . . . . . . . . . . . . . . . . . . . . . . . . . . . . . ≤ 9 пФ Выходная емкость . . . . . . . . . . . . . . . . . . . . . . . . . . . . . . . . . . . . . . . ≤ 15 пФ
Предельно допустимые режимы эксплуатации микросхемы К190КТ2:
Напряжение сток-исток . . . . . . . . . . . . . . . . . . . . . . . . . . . . . . . . . . . .- 25 В Напряжение затвор-сток . . . . . . . . . . . . . . . . . . . . . . . . . . . . . . . . . . .- 30 В Напряжение затвор-исток . . . . . . . . . . . . . . . . . . . . . . . . . . . . . . . . . .- 30 В Напряжение подложка-исток . . . . . . . . . . . . . . . . . . . . . . . . . . . . . . . .25 В Ток стока . . . . . . . . . . . . . . . . . . . . . . . . . . . . . . . . . . . . . . . . . . . . .50 мА Рассеиваемая мощность . . . . . . . . . . . . . . . . . . . . . . . . . . . . . . . . . . . 200 мВт Температура окружающей среды . . . . . . . . . . . . . . . . . . . . . . . . . . . . .-45…+85°С
Общие рекомендации по применению микросхемы К190КТ2:
Микросхемы позволяют коммутировать сигналы с амплитудами от 10 В до -5 В и от 0 до -10 В. При коммутировании положительного сигнала на подложку необходимо подать положительное напряжение, равное максимальному значению коммутируемого сигнала. Необходимо учитывать, что подложка электрически соединена с корпусом. При монтаже и демонтаже допускается не более 3 перепаек. Так как коммутаторы состоят из полевых транзисторов с изолированным затвором, то для них опасно перенапряжение между затвором и любым электродом. Следует учитывать также опасность электростатического заряда: заряд в 1…3*10-10 Кл может вызвать напряжение на затворе 50-100 В по отношению к другому электроду, необратимый пробой диэлектрика и отказ коммутатора.

            

























