Содержание драгоценных металлов в радиолампе 6н2п
Радиолампа 6н2п является электронным компонентом, используемым в радиотехнике. Она содержит несколько драгоценных металлов, которые играют важную роль в ее работе.
Один из основных драгоценных металлов, которые содержатся в радиолампе 6н2п, — это золото. Золото применяется для создания контактных площадок и выводов, обеспечивая надежное и стабильное соединение элементов лампы. Этот металл имеет высокую электропроводность и устойчив к окислению, что делает его идеальным для использования в радиолампах.
Вторым драгоценным металлом, которым обладает радиолампа 6н2п, является серебро. Серебряные контакты и провода обеспечивают стабильную передачу сигнала между различными частями лампы
Серебро также отличается высокой электропроводностью и устойчивостью к окислению, что особенно важно при работе в радиочастотном диапазоне
Кроме золота и серебра, некоторые радиолампы 6н2п также содержат платину. Платина используется для создания особых электродов, которые обеспечивают оптимальное электрическое поле внутри лампы. Это помогает достичь высокой надежности и долговечности работы радиолампы.
Таким образом, радиолампа 6н2п содержит несколько драгоценных металлов, таких как золото, серебро и платина. Их использование позволяет обеспечить высокую надежность и качество работы данного компонента.
Конденсаторы и резисторы
Как и микросхемы, содержание драгметаллов в конденсаторах выше в том случае, если они изготовлены в Советском Союзе. Кроме серебра и золота, из таких элементов можно добыть платину и палладий. Но в последнее время количество ценных веществ снижается из-за дороговизны производства. Требования, которые сегодня предъявляются к современным изделиям, иногда исключают использование традиционных материалов.
Если интересно то, какие конденсаторы содержат драгметаллы, то все детали делят на несколько категорий в зависимости от объёма золота, серебра и платины:
- керамические с маркой КМ;
- с жёлтым корпусом;
- танталовые;
- с серебряным покрытием.
Получить золото и серебро можно из вычислительных машин, АТС и электронных устройств, которые произвели в СССР. К примеру, в конденсаторе К 22 5 содержание драгметаллов следующее — 34,2 г золота и 52,3 г серебра. Ламповые телевизоры, магнитофоны и другая бытовая техника того времени также может быть полезной.
Не только конденсаторы и микросхемы содержат ценные элементы. Их добывают и из резисторов. Но в них много серебра, а золота и платины практически нет
Особое внимание специалисты уделяют советским потенциометрам серий ПТП, 5К, ППМЛ и ППБЛ. Подходят модели, выпущенные до 1982 года
Желательно, чтобы на них была пометка «Ромб».
Из этих деталей извлекают драгметаллы с помощью химического способа. Понадобится подготовить растворы азотной и соляной кислоты. Конденсатор, микросхему или резистор на 30−40 минут помещают в смесь и ждут отделения веществ. Осадок, который появится на дне ёмкости, может иметь красный или коричневый оттенок — это и есть золото. Его собирают и промывают, затем переплавляют в украшение или другое изделие.
12Ж1Л
В триоде Мю-20 ; S-2,5mA/V ; Ri-8k
EL34
Для раздумий; внутреннее сопротивление EL34 в триодном вкл. порядка 1,2к, УЛ — 7-8к, пентод — 16-18к.
Sapienti sat.
Гэгэн
Для ламп 6С3П в ФИ:
Ea-380V, Ua-145V, Ia-12mA, Ra-18k, Uk-1,5V, Rk общ-620 Ом.
———————————————
6С4С
Пример для 6С4С.
при 2,5к по 2й гармонике 4% третьей 0,1%, выходная мощность 2,85Вт
при 2,8к по 2й гармонике 3,75%, третьей 0%, выходная мощность 2,7Вт
при 3к по 2й гармонике 3,5%, третьей 0%, выходная мощность 2,6Вт
При 3,2к по 2й гармонике 3,4% третьей 0% выходноы мощность 2,5Вт
При 3,5к по 2й гармонике 3,3%, третьей 0,1%, выходная мощность 2,4Вт
при 4к по 2й гармонике 3%, третьей 0,2%, выходная мощность 2,2Вт
при 6к по 2й гармонике 2,4% третьей 0,25%, выходная мощность 1,75вт
При 8к по 2й гармонике 2% третьей 0,3%, выходная мощность 1,3Вт.
При 10к по 2й гармонике 1,8% Третьей 0,33% выходная мощность 1,1Вт
6П36С
4,5к — внутреннее сопротивление 6П36С в ТЕТРОДНОМ ВКЛ. В ТРИОДНОМ порядка 0,65к
Выходное сопротивление SRPP каскада на лампах 6П36 в триодном вкл ~ 180 Ом.
Наибольшая выходная мощность при Rn=2*Rвых = 350-400 Ом.
Комфортная при Rn=3*Rвых. (Ra -600 Om)
Гэгэн
6Ф5П (мю триода — 70), 6Ф4П (65), 6Ф3П (75)
6Ф3П Ктр=31. (Ra=8КОм/8Ом, или 4КОм/4Ома)
——————————————————————————-
SE Трансформатор на железе ОСМ1-0,16
———————————————
Лaмпы in triod: 6Ф3/5П, 6П18/43П, 6П13C/31C/41C, 6LR8, 6KY8.
>> Железо ШЛ32 х 40. Окно 55х19
>> Габариты намотки примерно 49 х 15
Ra-5k, Rn-8 Ohm.
Первичная обмотка
Провод 0,25, в изоляции — 0,3
К-во витков в слое 155
Коэффициент заполнения — 0,95.
к-во слоёв и секций — 4-5-5-4
общее к-во слоёв — 18, витков — 2790
Коэффициент трансформации 24
Вторичная обмотка — 122 витка
Провод 0,7, в изоляции 0,75 в секции два слоя по 61 виток.
Количество секций — 3, соединение параллельное
Порядок намотки 1-2-1-2-1-2-1
Габарит намотки
0,3*18=5,4
0,75*6=4,5
Бумага 20*0,05=1
Общ — 11
Коэффициент вспучивания 1,3.
Высота намотки 11*1,3=14,3 при габарите 15мМ.
Зазор
0,1мМ при токе 50мА
0,12мМ 60мА.
0,15мМ до 80мА
===============
6Э5П
Зелёная нагр. прямая — 1,8Вт
Синяя нагр прямая — 1,5Вт.
Лиловая нагр. прямая — 1,2Вт.
Без учёта КПД однотактного выходного трансформатора.
Для 6Э5П в тетродном вкл, Ri=8k, рабочая точка; Ua=160V, Ug2=150V, Ia=50mA, Ug1=-1,75V; Ra=3k.
Коэффициент динамич усиления ~60.
Если трансформатор 1:1, нагрузка вторички — 2,7-3к, если 1:0,5 — 1,35-1,5к.
При нормальном трансе такой каскад вполне линеен по АЧХ
Параллельно первичке никакого доп. резистора не нужно, разве что, на всяк. случай цепь Цобеля 10к — 3-5нФ. (Гэгэн)
6Ф1П
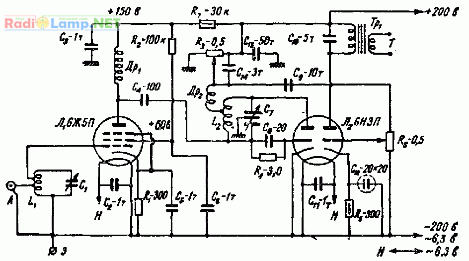
Принципиальная схема
Дроссель высокой частоты ДР1 нельзя близко располагать около катушки L1, так как усилитель может возбудиться. Усиленный сигнал высокой частоты подается на сверхрегенеративный детектор, собранный на одном триоде лампы 6Н3П по наиболее простой и эффективной схеме — с самогашением генерации.
Детектор представляет из себя генератор с емкостной обратной связью, в сеточной цепи которого стоит большое по величине сопротивление и конденсатор, регулирующие частоту прерывания генерации.

Рис. 1. Принципиальная схема двухлампового УКВ приемника на 144-146МГц.
Наиболее выгодный режим работы детектора подбирается сопротивлением R3. Сопротивление R3 используется одновременно и сопротивлением нагрузки детектора, выключенного несколько необычным способом. После детектора сигнал подается на вторую половину лампы 6Н3П, которая работает как усилитель низкой частоты.
Нагрузкой этого усилителя является трансформатор TP1, ко вторичной обмотке которого подключают головные телефоны. Сопротивление R6 служит для регулировки громкости приема.
Значимость содержания драгоценных металлов в радиолампе 6н2п
Радиолампа 6н2п – это электронное устройство, которое используется в различных радиоэлектронных схемах и устройствах. Одной из главных особенностей этой лампы является ее содержание драгоценных металлов.
К важнейшим драгоценным металлам, которые присутствуют в радиолампе 6н2п, относятся золото и серебро. Золото обладает высокой электропроводимостью, химической устойчивостью и устойчивостью к окислению, что позволяет использовать его в качестве контактных площадок и электродов в радиолампе. Серебро применяется для проводников из-за своей высокой электропроводимости и устойчивости к окислению.
Кроме того, в радиолампе 6н2п содержатся также другие металлы, которые играют важную роль в работе данного устройства. К ним относятся медь, платина и никель. Медь также обладает высокой электропроводимостью и применяется в различных контактах и проводниках. Платина используется в качестве материала для электродов из-за своей химической устойчивости и высокой температурной стойкости. Никель является основным материалом для эмиссионной поверхности лампы.
Таким образом, содержание драгоценных металлов в радиолампе 6н2п играет важную роль в обеспечении надежной работы данного устройства. Высокие электропроводимость, химическая устойчивость и стабильность этих материалов позволяют радиолампе функционировать стабильно и эффективно.
Рубрики
- new
- Авторские статьи
- Акустические системы
- Гитарные усилители
- Ламповые радиоприёмники
- Ламповый фонокорректор
- Микрофонный усилитель
- Питание
- Питание усилителей
- Программы
- Программы для Аудио
-
Радиолампы
-
Октальные
- Пентоды
- Тетроды
- Триоды
-
Пальчиковые
- Пентоды
-
Триоды
Двойные триоды
-
Октальные
-
Схемы усилителей
- Гибридные усилители
-
Ламповые
- Трансформаторы для ламповых усилителей
- Усилители PP
-
Усилители SE
Усилители для наушников
-
Предварительные усилители, тембра, эквалайзеры
Ламповые тембра
-
Транзисторные
- Транзисторные класса «AB»
- Транзисторные класса «А»
- Усилители на IGBT транзисторах
- Усилители для наушников ламповые
- Усилитель для наушников
- Фазоинверторы
- Фонокорректоры
Как добыть золото из радиодеталей
Попробуем разобраться, как добыть золото из радиодеталей. Растворителем драгоценного металла является смесь из соляной и серной кислот. Пропорции – 3 к 1-му, соответственно. Смешивать надо жидкости определенной плотности.
Показатель серной кислоты должен быть 1,8 граммов на сантиметр кубический, соляной – 1,19 граммов на сантиметр кубический. Отделение золота от основы не пройдет окончательно, если не нагреть раствор до 60-ти, 70-ти градусов Цельсия.
Только в разгоряченную смесь стоит опускать деталь. После, следует добавить в емкость небольшое количество азотной кислоты. Получится раствор, известный как «царская водка». Он растворяет практически все элементы, в том числе и золото. Микросхема, или иной элемент, растает в смеси, который затем следует осадить восстановителем.
Следует учесть количество радиодеталей и содержание в них ценного сырья. Обычно, на 200 – 300 граммов поверхности, покрытой золотом, требуется полтора литра азотной кислоты. Технику следует максимально разобрать, отделить стеклянные элементы, участки без драгоценного напыления. Они будут «забирать» на себя химический раствор, тогда его потребуется больше. Опускать в среду желательно только сами детали с желтым металлом.
При комнатной температуре, без нагревания выделить металл из смеси кислот можно методом электролиза. Он подходит только для работы с деталями из меди и латуни. Через раствор пропускают ток плотностью от 0,1 до 1 А/дм2. В качестве катода используют свинец или железо. Процедура отделения золота закончена, если сила тока начинает резко падать.
Можно купить уже готовые составы для отделения драгоценных металлов в специальных магазинах. Возможно так же наладить сотрудничество с небольшими предприятиями химической промышленности. Реактивы предлагают и многие интернет-сайты, доставляя продукцию на дом. Методы извлечения золота из радиодеталей, описанные выше, применимы в домашних условиях.
Какие драгоценные металлы содержит радиолампа 6н2п?
Радиолампа 6н2п — это электронное устройство, которое находится в составе устройств радиоэлектроники. В процессе изготовления радиолампы 6н2п применяются различные материалы, включая драгоценные металлы.
Основу радиолампы 6н2п составляет стеклянная колба, внутри которой находятся электроды и другие детали. Для проводников и электродов, используемых в радиолампе, могут применяться драгоценные металлы, такие как золото, серебро и платина. Эти металлы обладают высокой электропроводностью и хорошими теплопроводными свойствами, что позволяет повысить эффективность работы радиолампы.
Также в процессе изготовления радиолампы 6н2п могут применяться драгоценные металлы для покрытия поверхности электродов. Это позволяет улучшить стабильность и надежность работы радиолампы, а также увеличить ее срок службы. Драгоценные металлы защищают электроды от окисления и коррозии, что позволяет поддерживать высокое качество работы радиолампы в течение длительного времени.
В целом, использование драгоценных металлов в радиолампе 6н2п способствует повышению качества и надежности работы устройства. Эти металлы являются ценными материалами, которые придают радиолампе особое значение и уникальность
Они обеспечивают хорошую электропроводность, защиту от окисления и коррозии, а также улучшают теплоотвод радиолампы, что важно для ее эффективной работы
Детали
Катушки L1, L2 намотаны голым посеребренным проводом, диаметром 1,5 мм. За неимением посеребренного провода, можно применить медный провод, зачищенный мелкой шкуркой и облуженный. Катушка L1 содержит четыре витка с отводами от 1,5 витка на антенну, и от 3-го витка на управляющую сетку лампы.
Отводы считают от заземленного конца на схеме. Длина намотки катушки равна 20 мм. Катушку наматывают на каркас диаметром 10 мм, каркас потом убирают. Катушка L2 содержит 3 витка такого же провода, Внутренний диаметр катушки 14 мм, длина намотки катушки 15 мм. Дроссель ДР2 припаивают к катушке в центре среднего витка.
Трансформатор TP1 можно применить заводской от приемника «Рекорд» или ему подобный. К такому трансформатору присоединяют низкоомные телефоны с сопротивлением катушек 60-80 ом. Для включения телефонов с большим сопротивлением (2000 ом) перематываю трансформатор: первичная обмотка содержит 2850 витков провода ПЭЛ-0,1, вторичная обмотка содержит 300 витков провода ПЭЛ-0,3.
Пластины Ш-16, набор 16 мм. Дроссели ДР1 и ДР2 намотаны на сопротивлении ВС-0,25 вт на 1 мом. На оба дросселя намотано по 0,5 м провода ПЭЛ-0,15. Все остальные детали указаны на схеме.

Рис. 2. Размещение деталей приемника на шасси.
Приемник смонтирован без выпрямителя на шасси размером 140х80х40 мм, передняя панель 140х90 мм. Размещают детали на шасси так, как показано на рис. 2. Катушки L1 и L2 близко друг к другу не располагают, так как приемник может возбудиться.
При монтаже все провода высокочастотной части приемника делают как можно короче. Детали располагают непосредственно около ламповой панели того каскада, к которому они относятся.
Архивы
- Ноябрь 2023
- Май 2023
- Март 2023
- Февраль 2023
- Январь 2023
- Май 2022
- Март 2022
- Январь 2022
- Декабрь 2021
- Ноябрь 2021
- Сентябрь 2021
- Август 2021
- Август 2020
- Ноябрь 2019
- Февраль 2019
- Январь 2019
- Ноябрь 2018
- Август 2018
- Июль 2018
- Июнь 2018
- Апрель 2018
- Март 2018
- Декабрь 2017
- Ноябрь 2017
- Октябрь 2017
- Сентябрь 2017
- Август 2017
- Июль 2017
- Июнь 2017
- Май 2017
- Апрель 2017
- Март 2017
- Февраль 2017
- Декабрь 2016
- Ноябрь 2016
- Октябрь 2016
- Сентябрь 2016
- Август 2016
- Июль 2016
- Июнь 2016
- Май 2016
- Апрель 2016
- Февраль 2016
- Январь 2016
- Декабрь 2015
- Ноябрь 2015
- Октябрь 2015
- Август 2015
- Июль 2015
- Июнь 2015
- Май 2015
- Апрель 2015
- Март 2015
- Февраль 2015
- Январь 2015
- Декабрь 2014
- Ноябрь 2014
Основные характеристики
Для работы 6Н2П используется постоянное или переменное напряжение накала в диапазоне от 5,7 до 6,3 В. Занижение или завышение указанного параметра приводит со временем к разрушению катода. Поэтому желательно, чтобы питание было стабилизировано и обеспечивало мягкое включение. Лучше, чтобы оно не превышало нижних паспортных значений, что в конечном итоге может значительно продлит срок службы лампы.
Эксплуатационные данные
Приведём основные эксплуатационные характеристики 6Н2П:
- напряжение:
- нити накала от 5,7 до 7,0 В;
- постоянное анодное от 250 В (номинальное) до 300 В;
- между катодом и подогревателем – до 100 В; между анодами– до 2 В;
- сетки — минус 1,5 В (постоянное);
- ток:
- нити накала — 340 ±25 мА;
- катода — до 10 мА;
- анода – 2,3 ±0,9 мА;
- рассеиваемая мощность одним анодом –до 1 Вт (максимальная);
- сопротивление в цепи сетки – 0,5 Мом (максимальное);
ёмкость:
- между анодами– не более 0,15 пФ;
- между катодом и подогревателем – не более 5 пФ;
- емкость (у каждого триода): входная — 2,35 ±0,35 пФ; выходная 2,5 ±0,5 пФ; проходная – 0,7 … 0,8 пФ;
- крутизна характеристики – 2,1 +0,5 мА/В (каждого триода);
- коэффициент усиления – 97,5 ± 17,5 (каждого триода).
Стоит отметить, что данные параметры указаны производителем в техническом описании (datasheet) исключительно для лампы прогретой до рабочего состояния. При подключении нити накала к переменному току, для уменьшения фона на 25-30 дБ, рекомендовано между катодом и подогревателем подавать не более ±10 В.
Аналоги
Общеизвестно, что у 6Н2П есть хороший зарубежный аналог, послуживший прототипом для её создания — 12AX7WA. Однако у последней все же немного другие параметры, и даже при поверхностном рассмотрении datasheet видны отличия в значениях напряжения нити накала и распиновки. Несмотря на такие несоответствия многие любители гитарной музыки, в поисках лучшего звучания своих усилителей, применяют эти лампы в качестве замены.
В подобных случаях можно рекомендовать европейские версии ЕСС83, ECC89 от компании Tesla, которые ничем не хуже американки. К сожалению такие радиолампы, как и 12AX7WA, в настоящее время достаточно трудно найти в российских магазинах и к тому же они очень дорого стоят. Поэтому некоторые радиолюбители дорабатывают для установки вместо них советские 6Н2П. Пример подобной доработки показан в видеоролике.
На многих интернет-форумах обсуждается возможная замена 6Н2П на 6Н3П, ведутся споры какая лампа лучше. Однако две эти радиолампы разные по своим характеристикам. К тому же, у последней более низкий коэффициент усиления по току и другая цоколевка. В большинстве случаев замена одного устройства на другое потребует глубокой переработки существующей схемы.
Полным отечественным аналогом обычно можно назвать 6Н2П-ЕП — это более поздняя модификация рассмотренной лампы считается хорошей альтернативой. Функциональным аналогом считается 6Н9С, которая полностью идентична по параметрам, но расположение выводов у неё все же отличается. Для установки последней взамен 6Н2П надо придумывать переходник или перепаивать схему.
Драгметаллы в микросхемах
Первое, на что необходимо обращать внимание — это микросхемы электронной бытовой техники. Материалы, которые содержатся в них, необходимы для проводимости электрического тока, образования достаточного сопротивления и нормального функционирования чипов
Для того чтобы добыть такое количество золота, за которое можно выручить сумму, покрывающую расходы на обработку деталей, нужно запастись большим числом микросхем.
В керамических конденсаторах советского изготовления есть танталовые и серебряные элементы, в транзисторах и светодиодах содержится золото, как и в переключателях, разъёмах, реле и потенциометрах. В металлических деталях содержатся много сплавом, в том числе:
Добытчики драгметаллов часто испытывают трудности при скупке микросхем. Ведь основная часть подобных приборов советского производства уже продана. И для того, чтобы добыть 5 г серебра и 1 г золота нужно перебрать не менее одной тысячи деталей. В некоторых случаях реальное количество драгоценных веществ отличается от того, которое указано в справочнике. Содержание золота и серебра в определённых микросхемах:
- К537РФ — 40,1 и 71,2 г;
- 1200ЦЛ1 — 43,3 и 115,1 г;
- 2ФВ2000 — 41,7 г жёлтого металла, серебра нет;
- 530ИД7 — 28,5 и 26,7 г;
- КМ132РУ2 — 34,7 и 52,6 г.




























